首页
发现
课程
培训
文章
案例
问答
需求
服务
行家
赛事
热门搜索
发布
消息
注册
|
登录
软件:
Dassault
SIEMENS
Ansys
Altair
HEXAGON
PTC
Autodesk
ESI
ITASCA
国产
其他工具 (1)
全部
3DCS
3-matic
3Shape
ADINA
ADS
AFDEX
AIPump
AIWind
Algoryx
Altium
ANSA
Anybody
AnyCasting
AnyLogic
APEX
APIS IQ FMEA
archelios
ASAP
ASLD
Aspen Plus
AutoForm
AutoMod
AVEVA
AVL
Barracuda
Bentley AutoPIPE
Bladed
Cadence
CADWIND
CAESES
CANoe
CarSim
Celsius EC
CFturbo
CIVILFEM
code_aster
Comsol
CONVERGE
CoppeliaSim
Custom WaveView
DCS
Deform
Demo3D
Endurica MP
EnergyPlus
FANUC
FAST
FEMFAT
FEMtools
Fidelity
FKM
FLACS
Flexsim
FLOW-3D
Flownex
Fluidyn
Fourier Transform
Franc3D
gEDA
GENESIS
GENOA
Geomagic Design X
GeoStudio
GID
GPS规范
GROMACS
GT Power
GT-SUITE
HSC
HSPICE
HyperMILL
HyPneu
IIW 规范
InVEST
JMatPro
J-OCTA
JSCAST
KeyShot
KISSsoft
KLIPPEL
LabVIEW
Laminate Tools
LAMMPS
LiToMesh
Ludovic
Magics
Mastercam
Mathematica
MATLAB
MBSE
MDESIGN
MeshWorks
MESYS
META
MIDAS
MidJourney
Mimics
Modelica
MotorCAD
Multisim
NEMOH
NOVACAST
NSAS
Oasys
ODYSSEE
OOFELIE::Multiphysics
OpenFAST
Opensees
Optenni Lab
Origin
ParaView
ParticleWorks
PDMS
Pfais
Phoenics
PiFlow
PLAXIS
Pointwise
Profili
PumpLinx
python
QForm
QuantumATK
Quick Surface
RAMSIS
RecurDyn
Rocky
RP 系列
SALOME
SAP2000
SciFEA
SCORG
Sigrity
Simag
Simulink
SmartCFD
SmartUQ
SORPAS
STEPS
STKO
SYNOPSYS
TCFD
Tecplot
Tekla
Thunderhead FDS
TrueGrid
True-Load
TwinMesh
UM
Unity
VASP
Vcollab
VDI2230
VenetDCP
VERICUT
VisionPro
Visual Components
VRAND
WELSIM
WoundSIM
XFLR5
Xfoil
XimeX
Zuken
专业:
设计
制造
结构
流体
电磁
跨学科
更多学科
行业:
工业设备
车辆
航空航天与国防
能源
土木建筑
生命科学
消费科技
工艺
其他行业
技术:
工业品
前后处理
优化
体系
领域
课程
文章
培训
案例模型
推荐
最新
热门
精品
价格区间
不限
免费
¥1~50
¥50~100
¥100~500
¥500~1000
¥1000以上
¥
-
¥
确定
Excel+HyperStudy的联合优化
了解如何将HyperStudy与电子表格结合,识别输入变量和输出响应,以及运行优化研究。在开始之前,...
TodayCAEer
签名征集中
免费
【新文速递】2025年10月11日固体力学SCI期刊最新文章
今日更新:InternationalJournalofSolidsandStructures2篇,J...
Tansu
签名征集中
免费
【新文速递】2025年10月10日固体力学SCI期刊最新文章
今日更新:JournaloftheMechanicsandPhysicsofSolids1篇,Thi...
Tansu
签名征集中
免费
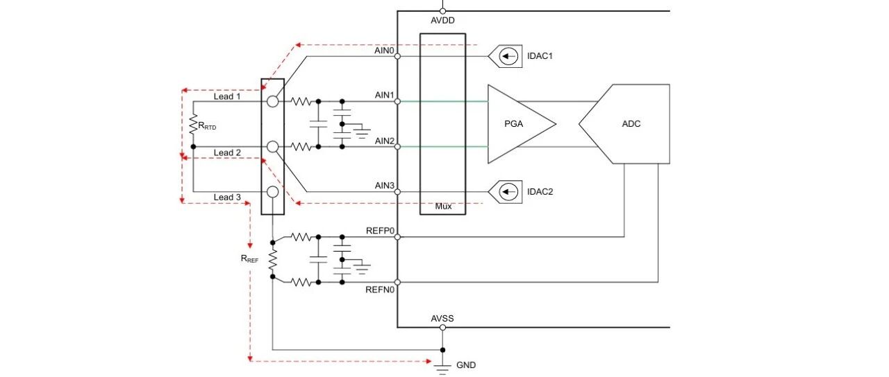
ADS1220用于三线制PT100测温,5块电路板每个温度都不一样,温度波动较大,是什么原因呢?
大家好,我是EE小新。最近在在做温度PT100的产品,遇到同一个产品测试温度不一致的问题,去除传感器...
EE小新
签名征集中
免费
【新文速递】2025年10月9日固体力学SCI期刊最新文章
今日更新:JournaloftheMechanicsandPhysicsofSolids1篇Jour...
Tansu
签名征集中
免费
各个仿真软件出来的结果不一致--对一段50ohm微带线
昨天本来挺有收获的,终于把MOM仿出来的结果和ADS原理图的结果基本对上了。想用同样的方法,把FEM...
加油射频工程师
分享所学知识
免费
半导体风口下,封装工程师如何靠仿真技术抢占高薪岗位?
导读:2025年的半导体产业版图中,封装已从"芯片保护层"升级为"性能...
仿真圈
技术圈粉 知识付费 学习强国
免费
橡胶疲劳与金属疲劳的区别 第2部分:线性叠加-2
接上篇03比较摇摆杆在单轴载荷下的线性和非线性插值结果作为第一个例子,考虑图7所示的汽车摇摆杆连杆。...
Endurica
橡胶材料疲劳仿真与寿命预测
免费
非线性静力学分析基础-分析设置
1.小位移非线性分析设置输入配置流程:1.BulkData段:定义静态载荷/边界条件(SPC,LOA...
TodayCAEer
签名征集中
免费
基于simlab的自由形状优化教程
本教学案例演示了如何求解支架模型的线性static分析,以及如何使用自由形状优化分析来优化支架的加强...
TodayCAEer
签名征集中
免费
今天一起抓个大的:射频设计中的噪声!
你有没有过这样的经历:手机信号满格,刷视频却一直转圈;显示“5G”,传文件却比4G还慢;基站明明就在...
射频学堂
学射频,就来射频学堂。
免费
声波滤波器全面对比(附参考书推荐)
在射频前端领域,声波滤波器是实现“信号筛选”的核心器件——它能从复杂的电磁信号中,精准提取目标频段(...
射频学堂
学射频,就来射频学堂。
免费
考虑重力荷载的二维/三维有限元分析C++编程实现
摘要: 采用三角形、四边形或六面体单元(网格),建立平面应变或三维弹性实体的有限元模型,通过能量原...
外太空土豆儿
我们穷极一生,究竟在追寻什么?
免费
小米射频工程师面试问题及AI解答
今天在牛客网上看到有同学分享的小米射频工程师一面的题目,比较详细,因此抄录下来,并试着做一下解答,希...
射频学堂
学射频,就来射频学堂。
免费
CAD领域公司分析 - 3
行业应用发展:CAD在各领域的演进(Industry-SpecificTrends)CAD技术广泛应...
易赋
签名征集中
免费
解锁智能微波工程的“未来密码”
身处人工智能的时代,射频和微波设计如何才能搭上人工智能的东风,这可能是我们每一个射频人所面临的问题。...
射频学堂
学射频,就来射频学堂。
免费
一文读懂正交幅度调制(QAM):让信号 “挤一挤”,带宽利用率翻倍的关键技术
如果你用过5G、WiFi6或者看过高清有线电视,可能没听过“正交幅度调制(QAM)”,但你享受的“高...
射频学堂
学射频,就来射频学堂。
免费
simlab多工况教程:变速器的建模,预紧力模态,频响分析
本教学案例演示了如何通过将螺栓的预紧力效应作为预紧力来求解差速器壳体模型的模态频率响应分析。在开始之...
TodayCAEer
签名征集中
免费
Hugging Face与Ollama平台最受欢迎大模型生态系统分析报告
第一章:引言:大模型生态系统与分析方法论1.1大模型生态系统的崛起与分析方法论概述大型语言模型(LL...
易赋
签名征集中
免费
记录一下仿真时候的问题(port相关)
(1)周六,我在家打开电脑。队友过来问,你在干啥?我说,ADS里面差不多了,我要把版图放到HFSS里...
加油射频工程师
分享所学知识
免费
1
2
3
4
5
6
60
VIP会员
学习计划
福利任务
下载APP
联系我们
微信客服
联系客服
人工服务时间为周一至周五的9:30-19:30
非工作时间请在微信客服留言
客服热线:
4000-969-010
邮箱:
service@fangzhenxiu.com
地址:
北京市朝阳区莱锦创意园CN08座
帮助与反馈
返回顶部