首页/文章/ 详情

技术博客 I 信号反射和阻抗失配的联系

6天前浏览10

本文要点


  • 电路中或传输线上的阻抗失配会产生反射,回到信号源。

  • 当信号反射时,向末端负载传输的功率就会减少。

  • 阻抗匹配发挥了一种双重作用,即通过抑制反射使功率传输到负载。


每当电磁信号沿着传输线传播时,都有可能从传输线和负载器件之间的接口上反射回来。负载可以是任何东西:另一段传输线、集成电路、天线......任何有明确阻抗的东西都是负载。当阻抗失配时,就会给信号带来灾难性的影响,导致在传输线末端测得振荡响应或阶梯式响应。


这种效应从何而来,如何通过阻抗匹配来加以解决?虽然信号反射和阻抗失配存在关联,但在线路上观察到的振铃效应往往解释不清,也很难归纳。在本文中,我们将详细解释由于互连中的阻抗失配而导致的信号反射有哪些影响。


 


           

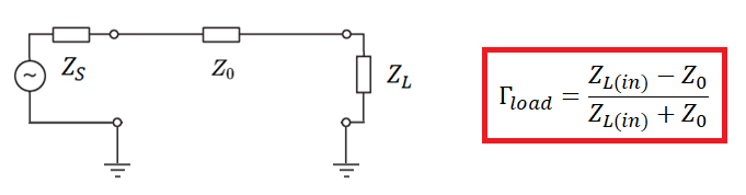
端接线路上出现信号反射的原因


根据定义,传输线上的阻抗失配会导致信号反射;任何支持波在线性介质中传播的结构都会这样。信号反射导致在传输线接收端读出的电压出现振荡,或者表现出过长的响应,类似于不同电平之间的阶梯。当反射发生时,传输线上负载器件输入端的电压和电流可能表现出过冲或下冲,具体取决于反射信号相对于输入信号的极性。


定义反射信号强度的主要方程式是反射系数方程式。对于到达负载输入阻抗的行进信号,在负载输入端的反射系数为:


 

对于这种典型的传输线配置,其反射系数在器件的负载端定义。对于到达传输线源端的波,也定义了一个类似的方程式。


从这个方程可以看出,如果负载的输入阻抗与线路阻抗失配,在负载处就会发生反射。同样的道理也适用于在源端观察到的输入阻抗。在每次反射后,由于线路两端的连续反射,会出现相位偏移和信号电平降低。


 

从线路负载端反射的波的方程式


在上述方程中,系数 A 是线路上信号的初始振幅。


这两个方程的有趣之处在于,只要知道上述方程中的系数,它们就能完全描述阻抗失配的信号反射行为。传输线的行为仿真非常麻烦,要么需要使用 3D 电磁场求解器,要么需要等效的集总电路模型。在实践中,可以简单地绘制出输入波及其相位偏移的反射图,就可以获得在时域中的负载输入端测量的波形。基本上,一些 SPICE 模型就是通过这种方法来计算在负载输入端测量的波形。


对于高负载阻抗,在负载处观察到的输入信号与反射信号相叠加,将产生一个波形,形状如下图所示:


 

由于高阻抗负载的信号反射而产生的明显震荡


           

为什么会出现明显的过阻尼响应?


如果在网上搜索关于信号反射和阻抗失配的资料,绝大多数都是考虑 50 欧姆传输线连接到高阻抗负载的情况,特别是 CMOS 逻辑电路。由于反射系数的原因,反射的信号不会反转。相反,功率只有在线路上来回反射之后才到达负载。然后,我们看到在传输线和负载之间的界面上出现了上述缓慢上升的情况。


           

低阻抗负载的信号反射和阻抗失配


在低阻抗下,输入波最初会反转,因为反射系数小于零。这就产生了明显的下冲。然后,反射波将继续在线路上来回流通,在两端反射和反转,产生如下所示的波形。这看起来很像欠阻尼振荡,但它们不完全是一回事。无损失配不会出现这种行为,这种情况下不会有任何阻尼机制。


 

由于低阻抗负载的信号反射而产生的明显震荡


与传输线一起使用的现代 IC 通常在驱动端(也可能在接收端)使用片内端接 (ODT)。对于线路驱动器或收发器等原件,线路的源端可能实现 50 欧姆的阻抗。负载器件可能没有使用片内端接,这意味着需要使用一个并联电阻、上拉电阻或 Thevenin 端接。


应用这些终端方案的目的是将信号设置在所需的电平,同时将负载的输入阻抗设置为等于线路的特性阻抗。在线路的负载端应用外部端接,或在低阻抗驱动器的源端应用串联端接之前,请先查阅产品手册,看看该器件是否使用了片内端接。


Cadence Allegro PSpice Simulator 是业界一流的用于电路设计和仿真的PCB 设计和分析软件之一。使用该软件可以模拟到达传输线负载端的波形,以便在设计端接网络时评估任何信号反射和阻抗失配。


来源:Cadence楷登

System电路Cadence
著作权归作者所有,欢迎分享,未经许可,不得转载
首次发布时间:2025-10-26
最近编辑:6天前
Cadence楷登
签名征集中
获赞 1粉丝 107文章 631课程 0
点赞
收藏
作者推荐

Palladium Z3和Protium X3 系统,开启加速验证、软件开发和数字孪生新时代

内容摘要●与前一代产品相比,Cadence 新一代“动力双剑”组合的容量增加超过 2 倍,速度快 1.5 倍,可助力设计人员快速开发先进芯片,满足生成式 AI、移动、汽车、超大规模和 LLM 应用的需求;●Palladium Z3 硬件仿真搭载全新自研 Cadence 硬件仿真核处理器,提供速度更快、预测能力更强的编译和全面的硅前硬件调试功能;●Protium X3 原型验证平台能够以最快的速度搭建初始环境,用于十亿门级设计的硅前软件验证;●无缝集成的流程,具有统一的编译器和通用的虚拟及物理接口,能够将设计从硬件仿真平台快速迁移到原型验证平台。中国上海,2024 年 12 月 25 日 —— 楷登电子(美国 Cadence 公司,NASDAQ:CDNS)在上半年推出了新一代 Cadence® Palladium® Z3 Emulation 和 Protium™ X3 FPGA 原型验证系统,这是一个颠覆性的数字孪生平台,基于业界卓越的 Palladium Z2 和 Protium X2 系统,旨在应对日益复杂的系统和半导体设计,加速更先进的 SoC 的开发进度。Palladium 和 Protium 系统在业界备受赞誉,深受业界领先的 AI、汽车、超大规模、网络和移动芯片公司的信赖,能提供吞吐量更高的硅前硬件调试和硅前软件验证。新推出的 Palladium Z3 和 Protium X3 系统专门针对业界规模最大的十亿门级设计,将卓越设计的标准提升到了新的水平,与前代产品相比,客户将获得超过 2 倍的容量扩充和 1.5 倍的速度提升,加速搭建初始环境,并加快产品的整体上市速度。“ “在新一代市场需求的推动下,系统和半导体创新迫在眉睫。在这种背景下,我们的客户面临的挑战愈发严峻,他们需要为最先进的应用开发芯片”,Cadence 资深副总裁兼系统与验证事业部总经理 Paul Cunningham 说道,“第三代 Palladium 和 Protium 动力双剑系统是 Cadence 验证套件的核心,与 Verisium AI-driven Verification Platform 无缝集成。Cadence 验证全流程为客户提供更高的验证吞吐量,确保客户可以更快将硬件创新产品推向市场,同时为新技术的快速研发提供支持,例如生成式 AI”。” Palladium Z3 和 Protium X3 系统的容量更大,支持从 1600 万门到 480 亿门不等规模,可对超大型 SoC 进行整体(而非部分模型)测试,从而确保适当的功能和性能。两个系统均采用 NVIDIA BlueField DPU 和 NVIDIA Quantum InfiniBand 网络连接器,这样不但能保证系统彼此之间切换的一致性,也能做到虚拟接口与物理接口之间的自由转换。在 Palladium Z3 系统加速硬件验证的基础上,利用一致的功能和接口特性,Protium X3 系统可以快速完成相关模型部署来加速软件验证。“ “超强的 Palladium Z3 和 Protium X3 旨在为规模更大、更复杂的设计提供快速的硅前验证和检验”,Cadence 硬件系统验证研发部全球副总裁 Dhiraj Goswami 表示,“我们采用创新的定制芯片和系统架构,辅以革命性的模块化编译和调试能力,可在一天内完成多次设计验证迭代,不断突破极限,满足客户的需求,帮助他们应对最严峻的挑战,不断推出新一代创新产品”。” “ “构建高效、高性能的 AI 平台需要借助成熟的基础架构,还需要整合全套经过优化的系统和软件”,NVIDIA 网络部门高级总监 Scot Schultz 说道,“在 NVIDIA 网络技术的加速下,新一代 Cadence Palladium 和 Protium 系统突破了容量和性能的极限,可助力开启生成式 AI 计算新纪元”。” Palladium Z3 系统提供了新的针对特定领域的应用程序,用户可以使用最全面的产品组合,应对不断增加的系统和半导体设计复杂性、提高系统级准确度并加速低功耗验证。针对特定领域的应用程序包括业界首个 4 态硬件仿真应用、实数建模应用和动态功耗分析应用。“ “随着 SoC 变得越来越复杂,可扩展的验证和检验工具的重要性日益凸显,它们可在芯片流片前进行大规模软件测试”,Arm 设计服务高级总监 Tran Nguyen 表示,“Cadence 最新的硬件验证平台和工具正在推动 AI、汽车和数据中心应用中的 Arm IP 设计创新,相信我们双方的共同客户将从中受益”。” “ “为了交付卓越的计算产品,AMD 需要综合运用多种硅前解决方案和技术,以应对大规模验证挑战”,AMD 企业研究员 Alex Starr 表示,“Cadence Palladium Z3 和 Protium X3 系统增强了我们在硬件仿真和企业原型验证方面的能力,能帮助我们提高设计效率,顺利达成产品上市目标。我们还与 Cadence 合作,将 AMD Versal™ Premium VP1902 自适应 SoC 集成到 Protium X3 系统中,并将基于 AMD EPYC™ 处理器的主机服务器集成到 Palladium Z3 和 Protium X3 系统中,以提高容量,实现更高的性能和可扩展性”。” Palladium Z3 和 Protium X3 系统是更广泛的 Cadence 验证套件的一部分,支持 Cadence 的智能系统设计(Intelligent System Design™)战略,旨在实现 SoC 卓越设计。该系统已为一部分客户成功部署,全面上市时间预计为 2025 年第二季度。END来源:Cadence楷登

未登录
还没有评论
课程
培训
服务
行家
VIP会员 学习计划 福利任务
下载APP
联系我们
帮助与反馈