首页
发现
课程
培训
文章
案例
问答
需求
服务
行家
赛事
热门搜索
发布
消息
注册
|
登录
软件:
Dassault
SIEMENS
Ansys
Altair
HEXAGON
PTC
Autodesk
ESI
ITASCA
国产
其他工具
专业:
设计
制造
结构
流体
电磁
跨学科
更多学科
行业:
工业设备
车辆
航空航天与国防
能源 (1)
土木建筑
生命科学
消费科技
工艺
其他行业
全部
风能
太阳能
煤炭
油气
核能
电力
储能
技术:
工业品
前后处理
优化
体系
领域
课程
文章
培训
案例模型
推荐
最新
热门
精品
价格区间
不限
免费
¥1~50
¥50~100
¥100~500
¥500~1000
¥1000以上
¥
-
¥
确定
这些基础都不知道?就别玩开关电源
今天分享开关电源的一些基础。01纹波与噪声1、纹波开关电源的输出并不是真正恒定的,输出存在着周期性的...
硬件笔记本
一点一滴,厚积薄发。
免费
电路板发出了“滴答滴答”的声音...
在之前的一个设计项目交付后,由于现场调试人员的操作失误,在拆开设备后面板时被**的线头触碰电路板(喷...
硬件笔记本
一点一滴,厚积薄发。
免费
案例|电源入口加磁珠,出事了
一、摘要磁珠主要由铁氧体及线圈组成,磁珠抑制干扰的主要原理是利用高频时通过电阻发热将干扰消耗。如果长...
硬件笔记本
一点一滴,厚积薄发。
免费
雷击浪涌,防护有妙招
1、电子设备雷击浪涌抗扰度试验标准电子设备雷击浪涌抗扰度试验的国家标准为GB/T17626.5(等同...
硬件笔记本
一点一滴,厚积薄发。
免费
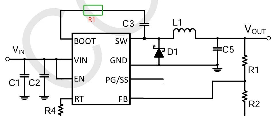
群友提问: DC–DC芯片的BOOT引脚是用来干什么的?怎么理解自举电容?
大家好,我是王工。一位群里小伙伴提问:DC–DC芯片的BOOT引脚功能是什么?其实这个问题不难,可能...
硬件笔记本
一点一滴,厚积薄发。
免费
十几张图,案例讲解DC/DC电源PCB设计
大家好,我是王工。在DCDC电源电路中,PCB的布局对电路功能的实现和良好的各项指标来说都十分重要。...
硬件笔记本
一点一滴,厚积薄发。
免费
想要自己鼓捣点东西出来,奈何被DDR给难住了!
大家好,我是王工。最近想要自己鼓捣点东西出来,设想的是先做好方案,画好原理图和PCB,然后在嘉立创打...
硬件笔记本
一点一滴,厚积薄发。
免费
动态力学分析 (DMA) 基础知识
动态力学分析(DMA)是一种表征方法,可用于研究材料在各种条件下(例如温度、频率、时间等)的动态行为...
yunduan082
Abaqus仿真世界
免费
中国储能年度最具全球竞争力10强排行榜(2025年)!
锂电那些事今日头条2025年10月27日星期一中国储能企业正迎来史诗级别的“大航海时代”。据此前24...
锂电那些事
锂电设备、工艺和材料技术研发应
免费
Fluent电池降阶仿真 一
随着动力电池及储能系统的电量越来越大,电池数量也越来越多。对于电池系统仿真需求的资源和时间也越来越多...
CAE无剑
CAE中学生
免费
碳胶相对电池性能的影响
锂离子电池极片涂层由以下几个部分组成:(1)活性物质颗粒,在电化学过程中主要脱出或嵌入锂离子;(2)...
堃博士
签名征集中
免费
CCS集成母排技术路线简介!
锂电那些事今日第三条2025年10月10月23日星期四CCS集成母排是将电池模组中的导电排、控制电路...
锂电那些事
锂电设备、工艺和材料技术研发应
免费
拆解思格新能源成长史,华为旧将何以造就史上最强户储黑马!
锂电那些事今日头条2025年10月23日星期四华为老将杀入户储赛道,成就最强黑马,这就是思格新能源正...
锂电那些事
锂电设备、工艺和材料技术研发应
免费
30家固态电池企业量产最新进展!
锂电那些事今日第三条2025年10月21日星期二2025年,各大企业在全固态与准固态技术领域的布局进...
锂电那些事
锂电设备、工艺和材料技术研发应
免费
新能源圈的 “印钞王者”:宁德时代日赚 2.23 亿,扩产动作更惊人!
三个季度营收2831亿元,已投150亿加码研发。10月20日,宁德时代发布了其2025年第三季度财报...
锂电那些事
锂电设备、工艺和材料技术研发应
免费
实时测量方法延长电池寿命并提升安全性
一种创新的实时测量方法使电动汽车的电池管理得以优化,从而提升安全性并延长使用寿命。该方法由Fraun...
锂电芯动
中科院博士,电芯仿真高级工程师
免费
欣旺最新动态!
锂电那些事今日第三条2025年10月20日星期一10月16日,欣旺达发布公告称,拟向国家开发银行深圳...
锂电那些事
锂电设备、工艺和材料技术研发应
免费
“芯”动涂绘师:锂电池涂布机的微米级智造舞步!
锂电那些事今日第二条2025年10月20日星期一当新能源汽车驰骋于街头,储能电站保障着电网稳定,锂电...
锂电那些事
锂电设备、工艺和材料技术研发应
免费
行业地震!央视近日发文,固态电池新突破!
锂电那些事今日头条2025年10月20日星期一锂离子电池作为现代能源存储的核心技术,其性能优化与安全...
锂电那些事
锂电设备、工艺和材料技术研发应
免费
固态电池:为何虚拟建模与仿真成为唯一出路
摘要本文系统阐述了固态电池(SSB)相比传统锂离子电池(LIB)的技术优势与发展挑战,并重点论证了虚...
艾迪捷
MBD CAE解决方案专家
免费
1
2
3
4
5
6
125
VIP会员
学习计划
福利任务
下载APP
联系我们
微信客服
联系客服
人工服务时间为周一至周五的9:30-19:30
非工作时间请在微信客服留言
客服热线:
4000-969-010
邮箱:
service@fangzhenxiu.com
地址:
北京市朝阳区莱锦创意园CN08座
帮助与反馈
返回顶部