首页/文章/ 详情

案例+图文 | 轻松搞定DC-DC升压原理

3天前浏览7
今天给大家分享的是DC-DC 升压电路。      
这里主要是关于:DC-DC 升压电路DC-DC 升压模块原理、如何构建DC-DC 升压电路。      

     

一、什么是 DC-DC 转换器?

DC-DC 转换器是一种电力电子电路,可有效地将直流电从一个电压转换为另一个电压。      
DC-DC 转换器在现代电子产品中扮演着不可或缺的角色。这是因为与线性稳压器相比,它们具有多项优势。尤其是线性稳压器会散发大量热量,与 DC-DC 转换器中的开关稳压器相比,它们的效率非常低。      

DC-DC 升压电路


在介绍 DC-DC 转换器 的工作原理之前,看一个示例,为什么 DC-DC 转换器这么有用?假设构建一个具有以下要求的电路:      

DC-DC 升压电路

  • 2Ω 负载电阻

  • 12V 直流电源

  • 5V 负载电压

我们需要降低 12V 电池的电压,为负载提供 5V 电压。我们可以将一个2.8Ω的电阻与负载串联,以提供所需要的电压。      
先计算电路的效率如下      

DC-DC 升压电路

从这些计算中,我们可以看到负载仅仅消耗了 12.5W 的输入功率,剩余部分 (30 – 12.5 = 17.5 W) 转化为热量。      
照这么来看,其实是有点浪费的,如果触摸串联电阻,会有点热,这里需要结合机制来冷却电路,为了获得更优的解决方案,可以看下面的电路:      

DC-DC 升压电路

开关断开时,输入电压为 0V,控制在 ON 位置时,输入电压为 12V。下图分别显示了开关位置 ON 和 OFF 的等效电路。      

DC-DC 升压电路等效电路

如果我们如下图(a)所示控制开关,我们得到如下图(b)所示的电压图。T为切换周期,单位为毫秒或微秒。      

DC-DC 升压电路

在这种情况下,这种开关行为的平均输出电压为 5V,因为:      

DC-DC 升压电路

该电路的平均输出电压为5V,但我们可以通过使用RC滤波电路去除谐波来改善输出波形。      
如果我们假设开关是理想的(理想开关是不消耗或耗散电源的开关),我们可以计算出该电路的效率为 100%。当开关处于 ON 位置时,流过电路的电流为 6A。      
由于我们有一个理想的开关,耗散功率为 P_diss = RI 2 = 0 * 9 2 = 0W。当开关处于关闭位置时,没有电流流过开关,因此在这种情况下,耗散功率也为 0。      
然而在实际应用中,找到一个理想的开关是比较困难的,这就意味着实际上会有一些功耗,虽然有功耗,但转换的效率仍旧很高。      

     

二、 DC-DC 升压电路

DC-DC 升压电路主要是增加电源的电压,例如:升压转换器可以采用 5V 电源并将其升压至 25V。通常,你会在电池充电器或太阳能电池板中找到 DC-DC 升压转换器。它们还可用于从同一电池为具有不同工作电压的组件供电。      
这种配置将直流电压升高到由电路中组件选择决定的水平。这是升压转换器的一般示意图。      
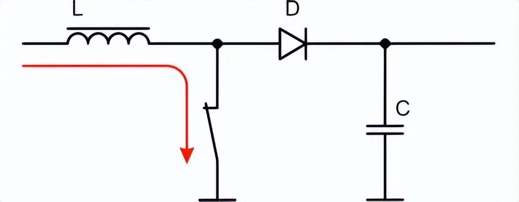
1、升压开关打开状态      

升压开关 ON 状态


2、升压开关关闭状态

升压开关关闭状态


基本配置包括直流电源(Vin)电感(L)二极管(D)开关器件(SW)平滑电容(C)负载电阻(Load)Vout 是输出电压      
开关通常是功率电子器件,例如由 PWM 信号控制的 MOSFET或BJT 晶体管。该 PWM 信号通过非常快速地切换晶体管来工作,通常每秒数千次。      

     

三、DC-DC 升压电路工作原理

假设当前的电压是 5V,需要将 5V 转换为更高的电压值,用 DC-DC 升压电路就可以实现,这里假设我们是管道工。      

     
1、涡轮加速      
首先我们需要加速涡轮。为此,节气门打开,水快速排放,将部分能量传递给涡轮机,结果涡轮机开始旋转。      

DC-DC 升压电路工作原理


2、填充压力储罐      
油门关闭,由旋转的涡轮飞轮半部推动的一部分水打开阀门并填充储水箱,另一部分水在储水箱提供的高压下流向消费者,同时阀门防止水倒流。      

DC-DC 升压电路工作原理


3、从压力储罐发电并加速涡轮机      
涡轮的速度开始下降。水不能再推动阀门,储水箱仍有足够的能量积累。然后油门再次打开,水开始快速旋转涡轮。由于消费者从储罐接收能量,因此流向消费者的能量不会停止,然后循环重复。      

现在工作原理已经很清楚了,我们将从管道设备切换到电子设备。

DC-DC 升压电路工作原理

我们用感应节流阀代替了涡轮机晶体管用于代替控制水流的节流阀二极管阀门作用,用代替储压罐。      
下面就可以很好的理解,DC-DC 升压电路的工作原理      

     
1、电感累积电荷      
开关已关闭,电感通过从源接收电流来积累能量。      

DC-DC 升压电路工作原理


2、将能量转移到电容      
开关打开,线圈保持磁场中积累的能量。电流试图保持在同一水平,但来自电感的额外能量会提高电压,从而打开通过二极管的路径。一部分能量流向消费者,而剩余能量在电容器中积累。      

DC-DC 升压电路工作原理


3、在电感中积累能量并将电荷转移给消耗的电路      
然后开关被锁定,线圈再次开始积累能量,同时,消耗的从电容接收能量。      

DC-DC 升压电路工作原理


四、如何构建 DC-DC 升压电路

在下面中,构建一个 1.5V 至 5V DC-DC 升压转换器,      
1、构建 DC-DC 升压 电路所需要的组件:      
  • 1.5V 直流电源
  • 180uH 电感一个
  • 1个1N3491 二极管
  • 1个33uF 电容
  • 一个 150 Ω 电阻
  • 一个 MOSFET或JFET 开关晶体管
  • PWM 源,如Arduino Uno或555 定时器,可生成 50KHz、5V、75% 占空比

2、DC-DC 升压电路工作原理图      

DC-DC 升压电路

声明:


         
声明:文章来源头条李工谈元器件。本号对所有原创、转载文章的陈述与观点均保持中立,推送文章仅供读者学习和交流。文章、图片等版权归原作者享有,如有侵权,联系删除。 
来源:硬件笔记本

电源电路电力电子太阳能控制管道
著作权归作者所有,欢迎分享,未经许可,不得转载
首次发布时间:2025-11-11
最近编辑:3天前
硬件笔记本
本科 一点一滴,厚积薄发。
获赞 156粉丝 45文章 529课程 0
点赞
收藏
作者推荐

为什么电路要设计得这么复杂?

首先提出这个问题就很不容易啊,我们看两个精彩回答。From 骄建:假设我们回到第一个实用放大电路诞生之前: 某天你开始做一个CS单管放大器,电阻负载,可是有一大堆问题,电阻做的不准,温度对器件影响大,电源噪声,增益不够等等 你决定改进一下,你用理想电流源做负载,增益变大了,你很高兴,可现在又蹦出来一大堆新问题:首先你做不了理想电流源,其次你这电路的非线性简直是弯到姥姥家去了,而且增益还是不够使的。 你苦思冥想,搞出来了所谓的差分电路 ,很好的抑制了非线性,但代价是两倍的功耗和面积,当你把差分电路负载换成电流源后又出了新问题:你很难把做负载的管子偏置到饱和区,这迫使你换思路:要么引入CMFB,要么就用新结构。此外,增益大小还行,但PVT问题简直让人崩溃。 你深入学习了自动化的理论,决定引入电路设计中划时代的思想——反馈,这样你就可以通过做大loop gain来稳定环路增益。因此你的主要目标变成了做一个增益超大的电路。你开始研究,最终你搞出来了一个叫做cascode的结构,这个结构可以变大阻抗,你发展了级联的思想,把cascode差分电路和单管电路级联到一块,第一次得到了经典5管放大电路。 然后你的第一次实验不出意料的失败了。 温漂对电源的影响还没有解决,为了解决温漂,你研究了半导体物理,创造性的引入补偿思想,使用三极管和一大堆运放搭建出了第一个带隙基准电路 (PATA),这个电路比你的五管运放复杂了不知道多少倍。第二次实验,你发现了新的问题:这破电路的输出摆幅比阈值电压还小! 又是一夜无眠,你创造性的设计了一种名为folded的结构,这个结构用更大的功耗和更多的管子换来了摆幅的优化,然后你的第三次实验再度失败,因为你发现,电路的增益在随频率改变? 你重新投入器件研究,建立了管子的高频分析理论,提出了miller效应,极点观察法和开路时间常数法 来计算电路的高频特性,当你尝试向电路里添加电容和反馈时,你发现这个电路居然开始了诡异的震荡??? 于是你把巴尔豪森判据引入了电路分析,发展了电路的稳定性理论,之后你的五管运放终于可以运行了,但你对增益还是不满意,你知道增益必须变得更大,但过多的级联会导致电路不稳定,天才的你反其道而行之,使用电流—电压反馈影响输出阻抗的思路,设计出了人类历史上第一个gain boosting结构 ,这个结构用较小的不稳定性换来了更大的输出阻抗。 现在你把CMFB加入你的电路中,再扔到一个闭环反馈里,一个2级的运算放大器 就诞生了。之后你使用电流镜做负载设计出了差分输入转单端输出的理论,你很满意,觉得这项工作可以拿诺奖(并没有)。 而这仅仅是一个放大器。。。。。 随后的某一天,你开始思考极端情况,假如频率极高,电路变成分布式的,该如何处理呢? 于是传输线诞生了。你开始对电路进行建模,发展了端口网络理论。 为了进行阻抗匹配,你又设计了一大堆五花八门的匹配网络。RF电路的高频级之间必须加上阻抗匹配网络 。这把电路变的不直观了。研究者往往看着你电路里莫名出现的网络一头雾水。 为了发射信号,你开始研究一种名叫马尔尚巴伦的结构,并用它设计出了一个PA,这时你又发现非线性可以在信号调制中发挥作用,你利用非线性和吉尔伯特单元设计出了人类史上第一个混频器,第一个VCO,你将混频器和反馈结合设计出了注入锁定拓扑的分频器,当你研究单摆时突然茅塞顿开的设计出了人类历史上最重要的电路之一——PLL并讨论了它的锁定问题,随后你又天才性的将PLL和可变分频器组合,设计出了一个可以输出频率为三角调制的电路,这个电路被称为FMCW信号发生器,可惜非线性使得电路变得越加复杂。PLL中滤波器的引入迫使你考虑更多的指标,更多的极点,更多的带宽,你设计了切比雪夫滤波器 ,椭圆滤波器,每一个都够写一本书。LNA被引入,这玩意儿设计比二级OP复杂多了。有时为了减小功率,保护器件,你又设计了基于triode 的x型衰减器。 那你的墓志铭上该咋写呢? “最大成就是设计了一个FMCW雷达收发机系统 ”。。。。。。。。。。 这就是电路设计的复杂性,衡量的指标太多,增益上去带宽下来,带宽上去噪声上来,噪声下去非线性又上来了,为了减小这些影响,电路必须做的复杂再复杂。一个有用的电路往往又是一些基本电路组合起来的,导致最后的电路变得极端复杂。From:牧神园地这位同学能提出这个问题,说明很有硬件天赋啊,可以考虑从事硬件设计 这个方向。^_^ 接下来我们开始正题,个人认为硬件电路可以简单也可以复杂,这取决于什么呢?接下来我们来举个栗子。 1. 领导要我设计个点灯(LED)电路:好,给你点上;只需要:电源+串接LED+串接电阻(R)+GND,这个电路很简单吧(如下左图),但是我们的电源从哪里来呢?一般市电是AC 220V电压,也不能直接用啊,那就还需要一个一次电源模块 (AC-DC,如下右图),得到+5V电压电源。 2. 领导一看,唉,你这个灯只能一直亮着不行啊,总得给它闪一闪啥的吧?我二话不说,行!那就给他加个晶振和逻辑门电路吧,给他们输出1Hz的闪动的指示灯。3. 正当我信心满满地准备着原理图,领导过来说:小王,你看你这个灯啊,只能1HZ干闪,客户说了,他们想能够控制的,我想它亮就亮、灭就灭、闪出SOS都可以。我一想就问领导:那得上单片机了?领导大手一挥:OK~4. 我正加着班看着单片机资料,领导过来说:小王啊,你看单片机都上了,要不加一个网口吧,这样方便远程控制和升级啊。我xxx,那得换个高级的单片机啊,还要加一个100M PHY芯片。5. 又过了一个星期,我正干的热火朝天,原理图快完工了,领导兴奋的跑过来说:咱们项目要升级了,赶紧分析分析,怎么把LED灯改成液晶面板;这会我懵逼了:怎么改?这没法改啊!只能推倒重来,选一款ARM处理器ba6. 终于全部搞好了原理图,让互连的同事开始布局布线了,我正检查着PCB布局,突然发觉边上有个人,不出意料的还是领导,他说:小王在忙着呢?嗯,你看看能不能加个摄像头啊?我:哦,那我要看看这款ARM是否支持,还有其它的么?领导说:嗯,再加个喇叭和5G模块?我一听头都大了:哦,哦,哦,这个信息量有点大,我得理一理。7. 终于安稳了,PCB已经全部画好准备投板,领导过来叫我去趟会议室,我以为这么快就来奖励了吗?想想心里就激动;一进会议室,领导说:小王 ,你这段时间辛苦了。我心里窃喜。领导接着说:这个项目啊,客户觉得功能还不够,需要对声音和图像信息进行采集、处理和智能识别,然后上报服务器端,同时通过显示器进行反馈。这个项目对我们公司非常重要,硬件方案还得辛苦你一下。内心万马奔腾。咋整?要请出X86了嘛?(如下为随手画的图,不代表真实实现)至此,这个设计已不是一个硬件工程师 所能实现的了,除了单板硬件本身,还需要复杂的结构设计,散热设计,安规和EMC设计,工艺设计 ,生产测试设计,除此之外更需要各层软件设计需求。我举起手:领导,我要求再加100个人。此时我已经忘记了我最初到底是要干嘛的~-_-!!!正如很多人所说,硬件设计就像搭积木(在某个层面来说是类似的,但绝不仅仅是搭积木);硬件设计是先做加法(先搭上去)后做减法(再抽掉),加法虽然不易但是减法更难:减法需要去澄清客户真正的需求,要从系统角度去理解和整合硬件功能模块。一个好的硬件设计是用最简单、可靠的硬件电路实现客户所有的需求。声明: 声明:文章来源知乎。本号对所有原创、转载文章的陈述与观点均保持中立,推送文章仅供读者学习和交流。文章、图片等版权归原作者享有,如有侵权,联系删除。 来源:硬件笔记本

未登录
还没有评论
课程
培训
服务
行家
VIP会员 学习计划 福利任务
下载APP
联系我们
帮助与反馈