“最大成就是设计了一个FMCW雷达收发机系统 ”。
这就是电路设计的复杂性,衡量的指标太多,增益上去带宽下来,带宽上去噪声上来,噪声下去非线性又上来了,为了减小这些影响,电路必须做的复杂再复杂。一个有用的电路往往又是一些基本电路组合起来的,导致最后的电路变得极端复杂。

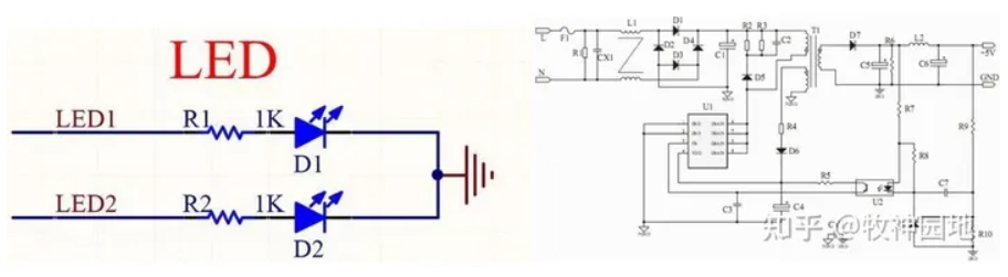
2. 领导一看,唉,你这个灯只能一直亮着不行啊,总得给它闪一闪啥的吧?我二话不说,行!那就给他加个晶振和逻辑门电路吧,给他们输出1Hz的闪动的指示灯。

3. 正当我信心满满地准备着原理图,领导过来说:小王,你看你这个灯啊,只能1HZ干闪,客户说了,他们想能够控制的,我想它亮就亮、灭就灭、闪出SOS都可以。我一想就问领导:那得上单片机了?领导大手一挥:OK~

4. 我正加着班看着单片机资料,领导过来说:小王啊,你看单片机都上了,要不加一个网口吧,这样方便远程控制和升级啊。我xxx,那得换个高级的单片机啊,还要加一个100M PHY芯片。
5. 又过了一个星期,我正干的热火朝天,原理图快完工了,领导兴奋的跑过来说:咱们项目要升级了,赶紧分析分析,怎么把LED灯改成液晶面板;这会我懵逼了:怎么改?这没法改啊!只能推倒重来,选一款ARM处理器ba

6. 终于全部搞好了原理图,让互连的同事开始布局布线了,我正检查着PCB布局,突然发觉边上有个人,不出意料的还是领导,他说:小王在忙着呢?嗯,你看看能不能加个摄像头啊?我:哦,那我要看看这款ARM是否支持,还有其它的么?领导说:嗯,再加个喇叭和5G模块?我一听头都大了:哦,哦,哦,这个信息量有点大,我得理一理。

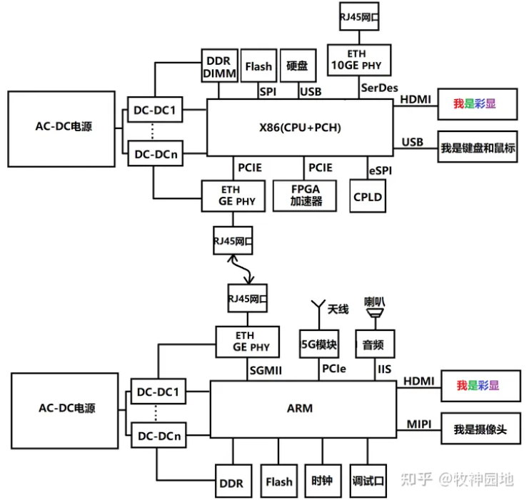
7. 终于安稳了,PCB已经全部画好准备投板,领导过来叫我去趟会议室,我以为这么快就来奖励了吗?想想心里就激动;一进会议室,领导说:小王 ,你这段时间辛苦了。我心里窃喜。领导接着说:这个项目啊,客户觉得功能还不够,需要对声音和图像信息进行采集、处理和智能识别,然后上报服务器端,同时通过显示器进行反馈。这个项目对我们公司非常重要,硬件方案还得辛苦你一下。内心万马奔腾。咋整?要请出X86了嘛?(如下为随手画的图,不代表真实实现)

至此,这个设计已不是一个硬件工程师 所能实现的了,除了单板硬件本身,还需要复杂的结构设计,散热设计,安规和EMC设计,工艺设计 ,生产测试设计,除此之外更需要各层软件设计需求。我举起手:领导,我要求再加100个人。此时我已经忘记了我最初到底是要干嘛的~-_-!!!
正如很多人所说,硬件设计就像搭积木(在某个层面来说是类似的,但绝不仅仅是搭积木);硬件设计是先做加法(先搭上去)后做减法(再抽掉),加法虽然不易但是减法更难:减法需要去澄清客户真正的需求,要从系统角度去理解和整合硬件功能模块。一个好的硬件设计是用最简单、可靠的硬件电路实现客户所有的需求。
声明: