概 述
功率半导体器件在工业 、消费 、军事等领域都有着广泛应用 ,具有很高的战略地位,下面我们从一张图看功率器件的全貌:

功率半导体器件又可根据对电路信号的控程度分为全型 、半控型及不可;或按驱动电路信号 性质分为电压驱动型 、电流驱动型等划分类别 电流驱动型等划分类别 电流驱动型等划分类别 。

不同功率半导体器件 ,其承受电压 、电流容量 、阻抗能力 、体积大小等特性也会不同 ,实际使用中 , 需要根据不同领域 、不同需求来选用合适的器件。

半导体行业从诞生至今 ,先后经历了三代材料的变更程 ,截至目前 ,功率半导体器件领域仍主要采 用以 Si 为代表的第一半导体材料 。

汇总下半控型和全控型功率器件的特性

认识MOSFET
MOS管具有输入阻抗高、噪声低、热稳定性好;制造工艺简单、辐射强,因而通常被用于放大电路或开关电路;
(1)主要选型参数:漏源电压VDS(耐压),ID 连续漏电流,RDS(on) 导通电阻,Ciss 输入电容(结电容),品质因数FOM=Ron * Qg等。
(2)根据不同的工艺又分为
Trench MOS:沟槽型MOS,主要低压领域100V内;SGT (Split Gate)MOS:分裂栅MOS,主要中低压领域200V内;SJ MOS:超结MOS,主要在高压领域 600-800V;
在开关电源中,如漏极开路电路,漏极原封不动地接负载,叫开路漏极,开路漏极电路中不管负载接多高的电压,都能够接通和关断负载电流。是理想的模拟开关器件。这就是MOS管做开关器件的原理(详细请关注作者其他MOS详解)。
从 市场份额看,MOSFET几乎都集中在国际大厂手中,其中英飞凌2015年收购了IR(美国国际整流器公司)成为行业龙头,安森美也在2016年9月完成对仙童半导体的收购后,市占率跃升至第二,然后销售排名分别是瑞萨、东芝、万国、ST、威世、安世、美格纳等等;
与活跃于中国大陆的国际厂商相比,国产企业优势不明显,但这不能说国产没有机会,中国大陆是世界上产业链最齐全的经济活跃区,在功率半导体领域活跃着一批本土制造企业,目前已基本完成产业链布局,且处于快速发展中;特别是MOSFET领域,国产在中低压领域替换进口品牌潜力最大,且部分国产、如士兰、华润微(中航)、吉林华微等都在努力进入世界排名;
主流MOS管品牌
MOS管分为几大系列:美系、日系、韩系、国产。
美系:英飞凌、IR,仙童,安森美,ST,TI ,PI,AOS美国万代半导体等;
日系:东芝,瑞萨,ROHM罗姆等;
韩系:美格纳,KEC,AUK,森名浩,信安,KIA
国产:吉林华微电子股份有限公司,扬州扬杰电子科技股份有限公司,杭州士兰微电子股份有限公司,华润微电子(重庆)有限公司,无锡新洁能,西安后裔,深圳锐俊半导体,无锡华润华晶微电子有限公司,江苏东晨电子科技有限公司(前身东光微),东微半导体,威兆半导体,苏州硅能,无锡市芯途半导体有限公司
国产台系:ANPEC,CET,友顺UTC
MOS管封装分类
按照安装在PCB板上的方式来划分,MOS管封装主要有两大类:插入式(Through Hole)和表面贴装式(Surface Mount)。
插入式就是MOSFET的管脚穿过PCB板的安装孔并焊接在PCB板上。常见的插入式封装有:双列直插式封装(DIP)、晶体管外形封装(TO)、插针网格阵列封装(PGA)三种样式。

插入式封装
表面贴裝则是MOSFET的管脚及散热法兰焊接在PCB板表面的焊盘上。典型表面贴装式封装有:晶体管外形(D-PAK)、小外形晶体管(SOT)、小外形封装(SOP)、方形扁平式封装(QFP)、塑封有引线芯片载体(PLCC)等。

表面贴装式封装
随着技术的发展,目前主板、显卡等的PCB板采用直插式封装方式的越来越少,更多地选用了表面贴装式封装方式。
1、双列直插式封装(DIP)
DIP封装有两排引脚,需要插入到具有DIP结构的芯片插座上,其派生方式为SDIP(Shrink DIP),即紧缩双入线封装,较DIP的针脚密度高6倍。
DIP封装结构形式有:多层陶瓷双列直插式DIP、单层陶瓷双列直插式DIP、引线框架式DIP(含玻璃陶瓷封接式、塑料包封结构式、陶瓷低熔玻璃封装式)等。DIP封装的特点是可以很方便地实现PCB板的穿孔焊接,和主板有很好的兼容性。
但由于其封装面积和厚度都比较大,而且引脚在插拔过程中很容易被损坏,可靠性较差;同时由于受工艺的影响,引脚一般都不超过100个,因此在电子产业高度集成化过程中,DIP封装逐渐退出了历史舞台。
2、晶体管外形封装(TO)
属于早期的封装规格,例如TO-3P、TO-247、TO-92、TO-92L、TO-220、TO-220F、TO-251等都是插入式封装设计。
TO-3P/247:是中高压、大电流MOS管常用的封装形式,产品具有耐压高、抗击穿能力强等特点。
TO-220/220F:TO-220F是全塑封装,装到散热器上时不必加绝缘垫;TO-220带金属片与中间脚相连,装散热器时要加绝缘垫。这两种封装样式的MOS管外观差不多,可以互换使用。
TO-251:该封装产品主要是为了降低成本和缩小产品体积,主要应用于中压大电流60A以下、高压7N以下环境中。
TO-92:该封装只有低压MOS管(电流10A以下、耐压值60V以下)和高压1N60/65在采用,目的是降低成本。
近年来,由于插入式封装工艺焊接成本高、散热性能也不如贴片式产品,使得表面贴装市场需求量不断增大,也使得TO封装发展到表面贴装式封装。TO-252(又称之为D-PAK)和TO-263(D2PAK)就是表面贴装封装。

TO封装产品外观
TO252/D-PAK是一种塑封贴片封装,常用于功率晶体管、稳压芯片的封装,是目前主流封装之一。
采用该封装方式的MOSFET有3个电极,栅极(G)、漏极(D)、源极(S)。
其中漏极(D)的引脚被剪断不用,而是使用背面的散热板作漏极(D),直接焊接在PCB上,一方面用于输出大电流,一方面通过PCB散热;所以PCB的D-PAK焊盘有三处,漏极(D)焊盘较大。其封装规范如下:

TO-252/D-PAK封装尺寸规格
TO-263是TO-220的一个变种,主要是为了提高生产效率和散热而设计,支持极高的电流和电压,在150A以下、30V以上的中压大电流MOS管中较为多见。
除了D2PAK(TO-263AB)之外,还包括TO263-2、TO263-3、TO263-5、TO263-7等样式,与TO-263为从属关系,主要是引出脚数量和距离不同。

TO-263/D2PAK封装尺寸规格
3、插针网格阵列封装(PGA)
PGA(Pin Grid Array Package)芯片内外有多个方阵形的插针,每个方阵形插针沿芯片的四周间隔一定距离排列,根据管脚数目的多少,可以围成2~5圈。安装时,将芯片插入专门的PGA插座即可,具有插拔方便且可靠性高的优势,能适应更高的频率。

PGA封装样式
其芯片基板多数为陶瓷材质,也有部分采用特制的塑料树脂来做基板,在工艺上,引脚中心距通常为2.54mm,引脚数从64到447不等。
这种封装的特点是,封装面积(体积)越小,能够承受的功耗(性能)就越低,反之则越高。这种封装形式芯片在早期比较多见,且多用于CPU等大功耗产品的封装,如英特尔的80486、Pentium均采用此封装样式;不大为MOS管厂家所采纳。
4、小外形晶体管封装(SOT)
SOT(Small Out-Line Transistor)是贴片型小功率晶体管封装,主要有SOT23、SOT89、SOT143、SOT25(即SOT23-5)等,又衍生出SOT323、SOT363/SOT26(即SOT23-6)等类型,体积比TO封装小。

SOT封装类型
SOT23是常用的三极管封装形式,有3条翼形引脚,分别为集电极、发射极和基极,分别列于元件长边两侧,其中,发射极和基极在同一侧,常见于小功率晶体管、场效应管和带电阻网络的复合晶体管,强度好,但可焊性差,外形如下图(a)所示。
SOT89具有3条短引脚,分布在晶体管的一侧,另外一侧为金属散热片,与基极相连,以增加散热能力,常见于硅功率表面组装晶体管,适用于较高功率的场合,外形如下图(b)所示。
SOT143具有4条翼形短引脚,从两侧引出,引脚中宽度偏大的一端为集电极,这类封装常见于高频晶体管,外形如下图(c)所示。
SOT252属于大功率晶体管,3条引脚从一侧引出,中间一条引脚较短,为集电极,与另一端较大的引脚相连,该引脚为散热作用的铜片,外形如下图(d)所示。

常见SOT封装外形比较
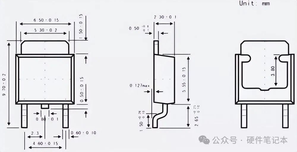
主板上常用四端引脚的SOT-89 MOSFET。其规格尺寸如下:
SOT-89 MOSFET尺寸规格(单位:mm)
5、小外形封装(SOP)
SOP(Small Out-Line Package)是表面贴装型封装之一,也称之为SOL或DFP,引脚从封装两侧引出呈海鸥翼状(L字形)。材料有塑料和陶瓷两种。
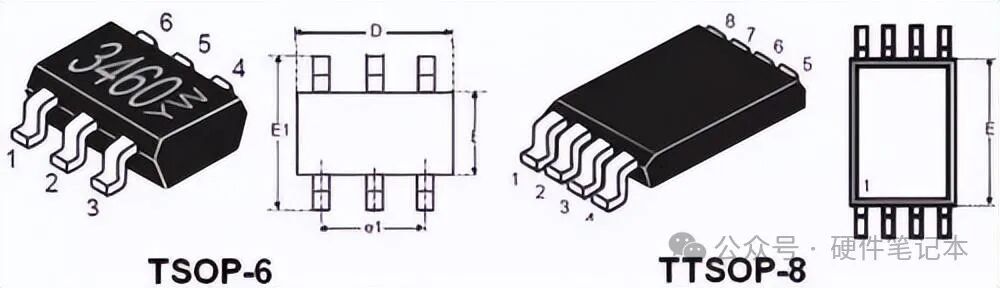
SOP封装标准有SOP-8、SOP-16、SOP-20、SOP-28等,SOP后面的数字表示引脚数。MOSFET的SOP封装多数采用SOP-8规格,业界往往把“P”省略,简写为SO(Small Out-Line)。
SOP-8封装尺寸
SO-8为PHILIP公司率先开发,采用塑料封装,没有散热底板,散热不良,一般用于小功率MOSFET。
后逐渐派生出TSOP(薄小外形封装)、VSOP(甚小外形封装)、SSOP(缩小型SOP)、TSSOP(薄的缩小型SOP)等标准规格;其中TSOP和TSSOP常用于MOSFET封装。

常用于MOS管的SOP派生规格
6、方形扁平式封装(QFP)
QFP(Plastic Quad Flat Package)封装的芯片引脚之间距离很小,管脚很细,一般在大规模或超大型集成电路中采用,其引脚数一般在100个以上。
用这种形式封装的芯片必须采用SMT表面安装技术将芯片与主板焊接起来。该封装方式具有四大特点:
①适用于SMD表面安装技术在PCB电路板上安装布线;
②适合高频使用;
③操作方便,可靠性高;
④芯片面积与封装面积之间的比值较小。
与PGA封装方式一样,该封装方式将芯片包裹在塑封体内,无法将芯片工作时产生的热量及时导出,制约了MOSFET性能的提升;而且塑封本身增加了器件尺寸,不符合半导体向轻、薄、短、小方向发展的要求;另外,此类封装方式是基于单颗芯片进行,存在生产效率低、封装成本高的问题。
因此,QFP更适于微处理器/门陈列等数字逻辑LSI电路采用,也适于VTR信号处理、音响信号处理等模拟LSI电路产品封装。
7、四边无引线扁平封装(QFN)
QFN(Quad Flat Non-leaded package)封装四边配置有电极接点,由于无引线,贴装表现出面积比QFP小、高度比QFP低的特点;其中陶瓷QFN也称为LCC(Leadless Chip Carriers),采用玻璃环氧树脂印刷基板基材的低成本塑料QFN则称为塑料LCC、PCLC、P-LCC等。是一种焊盘尺寸小、体积小、以塑料作为密封材料的新兴表面贴装芯片封装技术。
QFN主要用于集成电路封装,MOSFET不会采用。不过因Intel提出整合驱动与MOSFET方案,而推出了采用QFN-56封装(“56”指芯片背面有56个连接Pin)的DrMOS。
需要说明的是,QFN封装与超薄小外形封装(TSSOP)具有相同的外引线配置,而其尺寸却比TSSOP的小62%。根据QFN建模数据,其热性能比TSSOP封装提高了55%,电性能(电感和电容)比TSSOP封装分别提高了60%和30%。最大的缺点则是返修难度高。

采用QFN-56封装的DrMOS
传统的分立式DC/DC降压开关电源无法满足对更高功耗密度的要求,也不能解决高开关频率下的寄生参数影响问题。随着技术的革新与进步,把驱动器和MOSFET整合在一起,构建多芯片模块已经成为了现实,这种整合方式同时可以节省相当可观的空间从而提升功耗密度,通过对驱动器和MOS管的优化提高电能效率和优质DC电流,这就是整合驱动IC的DrMOS。

瑞萨第2代DrMOS
经过QFN-56无脚封装,让DrMOS热阻抗很低;借助内部引线键合以及铜夹带设计,可最大程度减少外部PCB布线,从而降低电感和电阻。另外,采用的深沟道硅(trench silicon)MOSFET工艺,还能显著降低传导、开关和栅极电荷损耗;并能兼容多种控制器,可实现不同的工作模式,支持主动相变换模式APS(Auto Phase Switching)。
除了QFN封装外,双边扁平无引脚封装(DFN)也是一种新的电子封装工艺,在安森美的各种元器件中得到了广泛采用,与QFN相比,DFN少了两边的引出电极。
8、塑封有引线芯片载体(PLCC)
PLCC(Plastic Quad Flat Package)外形呈正方形,尺寸比DIP封装小得多,有32个引脚,四周都有管脚,引脚从封装的四个侧面引出,呈丁字形,是塑料制品。其引脚中心距1.27mm,引脚数从18到84不等,J形引脚不易变形,比QFP容易操作,但焊接后的外观检查较为困难。PLCC封装适合用SMT表面安装技术在PCB上安装布线,具有外形尺寸小、可靠性高的优点。PLCC封装是比较常见,用于逻辑LSI、DLD(或程逻辑器件)等电路,主板BIOS常采用的这种封装形式,不过目前在MOS管中较少见。

PLCC封装样式
主流企业的封装与改进
由于CPU的低电压、大电流的发展趋势,对MOSFET提出输出电流大,导通电阻低,发热量低散热快,体积小的要求。MOSFET厂商除了改进芯片生产技术和工艺外,也不断改进封装技术,在与标准外形规格兼容的基础上,提出新的封装外形,并为自己研发的新封装注册商标名称。
1、瑞萨(RENESAS)WPAK、LFPAK和LFPAK-I封装
WPAK是瑞萨开发的一种高热辐射封装,通过仿D-PAK封装那样把芯片散热板焊接在主板上,通过主板散热,使小形封装的WPAK也可以达到D-PAK的输出电流。WPAK-D2封装了高/低2颗MOSFET,减小布线电感。

瑞萨WPAK封装尺寸
LFPAK和LFPAK-I是瑞萨开发的另外2种与SO-8兼容的小形封装。LFPAK类似D-PAK,但比D-PAK体积小。LFPAK-i是将散热板向上,通过散热片散热。

瑞萨LFPAK和LFPAK-I封装
2、威世(Vishay)Power-PAK和Polar-PAK封装
Power-PAK是威世公司注册的MOSFET封装名称。Power-PAK包括有Power-PAK1212-8、Power-PAK SO-8两种规格。

威世Power-PAK1212-8封装

威世Power-PAK SO-8封装
Polar PAK是双面散热的小形封装,也是威世核心封装技术之一。Polar PAK与普通的so-8封装相同,其在封装的上、下两面均设计了散热点,封装内部不易蓄热,能够将工作电流的电流密度提高至SO-8的2倍。目前威世已向意法半导体公司提供Polar PAK技术授权。

威世Polar PAK封装
3、安森美(Onsemi)SO-8和WDFN8扁平引脚(Flat Lead)封装
安美森半导体开发了2种扁平引脚的MOSFET,其中SO-8兼容的扁平引脚被很多板卡采用。安森美新近推出的NVMx和NVTx功率MOSFET就采用了紧凑型DFN5(SO-8FL)和WDFN8封装,可最大限度地降低导通损耗,另外还具有低QG和电容,可将驱动器损耗降到最低的特性。

安森美SO-8扁平引脚封装

安森美WDFN8封装
4、恩智浦(NXP)LFPAK和QLPAK封装
恩智浦(原Philps)对SO-8封装技术改进为LFPAK和QLPAK。其中LFPAK被认为是世界上高度可靠的功率SO-8封装;而QLPAK具有体积小、散热效率更高的特点,与普通SO-8相比,QLPAK占用PCB板的面积为6*5mm,同时热阻为1.5k/W。

恩智浦LFPAK封装

恩智浦QLPAK封装
5、意法(ST)半导体PowerSO-8封装
意法半导体功率MOSFET芯片封装技术有SO-8、PowerSO-8、PowerFLAT、DirectFET、PolarPAK等,其中PowerSO-8正是SO-8的改进版,此外还有PowerSO-10、PowerSO-20、TO-220FP、H2PAK-2等封装。

意法半导体Power SO-8封装
6、飞兆(Fairchild)半导体Power 56封装
Power 56是Farichild的专用称呼,正式名称为DFN 5×6。其封装面积跟常用的TSOP-8不相上下,而薄型封装又节约元件净空高度,底部Thermal-Pad设计降低了热阻,因此很多功率器件厂商都部署了DFN 5×6。

Fairchild Power 56封装
7、国际整流器(IR)Direct FET封装
Direct FET能在SO-8或更小占位面积上,提供高效的上部散热,适用于计算机、笔记本电脑、电信和消费电子设备的AC-DC及DC-DC功率转换应用。与标准塑料分立封装相比,DirectFET的金属罐构造具有双面散热功能,因而可有效将高频DC-DC降压式转换器的电流处理能力增加一倍。
Direct FET封装属于反装型,漏极(D)的散热板朝上,并覆盖金属外壳,通过金属外壳散热。Direct FET封装极大地改善了散热,并且占用空间更小,散热良好。

国际整流器Direct FET封装

IR Direct FET封装系列部分产品规格
内部封装改进方向
除了外部封装,基于电子制造对MOS管的需求的变化,内部封装技术也在不断得到改进,这主要从三个方面进行:改进封装内部的互连技术、增加漏极散热板、改变散热的热传导方向。
1、封装内部的互连技术
TO、D-PAK、SOT、SOP等采用焊线式的内部互连封装技术,当CPU或GPU供电发展到低电压、大电流时代,焊线式的SO-8封装就受到了封装电阻、封装电感、PN结到PCB和外壳热阻等因素的限制。

SO-8内部封装结构
这四种限制对其电学和热学性能有着极大的影响。随着电流密度的提高,MOSFET厂商在采用SO-8尺寸规格时,同步对焊线互连形式进行了改进,用金属带、或金属夹板代替焊线,以降低封装电阻、电感和热阻。

标准型SO-8与无导线SO-8封装对比
国际整流器(IR)的改进技术称之为Copper Strap;威世(Vishay)称之为Power Connect技术;飞兆半导体则叫做Wireless Package。新技术采用铜带取代焊线后,热阻降低了10-20%,源极至封装的电阻降低了61%。

国际整流器的Copper Strap技术

威世的Power Connect技术

飞兆半导体的Wirless Package技术
2、增加漏极散热板
标准的SO-8封装采用塑料将芯片包围,低热阻的热传导通路只是芯片到PCB的引脚。而底部紧贴PCB的塑料外壳是热的不良导体,故而影响了漏极的散热。技术改进就是要除去引线框下方的塑封化合物,方法是让引线框金属结构直接或加一层金属板与PCB接触,并焊接到PCB焊盘上,这样就提供了更多的散热接触面积,把热量从芯片上带走;同时也可以制成更薄的器件。

威世Power-PAK技术
威世的Power-PAK、法意半导体的Power SO-8、安美森半导体的SO-8 Flat Lead、瑞萨的WPAK/LFPAK、飞兆半导体的Power 56和Bottomless Package都采用了此散热技术。
3、改变散热的热传导方向
Power-PAK的封装虽然显著减小了芯片到PCB的热阻,但当电流需求继续增大时,PCB同时会出现热饱和现象。所以散热技术的进一步改进就是改变散热方向,让芯片的热量传导到散热器而不是PCB。

瑞萨LFPAK-i封装
瑞萨的LFPAK-I封装、国际整流器的Direct FET封装均是这种散热技术的典型代表。
总结
未来,随着电子制造业继续朝着超薄、小型化、低电压、大电流方向的发展,MOS管的外形及内部封装结构也会随之改变,以更好适应制造业的发展需求。另外,为降低电子制造商的选用门槛,MOS管向模块化、系统级封装方向发展的趋势也将越来越明显,产品将从性能、成本等多维度协调发展。
而封装作为MOS管选型的重要参考因素之一,不同的电子产品有不同的电性要求,不同的安装环境也需要匹配的尺寸规格来满足。实际选用中,应在大原则下,根据实际需求情况来做抉择。
有些电子系统受制于PCB的尺寸和内部的高度,如通信系统的模块电源由于高度的限制通常采用DFN5*6、DFN3*3的封装;在有些ACDC的电源中,使用超薄设计或由于外壳的限制,适于装配TO220封装的功率MOS管,此时引脚可直接插到根部,而不适于使用TO247封装的产品;也有些超薄设计需要将器件管脚折弯平放,这会加大MOS管选用的复杂度。
如何选取MOSFET
一位工程师曾经对我讲,他从来不看MOSFET数据表的第一页,因为“实用”的信息只在第二页以后才出现。事实上,MOSFET数据表上的每一页都包含有对设计者非常有价值的信息。但人们不是总能搞得清楚该如何解读制造商提供的数据。本文概括了一些MOSFET的关键指标,这些指标在数据表上是如何表述的,以及你理解这些指标所要用到的清晰图片。像大多数电子器件一样,MOSFET也受到工作温度的影响。所以很重要的一点是了解测试条件,所提到的指标是在这些条件下应用的。还有很关键的一点是弄明白你在“产品简介”里看到的这些指标是“最大”或是“典型”值,因为有些数据表并没有说清楚。
电压等级
确定MOSFET的首要特性是其漏源电压VDS,或“漏源击穿电压”,这是在栅极短路到源极,漏极电流在250μA情况下,MOSFET所能承受的保证不损坏的最高电压。VDS也被称为“25℃下的绝对最高电压”,但是一定要记住,这个绝对电压与温度有关,而且数据表里通常有一个“VDS温度系数”。你还要明白,最高VDS是直流电压加上可能在电路里存在的任何电压尖峰和纹波。例如,如果你在电压30V并带有100mV、5ns尖峰的电源里使用30V器件,电压就会超过器件的绝对最高限值,器件可能会进入雪崩模式。在这种情况下,MOSFET的可靠性没法得到保证。
在高温下,温度系数会显著改变击穿电压。例如,一些600V电压等级的N沟道MOSFET的温度系数是正的,在接近最高结温时,温度系数会让这些MOSFET变得象650V MOSFET。很多MOSFET用户的设计规则要求10%~20%的降额因子。在一些设计里,考虑到实际的击穿电压比25℃下的额定数值要高5%~10%,会在实际设计中增加相应的有用设计裕量,对设计是很有利的。
对正确选择MOSFET同样重要的是理解在导通过程中栅源电压VGS的作用。这个电压是在给定的最大RDS(on)条件下,能够确保MOSFET完全导通的电压。这就是为什么导通电阻总是与VGS水平关联在一起的原因,而且也是只有在这个电压下才能保证器件导通。一个重要的设计结果是,你不能用比用于达到RDS(on)额定值的最低VGS还要低的电压,来使MOSFET完全导通。例如,用3.3V微控制器驱动MOSFET完全导通,你需要用在VGS= 2.5V或更低条件下能够导通的MOSFET。
导通电阻,栅极电荷,以及“优值系数”
MOSFET的导通电阻总是在一个或多个栅源电压条件下确定的。最大RDS(on)限值可以比典型数值高20%~50%。RDS(on)最大限值通常指的25℃结温下的数值,而在更高的温度下,RDS(on)可以增加30%~150%,如图1所示。由于RDS(on)随温度而变,而且不能保证最小的电阻值,根据RDS(on)来检测电流不是很准确的方法。

图1 RDS(on)在最高工作温度的30%~150%这个范围内随温度增加而增加
导通电阻对N沟道和P沟道MOSFET都是十分重要的。在开关电源中,Qg是用在开关电源里的N沟道MOSFET的关键选择标准,因为Qg会影响开关损耗。这些损耗有两个方面影响:一个是影响MOSFET导通和关闭的转换时间;另一个是每次开关过程中对栅极电容充电所需的能量。要牢记的一点是,Qg取决于栅源电压,即使用更低的Vgs可以减少开关损耗。
作为一种快速比较准备用在开关应用里MOSFET的方式,设计者经常使用一个单数公式,公式包括表示传导损耗RDS(on)及表示开关损耗的Qg:RDS(on) xQg。这个“优值系数”(FOM)总结了器件的性能,可以用典型值或最大值来比较MOSFET。要保证在器件中进行准确的比较,你需要确定用于RDS(on) 和Qg的是相同的VGS,在公示里典型值和最大值没有碰巧混在一起。较低的FOM能让你在开关应用里获得更好的性能,但是不能保证这一点。只有在实际的电路里才能获得最好的比较结果,在某些情况下可能需要针对每个MOSFET对电路进行微调。
额定电流和功率耗散
基于不同的测试条件,大多数MOSFET在数据表里都有一个或多个的连续漏极电流。你要仔细看看数据表,搞清楚这个额定值是在指定的外壳温度下(比如TC = 25℃),或是环境温度(比如TA = 25℃)。这些数值当中哪些是最相关将取决于器件的特性和应用(见图2)。

图2 全部绝对最大电流和功率数值都是真实的数据
对于用在手持设备里的小型表面贴装器件,关联度最高的电流等级可能是在70℃环境温度下的电流,对于有散热片和强制风冷的大型设备,在TA = 25℃下的电流等级可能更接近实际情况。对于某些器件来说,管芯在其最高结温下能够处理的电流要高于封装所限定的电流水平,在一些数据表,这种“管芯限定”的电流等级是对“封装限定”电流等级的额外补充信息,可以让你了解管芯的鲁棒性。
对于连续的功率耗散也要考虑类似的情况,功耗耗散不仅取决于温度,而且取决于导通时间。设想一个器件在TA= 70℃情况下,以PD=4W连续工作10秒钟。构成“连续”时间周期的因素会根据MOSFET封装而变化,所以你要使用数据表里的标准化热瞬态阻抗图,看经过10秒、100秒或10分钟后的功率耗散是什么样的。如图3所示,这个专用器件经过10秒脉冲后的热阻系数大约是0.33,这意味着经过大约10分钟后,一旦封装达到热饱和,器件的散热能力只有1.33W而不是4W,尽管在良好冷却的情况下器件的散热能力可以达到2W左右。

图3 MOSFET在施加功率脉冲情况下的热阻
实际上,我们可以把MOSFET选型分成四个步骤。
第一步:选用N沟道还是P沟道
为设计选择正确器件的第一步是决定采用N沟道还是P沟道MOSFET。在典型的功率应用中,当一个MOSFET接地,而负载连接到干线电压上时,该MOSFET就构成了低压侧开关。在低压侧开关中,应采用N沟道MOSFET,这是出于对关闭或导通器件所需电压的考虑。当MOSFET连接到总线及负载接地时,就要用高压侧开关。通常会在这个拓扑中采用P沟道MOSFET,这也是出于对电压驱动的考虑。
要选择适合应用的器件,必须确定驱动器件所需的电压,以及在设计中最简易执行的方法。下一步是确定所需的额定电压,或者器件所能承受的最大电压。额定电压越大,器件的成本就越高。根据实践经验,额定电压应当大于干线电压或总线电压。这样才能提供足够的保护,使MOSFET不会失效。就选择MOSFET而言,必须确定漏极至源极间可能承受的最大电压,即最大VDS。知道MOSFET能承受的最大电压会随温度而变化这点十分重要。设计人员必须在整个工作温度范围内测试电压的变化范围。额定电压必须有足够的余量覆盖这个变化范围,确保电路不会失效。设计工程师需要考虑的其他安全因素包括由开关电子设备(如电机或变压器)诱发的电压瞬变。不同应用的额定电压也有所不同;通常,便携式设备为20V、FPGA电源为20~30V、85~220VAC应用为450~600V。
第二步:确定额定电流
第二步是选择MOSFET的额定电流。视电路结构而定,该额定电流应是负载在所有情况下能够承受的最大电流。与电压的情况相似,设计人员必须确保所选的MOSFET能承受这个额定电流,即使在系统产生尖峰电流时。两个考虑的电流情况是连续模式和脉冲尖峰。在连续导通模式下,MOSFET处于稳态,此时电流连续通过器件。脉冲尖峰是指有大量电涌(或尖峰电流)流过器件。一旦确定了这些条件下的最大电流,只需直接选择能承受这个最大电流的器件便可。
选好额定电流后,还必须计算导通损耗。在实际情况下,MOSFET并不是理想的器件,因为在导电过程中会有电能损耗,这称之为导通损耗。MOSFET在“导通”时就像一个可变电阻,由器件的RDS(ON)所确定,并随温度而显著变化。器件的功率耗损可由Iload2×RDS(ON)计算,由于导通电阻随温度变化,因此功率耗损也会随之按比例变化。对MOSFET施加的电压VGS越高,RDS(ON)就会越小;反之RDS(ON)就会越高。对系统设计人员来说,这就是取决于系统电压而需要折中权衡的地方。对便携式设计来说,采用较低的电压比较容易(较为普遍),而对于工业设计,可采用较高的电压。注意RDS(ON)电阻会随着电流轻微上升。关于RDS(ON)电阻的各种电气参数变化可在制造商提供的技术资料表中查到。
技术对器件的特性有着重大影响,因为有些技术在提高最大VDS时往往会使RDS(ON)增大。对于这样的技术,如果打算降低VDS和RDS(ON),那么就得增加晶片尺寸,从而增加与之配套的封装尺寸及相关的开发成本。业界现有好几种试图控制晶片尺寸增加的技术,其中最主要的是沟道和电荷平衡技术。
在沟道技术中,晶片中嵌入了一个深沟,通常是为低电压预留的,用于降低导通电阻RDS(ON)。为了减少最大VDS对RDS(ON)的影响,开发过程中采用了外延生长柱/蚀刻柱工艺。例如,飞兆半导体开发了称为SuperFET的技术,针对RDS(ON)的降低而增加了额外的制造步骤。
这种对RDS(ON)的关注十分重要,因为当标准MOSFET的击穿电压升高时,RDS(ON)会随之呈指数级增加,并且导致晶片尺寸增大。SuperFET工艺将RDS(ON)与晶片尺寸间的指数关系变成了线性关系。这样,SuperFET器件便可在小晶片尺寸,甚至在击穿电压达到600V的情况下,实现理想的低RDS(ON)。结果是晶片尺寸可减小达35%。而对于最终用户来说,这意味着封装尺寸的大幅减小。
第三步:确定热要求
选择MOSFET的下一步是计算系统的散热要求。设计人员必须考虑两种不同的情况,即最坏情况和真实情况。建议采用针对最坏情况的计算结果,因为这个结果提供更大的安全余量,能确保系统不会失效。在MOSFET的资料表上还有一些需要注意的测量数据;比如封装器件的半导体结与环境之间的热阻,以及最大的结温。
器件的结温等于最大环境温度加上热阻与功率耗散的乘积(结温=最大环境温度+[热阻×功率耗散])。根据这个方程可解出系统的最大功率耗散,即按定义相等于I2×RDS(ON)。由于设计人员已确定将要通过器件的最大电流,因此可以计算出不同温度下的RDS(ON)。值得注意的是,在处理简单热模型时,设计人员还必须考虑半导体结/器件外壳及外壳/环境的热容量;即要求印刷电路板和封装不会立即升温。
雪崩击穿是指半导体器件上的反向电压超过最大值,并形成强电场使器件内电流增加。该电流将耗散功率,使器件的温度升高,而且有可能损坏器件。半导体公司都会对器件进行雪崩测试,计算其雪崩电压,或对器件的稳健性进行测试。计算额定雪崩电压有两种方法;一是统计法,另一是热计算。而热计算因为较为实用而得到广泛采用。不少公司都有提供其器件测试的详情,如飞兆半导体提供了“Power MOSFET Avalanche Guidelines”( Power MOSFET Avalanche Guidelines--可以到Fairchild网站去下载)。除计算外,技术对雪崩效应也有很大影响。例如,晶片尺寸的增加会提高抗雪崩能力,最终提高器件的稳健性。对最终用户而言,这意味着要在系统中采用更大的封装件。
第四步:决定开关性能
选择MOSFET的最后一步是决定MOSFET的开关性能。影响开关性能的参数有很多,但最重要的是栅极/漏极、栅极/ 源极及漏极/源极电容。这些电容会在器件中产生开关损耗,因为在每次开关时都要对它们充电。MOSFET的开关速度因此被降低,器件效率也下降。为计算开关过程中器件的总损耗,设计人员必须计算开通过程中的损耗(Eon)和关闭过程中的损耗(Eoff)。MOSFET开关的总功率可用如下方程表达:Psw=(Eon+Eoff)×开关频率。而栅极电荷(Qgd)对开关性能的影响最大。





