
通常电源线有三根线,火线L,零线N和地线PE。
电压和电流的变化通过导线传输时有两种形态, 一种是两根导线分别做为往返线路传输, 我们称之为"差模";另一种是两根导线做去路,地线做返回传输, 我们称之为"共模"。

如上图, 蓝色信号是在两根导线内部作往返传输的,我们称之为"差模";黄色信号是在信号与地线之间传输的,我们称之为"共模"。

任何两根电源线上所存在的干扰,均可用共模干扰和差模干扰来表示。
共模干扰在导线与地(机壳)之间传输,属于非对称性干扰,它定义为任何载流导体与参考地之间的不希望有的电位差;
差模干扰在两导线之间传输,属于对称性干扰,它定义为任何两个载流导体之间的不希望有的电位差。
在一般情况下,共模干扰幅度大、频率高,还可以通过导线产生辐射,所造成的干扰较大。差模干扰幅度小、频率低、所造成的干扰较小。
2.1共模干扰信号
共模干扰的电流大小不一定相等,但是方向(相位)相同的。电气设备对外的干扰多以共模干扰为主,外来的干扰也多以共模干扰为主,共模干扰本身一般不会对设备产生危害,但是如果共模干扰转变为差模干扰,干扰就严重了,因为有用信号都是差模信号。

2.2差模干扰信号
差模干扰的电流大小相等,方向(相位)相反。由于走线的分布电容、电感、信号走线阻抗不连续,以及信号回流路径流过了意料之外的通路等,差模电流会转换成共模电流。

2.3共模干扰产生原因
1. 电网串入共模干扰电压。
2. 辐射干扰(如雷电,设备电弧,附近电台,大功率辐射源)在信号线上感应出共模干扰,原因是交变的磁场产生交变的电流,地线-零线回路面积与地线-火线回路面积不相同,两个回路阻抗不同等原因造成电流大小不同。
3.接地电压不一样,简单的说就电位差而造就了共模干扰。
4.设备内部的线路对电源线造成的共模干扰。
2.4共模干扰电流
共模干扰一般是以共模干扰电流存在的形式出现的,一般情况下共模干扰电流产生的原因有三个方面:
1. 外界电磁场在电路走线中的所有导线上感应出来电压(这个电压相对于大地是等幅和同相的),由这个电压产生的电流。
2. 由于电路走线两端的器件所接的地电位不同,在这个地电位差的驱动下产生的电流。
3. 器件上的电路走线与大地之间有电位差,这样电路走线上会产生共模干扰电流。
2.5注意事项
1.器件如果在其电路走线上产生共模干扰电流,则电路走线会产生强烈的电磁辐射,对电子、电气产品元器件产生电磁干扰,影响产品的性能指标;
2.当电路不平衡时,共模干扰电流会转变为差模干扰电流,差模干扰电流对电路直接产生干扰影响。对于电子、电气产品电路中的信号线及其回路而言:差模干扰电流流过电路中的导线环路时,将引起差模干扰辐射,这种环路相当于小环天线,能向空间辐射磁场,或接收磁场。
3. 共模干扰主要集中在1MHz以上。这是由于共模干扰是通过空间感应到电缆上的,这种感应只有在较高频率时才容易发生。但有一种例外,当电缆从很强的磁场辐射源(例如,开关电源)旁边通过时,也会感应到频率较低的共模干扰。

共模干扰作为EMC干扰中最为常见且危害较大的干扰,我们抑制它最直接的方法就是滤波。

在电路中串入共模电感,当有共模干扰电流流经线圈时,由于共模干扰电流的同向性,会在线圈内产生同向的磁场而增大线圈的感抗,使线圈表现为高阻抗,产生较强的阻尼效果,以此衰减共模干扰电流,达到滤波的目的;
当电路中的正常差模电流流经共模电感时,电流在同相绕制的共模电感线圈中产生反向的磁场而相互抵消,因而对正常的差模电流基本没有衰减作用。
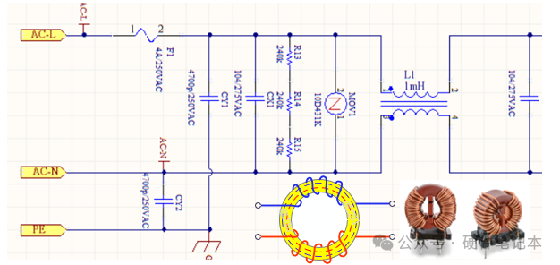
案例 USB 信号上的共模干扰抑制方法

USB 端口的滤波处理-使用共模电感
USB 传输线上的信号是差分信号而干扰源是共模干扰信号,在传输线上串上共模电感能较好的抑制共模干扰,而对有用的差分信号没有任何衰减。

USB 高速运行会在DM/DP信号线上产生很强的共模干扰

电路中加入滤波器-共模电感后共模干扰信号得到有效抑制
如果共模干扰源是在电源回路,可使用共模电容来抑制干扰信号。

在电路中引入共模电容,则共模电容提供最短的路径使共模干扰信号被旁路,从而抑制共模干扰的产生。
如果电源回路同时还存在差模干扰,使用差模电容来抑制干扰。

在电路中引入差模电容,则差模电容提供最短的路径使差模干扰信号被旁路,从而抑制差模干扰的产生。
共模干扰作为EMC干扰中最为常见且危害很大的干扰,抑制它的方法除了滤波外,还可以通过对信号线路进行屏蔽,在PCB 板上大面积铺地降低地线阻抗来减少共模信号强度等方法。
我们常见的电感是两个腿的,叫做差模电感。今天和大家介绍四个腿的共模电感。
差模电流与共模电流
差模电流:在一对差分信号线上,大小相同,方向相反的一对信号,一般是电路中的工作电流,对于信号线就是信号线与信号地线之间流动的电流。

共模电流:在一对差分信号线上,大小相同,方向相同的一对信号(或噪音)。在电路中,一般对地噪音一般都是以共模电流的方式传输的,所以又称为共模噪声。
差模电流与共模电流
抑制共模噪声的方法多种多样,除了从源头去减少共模噪声外,通常我们抑制最常用的方法就是使用共模电感来滤除共模噪声,也就是将共模噪声阻挡在目标电路外面。即在线路中串联共模扼流器件。这样做的目的是增大共模回路的阻抗,使得共模电流被扼流器所消耗和阻挡(反射),从而抑制线路中的共模噪声。
共模扼流器或电感的原理
若在以某种磁性材料的磁环上绕上同向的一对线圈,当交变电流通过时,因为电磁感应而在线圈中产生磁通量。对于差模信号,产生的磁通量大小相同、方向相反,两者相互抵消,因而磁环产生的差模阻抗非常小;而对于共模信号,产生的磁通量大小和方向均相同,两者相互叠加从而使磁环产生了较大的共模阻抗。这一特性使得共模电感对于差模信号的影响较小,而对共模噪声具有很好的滤波性能。
1) 差模电流通过共模线圈,磁力线方向相反,感应磁场削弱,从如下图磁力线方向可以看出—实线箭头表示电流方向,虚线表示磁场方向
2) 共模电流通过共模线圈,磁力线方向相同,感应磁场加强,从如下图磁力线方向可以看出—实线箭头表示电流方向,虚线表示磁场方向。
共模线圈的电感或者称为自感系数,我们知道电感是表征产生磁场的能力。对于共模线圈或者共模电感,当共模电流流过线圈时,由于磁力线方向相同,在不考虑漏感的情况下,磁通量叠加,其原理是互感。下图红色线圈产生的磁力线穿过蓝色线圈,同时蓝色线圈产生的磁力线也穿过红色线圈,彼此相互感应。
从电感的角度来看,电感量也是成倍增加,磁链代表了总磁通量。对于共模电感,当磁通量是原来的2倍时,匝数没有发生变化,电流也没没有发生变化,此时电感量增加为原来的2倍,意味着等效磁导率变为原来的2倍。
等效磁导率何以增加一倍,从下面的电感公式来看,由于匝数N不改变、磁路和磁芯截面积由磁芯的物理尺寸决定,因此也没有改变,唯一就是磁导率u增加了一倍,因而可以产生更多的磁通量。
所以,共模电感在共模电流通过时,工作在互感模式下。在互感的作用下,等效电感量被成倍增加,共模感抗也会成倍增加,因而对共模信号有良好的滤波作用,也就是将共模信号用大阻抗阻挡,不让其通过共模电感,即不让此信号传输到电路的下一级,如下是电感产生的感抗ZL。
认识共模电感在共模模式下的电感量,主要线索是认识互感,一切的磁性元器件。无论什么名称只要把握磁场的变化形式,透过现象看磁场变化的本质,也会容易理解。
声明: