电路图实例讲解,Y电容的四种用法
一、Y电容简介
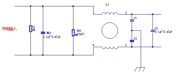
Y电容是安规电容的一种,安规电容是指用于这样的场合:即电容器失效后,不会导致电击也不会不危及人身安全。也就是因为这样安规电容与其他普通的电容有着不一样的地方,普通的电容在电源断开之后很长一段时间还会保留一定残留电压,一旦手触碰到就会发生电击,而安规电容却不会。Y电容大多数为蓝色,但是也有黄色的,由于是安全电容,因此Y电容上面一般都会标有相关的认证,例如CQC、VDE、UL等认证。如下图Y电容通常接于零线与地或者火线与地之间,如下图是I级EMI滤波电路,Y1和Y2是Y电容,通常两个串联一起。


安规陶瓷电容器具有优良的电性能和低损耗,耐压高,寿命长,体积小,抑制电子线路内发生的浪涌的特点。 二、Y电容连接方式
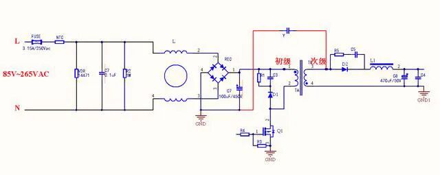
第1种:跨接于变压器初级地与次级地之间
初级地大家也经常成为“热地”,次级地经常被称为“冷地”,y电容跨接在变压器初级地与次级地之间这是最为常见的连接方式,而且一般都是成双成对出现,因为脚距太短,不能做到完全隔离。开关电源当中,开关管的不断导通与闭合会产生噪声,如下图的Q⒈,主要表如今瞬间电压尖峰脉冲信号,信号噪声流向变压器的初级线圈,而线圈相当于1个电感,此时会产生反向较高的电动势,同时产生的高次谐波耦合到变压器初级,造成噪声骚扰。初级地和次级地之间加1个 Y 电容,可以在变压器的次级地与大地间建立1个泄放通道,开关噪声的高次谐波通 过这个通道泄放到大地,从而避免通过供电线路辐射出去,降低开关电源的辐射骚扰。
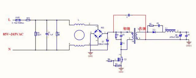
第2种:跨接于变压器初级高压和次级地之间
变压器的每个线圈绕组之间有寄生电容存在,在工作时过程当中形成电压,成为噪声源头,在初始高压与次级地之间跨接y电容,能滤除初级和次级耦合产生的共模扰乱,这与第1种差不多,只是在EMI测试时候结果会有所不同。
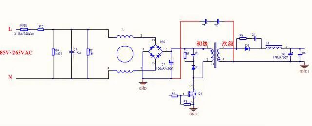
第3种:跨接于变压器初级高压与次级输出正端
第4种:跨接于变压器初级地与次级输出正端
这种连接方式也较少见,在小功率电源时候有时候会用。
三、Y电容漏电流
对于开关电源,Y电容通常接于一次侧(初级)与二次侧(次级)之间,如下图,Y电容器可为一次侧耦合到二次侧的干扰电流提供回流路径。

那么Y电容容量为什么不能太大呢?我们知道Y电容对于EMC有很大的帮助,由于是共模电容,因此需要接地,那么就会有一个漏电流,还是以上面的EMI滤波电路为例,Y电容漏电流
其中:f 是市电频率,即50Hz,C为Y电容总容量(4700pF+4700pF=9400pF),U对地端电压,这里取110V即可。则可以计算得出漏电流有0.32A之多,并且会发现漏电流与容量成正比关系,也就是说容量越大漏电流也就越大,对于220V/50Hz交流电网供电的用电器,很多国家都规定漏电流不得大于1mA,对于手持式以及移动设备等其他用电产品对漏电流也有不同的要求,因此如果电源产品需要接Y电容,容量一般都不是很大,有时候甚至去掉Y电容,因此我们经常看到的Y电容容量基本上都是不大于0.1uF。声明:文章来源网络。本号对所有原创、转载文章的陈述与观点均保持中立,推送文章仅供读者学习和交流。文章、图片等版权归原作者享有,如有侵权,联系删除。