S-N曲线,又称Wöhler曲线,是材料科学与工程领域中描述材料疲劳性能的基础工具。它通过图形化的方式展示了材料在循环应力(S)作用下能够承受的循环次数(N),是进行结构疲劳寿命预测、可靠性设计和材料选择的核心依据。
然而,在试验测试时,我们不可能真正加载无限长时间,也不可能测试无限多个试样。实际测试时必须遵守一定的限制条件和规则,才可能通过少量试样和有限加载次数来得到满足工程精度的S-N曲线。
1. 有限寿命区 (Finite Life Region): 在曲线的左上部分,应力水平较高,材料只能承受有限次数的循环加载便会发生断裂。在此区域,应力与寿命之间通常呈现出近似线性的对数关系 。
2. 疲劳极限 (Fatigue Limit / Endurance Limit): 对于某些材料,如大多数铁基合金(钢),当应力降低到某一水平后,S-N曲线会趋于水平 。这个水平线对应的应力值被称为疲劳极限。理论上,当工作应力低于该极限时,材料可以承受无限次的循环加载而不会发生疲劳破坏。
图1 S-N曲线(fe疲劳极限)
然而,对于许多有色金属,如铝合金和钛合金,其S-N曲线在很高的循环次数下(甚至超过10^8次)仍然持续缓慢下降,不表现出明显的疲劳极限 。在这种情况下,通常会定义一个在特定循环次数下(如10^7或10^8次)的“疲劳强度”或“条件疲劳极限”。
3. 高周疲劳 (HCF) 与低周疲劳 (LCF) 的划分: S-N曲线涵盖了从低周到高周的整个疲劳寿命范围。低周疲劳 (Low-Cycle Fatigue, LCF) 主要发生在高应力、短寿命区域,通常伴随着显著的塑性应变,循环次数一般小于10^3至10^5次 。
高周疲劳 (High-Cycle Fatigue, HCF) 则发生在低应力、长寿命区域,材料的宏观变形主要处于弹性范围内,循环次数通常大于10^5次 。
两者之间的转折点并非一个绝对精确的数值,工程界普遍认为其大致位于10^4到10^5次循环的区间 。这一划分对于选择不同的疲劳分析模型(如基于应力的S-N方法用于HCF,基于应变的E-N方法用于LCF)至关重要。
材料S-N曲线表达的是名义应力S和加载次数N之间的关系,使用何种应力取决于加载方式。常见的加载方式有弯曲、轴向和扭转三种,分别对应旋转弯曲试验、拉压试验和扭转试验。
可使用传统的弹性力学公式将试验载荷与应力联系起来,如下:
①旋转弯曲疲劳试验—弯曲S-N曲线:
②拉压疲劳试验—拉压S-N曲线:
③扭转疲劳试验—扭转S-N曲线:
材料S-N曲线通过高周疲劳试验测定,通常使用结构简单、造价低廉的标准试样。不同加载方式需采用不同形状的试样。
常规测试使用光滑试样;为了研究缺口敏感度会采用缺口式样;研究焊点焊缝的S-N曲线时,需要使用专门的焊接接头试样。如图2所示。
图2 光滑试样、缺口试样与焊接接头试样
旋转弯曲标准试样为圆形截面试样,国标GB/T4337-2015中推荐了其形状,如图3。推荐尺寸见表格1。
图3 弯曲加载试样的形状
表1 弯曲加载试样的推荐尺寸
标距段直径d | d的公差 | 圆角r | 长度L |
|
6mm/7.5mm/9mm | ±0.02mm | ≥3d | 40mm | ≥1.5 |
轴向加载试样理论上对于横截面形状和标距长度没有限制,只要满足以下几个条件:
提供均匀的标距部分
减少压缩时的屈曲风险,避免在过渡半径处发生失效。
整个标距段提供均匀的应力或者应变分布。
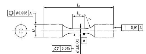
国标GB/T3075-2020中推荐了轴向加载圆形或矩形截面标准试样的形状,如图4和图5。
图4 轴向加载圆形截面试样
图5 轴向加载矩形截面试样
对于轴向加载,应尽量使用圆形截面试样,因为矩形试样难以获得较小的表面粗糙度,而且在矩形横截面的拐角容易提前萌生疲劳裂纹。
圆形截面轴向加载试样的尺寸定义如表格2。如果轴向加载仅有拉伸载荷,长度L建议尽量大一些。如果轴向加载包含压缩载荷,为避免发生压缩失稳,应使L<4d。
表2 轴向加载试样的推荐尺寸
| 参数 | 尺寸 |
| 圆柱形测量部分的直径 | 5mm≤d≤10mm |
| 平行长度 | Lp≥2d |
| 过渡弧(从平行部分到夹持端) | r≥2d |
| 外部直径(夹持端) | D≥2d |
| 减缩部分长度 | Lz≤8d |
扭转加载疲劳试样通常采用与旋转弯曲试样类似的形状,只是试样夹持部分需加工出防止加载时试样滑动的平台,如图6。
图6 扭转加载试样
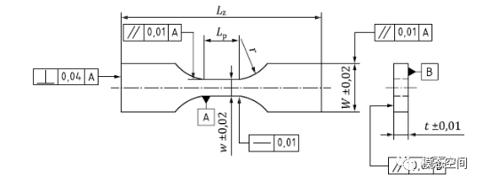
高应力高加载频率的弯曲和轴向疲劳试验都可能引起试样在试验过程中过热,此时可考虑采用漏斗形的试样,如图7。
漏斗形试样的特点是夹持端与圆形试样的最小直径处(或者矩形截面试样的最小宽度处)有一个连续的半径,它没有一个均匀的标距段,在最小横截面上的应力分布并不是完全均匀的,所以它的S-N曲线与常规试样得到的曲线会有一定差异。
图 7 漏斗形试样
可以根据极限强度
对于旋转弯曲:
在疲劳仿真分析中,我们最常用的是轴向加载的疲劳极限,对于轴向拉压工况,
试验数据表明,大部分常规钢材的拉压疲劳极限在0.3-0.45
扭转载荷作用下的疲劳极限可估计为:
假定1:寿命 N=1000时,有

图8 材料S-N曲线的估算方法
图9 国高材分析测试中心疲劳试验机
技术参数:
载荷传感器量程:± 15KN & ± 500N;
LVDT式位移传感器量程:2%~100%;
引伸计应变范围:-10%~50%,50mm;
作动缸形成:±100mm;
频率最大100Hz;
环境箱温度范围:-30 ℃~150 ℃;
拉伸夹具夹面满足0mm~7.2mm厚度;
三点/四点弯曲夹具压头直径(包含压头和支撑头):5mm;
弯曲夹具下跨距范围:23.9mm~152.4mm,上跨距范围:23.9mm~76.2mm。
可执行测试标准:
JB/T 6543、ASTM E606、ASTM D3479/D3479M、 ASTM D671、 ASTM D7791、 ASTM E466、 ASTM E606/E606M、GB/T 16779、 GB/T 24176、 GB/T 3075、 HB 5287
咨询电话:020-66221668
绘制S-N曲线需要进行大量的疲劳试验。一般步骤如下:
S-N曲线是疲劳设计,尤其是在航空航天等对安全性要求极高的领域中的核心工具。其应用主要体现在“安全寿命法”(Safe-Life)设计理念中。
关键部件寿命预测: 航空发动机的涡轮盘、叶片,飞机的起落架、机翼梁架等关键承力构件,在服役期间会承受数以百万计的起降和飞行载荷循环 。工程师会根据这些部件的实际载荷谱,结合材料的S-N曲线,利用Miner线性累积损伤法则等理论,预测部件在发生疲劳断裂前的安全使用寿命 。
考虑分散性的可靠性设计: 实际工程设计中,直接使用通过少量试样测得的平均S-N曲线是极不安全的,因为疲劳数据存在固有的统计分散性。为了确保高可靠性,设计师通常会使用经过统计处理的“许用S-N曲线”或“设计S-N曲线”(例如,P-S-N曲线,表示在特定存活率P下的S-N关系)。这相当于对平均曲线进行下移,引入一个安全系数,以保证绝大多数(如99.9%)的部件在设计寿命内不会失效。
材料选择与工艺优化: S-N曲线提供了不同材料或不同工艺处理下疲劳性能的直观对比。例如,通过比较不同热处理状态下Ti-6Al-4V合金的S-N曲线,可以选择出具有最优抗疲劳性能的工艺方案。
素材来源于网络