常见的措施:
1.通过机械结构的设计 让接线端子 正确接入时能匹配上,不正确时 匹配不上
2.通过线的颜色做区分
3.通过电路的设计
典型电路类型:
1.二极管防反接(不常用)
二极管有 0.7的导通压降 如果有大电流经过的时候就会发热 功率比较高。(一般选用 肖特基二极管导通压降比较低 也要考虑反向电压)

2.保险丝和二极管(稳压二极管)防反接
二极管并联到电路中。二极管要考虑导通电流和反向耐压等参数

看好电路图的 电源和负载的两端接哪


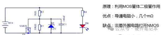
PMOS:
在 PMOS 管防反接电路中,栅极那边的两个电阻主要起到限流和保护的作用。
这些电阻的阻值通常根据具体的电路设计要求来选择,一般需要根据 PMOS 管的特性和工作电压来确定。
旁边的二极管是一个稳压保护二极管 为了保护GS之间的电压不会过高从而损坏二极管
在电路分析中 pmos导通和体二极管无关。mos的源漏是相对的。对pmos,电压高的是s,低的是d。正常上电时,3脚电压高,所以这时3脚是s,g比s低,所以管子导通(图中的D S应该反过来)。

NMOS 如果 正接 Vg=2V Vs=0V 所以 DS导通 形成回路
反接 Vg=0 Vs=5V 所以DS不导通 形成不了回路



什么是倒灌?
1.开关电源给负载供电, 如果负载是电池或者其他感性负载(比如像 电机 有线圈 当电源突然断掉时 会产生感应电动势)时, 当220V断掉的时候,可能会出现 电池反向给开关电源 的 输出端 供电,导致开关电源的一些莫名损坏。
2.系统在不同的 输出电压 之间 切换时,会存在高压电压倒灌到低压电压源中。关注@电路一点通
例如:系统 有两个电源供电 比如 一个电池 一个 充电器 充电器的电压一般会高于电池 如果没有防倒灌的电路 可能充电器的电压会直接倒灌给电池 造成电池的损坏。

1.二极管串联防倒灌电路:
该电路 二极管选型要 选取电源 额定输出电流的(5-10)倍 并且可以加 散热片。

2.双MOS组成的防倒灌电路
电路分析:
正常情况下(无电流倒灌) ON/OFF接口可以进行IO口控制也可以直接通过VIN控制,
所以这次就以 VIN的有无 来控制 VIN输入电压到三极管,三极管导通(基极电压大于发射极),由于三极管下连的是地,所以 PMOS管的栅极电压为0, Vgs=-Vin 所以导通 所以 两个PMOS管导通。

当输入电压突然没有的时候, Vin没有 所以 三极管Vb=0 Vbe<0,所以不导通,PMOS管栅极和漏极S连在一起所以电压相等 Vgs=0,所以不导通



3.双MOS组成电源自动切换电路(前提 VCC>电池电压)
Bat Charge 为电池电压
VCC为系统电压
当只用电池电压供电时:
MOS管Q9 栅极g为0V 源极S Vs=V电池 Vgs=-V电池 PMOS导通 Q9导通了 Q10也导通了 ,然后给到 单片机VCC_mcu。
只有VCC时:
通过LDO Vout 通过二极管给到MCU进行供电 Q9和Q10的G都是Vout的电压 所以不导通。VCC_MCU=Vout-二极管的压降关注@电路一点通
当VCC和电池同时供电时:
Q9栅极电压为VCC 对于MOS管 Vgs=Vout-V电池 所以MOS管不导通, Q10 g极 Vg=Vout Vs=Vout-V二极管 Vgs>0 所以也截止 。

4.双三极管镜像电路防倒灌
Vin 经过三极管 由于是PNP三极管 Vb连接地=0V Ve=Vin 所以三极管Q6导通 导通之后就会有管压降 所以 Vb的电压=Vin-0.6V Q7 Ve=Vout-0.6V 需要满足 Ve>Vb 三极管Q7才会导通 但Vout会大于Vin 所以会是截止的。
正常工作时 Q5 Q6导通 Q7不导通 , 当出现倒灌时 Q5 Q6不导通 Q7导通

ESP:静电放电(一般在芯片内部电路)
ESD相关概念及模型

人体放电:人体带的电荷 然后触碰芯片管脚, 芯片其他管脚正好有个接了地 产生电流 损坏芯片
机器放电模式:机器触碰芯片的时候, 带电金属体 触碰芯片
元件充电:芯片可能在搬运啥的过程中 本身 被充电了 当夹具夹住的时候可能就通过夹具释放出来了

在芯片内部 提供ESD的电流路径 以免ESD放电的时候 静电电流流入芯片内部对芯片造成伤害 从而保护电路
下图 PAD可以当做芯片引脚 如果没加保护电路, 以人体放电为例,手碰到了 PAD1 PAD2接地 电流直接沿着紫色虚线的方向走从PAD1到PAD2,直接烧毁芯片。
蓝色的这些都是ESD保护 这些电路能在发生ESD的时候 能瞬间导通 把电流引导出去 且是可逆的 不会被静电所损伤


利用二极管(齐纳二极管)的正向导通和反向击穿特性可实现最基础的ESD保护电路
如果来了ESD PAD1和PAD3形成回路
声明: