011
今天在这里跟大家分享一下有关TVS二极管的基础知识。
011
在这里,王工给大家分享两起工作中遇到的两个因为TVS引起产品失效的事故。
案例1:
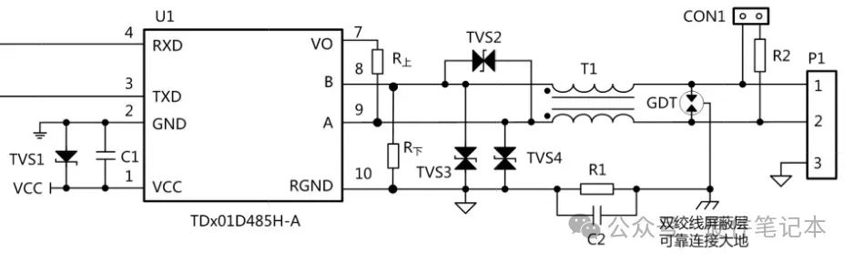
整机在打ESD静电的时候,出现通信异常。通过排查,最后定位在如下图左边的通信接口处,右边是咱们的主芯片。

之所以产品会被打挂,主要原因是TVS布局未靠近接口处放置,TVS放置位置距离接口比较远,没有起到很好的抗静电作用。
案例2:
整机在做EFT抗干扰测试时,当干扰源从外界注入后,我们希望可以让干扰最大程度通过TVS3或TVS4回到源头,从而避免经过内部隔离芯片影响到我们产品的正常运行。

实际使用时,TVS二极管的选型不合理,导致瞬态功率不够,普通的测试还扛得住,但是EFT就挂掉了,只得换用瞬态功率更高的TVS管。
TVS二极管体积小,在电路正常工作时通常不发挥作用,因此很容易被忽视。可一旦出现问题,大家才会真正意识到它的重要性,并对其产生敬畏之心。
抱着学习的心态,我又梳理了一遍TVS的基础知识,在此也分享给大家,希望能让更多人知道它的重要性,少走弯路、少踩坑。
021
为了照顾到大多数人,咱们还是简单讲讲什么是TVS。
老规矩,先来看看TVS的定义,简单来讲它是一种保护器件。



右图显示了施加浪涌时的操作。如果浪涌电压超过TVS二极管的击穿电压,浪涌电流将通过TVS二极管,大部分电流流向地。随后,TVS二极管箱位电压,保护后续电路中的器件。


封装分为贴片,插件两种,一般咱们贴片用的多,插件的功率会更大些,主要看实际应用场景。
031
结合ROHM官网的资料,TVS主要分为以下几个方面的应用场景。
静电通过USB、HDMI和其它通常安装在电子设备上的连接器进入。下图为一个USB连接器的例子。由于人体会接触电缆和USB设备,因此容易受到静电的影响。TVS二极管被放置在连接器和集成电路之间,以防止静电放电的进入。

防止ESD通过电子设备的连接器进入
安装在电子设备上的开关和按钮在操作时会接触到人体,静电放电(ESD)可能会损坏集成电路或导致故障。为了防止这种损坏和故障,在开关与待保护设备(此处为集成电路)之间放置TVS二极管,以防止静电放电进入。

防止通过开关进入ESD以及人体接触的按钮
如果连接设备的网线被带电的人体或物体接触,ESD就会通过网线进入电子设备。下图展示了一个汽车控制器局域网(CAN)的例子。TVS二极管安装在网络电缆与待连接设备的IC之间,以防止ESD进入。

通信网络的ESD防护
一般对外接口我们都会加上ESD静电管。
041
当我们进行TVS瞬态抑制二极管选型时,需要确保它能够有效保护电路免受瞬态电压的损害,同时又需要保证TVS二极管自身不会被瞬态电压给打坏了,因为TVS二极管击穿后的失效模式大概率是对地短路,而且TVS二极管大多数是接在电源线上的,这样就会导致我们的电源对地短路,从而整个产品就会失去功能。
咱们来打开一份规格书,以SMBJ5.0A为例,主要参数包括:

截止电压(VRWM)
咱们在选型的时候,VRWM应略高于电路中的工作电压,这个略高于怎么来理解呢?
咱们来举个例子,假设电路的工作电压为VCC=5V
一般,VRWM应大于等于1.2倍VCC,即6V。
如果环境恶劣或要求高可靠性,避免TVS在正常工作时误触发,可放宽至1.3-1.5倍,即6.5V-7.5V。

击穿电压(VBR)
VBR是breakdown(击穿)电压,指TVS的最大额定电压,超过此电压,TVS会击穿,电流会急剧增加,以保护电路内部元器件。
最大钳位电压(VC)
峰值脉冲电流(IPP)

IPP 越大耐电流冲击能力越强,它决定了TVS管在保护电路时能够承受的最大浪涌电流,TVS 通过的电流超过此参数就会烧毁。
ROHM官网指出,当信号波形电压值越接近 VRWM,反向电流 IR 越会增加,所以模拟信号的情况下失真率可能会恶化,所以请务必用实机确认动作情况。
结电容即TVS的寄生电容,根据被保护的信号速率,选择合适的结电容。特别是在高速电路中,这个参数要重点关注,结电容过大会影响到信号的完整性。
051
1、TVS在layout布局的时候一定要放在接口处,越近越好。太远了就会失效,就像文章开篇中的例子。
声明: