首页/文章/ 详情

GT应用案例|GT-SUITE在汽车热管理系统开发中的应用

2月前浏览88

GT-SUITE

GT-SUITE是由美国Gamma Technologies公司开发的多物理场系统仿真分析系列套装软件。主要应用于车辆行驶系统分析、热管理系统分析、空调系统分析、锂电池/燃料电池电化学分析、发动机仿真分析、多体动力学分析等领域。集成化的仿真平台可以综合的考虑各子系统之间的相互影响,这对新能源汽车热管理系统开发尤为重要,其独特的前处理工具可以快速的生成拟三维仿真模型,能够兼顾系统评估与零部件评估。          
系统仿真分析可以应用于从概念设计到系统集成验证的各个环节,在竞争激烈的工业应用领域,使用GT-SUITE系列软件可以在产品开发过程中通过仿真分析优化产品系统设计及其控制策略,缩减试验环节的时间,从而明显地缩短设计开发周期、降低研发成本。          
         


    本文介绍了使用多物理场系统仿真软件GT-SUITE在热管理系统开发中的一些应用案例。



应用案例1:丰田(欧洲)利用GT-THAItherm进行乘员舱瞬态分析方法


    成员舱的热性能(舒适性)分析方法有三种,分别是:A. 使用GT-SUITE进行一维or零维模拟计算;B. 使用Fluent进行三维CFD模拟计算;C. GT-SUITE中 特有的一三维耦合模拟计算(Mapped 3D)。三种方法的分析的模拟精度B>C>A,模拟耗时B>C>A。综合考虑精度和耗时的情况下,方法C无疑是最好的选择。


    丰田公司使用GT-THAItherm进行乘员舱热舒适性分析,将CFD网格导入GT;2. 在GT中布置传感器;3. 通过GT进行几何离散,得到最终的GT计算模型。整个流程的时间大约为1个小时。



    在GT-THAItherm中也可以直接导入CFD网格,仅需通过GT-THAItherm进行一些材料属性的设定,就可以完成固体边界的输入,非常方便。


    模型运行工况如下,整个工况时间为1800s,从模拟结果来看,前排脚部和后排头部的传感器测试点试验值和模拟值的吻合度较高。




应用案例2:电动直升机在运行过程中电池包的热性能和热失控风险评估


    通过GT-SUITE软件建立了一个多物理系统仿真模型来预测空客A3型Vahana电动直升机(electric Vertical Take-Off and Landing,eVTOL)电池包的电-热-液系统热性能,并对比了风冷和水冷两种模式对电池包热性能影响。通过GT-SUITE仿真软件将预测的飞行过程中的温度分布加载到电池寿命的预测模型中,预测电芯的循环寿命和热失控。


Step1:使用GT-AutoLion创建电芯的电化学模型,校准电芯模型,以匹配在不同温度和倍率下的试验放电数据,模型和试验总体上吻合良好,如下图:


 

Step2:使用GT-SUITE创建电池包的电-热-液集成模型,如下图所示,其中不同的连接颜色表示了不同的物理场。    
   

    电池包以定义好的电流特征(如下图)进行运行,分别考察在风冷和水冷下电池包热性能。



    在给定的电流下,采用自然空气对流冷却模式,电池包电芯之间的温度差别达到了30℃,水冷模式下电芯温度和电流的变化更小。


风冷VS水冷电芯温度随时间变化

风冷VS水冷电芯电流随时间变化


Step3: 设定循环工况,在GT-Suite中求解电芯温度,将温度反馈到电化学模型中,预测电芯老化和循环寿命。


    循环工况是先以适当电流和温度模拟飞行工况,对电芯充电1小时(1 C充电率),然后使电芯休息1小时。在飞行-充电-休息周期循环下,两种冷却策略的输入电流和温度变化如下图所示:



    在两种冷却模式下,对电芯进行热失控分析,水冷模式下,电流分布更加均匀,不会增加非热失控电芯的负载,进而降低了热失控的传递。



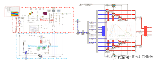
应用案例3:梅赛德斯奔驰电动空调压缩机启动过程NVH优化


    使用GT-SUITE搭建完整的空调回路,考虑压缩机几何结构及机械结构,实现了对压缩机启动过程NVH的模拟,通过优化压缩机启动过程,降低压缩机启动过程噪音。压缩机模型包括流体模型和机械模型两部分,流体模型使用GEM3D功能离散压缩机几何数模生成。


    使用该模型计算压缩机启动工况,压缩机转速如下,在启动阶段存在很大的转速波动。在压缩机转速阶次图中,仿真值和试验值吻合良好,压缩机噪音发生的频率和转速与试验值吻合。


    优化压缩机启动转速曲线,可以发现优化后,基础方案中压缩机的负转速区域消失,转速波动变缓。调取阶次图,可以发现相应频段的噪音有很大幅度的改善。



           


   
来源:艾迪捷
Fluent化学燃料电池系统仿真汽车新能源多体动力学Electric材料NVH控制试验
著作权归作者所有,欢迎分享,未经许可,不得转载
首次发布时间:2025-09-08
最近编辑:2月前
艾迪捷
MBD CAE解决方案专家
获赞 19粉丝 16文章 569课程 4
点赞
收藏
作者推荐

技术干货 | 基于真实路况和控制调节的燃油经济最优化分析

GT Global Conference 2020Gamma Technologies: Dhaval Lodaya, Jonathan Zeman, and Marcin OkarmusBorgWarner: Sara Mohon, Philip Keller, John Shutty, Nithin Kondipati概要混动汽车的燃油经济性优势能否充分发挥,与行车过程中的能量分配和相关控制调节直接相关,为此,本文将基于P0/P4架构对如何使用动态规划算法来研究和优化混合动力汽车的燃油经济性进行了详细介绍。目录1. xEV体系架构中的挑战2. 经济最优化分析的动机与需求3. 动态规划4. 算例5. 结论1 、xEV体系架构中的挑战控制策略是车辆仿真的关键部分。在大多数应用中,控制策略主要是用于控制基于某些规则的运行方式。这种控制策略只适用于解决相对简单、明确、逻辑清晰的问题,但在能耗最小化方面并不适用。下图展示了一辆拥有多个动力执行机构和动力来源的汽车。根据动力系统结构,可以有多种不同的架构配置,如:P0、P4、P0/P4、P2、P3混合动力等。xEV架构驾驶员一般只负责提供加速踏板和制动踏板方面的需求。为了开发出合理的功率分配规则,相应的策略需要考虑体系架构、约束、目标和优化等方面。选择一个正确的架构和以一种有效的方式管理能量流是会直接影响整车效率,对油耗、驾驶性能和排放都有着显著的影响。2、经济最优化分析的动机与需求 经济最优化的核心理念或核心目标是能够优化任何动力系统架构的燃油经济性,也就是对这类问题的适用性。其次就是以下六方面:A.灵活方便、模块化 谈到需求,其中一个关键需求是灵活性、模块化和快速模型构建,目的是能够快速构建任何动力系统架构的车辆模型。它应该足够灵活,适合不同类型的分析,如:动力学和运动学模拟,不同的组件及其大小,它还应该是模块化的,可以捕捉不同级别的物理场,从系统级别到详细的组件级别。GT-Drive+B.系统集成 系统集成仿真建模是指模型不仅应能考虑不同物理(如:机械、电、热、流等),还应能在同一个模型下将多个物理场进行耦合,同时考虑多个物理场及其之间的关联。 多系统集成C.适应性 适应性扮演着重要的角色,因为在汽车建模中不仅物理模型和控制非常重要,而且物理模型和控制之间的通讯和集成也是至关重要的。 GT-Suite中的控制模块 GT&Simulink联合仿真D.优化方法 针对这类问题的优化方法有很多,主要分为全局优化、局部优化和启发式策略。动态规划是能够得到全局最优结果的解决方案。 动态规划E.计算时间 当提到动态规划时,总是伴随着计算时间的问题,因为它是一个计算量庞大的解决方案。因此,并行计算成为在概念设计阶段对不同架构进行迭代,并在最终的控制细化和开发阶段获取最优控制轨迹的关键手段之一。并行计算 F. 真实路况 人们越来越重视实际的驾驶过程。这涉及到模型能否捕获一些不确定因素的影响,如:路线,交通,司机行为等等。因此,实际的驾驶过程也成为经济最优化分析的重要组成部分。 GPS路线3、动态规划3.1 优化方法关于经济最优化,主要有以下几种方法:首先是基于特定规则的启发式策略,它的特点是可以在真实的ECU上面实现实时在线;其次是基于等效消耗最小化策略(ECMS)的局部优化,它在某种程度上也能实现实时在线;最后是基于动态规划(DP)的全局优化,此算法计算量比较大,需离线进行,但得到的却是全局最优控制轨迹。 优化方法3.2动态规划 动态规划(DP)是一种求解多阶段决策过程的数值方法,该过程考虑了系统的动态特性,并在预先确定的行驶周期内找到最优策略。 “An optimal policy has the property that whatever the initial decisions are, the remaining decisions must constitute an optimal policy with regards to the state resulting from the first decision.” ——Richard Bellman 用Bellman的话来说,一个全局最优策略具有这样的性质,即无论之前的决策是什么,剩余的决策必须构成一个由之前决策产生的状态的最优策略。 3.3优化原则 如果 𝑥0 ~ 𝑥𝑘 ~ 𝑥𝑁 是一个最优路线,那么 𝑥𝑘 ~ 𝑥𝑁 也应是一个最优路线。反证法:如果 𝑥𝑘 ~ 𝑥𝑁 不是一个最优路线, 那么就一定存在一条比路线 𝑥0 ~ 𝑥𝑘 ~ 𝑥𝑁 成本更低的路线: 动态规划是一种“全局优化”,因为它在时间上是向后看的。 3.4计算流程 所以,ECMS是基于成本函数的局部优化,只能得到次优解,而DP是基于成本函数的全局优化,能得到一个最优解。4、算例选择P0/P4混合动力汽车结构的原因是,因为这是最复杂的并行混合动力系统架构之一。 运行模式主要包括三类:纯电(EV)、纯油(ICE)和混动(HEV)。具体的工作模式如下:相应的整车控制逻辑如下:模拟三种驾驶循环:FTP-75、HWFET、真实路况(Real-World)。计算结果 平均油耗:发动机运行点:FTP-75 Driving CycleHWFET Driving CycleReal-World Driving Cycle电池SOC和能量分配:FTP-75 Driving CycleHWFET Driving CycleDP优化后的FTP-75 循环的最佳工作路线:计算时间对比:串行计算VS并行计算状态和控制的离散尺度:DP解决方案对动力系统架构的适应性动态规划的解决方案在GT中是通用的,可用于任何传动系统架构在GT环境中建模可以大大节省开发时间,包括开发基于物理的模型并将其与控件集成5、结论本文对如何使用动态规划算法来研究和优化混合动力汽车的燃油经济性进行了详细的介绍。GT-Suite 实现了系统的灵活性、模块化的快速建模方式,以及集成的仿真环境使评估不同的物理系统成为可能。适应性是一个亮点,提供了服务于设计的解决方案,减少了集成物理与控制以及单独开发系统和组件级动力学模型的时间。该解决方案是通用的,适用于任何动力系统架构。除了能进行标准的路谱计算,还能直接并行化计算真实路况。并行化能够减少约 91% 的计算时间,从而进一步提高该解决方案在概念级设计阶段的实用性。 来源:艾迪捷

未登录
还没有评论
课程
培训
服务
行家
VIP会员 学习计划 福利任务
下载APP
联系我们
帮助与反馈