首页/文章/ 详情

1米焊缝需要多少焊材?你会算吗?

4月前浏览86

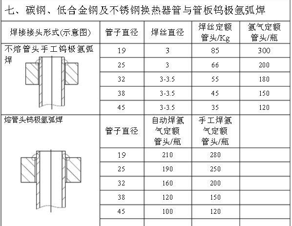
你知道1米焊缝需要多少焊材么?今天我们就来学习一下。图片


图片
图片
图片
图片
图片
图片
图片
图片
图片
图片
图片
图片
图片
图片
图片
图片
图片


某公司焊材消耗定额


图片
图片
图片
图片
图片
图片
图片
图片
图片
图片
图片
图片
图片
图片
图片



信息来源:金属加工


声明:本文所用图片、文字部分源于网络,目的为非商业性知识分享,版权仍属于原作者,如信息有误或涉及版权问题,请第一时间通知,我们将立即处理!


来源:材子笔记
材料
著作权归作者所有,欢迎分享,未经许可,不得转载
首次发布时间:2025-07-08
最近编辑:4月前
材子笔记
硕士 | 研发工程师 爱材料,懂生活~
获赞 220粉丝 176文章 384课程 0
点赞
收藏
作者推荐

【超全】材料力学公式大全

01 拉伸或压缩 02 剪切和挤压 03 扭转 04 弯曲应力 05 弯曲变形 066应力状态与强度理论 077组合变形 08压杆稳定 09动载荷 10 交变应力 1.平均应力: 2.应力幅度: 3.循环特征: 11 能量方法 1.杆件应变能的计算: 2.外力功的计算: 3.功的互等定理:第一组力在第二组力引起的(第一组力作用点处沿第一组力方向的)位移上做的功,等于第二组力在第一组力引起的(第二组力作用点处沿第二组力方向的)位移上做的功。 4.位移互等定理:当两个力(在数值上)大小相等时,第一个力在第二力作用点处沿着第二个力方向产生的位移与第二个力在第一力作用点处沿着第一个力方向产生的位移(在数值上)相等。 5.单位载荷法:在需要求解位移处沿着需要求解位移的方向施加一个单位载荷(广义力)“1”,分别写出外力对应的内力方程,单位载荷对应的内力方程,然后代入莫尔积分公式计算位移。 12 常用强度理论 常用强度理论主要适用于常温静载荷下的均匀、连续、各项同性材料。(1)第一强度理论(最大拉应力理论)①理论假定:最大拉应力是引起断裂的主要因素;②断裂准则: ③相当应力: ④强度条件: (2)第二强度理论(最大伸长线应变理论)①理论假定:最大伸长线应变是引起断裂的主要因素;②断裂准则: ③相当应力 ④强度条件: (3)第三强度理论(最大切应力理论)①理论假定:最大切应力是引起屈服的主要因素;②屈服准则: ③相当应力: ④强度条件: (4)第四强度理论(畸变能密度理论)①理论假定:畸变能密度是引起屈服的主要因素;②屈服准则: ③相当应力: ④强度条件: 信息来源:网络声明:本文所用图片、文字部分源于网络,目的为非商业性知识分享,版权仍属于原作者,如信息有误或涉及版权问题,请第一时间通知,我们将立即处理! 来源:材子笔记

未登录
还没有评论
课程
培训
服务
行家
VIP会员 学习计划 福利任务
下载APP
联系我们
帮助与反馈