首页/文章/ 详情

工程化的复合材料疲劳仿真方法

41分钟前浏览12


材料也会累?

什么是材料的疲劳?


所谓材料的疲劳,指的是在长期服役情况下,材料持续经受循环载荷,以致性能下降甚至失效破坏的情况。    

   
工业界经常讲疲劳寿命,就是说结构疲劳工况的使用寿命。我们在设计汽车、飞机、舰船时,疲劳寿命的设计非常重要的一环,也是安全设计的必要内容。通常来说,这种重大装备的设计寿命也就20年左右。爱惜点使用,少经历一些大风大浪,可以苟到30年,和原始人类的寿命差不多。自然造物也不过如此了。    

   
人会疲劳,材料为什么也会疲劳?    

   
断裂力学给出的解释是,材料内部存在细小裂纹,随着材料持续承受变化的载荷,裂纹慢慢生长变大甚至和其他裂纹连成一片,最终导致了结构的破坏。就像我们反复弯折一根铁丝,很快就能将它折断一样。    
   

材料内部裂纹      

从哲学的角度,一个人反复折腾,即便身体不累,心也累了。所谓积劳成疾,万事万物该是如此。要想活得久,就不要老是上蹿下跳,更不能过度健身。    


疲劳研究的发展


对于疲劳研究的起源,一种说法是,二战时为了尽快解决德日海上力量,(当时)第一工业强国—美国,下饺子般开足马力造了一堆舰船。    

   
   

   
有时候数量就是质量,至少一时如此。    

   
二战结束后,刀枪入库马放南山。不少舰船退役作为民船继续使用。然而很快,这批大干快上的船只发生了很多沉没事故。    

   
经过调查,这些船只建造时,为了加快进度使用了当时还不够成熟的焊接工艺。焊接质量导致这些部位极易产生裂纹,导致了灾难后果。由此,疲劳问题的研究引起了重视。    

   
实际上前两次工业革命时代,就有研究表明火车铁轨存在疲劳寿命的问题。结构疲劳失效之所以可怕在于两点:    
(1)快速性。一旦开始失效,失效会迅速扩散,来不及处置;    
(2)突然性。往往是远低于结构静强度情况下失效,难以提前防备。    

   
金属的疲劳寿命研究已经较为成熟了,有大量的数据库和工程预测手段。并且很多的工艺和检测手段可以有效对结构疲劳进行管控,并诞生了“结构健康监测”这样一个方向。像体检那样,通过CT、超声波等技术,定期对结构内部的裂纹进行排查。    
   
图片来源:http://www.qctester.com/     

   
一代材料,一代装备,现在已经进入了复合材料的时代。复合材料层合板是一层一层贴在一起的,并且树脂和纤维之间不可避免的存在孔隙,这简直是裂纹产生的温床。    

   
由于复合材料这种特点,其疲劳问题更为复杂,试验结果的分散性也更高,更遑论仿真手段了。    

   
但是仿真仍然重要,它可以表征趋势,反映变化。另外很多结构,由于工况的特殊性以及自身结构复杂性,疲劳试验是很难开展的,即便能搞也需要极高的成本。    


工程化的复合材料疲劳仿真方法


航空航天的科研院所专业是分的很细的,搞强度和结构设计可以是两个部门,强度下面可以分出静强度、动强度、振动、疲劳等等一堆科室,每个科室还有一堆人。        

       
我是一直搞航空的,导致我以前总是认为其他行业也是如此。后来外面接触多了才知道,很多行业和公司,是养不起专门的结构强度部门的。往往结构强度方向就是一个人,这个人他要会做结构设计,做各种仿真分析,还要懂试验。哪天感觉来了,还要去陪客户。        

       
这种情况下,是很难面面俱到的。尤其疲劳的仿真还需要编写自定义本构程序,如果研究生阶段不是研究这个的,一时是难以搞出来的。        

       
前段时间我审了一篇做疲劳的论文。整个论文两个工作,一个试验、一个仿真。试验也没有做具体结构的疲劳试验,而是基础材料的疲劳试验。仿真竟然一段话带过,说使用了专门的疲劳分析软件,然后就直接给结果。        

       
还是那句话,糊里糊涂用软件,糊里糊涂看结果,这种工作没有意义。        

       
我们本期就以复合材料层合板接头的疲劳为例,基于ABAQUS UMAT,给出工程化的疲劳仿真方法。之所以是工程化,一是做了简化,二是便于实现。        

       
力学的精髓,就在于简化,简化也是为了实现。        

       

思路          

首先我们应当知道,疲劳的关键参数有:        
(1)应力幅值;        
(2)强度值;        
(3)单向板疲劳寿命S-N曲线。        

       
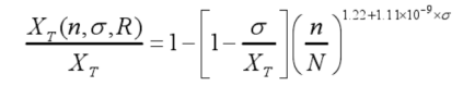
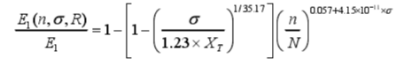
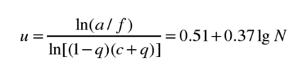
应力幅值越大,寿命越短,这是必然的。第三条有最好,没有的话我们可以根据前两个参数,然后用幂函数+大好人公式(著名的GoodMan公式)估算出一个S-N曲线。        

       
如果有条件试验,可以用如下模型拟合:        
       

       
其次我们要搞清楚,从仿真的角度,如何体现结构持续受力,性能慢慢下降呢?这不就是要给一个材料参数随着时间折减的公式嘛。        

       
       
       

       
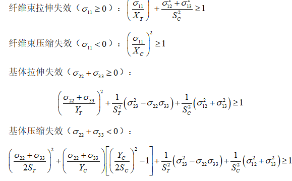
材料性能慢慢下降,迟早会破坏,所以再加个失效判据准则,这里用Hashin准则(当然还可以加上判断分层的):        
       

       
判断失效后,对单元性能做个大幅度折减就行。        

       
也就是说存在两个折减,一是随时间变化的折减,二是失效后的折减。        
把这个思路嵌入到UMAT中即可。        

模型

接头模型如下,圆孔处的连接件设置为刚体,结构受单向拉伸载荷。        

       
       

       

结果

我们定义一个自变量表征所有失效类型,失效单元标记为红色。80%静强度失效扩展情况如下:        
       

       
疲劳次数从1e4.4983增加到1e4.5250后,失效区域迅速扩展到多层,以加速扩展前的疲劳循环次数1e4.4983作为疲劳寿命。        

       
当然可以采用其他量化的判据,比如失效单元占比。        

如何模拟结构的疲劳失效S-N曲线

为了模拟结构的疲劳失效S-N曲线,我们要先做静强度仿真,得到结构强度载荷。        

       
然后按照静强度的比例,取三到四个点分别进行疲劳仿真,基本可以给出S-N曲线了。        
       

        

来源:静界有限元
Abaqus振动疲劳断裂复合材料二次开发航空航天汽车UM焊接裂纹材料试验
著作权归作者所有,欢迎分享,未经许可,不得转载
首次发布时间:2025-11-22
最近编辑:41分钟前
静界有限元
博士 签名征集中
获赞 25粉丝 0文章 8课程 0
点赞
收藏
作者推荐

不用UMAT也能分析复合材料失效情况?

静力失效的两种分析思路《谈材料力学行为研究的标配—ABAQUSUMAT》一文中,我们介绍了UMAT的一些基本信息,从现在做深入研究和论文的角度来说,研究材料失效似乎已经离不开子程序。然而在工程中,我们常常面临的场景是强度校核,而非一定要把材料失效的点算准。目前对于复合材料的静力失效主要有两种思路:(1)思路一,渐进失效分析。该思路的目标是计算结构的失效极限。对结构逐级加载,并监测失效单元,对加载过程中出现失效的单元进行性能折减,当失效单元数量达到一定程度,载荷变形曲线掉落,此时认为结构失效。(2)思路二,校核安全。在完成应力计算后,采用一定的强度准则进行失效判断,从而确定设计载荷是否满足安全要求。思路一通常适用于结构简单的模型,并需要开发专门的UMAT本构程序,且对单元的使用限制很大。实际的结构件大都铺层较厚,采用该思路需要将每一层进行单独的网格离散,给网格质量控制与生成带来了困难。相比之下,思路二更适用于工程计算。我们今天就给出一个针对复合材料构件校核安全的实现方法。基本思路ABAQUS内置了复合材料壳的2D强度准则。如果是实体单元或者自定义强度准则,就需要我们脱离ABAQUS对结果进行后处理。思路如下图,该思路的适用场景是,单元的层数和实际铺层并不需要对应,即单元层数可以少于铺层数。ABAQUS的铺层模块会根据铺层信息和单向带材料参数,自动完成等效材料参数的计算。上述步思路,一直到“静力分析完成”都是在ABAQUS中完成。后续步骤则需要脱离ABAQUS实现,需要重点解决两个技术问题。需要解决的技术问题1—材料参数等效在已知铺层和单向带材料参数的情况下,我们需要完成铺层后材料的等效强度参数预估,方可代入强度准则进行失效判断。工程上一般采用对称铺层,复合材料力学中也给出了对称铺层的等效弹性模量和强度预测方法。我在实际应用时,引入渐进损伤的思想,逐层进行材料失效的判断,获得载荷应力曲线,取掉落点之前的应力作为失效应力,见下图。这个复合材料强度理论计算程序是用MATLAB编写的。层合板强度预测(横坐标迭代次数,纵坐标为应力/MPa)以下是基于复合材料力学理论方法预测强度的具体描述:求解层合板的极限载荷的计算步骤大致如下:(1)先设定各个外载荷之间比例,即按各载荷分量比例加载;(2)根据各单层板性能,计算层合板刚度。对于对称层合板而言,各单层几何尺寸和材料性能都对称于中面,也就说明对称的层合板中拉伸与弯曲之间不存在耦合关系,即。(3)求各单层在材料主方向上应力与外载荷之间的关系。(4)将各单层应力分别代入强度准则关系式进行比较,确定哪一层单层先破坏。(5)将已破坏的单层板从整体层合板中排除,但仍保持其余单层板的几何位置,重新计算层合板刚度。(6)重复上述过程,计算各层的应力,再用强度理论进行比较,检查其他单层是否破坏,再计算刚度和检查,直到剩下的层合板能继续承受增加的载荷为止,当所有单层板均发生破坏,此时的载荷即为层合板得到极限载荷。如下图所示,1方向为单层板纤维的主方向,下图向与x方向之间的夹角称为纤维方向角。对于角铺设单层板刚度矩阵的形式如下:上图为完整的复合材料强度预测的流程框图,包含输入值与输出值。其中将重点解释如何预测复合材料层合板的强度,即3号、4号以及5号流程框的内容。求解层合板开始发生破坏的失效强度值。由已知的单层板基础力学数据、层合板铺设层数与铺设角度等原始数据计算二维刚度矩阵,并利用转轴公式得出二维刚度矩阵的转换矩阵。暂时只考虑该层合板承受面内载荷的工况,利用二维刚度矩阵转换矩阵可求出拉伸刚度矩阵。对于刚度矩阵求逆矩阵,即可得到其柔度矩阵。将所加载的外载荷按其比例化为。则所加载的外力可利用应力应变公式求出中面应变矩阵,如公式(2)所示,其中,分别为:根据单层板应力应变之间的关系式,可以求解得每一层的应力,根据公式(5)计算出各单层板在材料主方向的应力,将数据带入强度理论准则中,从而解得各单层的失效载荷。进一步比较数据大小,数值较小的为层合板第一失效载荷值。此时求出各层应力大小,并与材料的基本强度数值比较,得到达到材料基本强度大小的应力,该方向即为单层板破坏方向。层合板承受第一失效载荷值后发生破坏,剩余层继续承受载荷并进行第二次计算。移除已发生破坏的单层板,求解削弱后的剩余层合板刚度。应注意单层板破坏方向刚度为0。同时该单层板因有材料主方向破坏而不能抗剪,故。继续计算层合板拉伸刚度矩阵及柔度矩阵。同上述步骤1中相同,继续求应变和应力并带入蔡-Hill强度理论公式,找到下一处破坏位置及方向。继续移除已发生破坏的单层板,将削弱后的剩余层合板重复上述步骤。直到剩下的层合板能继续承受增加的载荷为止。当所有单层板破坏,此时的载荷即为层合板的极限载荷。需要解决的技术问题2—ABAQUS结果提取与失效分布渲染ABAQUS的odb结果文件是无法在外部解析的,这是其自定义的一种类似于数据库的文件。但是ABAQUS后处理模块提供了将结果导出为csv格式的接口。ABAQUS导出的csv格式结果有了这些应力数据,我们就可以代入强度准则进行失效分析了。比如用Tasi-Hill强度准则进行失效因子的计算:F.I.大于1代表结构破坏。此时我们就想把失效因子渲染出来,像ABAQUS后处理结果那样直观。为了实现这个效果,我们需要首先了解云图渲染的原理。在仿真领域,“云图”通常是指一种通过计算机模拟生成的图像或数据可视化工具,简单理解就是用不同的颜色来体现物理量的大小,天气预报中的温度分布就是一种云图。所以云图的渲染需要的基本数据有:(1)点坐标;(2)每个点的物理量;(3)点和点之间的网格关系第三条不是必须的,如果不知道网格关系,可以将颜色渲染到点上。当然知道网格关系以后可以实现连续的颜色过渡。我们通过后处理已经得到了每个点的应力数据,还需要网格和节点坐标数据。这个需要从ABAQUS的inp文件中获取。所以我们还需要写一个inp解析代码,提取节点和网格信息。下一步就需要找渲染工具了。可以用的有MATLAB(编程实现)、Tecplot、其他自编工具。如果使用Tecplot的话,需要了解其格式要求。我是通过VTK库,编了一个三维渲染模块,这个也是目前我们在很多项目中用得最多的。基于VTK自编的渲染模块总结以上过程虽然第一次实现起来需要花一番功夫,但是无论是层合板强度预测工具,还是数据解析、渲染工具,开发出来以后可以重复使用,在后续的项目中用起来就很方便了。实际上做仿真或者开发,其中一个目的是提高自己获取数据的权限和处理数据的权限。要想把仿真做得深入,需要充分了解软件的输入、输出、设定等数据格式,可以说搞透了数据格式仿真基本就搞通了一半。比如ABAQUS的inp文件,最好能达到不借助软件界面,自己编程序定义inp完成网格建模、材料定义、分析步定义、边界条件定义、输出定义的程度。糊里糊涂用软件,糊里糊涂看结果,约等于没有入门。来源:静界有限元

未登录
还没有评论
课程
培训
服务
行家
VIP会员 学习计划 福利任务
下载APP
联系我们
帮助与反馈