首页/文章/ 详情

控制丨清华&608所:氢燃料航空发动机控制关键技术发展现状及趋势

8小时前浏览19

面对全球应对气候变化的紧迫需求,氢燃料航空发动机成为实现航空业可持续发展的重要动力系统。本文介绍了氢燃料作为航空发动机燃料的优势与问题,并阐述了传统发动机转成氢燃料航空发动机后,控制系统面临的挑战。详细探讨了氢燃料航空发动机控制系统历史发展的三个阶段:探索与概念验证阶段、技术开发与试验应用阶段和实用化探索与可持续发展阶段,分析了不同阶段下,氢调节系统、控制系统、控制实验装置的发展。深入分析了现代氢燃料航空发动机控制系统设计的关键技术,包括全工况稳态/动态匹配调节技术、氢气流量控制、安全性、污染物排放控制、轻量调节阀和长寿命液氢泵。探讨了氢燃料航空发动机适航认证面临的多重挑战,包括现有适航法规的不足、氢燃料系统的高风险性、低温液氢存储与输送的技术难题、氢脆化对材料的影响、火灾防护的新需求,以及试验验证的高要求。此外,文章还对该领域未来的发展趋势提出了前瞻性的展望。

关键词:氢燃料航空发动机;控制系统;关键技术;氢调节系统;氢流量精准控制;发展趋势;供氢系统;综述

1

引言

应对气候变化成为全球共识,《巴黎协定》期望将全球平均气温较前工业化时期上升幅度控制在2℃以内,并努力将温度上升幅度限制在1.5℃以内。据国际能源协会统计,2019年世界航空业碳排放总量达到近109t,占碳排放总量的2.8%。到2050年,全球航空业碳排放将增至2019年的2~3倍。氢燃料作为一种清洁能源,其燃烧过程不产生二氧化碳,而且其高能量密度也有助于提高飞行效率和航程。欧盟甚至认为氢动力飞机是实现欧洲2050碳排放要求的唯一途径,欧洲空客公司更是明确表示要在2035年左右实现氢能商用客机服役。因此,研制氢燃料航空发动机对于航空业可持续发展起着关键作用。


氢控制技术被认为是实现传统航空发动机转用氢燃料并保持其安全可靠运行的关键技术之一。氢燃料与传统航空燃料在物理及化学特性上存在显著差异,这些差异对发动机的运行方式与性能表现产生了较大影响。首先,氢气的燃烧速度与温度均高于传统燃料,为了避免发动机超温、降低NOx的生成,氢燃料发动机控制系统必须能够精确调控燃料流量与混合比,从而保持较低的燃烧温度;其次,氢气点火能量低极且易点燃,为了增强氢燃料航空发动机的安全性,需设立更多的安全保护规则,包括氢燃料泄漏检测、回火监测与防护、快速超温保护以及更灵敏的防喘措施等;最后,调节系统中的气/液氢控制与安全保护措施涉及到液氢泵、换热器、稳压阀、放空阀、调节阀与管道吹扫装置等组件,这显著增加了控制系统的整体质量,亟需开发轻质且高可靠性的氢燃料调节系统。由于氢燃料这些特殊的性质,传统的燃油控制系统无法直接应用,需要研究适用于气/液氢燃料的调节与控制系统。


本文在分析美、英、俄、日等国家氢调节与控制系统发展历程的基础上,对氢调节与控制系统的关键技术进行了梳理,并介绍了氢调节与控制系统的未来发展趋势,旨在为后续研究者提供参考。

2

氢燃料特性及带来的控制问题

液氢同时具备高燃料热值和高物理热沉,既能作为燃料,又能作为冷却剂,是燃料换热预冷的理想工质。但是,氢燃料航空发动机的应用仍面临诸多挑战。

2.1 氢调节系统与发动机的耦合问题

氢气和航空煤油的性质对比如表1所示,氢燃料的高物理热沉可用于进一步冷却气体,从而提高发动机的热效率。目前,国内外常用的技术路线就是在航空发动机气路中添加多个换热器,让氢燃料参与航空发动机的冷却过程,从而提高发动机的热效率。但是,在这种构型下控制系统对氢燃料流量的调节直接影响发动机换热效率,进而作用于推力与热效率,并通过闭环反馈进一步影响氢燃料流量。这种耦合效应不仅使得氢燃料发动机在动态调节过程中出现较大的控制误差,甚至导致稳定性问题,尤其是在全包线全工况范围内,氢燃料控制系统的设计将变得异常复杂。

图片  

表1 氢气和航空煤油的性质对比

2.2 氢气的动态非线性变化和高不确定性导致的流量计量不准确问题

目前发动机的机载设备无法携带流量计,因此氢流量的计量只能通过可测量参数进行计算。然而液态氢在大气标准压力下的沸点为20.3K,其低沸点特性使其极易在受热时蒸发,进而形成两相流态,导致其动态特性的时间常数随之变化;同时,氢气流量也会因为温度和压力变化而变化,当温度、压力测量不精确时,流量误差会进一步增大。表2给出了GE公司研究得到的氢气流量不确定性的来源,其中p₈、T₈分别是计量阀前的压力和温度,X₈是计量阀的开度。


氢气流量的动态非线性变化和较高的不确定性导致实际进入发动机的氢气流量和计算的氢气流量相差较大,进而会影响发动机的稳态、动态性能。

图片  

表2 计量不确定性来源

2.3 氢气泄露后导致的爆炸问题

氢气的可燃范围大,贫油极限当量比低,点火延迟时间短,点火能量小,火焰传播速度高,这能够大幅拓宽燃料的贫燃极限。然而,一旦发生泄露,氢气浓度在短时间内飙升,超过爆炸极限后瞬间便能引发剧烈的燃爆事故。若在飞行任务中发生泄露,则会导致严重的空中事故。

2.4 氢燃料的排放问题

氢燃料燃烧虽然无碳排放,但是氢燃烧会产生更高的燃烧温度,研究表明氢燃烧的火焰温度高于传统航空煤油200℃以上;同时氢燃料航空发动机在燃烧后排放的尾气中含有大量的热量及水蒸气,高温的水蒸气会与大气中较冷的干空气接触,当航空发动机羽流中的相对湿度(RH)达到一定程度,便会导致尾迹云。据估计,尾迹云导致的全球年平均辐射强迫(Radiative Forcing)是航空累积二氧化碳排放量的三倍。因此,通过控制手段来降低火焰温度和尾迹云效应是必要的。

2.5 氢调节与控制系统带来的储箱体积过大、超重等问题

传统航空发动机转用氢燃料需要整合一套完整的氢气输运系统,包括液氢泵、换热器、氮气吹扫系统、调节阀、停车阀等设备。这不仅增加了控制系统的质量,也影响了改造后发动机的经济效益。同时,传统航空发动机通常配备两个加压泵,即使其中一个泵失效,飞机也能够继续飞行,因为航空煤油可以仅靠重力流向高压泵,避免了空化现象。但是,在氢燃料发动机中,如果仅有两个加压泵,一旦其中一个出现故障,液氢在管道中气化,会导致高压泵空化,进而引起发动机熄火。因此,为了确保发动机的可靠性,液氢燃料航空发动机通常需要配置两个油箱加压泵以及一个发动机上的高压泵,共计三个泵,但这增加了发动机的质量。

2.6 氢燃烧不稳定导致的发动机温度、压力震荡问题

氢燃料发动机面临的核心挑战之一在于燃烧不稳定性,即燃烧过程中由压力波反射、热释放波动等因素引发的非预期振荡现象。这种不稳定性不仅会降低发动机推力和效率,严重时甚至可能引发结构损伤。这是因为氢气具有如下特性:其火焰传播速度可达传统燃料的10倍,极易在燃烧室内形成压力波共振;宽泛的燃烧极限(4%~75%体积浓度)使稀薄混合气也能自持燃烧,导致燃烧边界难以精准控制;同时,氢气的点火能量小(0.02mJ 量级),使得微小的湍流扰动或温度波动都可能触发异常点火或回火。


为应对这一难题,技术路径可分为被动抑制与主动控制两大方向。被动策略聚焦于燃烧系统的本质优化,包括采用燃料分级技术分阶段注入燃料以平抑热释放峰值,以及通过旋流器与几何构型优化改善混合均匀性。而主动控制技术则通过实时动态调控实现更精准的干预,典型手段涵盖:高频燃料阀实现的流量调制技术,可在毫秒级响应中平衡压力振荡;声学激励器产生的反向相位声波对消不稳定波动;结合压力传感器的自适应反馈系统,可构建闭环控制网络实现燃烧状态的实时修正。


尽管主动控制展现出更高的调控维度与响应速度,但其复杂控制系统带来的可靠性挑战、高频执行机构的耐久性问题,以及多物理场耦合模型的实时计算需求,仍是工程化应用的关键瓶颈。

2.7 换热器集成后带来的热管理系统挑战

氢燃料发动机集成了换热器后面临的挑战主要体现在高温部件的冷却、液氢的预冷和气化、发动机整体的热集成、换热器的小型化和轻量化以及换热器的防冻问题等方面。有效冷却燃烧室、喷嘴等高温部件是保障发动机可靠性的关键,换热器的设计需要考虑到高温气体的传热特性、材料的耐高温性能以及结构的可靠性。若使用液氢燃料,则需通过换热器对其进行预冷和气化,并精确控制换热过程以避免因氢气过早或过晚气化而影响燃烧稳定性。更进一步,氢燃料发动机的热管理还需要关注发动机整体的热集成问题,需要将发动机各个部分的热量进行有效分配和利用,从而提高整个系统的效率。此外,航空发动机对体积和质量的严格要求推动着紧凑高效换热器的设计,这需要采用先进的换热技术并优化结构参数。同时,换热器在高空低温环境下可能面临结冰风险,因此需要采取适当的防冻措施。

3

航空发动机氢调节与控制系统的发展历史

1955年,美国国家航空咨询委员会启动了Bee计划,旨在通过燃烧氢气拓宽发动机的工作边界。20世纪50年代,美国为了增加军用侦察机等飞机的航程,针对氢燃料在军用航空发动机上的应用开展了研究。进行了一些氢燃料飞机的飞行试验并取得成功,这证明氢燃料飞机是可行的。随着全球航空业持续发展,人们开始关注氢在民用航空中的潜在应用。近年来,全球气候变化和对减少航空业碳排放的压力日益加剧,欧盟和美国也推出众多项目,进一步探索氢燃料飞机在商用领域的经济性和环境友好性。总体上,氢燃料航空发动机的发展历程可划分为三个阶段,如图1所示:探索与概念验证阶段、技术开发与试验应用阶段、实用化探索与可持续发展阶段。各阶段的典型氢燃料发动机项目如表3所示。

图片  

表3 各种氢燃料发动机项目

图片  

图1 氢燃料航空发动机发展历史

3.1 探索与概念验证阶段:氢燃料用于增加军用飞机的航程(1955—1989 年)

早期,人们看重氢燃料的高能量密度特性,希望利用液氢增加军用飞机的航程;同时,速度超过马赫数5的高超声速飞机有着巨大的冷却需求,受限于材料技术,必须使用冷却剂来保护飞机结构免受气动加热的影响,并对发动机部件进行主动冷却。而液态氢的高物理热沉,意味着能够提供的冷却能力明显大于其他燃料。因此,这一阶段主要是军方与各大发动机公司进行合作。

3.1.1 NACA改造J65发动机

1955年,Lewis研究中心对美国普惠公司的J65涡喷发动机进行改造,使其既能使用传统燃油,也能使用液氢燃料。系统包括燃料箱、调节器、热交换器和燃料喷射系统。燃料箱在大气压下充满液氢,同时使用氦气加压以提供足够压力的液氢源,升压的目的是为了克服系统中的压力损失,并以足够的压力向燃烧室内喷射气氢,如图2所示。

图片  

图2 B57飞机的调节系统

J65涡喷发动机的主要缺点在于需携带两套燃料调节系统,增加了调节系统的质量和复杂性。限于当时的技术条件,调节与控制系统仍采用机械液压控制,在切换燃料时采用简单的比例换算获得氢气流量,并没有综合考虑调节系统额外增加的重力对飞机推力的影响。其中气氢计量采用了差动减压阀流量调节器,如图3流量计上的膜片承受流经流量测量孔的压降和来自外部指令的力,力的不平衡会造成减压阀的移动,直到流经小孔的压差恒定才会停止移动。根据流量公式

图片  
图片  
图片  

图3 B57飞机所使用的差动减压流量调节器

1957年,配装J65涡喷发动机的B-57轰炸机在高空飞行中实现了液氢燃料的切换运行。

3.1.2 NASA改造J85发动机

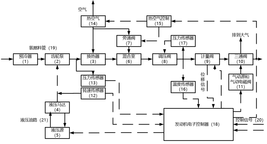
NASA在1970年设计了同样能够使用液氢和液态甲烷两种燃料的调节与控制系统,但仅在J85-13发动机上进行了地面验证,发动机在高达88%转速下仍能稳定运行。其采用的调节系统包括预冷器、液氢泵、换热器、调压阀、计量阀、三通阀等,如图4所示。


调节系统最终的控制目的是能够提供给燃烧室指定温度、压力、流量的氢气,特别是氢气流量的精确控制对于氢燃料发动机的性能十分重要。换热器部分采用高压涡轮冷却气和液氢换热,通过旁通阀控制冷却气换热后的温度、通过调压阀控制阀后压力、通过调节阀进行流量控制、通过控制液氢泵转速进行液氢泵后控制,如图5所示是J85-13发动机调节系统的控制策略,主要控制策略包括:1)控制泵后压力到指定值PpREF,2)控制调压阀后压力到指定值PRREF。通过控制换热器前空气温度Tai和流量Wai可模拟实际飞行过程中的发动机引气。


图中T1是从液氢罐出来的液氢温度,Wfp,Tp,pp代表泵后的液氢流量,温度和压力;WL,Tfo,pfo代表换热器后的气氢流量,温度和压力;W2,T2,p2代表管道后的气氢流量,温度和压力;WR,TR,pR代表调压阀后的气氢流量,温度和压力;WF代表通往发动机燃烧室的气氢流量,Ps3代表来自发动机压气机后的静压信号。

图片  

图4 J85-13发动机的调节系统

图片  

图5 J85-13发动机调节系统的控制策略

此外,还包括一些安全保护装置和控制算法,如液氢泵超转限制保护、利用三通阀在发动机出现超温或超转时将氢气直接排往大气。


但该测试仅进行了地面测试,且液氢泵的性能限制了最大氢气流量和可用的发动机功率。

3.1.3 苏联改造TU-155进行实验性飞行

1980年,Tupolev将一架图-154商用喷气发动机改装为图--155飞机,该飞机包含18m3的液氢罐,以及一个改装后能同时使用液氢和液化天然气的NK-88发动机。根据泵驱动方式的不同,调节系统可以分为两类:开环控制和闭环控制方案,如图6所示。开环系统中,泵通过额外的能量驱动;闭环系统中,氢气本身是能量的来源,液氢在泵后被供应到热交换器,经热交换器加热到所需的温度后进入气氢涡轮(气氢涡轮用于驱动泵),最后经喷嘴进入发动机燃烧室。闭环系统的优势在于具有很高的经济性,因为加热后的氢气具有很高的可使用性,并且可使用蒸汽-氢涡轮去驱动飞机和发动机的各种附件。

图片  

图6 图-155飞机上的调节系统

为了避免氢气泄漏,燃料段可用氮气或者空气净化。飞机还包含一个氦气系统,氦气冷凝温度比液态氢温度低,可用于管道吹扫以及氢燃料系统阀门的控制。


1988年,图-155飞机的首次成功试飞验证了飞机使用液氢和液化天然气燃料的可行性,图155也成为唯一一架全程使用氢燃料进行试验飞行的飞机。但在初始测试期间,当氢气以低于60K的温度进入燃烧室时,出现了明显的不稳定现象,该项目后续也将重点转向了LNG。


综上所述,在探索与概念验证阶段中,美国和苏联都对氢燃料发动机进行了大量的研究,确定了在军机中使用液氢作为燃料的能力和潜力,建立了氢燃料发动机的一些基本设计原则。且多数研究都进行了地面验证、实验性飞行等工作,表明氢燃料飞机的可行性,即液氢经过适当的、谨慎的程序来处理,可以像传统的碳氢化合物燃料一样使用。

3.2 技术开发与试验应用阶段:氢燃料在民用航空中的应用得到关注 (1990—2015年)

随着石油能源危机的逐渐缓解和氢燃料在军用航空发动机上应用前景的相对黯淡,全球对氢燃料航空发动机的应用研究步入了一段低谷期。国际上的研究转向了实验机和原型机测试,主要解决了氢燃料的高效利用及安全性问题,以及燃烧室优化设计问题。

3.2.1 洛克希德公司对民用涡扇发动机改液氢方案研究

1991年,Brewer出版了专著,详细介绍了飞机制造商洛克希德公司基于经典传统民用涡扇发动机(CFM56-5B)所设计的供氢系统的设计细节。不同于探索与概念验证阶段中广泛采用的双燃料调节系统构型,洛克希德公司设计了一款纯液氢燃料调节系统,其基本结构如图7所示。其包含四个储氢罐,分别为四台发动机提供动力;电动增压泵(位于液氢罐中),可以给高压泵入口提供正的吸入压力;高压泵通过发动机的变速箱机械驱动,起飞条件下可以产生4700kPa的压力;两个热交换器,一个热交换器的热源来自冷却气和发动机滑油,另一个热交换器位于低压涡轮后,目的是提高氢气进入燃烧室的温度,在巡航状态下,氢气温度会从50K升到677K。

图片  

图7 洛克希德公司所采用的调节系统

在专著中还分析了氢气、甲烷、JetA、JP-4这四种燃料的安全性,提出了发生内部氢泄露的危险性。图8所示是洛克希德所采用的发动机控制系统。

图片  

图8 洛克希德公司所采用的发动机控制系统

3.2.2 欧盟资助的CRYOPLANE项目

2000年,欧盟资助了CRYOPLANE项目,在氢燃料航空发动机控制技术领域和燃烧室优化设计领域取得了重要进展,该项目通过将发动机控制和氢燃料的计量单元集成在同一个控制器上,避免了计量单元额外的控制设计,显著提高了系统的整合度和操作效率。


此外,CRYOPLANE项目资助法国斯奈克玛公司(现赛峰飞机发动机公司)对关键组件如液氢高压泵、氢燃料调节阀和氢燃料换热器进行研制,这些组件是实现高效和安全的氢燃料航空发动机控制系统的核心部分。亚琛大学主要负责燃烧室设计和排放部分,同时也涉及供氢管道以及计量装置的控制(图9)。调节系统包含计量阀、截止阀,以及保证调节系统的安全性的阀,如过压阀、三通阀等。其研究还对计量阀的动态特性提出了要求,由于APU从89%转速加速到99%加速,加速时间大概是2.5s,鉴于此APU的加速动态响应,计量阀全量程移动的时间应小于1s。

图片  

图9 APU GTCP36-300所使用的调节系统

2010年亚琛大学在设计预混燃烧室时,也提及了氢燃料流量的控制方法,和传统航空煤油发动机类似,该计量装置也采用开度控制的方式,在多功能发动机控制箱(Versatile Engine Control Box,VECB)中集成了一个额外的PID控制器,如图10所示。专门进行计量阀开度控制,避免了额外的计量单元控制回路。通过试凑法设计的PID控制器,能实现开度控制回路的快速响应。

图片  

图10 APU GTCP36-300所使用的氢气计量装置

项目特别强调了氢燃料发动机在起动过程中更容易超温的问题,这一点对于控制系统的设计具有重要意义。为了避免发动机起动过程超温,需要研究起动过程中氢气流量的精确控制方法。此外,该项目确认了氢燃料发动机需开展的一系列安全性测试,包括储氢罐损坏(如坠落、火灾、受力、挤压、射击等)后的影响、材料的氢脆行为、阀门、连接件及密封件材料在低温环境下的适用性,以及调节系统内氧气积累的风险评估等。


总的来说,CRYOPLANE项目整合了当时欧洲众多高校和公司的技术,研究围绕氢燃料发动机的实际应用展开。


综上所述,在技术开发与试验应用阶段,欧盟也加入了对氢燃料航空发动机的研究,且各国对飞机部件(如飞机上储氢罐的配置)、对机场相应的配套措施的研究(如机场燃料分配系统、燃料卸载设施、维护设施、坠毁时的火灾风险等)的相关研究的兴趣也有所增加。

3.3 实用化探索与可持续发展阶段:氢燃料发动机的研发重点转向了经济性和环境友好性(2016—至今)

自2016年起,全球气候变化和对减少航空业碳排放的压力日益加剧,导致氢燃料发动机在商用客机应用的研究迅速成为热点。不同于之前主要以军用为主的氢燃料发动机研究,现代氢燃料航空发动机的研发重点转向了经济性和环境友好性。科学家和工程师们致力于优化氢燃料发动机的设计,以降低成本并满足更为严格的环保标准,并提出了明确的氢燃料客机服役计划。计划包括改进燃料效率、减少氮氧化物(NOx)等有害排放物的生成,并探索更高效的氢储存与输送技术。此外,氢燃料发动机的研究同样强调对现有航空基础设施的兼容性,以及提高整个航空系统的能源转换效率。

3.2.1 欧盟启动的ENABLEH2项目

2018年,欧盟启动了ENABLEH2项目,如图11所示是ENABLEH2项目的调节系统。


项目提出了让氢燃料参与航空发动机循环的间冷回热构型,这可以提升整个发动机的效率,从而抵消增重和存储传输系统带来的负面影响。该研究发现了处于中压压气机前的预冷器几乎不提高发动机整体的性能,且如果进入的空气很潮湿,预冷器内的叶片结冰的问题也会很严重;而位于中压压气机和高压压气机之间的换热器对发动机的性能有积极的影响。

图片  

图11 ENABLEH2项目的调节系统

3.3.2 普惠公司提出的HySIITE构型 

2021年,美国普惠公司提出了氢蒸汽喷射间冷发动机HySIITE,它将氢燃料的低温特性优势与蒸汽注入带来的热力学优势相结合。其基本结构如图12所示。HySIITE是一个氢燃料涡轮发动机,空气进入发动机后部的小型逆流核心机,驱动风扇,然后通过蒸发器、冷凝器和水分离器排出。

图片  

图12 HySIITE的调节系统构型

MTU的DINA2030⁺项目中的蒸汽注入和回收发动机(steam injecting and recovering aero engine,SIRA)概念与普惠的HySIITE类似,MTU在2022年直接与普惠公司合作发起了水增强涡扇发动机项目(Water-Enhanced Turbofan,WET),继续推动该概念的工程化。

3.3.3 克兰菲尔德大学提出的带有并行氢气燃烧 (PHC)系统的调节系统

2024年,克兰菲尔德大学提出了一个带并行氢气燃烧(PHC)系统的调节系统,如图13所示。PHC的主要优势在于两点。其一,PHC可以提供额外的能量;其二,PHC可以主动控制氢燃料注入燃烧室的状态。该想法源于2009年克兰菲尔德大学为CRYOPLANE项目设计的氢燃料发动机循环中的顶层循环,其优势在于能提供额外的能量,起飞阶段推力可以提高 7%,耗油率可以降低1.2%。但当时该构型被舍弃了,因为存在如下原因:一是进入顶层循环涡轮的气体是高温的富燃料混合物,这种气体不能从涡轮喷嘴和转子之间流入圆盘和机器的轴承区域,否则会造成迅速和灾难性的损坏。因此,必须从外部泵入一些气体以密封喷嘴-转子间隙;二是需要携带惰性气体,增加了系统复杂度;三是还增加了旋转部件。但随着技术的成熟,克兰菲尔德大学重新考虑了该构型,PHC模块的主要功能是将储存在LH2储罐中的低温H2调节到适当的压力和温度水平。PHC模块由空气路和氢气路组成。空气经歧管下游的压力调节器调节后进入换热器;液氢经液氢泵增压后压力提高到一定值,从而达到超临界状态,后经换热器加热后达到目标的温度水平,加热后的氢气分成两部分,一部分进入发动机主燃烧室(PC),一部分进入第二燃烧室(SC)。

图片  

图13 PHC系统结构图

3.3.4 FH Joanneum大学提出的调节系统

2024年,Fynn Thilker提出了一种新的调节系统构型,如图14所示。不同于以往调节系统在气氢状态进行流量控制,该系统在液氢状态进行流量控制,大大降低了流量控制的复杂度,这同时也是Combustion Bay One公司所提议的构型。

图片  

图14 调节系统原理图

3.3.5 国内发展现状

国内对于氢发动机的研究起步较晚,中国航发湖南动力机械研究所在2022年分析了氢燃料发动机技术及发展趋势,总结了氢燃料燃烧、氢燃料控制、氢损伤等关键技术难点,表明了开展氢燃料航空发动机研制工作,将极大促进我国“双碳”战略的实施。2021年,中国航发湖南动力机械研究所实现了国内氢燃料航空燃气涡轮发动机首次点火试车,2024年于国内率先实现兆瓦级氢燃料涡桨发动机整机性能达标。


中国航发沈阳发动机研究所与北航林宇震教授团队,以航空发动机和地面燃机低污染排放燃烧室为应用对象,创新提出了一种氢气蜂巢仿生微混扩散燃烧室方案,获得了低污染排放最优的设计方案。


清华大学成立了氢燃料发动机联合研究中心,已经取得了多项重要性进展,清华大学的任祝寅等设计了气体燃料混合燃烧器,通过2个混合通道使燃料和空气混合更均匀,降低了NOx排放。清华大学的王曦婷及其团队在氢燃料航空发动机领域取得重要突破,开发了基于粒子群优化的自适应建模技术,构建了高精度动态模型,其发动机转速的稳态误差控制在2.35%以内。其创建的模块化仿真平台支持多构型发动机性能对比,为氢能航空动力技术提供了关键理论支撑。清华大学的肖庭宇及其团队提出了一种基于模型设计(MBD)的氢燃料涡喷发动机控制系统开发方法。通过系统分解设计流程,结合仿真与硬件在环测试,实现了控制系统的并行设计与优化,在大氢气流量条件下,和实验数据对比,发动机转速的相对精度误差低至0.1%。在潘萌霓的研究中,针对氢燃料航空发动机中氢流量测量不确定性和发动机性能退化的问题,提出了一种鲁棒内模转速控制算法,相较于传统PI方法,显著提升了系统的鲁棒性。


综上所述,在实用化探索与可持续发展阶段中,氢发动机的研究又迎来了繁荣期,特别是欧洲各国成立了多个项目进行关键技术攻关,部分项目已完成对氢燃料航空发动机的测试。如赛峰集团就成功对用于轻型航空的首款液氢涡轮发动机TP-R90进行了测试。我国虽起步较晚,但也在氢涡桨发动机领域取得了突破成就。这一阶段,各国更关心氢发动机的环境适用性。随着氢燃料NOx排放问题的显现,带有冷凝器、水箱结构的调节系统也逐渐增多。

3.4 小结

以上介绍了几种典型的氢燃料发动机调节与控制系统研究方案,其主要结构特征如表4所示。从中可见:

(1) 大部分调节系统的结构都很类似:包括液氢罐、增压泵、液氢泵、换热器、氢气计量装置、隔热、泄露装置等,所不同的是部件的类型和所选取的设计参数。


(2) 燃料控制和管理系统更简单:早期调节系统使用双燃料供应线(尤其是同时使用其他燃料和氢气)以及复杂的燃料计量系统来管理不同飞行阶段的燃料流量,如今各大项目均只含一套燃料供氢装置。


(3) 换热器位置更加灵活:随着换热器技术的提高,国内外的研究更希望利用多级换热器进一步冷却气体,从而提高发动机的热效率。


(4) 氢气计量装置经历了机械液压阶段到数字电子控制器的阶段,和航空发动机控制系统的发展阶段相吻合。

图片  
图片  

表4 调节系统结构对比分析

4

氢调节和控制系统的关键技术

随着氢燃料航空发动机的应用重点从最初的军事用途转型到现代商业客运,实现航空发动机的氢燃料运行已不再是调节与控制系统的唯一目标。参考上述氢燃料发动机调节与控制系统主流方案的发展经验,在调节与控制系统的研发中应当着重注意以下几方面的关键技术:换热器集成后的稳动态调节技术、氢气流量精确控制、更严苛的安全保护要求。

4.1 氢燃料发动机全工况稳动态匹配调节技术

与传统航空发动机相比,氢燃料发动机调节系统会由于一系列额外的泵阀等组件的引入,导致系统总体质量的增加。为了优化推进系统的效率,现代氢燃料发动机设计广泛采用间冷回热等构型,通过在气体流路中集成换热器构建复杂的热力性能循环。因此,总体性能设计的关键在于全工况范围内预冷系统与发动机总体性能的稳态和动态匹配。

如Di Loreto所述,当发动机推力发生变化时,实现对氢燃料的精准温度控制变得尤为困难,燃料温度的波动也会对燃烧效率和发动机性能产生显著影响。因此,有必要开发更为先进的控制策略,以确保氢燃料流量和温度的精准调节,从而优化发动机的整体性能和稳定性。

在稳态匹配方面,2018年,欧盟启动了ENABLEH2项目研究了换热器在发动机上的布置情况对氢燃料发动机性能的影响,研究对象包括四个换热器:预冷器位于风扇和中压压气机之间,中冷器位于中压压气机和高压压气机之间,涡轮冷却气换热器位于机匣内,再热器位于低压涡轮后。换热器的引入参与发动机的热力循环,对发动机的稳态性能有很大影响。研究采用了GESTPAN建立发动机模型,采用REFPROP代码模拟气体性质,为了不增加迭代的级别,氢调节和控制系统的加入等价于在热力设计点迭代中增加额外的方程。研究阐述了不同换热器设计的尺寸对压力损失和对发动机性能的影响,阐明了中冷器可以优化发动机循环,降低耗油率;而预冷器由于叶片结冰问题不值得进一步研究。


在动态调节方面,罗罗公司提出了一种热管理构型能够主动控制调节系统中氢气的状态,而不是被动地依赖发动机的性能。罗罗公司研究发现了燃烧室入口处适当的氢气温度对于确保燃烧室稳定运行至关重要,提出了一种带有并行氢气燃烧(PHC)系统的氢调节与控制系统,其中一部分氢气流与发动机压缩引气流在一个二级燃烧室内燃烧,控制PHC系统可控制出口温度恒定。二级燃烧器排出的热废气经下游热交换器,将热量传递到主燃料管道。该解决方案使设备相对紧凑,具有安装优势,有助于主机起动、瞬态管理,并提高氢气调节系统的整体运行安全性。

4.2 氢气流量精确控制

图片  
图片  
图片  

图15 Andrew Plummer提出的调节系统

图片  

图16 Andrew Plummer提出的基于模型的架构

弗吉尼亚理工大学提出的调节系统如图17所示。他们采用气动球阀作为调节阀,高压氢气(15857.95kPa)经减压调节阀降压后压力降低到5515.81kPa,与系统进料压力相对应。通过控制下游的调节阀前压力就能控制进入发动机的氢气流量。因为氢气经过歧管达到喷嘴,在喷嘴处氢气处于壅塞状态,因此氢气流量和进料压力呈线性关系。


对于氢涡桨发动机功率控制和氢气流量控制,研究团队采用了级联控制的架构,如图18所示。其桨叶转速控制和进料压力控制均位于功率控制回路内,最外环是涡桨发动机的功率控制。

图片  

图17 弗吉尼亚大学提出的调节系统

图片  

图18 功率和压力级联控制

Khan提出了氢气计量系统必须配备两相流监测功能,确保燃料供应的连续性和稳定性。两相流的流动模式的不稳定会引起压力脉动、振动以及流量波动,对发动机的运行可靠性和使用寿命造成不利影响。因此,两相流的精确建模与控制对于优化发动机性能至关重要。

4.3 更严苛的安全保护要求

由于氢气的易燃易爆特性,任何泄漏或错误操作都可能引发严重的安全事故,发动机燃料系统需要进行启停前后泄露测试和增设紧急切断机制等保护措施。在氢燃料航空发动机的设计中,保护系统的精确性和响应速度是至关重要的。该系统不仅需要具备快速响应潜在异常的能力,而且还应当具有预测性预判功能,以便在异常发生之前即可采取相应的保护措施。


2009年,桑迪亚国家实验室(SNL)研究了储存系统中意外和预期的液态氢泄漏的建模方法。他们提出了基于平衡的高斯混合模型,可用于预测产生的氢气射流的特性和轨迹。研究了两种不同的泄漏条件,分别命名为“慢速”和“快速”。慢速泄漏建模涉及储存容器中微观裂缝引起的泄漏。快速泄漏模型侧重于描述相对较大孔径的氢释放。他们开发了一组湍流混合模型,分析了氢气泄漏的不同区域,并提出了相应的理论模型来描述氢气的流动行为。


2022年,日本宇宙航空研究开发机构提出了检测氢泄露的新方法。传统的红线判断方法对于检测微小泄漏是困难的,因此维护和检测成本高。研究旨在通过监督式方法,优化传感器布置,利用监督学习技术实现对燃料泄漏的准确检测。文章介绍了监督方法和无监督方法的区别,强调了监督方法在利用正常和故障数据进行故障检测方面的重要性。


2022年,FlyZero项目提出需要在燃料箱附近的区域而不是燃料箱本身安装惰化系统。氢气泄露后储罐和燃料管道附近的区域将含有一定比例的氢气,因此这些区域存在火灾和爆炸风险。为避免该风险,需要在燃料箱附近的区域安装惰化系统,使氧含量低于规定的水平。


综上,介绍了氢调节和控制系统面临的三大关键技术。为了解决上述问题,可通过主动控制技术应对换热器的耦合问题;通过多变量控制技术实现氢流量的精确控制;通过基于机理或数据的方法建立泄漏模型,从而进行故障诊断。

5

氢燃料发动机适航认证方面的挑战

目前,针对氢燃料航空发动机的适航条款尚未完全形成,但是形成了针对氢燃料电池飞机的适航条款。2017年,美国联邦航空管理局(FAA)的能源供应设备航空规则制定委员会发布了一份报告,提出了关于运输飞机上氢燃料电池适航标准的调查结果和建议。


从有关氢燃料航空发动机适航认证的文献中可总结出以下几点挑战:

(1) 现有适航法规的不足:现有的适航法规并未完全覆盖氢燃料发动机的特殊需求,尤其是氢燃料的易燃性、低温特性以及氢脆化等问题。Jézégou等强调需要新的特别条件(SC)和法规更新,以应对氢燃料系统的独特挑战。


(2) 氢燃料系统的安全性:氢燃料系统在安全性方面面临众多挑战,特别是氢气泄漏、火灾和爆炸风险。Jézégou等提到氢气泄漏检测和火灾防护是关键问题,因为氢气的高扩散性和低点火能量使其极易引发危险。肖庭宇等讨论了液氢输送管道的耐火性和泄漏风险,指出需通过严格的测试确保系统的安全性。Sefain进一步提出需开发专用的氢泄漏传感器和防火系统,以应对氢燃料的高可燃性。

(3) 低温液氢存储与输送的挑战:液氢的极低温度对材料和设备提出了更高要求,Jézégou等提到现有试验设施并不具备测试液氢所需的低温条件,因此需要建立超低温燃料系统。肖庭宇等讨论了预冷装置的结冰问题和低温环境下的结构强度,指出需设计温度控制系统以防止结冰,并进行结构强度评估以应对可能的撞击风险。Spencer等强调低温液氢储罐的隔热和耐撞性,特别是在迫降过程中可能面临的冲击问题。另外,氢燃料储罐应放置在不会对后重心限制、静稳定裕度、操纵品质、燃料耗尽后的控制以及陆地或水上紧急迫降时的拉平操作产生不利影响的位置。Sefain提出了需重新定义燃料温度标准防止水汽冻结,复合材料机身需额外导电设计,禁止客舱内铺设氢燃料管线。

(4) 材料与结构的适航性:众多研究都指出氢脆效应对材料和结构的影响,以及需要开发抗氢脆材料。Jézégou等提到氢脆化可能影响机体材料的长期可靠性,Sefain进一步提出需选择抗氢脆材料并采用失效安全设计,以确保氢燃料系统的长期可靠性。除了氢脆问题外,肖庭宇等还提出了热应力问题:涡轮冷却气预冷装置的过度冷却可能导致涡轮叶片及其他热端部件产生过大的温度梯度,引发热应力问题。需通过温度场和热应力计算确定合适的冷却气体温度范围,并设置预冷控制逻辑,确保冷却气体温度在安全范围内。

(5) 火灾与爆炸防护:氢燃料的高可燃性和低点火能量会带来火灾与爆炸风险,Jézégou等提到需要新的灭火策略,因为现有灭火系统可能无法有效应对氢火焰。肖庭宇等讨论了液氢输送管道的耐火性,指出需进行火焰耐受性测试确保其安全性。Spencer等提出可采用惰性气体吹扫和氢气浓度控制的方法,可有效防止氢气爆炸。Sefain则建议采用专用氢燃料灭火器和双层真空管道设计,以增强火灾防护能力。


(6) 试验与验证要求:氢燃料发动机的适航认证需要新的试验设施和验证方法。Jézégou等提到需要超低温燃料系统、防爆测试设施和泄漏检测设备,以应对氢燃料的特殊测试需求。肖庭宇等强调环境测试、火焰耐受性测试和振动测试,以确保系统在各种条件下的可靠性。Sefain则提出极端环境组合测试和绝缘完整性监测,以全面验证氢燃料系统的适航性。


(7) 国际标准化与协调:Sefain提出了需要进一步开发全球统一的测试和认证标准,以减少不同国家和地区之间的法规差异,推动氢燃料技术的国际化发展。


(8) 乘员保护与紧急撤离:Jézégou等提到液氢燃料箱的布局可能影响逃生和火灾防护,特别是在紧急情况下。Spencer等强调迫降过程中乘员的窒息风险,指出需确保液氢储罐的隔热和耐撞性以保护乘员安全。Sefain则提出需在90s内完成44+乘客疏散,并开发专用氢泄漏传感器以增强乘员保护能力。

6

氢燃料发动机氢调节与控制系统的未来发展趋势

氢调节与控制系统的研究起步较早,近年来相关研究取得了显著进展。未来氢调节与控制系统仍面临一些尚待解决的技术问题,图19总结了氢燃料飞机氢调节与控制系统的未来发展趋势。

图片  

图19 氢燃料飞机氢调节与控制系统的未来发展趋势

6.1 长寿命液氢泵

在航天领域,低温泵技术已得到有效解决,主要得益于航天任务对泵的运行时间要求较短,对泵的使用寿命要求较低,同时对液氢的流量需求较大。相比之下,航空领域的应用场景则要求低温泵能够可靠地工作数小时甚至更长,并且拥有数万小时的使用寿命,同时还需要能够处理相对较小的流量。

为了避免高压泵的空化现象,低温液氢增压泵需要以足够的压力将氢气输送到高压泵。为了达到氢燃料发动机燃烧的要求,高压泵需将氢气压力提升至高于燃烧室压力的水平,并且在发动机起动期间必须兼容更高的燃料温度(蒸汽处理)以及较低润滑性的燃料,且具备可接受的使用寿命。


研究人员需要开发出更轻便、更高效、且能够适应长时间运行和小流量处理的低温泵技术。此外,还需要优化氢气输运系统的设计,以减轻质量并提高系统的整体经济性。

6.2 轻质量快速调节阀

在某些工况下,调节阀需要非常高的循环寿命和快速的动作时间,并且需解决氢气的低润滑性问题。因此需要开发出轻质量快速调节阀。

6.3 液氢主动存储管理系统

目前大多数液氢储存罐依赖于被动绝缘系统(泡沫或真空)以保持燃料在低温状态。主动冷却方案提供了通过机载系统管理燃料温度(进而影响压力)的潜力。其通过加压和通风系统主动管理压力和温度,确保飞机安全。通过加压系统增加液氢压力,加热并气化液氢后再将气态氢注回储罐,以在需要时增加储罐压力。通过通风系统在达到临界储罐压力时提供过压保护。如果能够开发出质量轻、低功耗、高效率和可靠的系统,则可优化储罐在飞行和地面静态期间的性能。


液氢罐中的液体晃动会增强液体与气体氢之间的热传递,导致储罐压力降低,并对储罐壁和隔板结构产生过大的负荷,出现与机械载荷(压力循环)、低温和氢脆性相关的问题。理解氢气晃动的影响对于优化储罐设计和储罐压力控制方法至关重要。

6.4 泄露检测系统

燃料系统需具备泄漏检测和管理能力,以确保安全并及时切断燃料供应。需要主动通风或采取惰性保护措施,以降低可燃性风险,并进行结构健康监测。需进行泄漏点燃和灭火系统有效性的测试,并评估通风速率对防火的影响。可采用光纤布拉格光栅检测温度变化和管道应变,传感器的数据将用于燃料管理、预测维护和自我评估。

7

结束语

(1) 液氢同时具备高热值和高热沉,既能作为燃料,又能作为冷却剂,是燃料换热预冷的理想工质。但是,氢燃料航空发动机的应用仍面临诸多挑战:如氢调节系统与发动机的耦合问题、氢气的动态非线性变化和高不确定性、可压缩性导致的流量计量不准确问题、氢气泄露后可能会导致的爆炸问题、发动机的排放问题、氢调节与控制系统带来的储箱体积过大、超重等问题、氢燃烧不稳定导致的发动机温度、压力震荡问题、换热器集成后带来的热管理系统挑战。


(2) 氢调节与控制系统的发展历史经历了三个阶段:在探索与概念验证阶段,确定了在军机中使用液氢作为燃料的能力和潜力。在技术开发与试验应用阶段,国际上的研究转向实验机和原型机测试,主要解决了氢燃料的高效利用及安全性问题,以及储氢技术和燃烧室优化设计问题等。在实用化探索与可持续发展阶段,各国更关心氢发动机的环境适用性,提出了许多带有冷凝器、水箱结构的调节系统构型。

(3) 传统航空发动机转用氢燃料,在调节与控制系统的研发中应当着重注意以下几方面的关键技术:换热器集成后的稳动态调节技术、氢气流量精确控制、更严苛的安全保护要求。


(4) 氢燃料发动机适航认证面临多重挑战,主要包括现有适航法规的不足、氢燃料系统的高风险性(如泄漏、火灾和爆炸)、低温液氢存储与输送的技术难题、氢脆化对材料的影响、火灾防护的新需求,以及试验验证的高要求。此外,国际标准化与协调、乘员保护与紧急撤离的特殊考虑,以及应对特殊风险的专门措施也是关键问题。


(5) 未来氢调节与控制系统的发展将朝着高可靠性、长寿命、轻量化的趋势发展,液氢罐的主动控制系统和减重设计也是未来氢燃料航空发动机应用需要解决的一大问题。

声明: 本文来源于网络, 仅供交流分享, 若涉及版权等问题请留言, 我们会及时处理

来源:两机动力先行
振动复合材料非线性燃烧化学燃料电池湍流航空航天电子UM理论材料仿生
著作权归作者所有,欢迎分享,未经许可,不得转载
首次发布时间:2025-11-12
最近编辑:8小时前
两机动力先行
其它 聚焦航空发动机/燃气轮机关键技术...
获赞 100粉丝 121文章 427课程 0
点赞
收藏
作者推荐

涡轮丨金属所:高推重比下航空发动机涡轮叶片单晶高温合金/热障涂层体系的应用研究进展

随着先进航空发动机对于高推重比和高服役可靠性的追求,不断对涡轮叶片材料工艺选用提出更高的要求,采用以镍基单晶高温合金作为基体,叶身外表面涂覆热障涂层的涡轮叶片已成为先进航空发动机的典型特征。镍基单晶高温合金和热障涂层材料的研发、镍基单晶高温合金/热障涂层体系的考核评价是保障涡轮叶片工作安全性的关键,是当前航空发动机领域的研究热点之一。本文对涡轮叶片用镍基单晶高温合金、热障涂层材料的研究及应用情况进行了详细介绍,简要介绍了镍基单晶高温合金/热障涂层体系的考核评价及失效机理研究进展,并从单晶基体/金属底层界面匹配性、新型金属底层和陶瓷面层研发以及考核评价等方面阐述了涡轮叶片用镍基单晶高温合金/热障涂层体系的研究重点,以期为充分发挥镍基单晶高温合金/热障涂层体系使用潜力提供参考。关键词:镍基单晶高温合金;热障涂层;评价;界面;失效机理涡轮叶片是航空发动机的核心部件,其承温能力是提升发动机性能、效率、可靠性的关键技术指标,一般认为提高涡轮进口温度是提高航空发动机效率的有效方法,目前推重比为10的发动机涡轮进口温度已达1580~1650℃,这就导致涡轮叶片实际使用温度越来越高。涡轮叶片所需要的高温性能70%~80%依靠材料的改进,目前采用以镍基单晶高温合金作为基体,叶身外表面涂覆热障涂层的涡轮叶片已成为先进航空发动机的典型特征。镍基单晶高温合金因消除了晶界高温下的薄弱环节,且随着 Re元素含量的不断提高,工程应用的镍基单晶合金最高使用温度可达1100℃,热障涂层(thermal barrier coating,TBC)涂覆于涡轮叶片表面,能使涂层表面与涡轮叶片基体间产生超过100~170K的温降,同时具有优异的抗氧化腐蚀性能,为进一步提升涡轮叶片的承温能力,具有更高使用温度的镍基单晶高温合金和新型热障涂层材料的设计、制备是当前航空发动机领域的研究热点。值得一提的是,为了获取镍基单晶高温合金/热障涂层体系的相关性能数据以支撑其在航空发动机上的工程应用,尤其是在高代次单晶合金或新型热障涂层试制阶段,热震实验、抗CMAS腐蚀实验、燃气热冲击实验等试样级、零件级考核评价是必不可少的环节。除此之外,随着航空发动机试车状态的增大和试车时长的累计,涂覆热障涂层的涡轮叶片存在局部剥落和表面附着CMAS(CaO-MgO-Al₂O₃-SiO₂混合物)等问题,国内外相关研究人员从单晶基体/金属底层界面、金属底层/陶瓷面层界面以及CMAS侵蚀等方面开展了失效机理研究,为镍基单晶高温合金/热障涂层体系匹配性优化、性能提升设计提供指导,进而保证其工作可靠性。本文详细介绍了镍基单晶高温合金和热障涂层的研究及应用,综述了镍基单晶高温合金/热障涂层体系考核评价方法以及失效机理研究进展,并对今后涡轮叶片用镍基单晶高温合金/热障涂层体系的研究重点进行了展望。1镍基单晶高温合金的发展及应用镍基单晶高温合金具有优异的蠕变、疲劳、氧化及腐蚀抗力等综合性能,是目前制造先进航空发动机涡轮叶片的主要材料。为了满足高性能先进航空发动机的使用需求,各国十分重视镍基单晶高温合金的设计和开发,形成了各自的单晶合金体系,极大地促进了镍基单晶高温合金的发展。自20世纪70年代成功研制出第一代单晶高温合金PWA1480,并成功应用于PW2037,JT9D-7R4等军民用发动机的涡轮叶片,引发了开发单晶高温合金的热潮,相继出现了与PWA1480性能水平相当的CMSX-2,SRR99,René N4,KC-26Y等多个第一代单晶高温合金,第一代单晶高温合金之间的主要区别在W,Mo,Ta等元素含量的不同,并且几乎完全弃用C,B,Hf等降低合金初熔点的晶界强化元素。目前,国外应用最成熟的是以CMSX-4,René N5和PWA 1484为代表的第二代镍基单晶高温合金,第三代镍基单晶高温合金René N6,CMSX-10,TMS-75等,其中报道较多的是CMSX-10(RR 3000),20世纪90年代即在国外多型发动机上进行了实验验证,已应用于航空发动机涡轮叶片。21世纪初,随着合金设计水平的提高和生产工艺的改进,日本国立材料研究所(NIMS)通过调整合金中Re和Ru含量,研发出TMS-138(第四代)、TMS-196(第五代)和TMS-238(第六代)等一系列综合性能优异的单晶合金,但仍处于实验室阶段,尚需解决铸造性能、组织稳定性、成本等一系列问题才可实现工程化应用。值得注意的是,在单晶合金的发展中,Re是一个典型的合金元素,第二、三代单晶高温合金Re含量分别达到3%(质量分数,下同)和6%,显著提高了合金的高温强度和抗氧化性,但因为Re是强TCP相形成的元素,所以降低了合金组织的稳定性,从而影响合金的高温持久性能;另一方面,Re是一种非常昂贵的合金元素,无Re合金的成本至少要比含3%Re合金低50%。Ru是第四代单晶合金的代表性元素,其主要作用是抑制TCP相形成,提高组织稳定性,进而提高其他强化元素含量的调整空间以获得更高的蠕变强度。除此之外,早期的单晶合金去除C,B,Hf等晶界强化元素,以增大热处理温度范围,但随着涡轮叶片尺寸的增大以及内腔结构的复杂化,涡轮叶片精铸件的单晶完整性控制变得十分困难,往往存在小角度晶界等缺陷,降低单晶合金力学性能。为保证涡轮叶片工作可靠性及单晶涡轮叶片精铸件合格率,高代次单晶高温合金中开始限 量使用C,B,Hf等元素,并对C,B,Hf的作用机制开展了深入研究。我国单晶高温合金的发展基本沿用国外研制思路,通过开展测仿和自主创新,成功研制出与国外PWA 1480力学性能水平相当的第一代单晶高温合金DD3,DD8等,并实现工程应用。20世纪90年代末,成功研制出自主知识产权为2%Re低成本的第二代单晶高温合金DD6,并试制了仿René N5的、DD5、仿PWA1484的DD412,仿ЖC32的DD32等第二代单晶高温合金。与国外应用情况相似,目前国内应用最广泛的是以DD6,DD5等为代表的第二代镍基单晶高温合金,DD9,DD10,DD90等第三代单晶高温合金也已开展涡轮叶片试制及实验验证,同时开展了含Ru四代单晶合金DD15,DD91的研制。可以肯定的是,现阶段及未来一段时间内,镍基单晶合金仍将是制备先进航空发动机涡轮叶片的首选材料,应继续加强对高性能镍基单晶高温合金的设计研发,获取合金元素的相互作用机理,研发低成本、高性能新一代镍基单晶高温合金。2热障涂层的发展及应用涡轮叶片热障涂层是将耐高温、低导热、抗腐蚀的陶瓷材料通过特殊工艺与镍基单晶高温合金基体相复合,可降低涡轮叶片基体温度,提高耐冲刷、抗氧化及热疲劳等性能。涡轮叶片热障涂层一般包括金属底层与陶瓷面层,其中金属底层主要作用为增强陶瓷面层和金属基体结合力,提高二者热膨胀系数匹配性,并提升基体抗氧化性,陶瓷面层起隔热和抗高温冲蚀作用。自20世纪70年代初进入工业应用以来,热障涂层受到广泛重视并得到迅速发展。目前,国内外航空发动机涡轮叶片应用最广泛的热障涂层是MCrAlY金属底层+Y2O3⋅ZrO2陶瓷面层的双层结构热障涂层(如图1所示)。金属底层材料MCrAlY与镍基单晶高温合金具有良好的界面结合能力,并且具有良好的抗氧化和抗热腐蚀能力,组元中M通常为Ni和Co,Ni具有优良的缓和热应力的能力,Co和Cr具有优异的抗氧化和抗腐蚀性能,Al可以和陶瓷面层中扩散来的氧反应形成致密Al2O3膜(thermally grown oxide,TGO)。此外,在底层中加入少量的Y可以起到氧化物钉扎和细化晶粒的作用,以提高热循环条件下Al₂O₃膜与基体的结合力,改善涂层的抗热震性能。陶瓷面层材料Y2O3⋅ZrO2应用最广泛的为6%~8%Y₂O₃稳定的ZrO₂,由于ZrO₂在1100℃左右的高温下会发生由单斜相(M相)向四方相(T相)的转变,伴随着3%~10%的体积变化,进而影响其抗热震性能,因此通常需要往ZrO₂中加入一些稳定组元,使相结构完全稳定或部分稳定,早期采用CaO,MgO作为稳定剂(国外对应材料牌号为Metco 201/202,CaO,MgO稳定ZrO₂涂层若长期或周期性地暴露于1039℃以上的环境中,CaO,MgO有扩散出稳定化ZrO2晶体之外的倾向,从而限制了该体系的最高使用温度,研究发现Y2O3作为稳定剂,且含量为6%~8%时,一般可获得不可转变的四方相。 图1 涡轮叶片热障涂层结构示意图但当涡轮叶片在1200℃以上长期服役时,Y2O3⋅ZrO2陶瓷面层中仍会发生单斜相与四方相之间的转变,从而影响涂层的使用寿命。此外,MCrAlY金属底层仅可以在1100℃以下的环境中长期稳定地工作,当温度高于1150℃时,MCrAlY金属底层的氧化速率加快,TGO层变厚且内部产生的热应力和生长应力变大,最终导致氧化膜开裂和陶瓷面层剥落。因此,MCrAlY金属底层+Y2O3⋅ZrO2面层的最高服役温度在1150~1200℃左右,难以满足更高服役温度的需求。同时,随着航空发动机涡轮进口温度的提升,CMAS 在涡轮叶片表面的附着程度愈加严重,当Y2O3⋅ZrO2表面温度达到CMAS熔点时,致使CMAS熔化并在Y2O3⋅ZrO2表面润湿,然后通过毛细作用渗入到多孔的Y2O3⋅ZrO2涂层内部,在冷却的过程中CMAS凝固造成涂层杨氏模量增加、应变容限下降,并且CMAS的热膨胀系数比陶瓷面层和高温合金基体都小,在冷却过程中会产生很大的热应力,导致涂层中产生裂纹,在循环过程中裂纹逐步扩张,最终使涂层脱落。为进一步提升热障涂层的使用温度(>1200℃)和抗CMAS腐蚀能力,国内外学者均开展了大量研究。关于金属底层材料,添加少量Re元素可大幅提升MCrAlY金属底层的高温抗氧化性能,Hf元素掺杂可以在TGO表面形成稳定的HfO2,使涂层的热循环寿命延长10倍,在MCrAlY金属底层表面沉积或者预制一层具有抗氧化性的薄层,比如在MCrAlY层上再喷涂上2~5μm的Al2O3阻挡层,可以进一步降低金属底层的氧化。除了对MCrAlY金属底层开展优化改进外,还发展了Pt-Al,NiAl合金、功能梯度材料等新型金属底层,其中Pt-Al底层已在单晶涡轮叶片热障涂层中应用。关于陶瓷面层材料,主要有对Y2O3⋅ZrO2进行掺杂改性和开发新型陶瓷面层材料两条研究思路,针对Y2O3⋅ZrO2的掺杂改性,单元素掺杂改变Y2O3⋅ZrO2热物理性能的好坏取决于掺杂元素的离子半径、含量以及掺杂元素能否形成高温稳定相,其中离子半径是最关键的因素,但是任何一种单元素的掺杂都很难获得比较理想的热物理性能,因此很多学者进行了多元素掺杂研究。郭洪波等针对一定浓度稀土元素氧化物共同掺杂的Y2O3⋅ZrO2性能进行研究,发现Gd2O3和Yb2O3共掺杂可明显提高相稳定性,1500℃热处理10h材料中M相增量仅有10%。其中,3%Gd2O3和3%Yb2O3共掺杂材料在25~1350℃范围内依然保持良好的相稳定,在25~1200℃范围内其热导率降至1.18~1.25W·m-1·K-1,明显低于Y2O3⋅ZrO2,热膨胀系数为(9.67~13)×10-6K-1,与Y2O3⋅ZrO2相当。针对新型陶瓷面层材料,开展了系列稀土锆酸盐热障涂层研究,LaZrCeO和Gd2Zr2O7是目前研究最广泛、也被认为最有前景的热障涂层材料,其在室温至熔点温度范围内,其热稳定性好,抗烧结性能好,氧扩散率低,此外新型热障涂层中的稀土元素可与CMAS附着物反应,迅速形成稳定的“牺牲层”,在涂层表面形成的致密连续膜层,阻碍反应进一步发生,并抑制CMAS向涂层内扩散,从而提高涂层抗CMAS腐蚀性能,保护涂层不产生剥落失效,稀土锆酸盐热障涂层已在国内外航空发动机单晶涡轮叶片上得到应用。3镍基单晶高温合金/热障涂层体系的考核评价根据航空发动机涡轮叶片工作环境,对镍基单晶高温合金/热障涂层体系进行考核评价,是其工程应用前必须开展的工作。目前国内涡轮叶片热障涂层验收规范中对外观、厚度、气膜孔通畅性(缩孔率)、结合强度、相结构、显微组织、表面粗糙度、弯曲性能、热导率、抗热震性能、抗氧化性能以及对基体力学性能影响等提出了要求,并已经积累了大量数据,支撑了镍基单晶高温合金/热障涂层体系在航空发动机中的应用。但相关数据仅可用于对涂层质量进行评价,无法判断镍基单晶高温合金/热障涂层体系的使用寿命,以抗热震性能为例,其实验条件通常为将涂覆热障涂层的单晶涡轮叶片在马弗炉中加热至服役温度,保温5~10min后取出迅速放置常温水中(水冷)或通过压缩空气(空冷)进行冷却,此为一个循环,通过涂层不发生剥落的循环次数来判定其抗热震性能,在该过程中涡轮叶片的温度始终是均匀的,这与涡轮叶片在工作过程中的温度分布是不一致的,而涡轮叶片基体或热障涂层存在温度梯度可能会导致提前失效。为更真实模拟涡轮叶片工作条件,目前国内外开始采用高温燃气火焰热冲击方式进行镍基单晶高温合金/热障涂层体系寿命考核。火焰热冲击是通过高温燃气对涂层表面加热,同时高温合金基材使用压缩空气进行冷却,进而在单晶基体及热障涂层内部形成温度梯度,这与涡轮叶片工作条件高度一致,燃气加热结束后采用压缩空气对涂层正面进行强制冷却,如此反复进行冷热循环,模拟发动机启停造成的热循环工况,可以说燃气火焰热冲击考核能够很好地模拟镍基单晶高温合金/热障涂层体系在发动机真实工作条件下的寿命。根据调研国外相关研究机构的先进模拟工况考核设备具备至少1500℃长期稳定考核能力,采用精准燃气流量控制技术实现温度控制的高稳定性。为充分评价镍基单晶高温合金/热障涂层体系模拟工况燃气火焰热冲击性能和使用寿命,必须建立相应的模拟工作环境工况考核平台,而考核平台建设的主要难点是超高温下焰流稳定控制和温度精准调控,国内也已开展了模拟服役环境的考核设备开发,具备开展高温考核评价的能力。随着第三、四代航空发动机试车状态的增大和试车时间的延长,CMAS在涡轮叶片表面的附着程度愈加严重,因此抗CMAS腐蚀性能成为镍基单晶高温合金/热障涂层体系的重要评价标准之一。国内多家单位设计开展了抗CMAS腐蚀性能实验,主要思路为对使用后涡轮叶片表面黏附的CMAS进行成分分析,采用CaO,SiO₂,MgO,Al₂O₃等粉末材料,通过烧结、破碎、研磨等过程制备CMAS粉末,CMAS粉末添加至实验件表面的方式一般有两种,一是将CMAS粉末均匀涂抹在实验件表面,随后开展热循环实验,实验温度通常设置为1250℃,以保证CMAS粉末变为熔融状态,CMAS在热障涂层表面的润湿角测试即通过这种方式;另一种是将CMAS粉末添加在热冲击的火焰中,通过高温高速的火焰将CMAS喷涂在实验件表面,并进行热冲击循环实验。两种方式各有优劣,前者便于评估镍基单晶高温合金/热障涂层体系的抗CMAS腐蚀能力,后者更接近真实工作环境,便于获取镍基单晶高温合金/热障涂层体系的综合性能。本团队采用上述方法,通过静态抗CMAS腐蚀性能实验、带CMAS燃气热冲击实验以及多因素耦合实验等对镍基单晶高温合金/热障涂层体系进行了考核评价,对比分析了Y2O3⋅ZrO2热障涂层和新型热障涂层的抗热冲击性能和抗CMAS腐蚀性能,其中DD5单晶/热障涂层体系静态抗CMAS腐蚀实验后宏观形貌如图2所示,可以看出新型热障涂层抗CMAS腐蚀性能优于Y2O3⋅ZrO2热障涂层。 图2 DD5单晶高温合金试片静态抗CMAS腐蚀后宏观形貌(a)Y2O3⋅ZrO2热障涂层2个循环;(b)新型热障涂层10个循环4镍基单晶高温合金/热障涂层体系的失效机理研究表明,镍基单晶高温合金/热障涂层体系失效的主要原因是涡轮叶片工作过程中应力的产生,包括金属底层/陶瓷面层界面TGO生长应力、陶瓷面层相变应力、温度梯度分布引起的热应力、单晶基体与热障涂层热膨胀不匹配引起的热应力,其中最主要的是TGO生长应力。近些年,由CMAS侵蚀导致的镍基单晶高温合金/热障涂层体系失效越来越受到人们的重视。除此之外,单晶基体/金属底层界面的互扩散对基体性能的影响也应引起注意,在单晶合金和金属底层成分设计时加以考虑。金属底层/陶瓷面层界面的TGO层在镍基单晶高温合金/热障涂层体系制备及使用过程中均可产生,其主要成分为α-Al₂O₃。一方面,TGO层由于其致密的结构可以保护金属底层免受进一步的氧化,另一方面,涡轮叶片工作过程中TGO的过度和不均匀生长会在界面处产生巨大的应力,在高温环境下,随着金属底层中Al元素的消耗,导致Ni(Al,Cr)₂O₄尖晶石的形成,而这种快速生长的氧化物将会促进TGO层的增厚,同时使垂直于金属底层/陶瓷面层界面的外平面生长应力也随着增大,从而引起界面的开裂和陶瓷面层内裂纹的生成,这将引起失效。镍基单晶高温合金与金属底层在化学成分和相结构上存在显著差异,金属底层制备及应用过程中与单晶合金基体间会不可避免地出现互扩散行为。在高温保温后,在单晶基体/金属底层界面通常会形成元素互扩散区(IDZ)和二次扩散区(SDZ),其中IDZ是以β-NiAl相为基体,同时含有大量的TCP相,而SDZ仍然保留了合金基体中的大部分γ'相以及单晶取向,但由于合金中Mo,Re,W等难熔元素溶解度的下降会导致大尺寸的针状TCP相析出。IDZ和SRZ的形成都是单晶合金表面层的γ/γ'两相组织被破环的同时形成新相,导致单晶基体/金属底层界面组织失稳进而诱发金属底层失效。单晶基体/金属底层界面在热力耦合条件下,界面元素互扩散会导致单晶基体表面再结晶、界面相变、单晶γ'相反常筱化等现象,造成单晶合金基体力学性能下降。CMAS对镍基单晶高温合金/热障涂层体系的影响取决于涡轮叶片的工作温度,低温时(<735℃)CMAS颗粒撞击表面涂层,会引起腐蚀磨损、气膜孔堵塞和涂层局部剥落,在1200℃左右,CMAS会在涂层表面变为熔融态侵蚀涂层。高温下CMAS侵蚀热障涂层的失效机制包括热化学与热力学两方面,热化学方面CMAS会与陶瓷面层发生反应,导致陶瓷面层分解并丧失性能;在热力学方面,腐蚀产物的生成以及ZrO₂的相变会使涂层内部出现大量的体积膨胀,造成涂层内部产生拉应力,多次热循环后,导致涂层内部产生横向裂纹,造成分层剥落。本团队对航空发动机DD5单晶导向叶片热障涂层剥落开展失效分析时,发现存在CMAS侵蚀热障涂层形貌,如图3所示,表明CMAS侵蚀是导致该叶片热障涂层提前失效的原因之一。 图3 DD5单晶导向叶片热障涂层剥落区域面扫描结5结束语随着先进航空发动机涡轮进口的不断提高,涡轮叶片镍基单晶高温合金/热障涂层体系的应用研究必然受到国内外研究人员的持续关注,结合相关调研以及本团队在工程应用中遇到的问题,认为镍基单晶高温合金/热障涂层体系未来的应用研究重点应集中在以下几个方面:(1) 目前国内在镍基单晶高温合金成分设计、组织性能评价等方面已具备丰富经验,单晶合金/金属底层界面的互扩散行为及其对单晶基体力学性能的影响的应用基础研究应进一步重视,从单晶合金与金属底层成分协同设计等方面开展研究,提升单晶合金/金属底层界面匹配性。(2) 稀土改性ZrO₂和Gd₂Zr₂O₇,LaZrCeO等新型热障涂层材料可以提高陶瓷面层的耐温能力和隔热效果,已开展涡轮叶片热障涂层试制及应用,但其工作可靠性仍需进一步提升,在新型陶瓷面层材料开发时,应综合考虑材料的力学性能、热物理性能及其微观结构,使三者达到最优匹配。(3) 金属底层起到了重要的抗高温氧化和抗脱落作用,但是相比于镍基单晶高温合金和陶瓷面层而言,金属底层材料的研制和应用研究力度不足,功能梯度底层具有广阔的应用前景,需开展制备工艺优化研究;另外,在涂覆陶瓷面层前对金属底层进行后处理也可以提高其综合性能,应开展系统研究。(4) 在高代次单晶合金及新型热障涂层材料研制阶段,对镍基单晶高温合金/热障涂层体系进行考核评价,可以降低整机验证风险,考核评价的实验条件应尽可能的接近涡轮叶片工作环境,应研究构建可同时施加机械应力、高温燃气和CMAS颗粒的多因素耦合实验装置,并基于实时监测技术,综合掌握镍基单晶高温合金/热障涂层体系状态衰减及表面状态变化。声明: 本文来源于网络, 仅供交流分享, 若涉及版权等问题请留言, 我们会及时处理 来源:两机动力先行

未登录
还没有评论
课程
培训
服务
行家
VIP会员 学习计划 福利任务
下载APP
联系我们
帮助与反馈