
今天一起看下BMS上需要进行负电压采集的一些场景与实现的方案。
典型的例子是2015+的充电导引电路上,具体如下图(参照GB/T 18487.5-2024),在车辆端增加了CC1检测电路(检测点3),CC2检测电路也做了更新。

在2015+标准中有一个PE线断线检测的功能(车辆接口处),可以使用CC2的检测点2来实现PE线断线诊断(小问题,使用CC1的检测点3可以吗?);PE线断线后,电路简化如下:由于PE线中间断开了,导致U1的回流会通过U2这个路径返回,具体如下图红色箭头标注,如果S3断开时,在检测点2上就会产生一个负电压。

通过仿真,当PE线断线后,如果S3开关还是闭合的,此时检测点2的电压典型值为7.2V,检测点3的电压典型值为4.8V。

如果PE线断线后,S3开关又是断开的,此时检测点2的电压典型值为-12V,检测点3的电压典型值为接近0V。

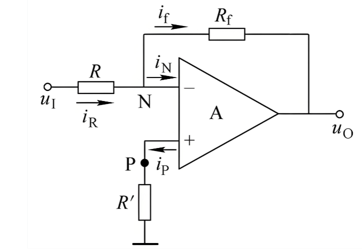
所以我们需要检测点2能够识别出这个负电压,典型的实现方案为反向比例放大电路即可,类似如下图,为了正负压都可以采集,在运放同向输入端增加一个偏置电压即可。

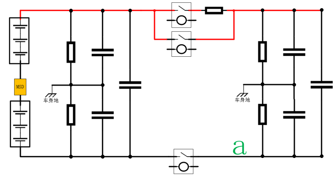
在高压电路上,典型出现负电压的地方就是负极继电器后端的采样点,具体如下图:例如针对负极继电器后端的a点电压,一般常见的高压采样方案会从a点连接一串电阻到内部的电池总负来采集其电压,但是这个a点相对于电池的负极来讲,是有可能出现负电压的。

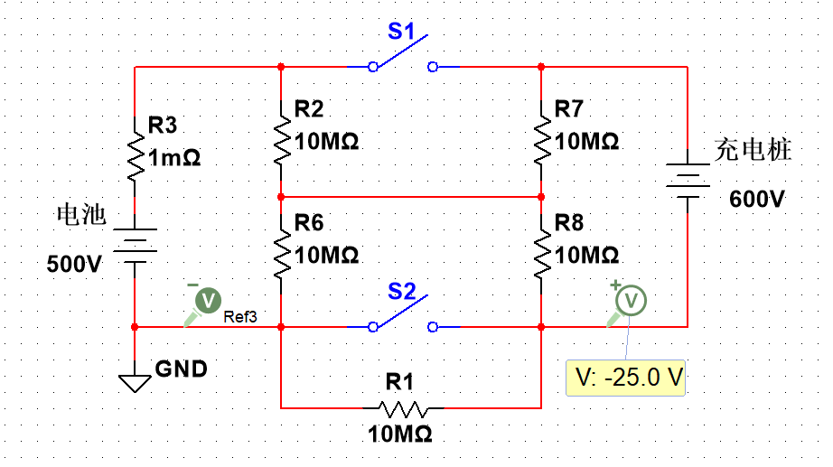
具体负压出现的场景我们一起分析下,如下仿真图:假设是电池包准备充电的场景,充电桩的输出电压要大于电池包的电压,继电器还处于断开状态,R1为a点的分压检测电阻,此时可以发现a点(主负继电器外侧)的电压就是负值;究其原因,是因为充电桩的电压从内外部的绝缘电阻网络灌入到电池端,从而从R1上有一个反向压降。

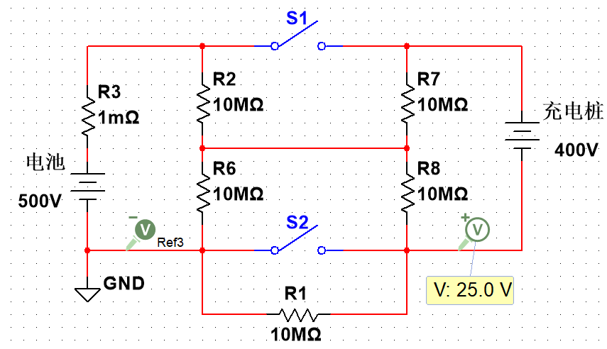
假设然后我们改小充电桩的输出电压,如下图:此时a点的电压就变成了正值,因为此时是电池的电压灌入到充电桩端,从而在R1的压降是一个正值。

当然,这个负电压的大小与检测电阻大小有关系,我们改小R1的电阻值,如下图:就发现这个负电压也变小了,逻辑与上面分析是一致的。

针对这个负电压,我们也希望能准确识别,在ADBMS2950上就有推荐这样一种采集方案,如下图所示:将高压采样电阻串的参考地改为参考1.25V(VREF1P25),同时BJB内部ADC的参考地也通过软件配置成1.25V,这样实际就可以将负电压转为正电压,满足AD口输入要求了,这个是ADBMS2950特别具有的功能。

如果BJB没有上述的功能,也不用担心,我们可以人为在采样电阻处增加一路上拉参考电源来实现,列个方程,算一下匹配电阻,具体电路不赘述了哈。
最近想把后面的工作重心逐步调整到硬件需求分解上面,系统地从全貌角度梳理下,看看有哪些不同的风景;以上所有,仅供参考。