大家好,这里是射频学堂。
今天我们一起借助当今最火的人工智能来讲解一下射频设计中最重要的一个知识点——阻抗匹配。这个知识点,我们之前曾多次讲述过,不过在AI辅助下的这篇阻抗匹配,讲的可真全面啊。不得不佩服。
正文之前,我们先来回顾一下射频学堂之前的一些关于阻抗匹配的文章

在射频领域,50Ω 这个数值无处不在,从实验室的测试仪器,到通信基站的庞大天线系统,再到我们日常使用的手机、Wi-Fi 路由器,几乎所有射频相关的设备和组件,都围绕着 50Ω 的阻抗标准构建。但你是否想过,为什么偏偏是 50Ω?这个看似普通的数值背后,其实隐藏着深刻的技术考量与产业博弈。
从技术原理的角度来看,50Ω 的选择绝非偶然,它是在功率容量与传输损耗这两个关键因素之间的精妙平衡。我们以同轴线为例,这是一种在射频传输中广泛应用的传输线,其特性阻抗与功率容量和传输损耗密切相关。根据理论计算与实验验证,当同轴线的特性阻抗为 29.7Ω 时,它能够承载的功率达到最大值,可处理千瓦级别的射频能量,这对于需要传输大功率的应用场景,如雷达发射机、广播电台等至关重要;而当特性阻抗为 76.3Ω 时,同轴线的传输损耗最低,信号在传输过程中的衰减最小,非常适合长距离的信号传输,比如有线电视的信号传输线缆。


(在50欧姆阻抗这篇文章中也详细介绍过)
然而,在实际的工程应用中,我们很难找到一种既能完全满足大功率传输,又能实现极低传输损耗的单一特性阻抗。于是,工程师们经过大量的研究与实践,最终选择了 50Ω 作为一个折中的标准值。这个数值虽然在功率容量和传输损耗上都不是最优的,但却在两者之间实现了较好的平衡,能够满足大多数射频应用的需求。简单来说,50Ω 的同轴线缆,既能够承受一定程度的功率,又能在信号传输过程中保持较低的损耗,是一种 “性价比” 极高的选择。
50Ω 标准的确立,不仅仅是技术上的妥协,更是产业发展的必然选择。在射频产业的发展过程中,标准化是实现规模化生产、降低成本、提高兼容性的关键。如果每个设备制造商都采用不同的阻抗标准,那么整个射频产业链将陷入混乱,设备之间的互联互通将变得异常困难,研发、生产和维护成本也将大幅增加。通过统一采用 50Ω 的阻抗标准,全球的射频产业形成了一个庞大的生态系统,各种设备和组件都能够实现 “即插即用”,大大提高了产业的效率和竞争力。
以手机的射频前端为例,其中包含了众多的组件,如功率放大器、滤波器、天线开关等,这些组件来自不同的供应商,但它们都遵循 50Ω 的阻抗标准。这样,手机制造商在进行射频前端的设计和组装时,就无需担心组件之间的阻抗匹配问题,能够快速地将不同的组件集成在一起,实现手机的射频功能。同样,在通信基站的建设中,从基站的发射机到天线之间的馈线,再到各种测试仪器和连接线缆,都统一采用 50Ω 的阻抗标准,确保了整个通信系统的稳定运行。
50Ω 的阻抗标准,已经成为射频领域的 “通用语言”,它是技术与产业相互作用的结果,为全球射频产业的发展奠定了坚实的基础。无论是从理论研究还是实际应用的角度来看,理解和掌握 50Ω 的意义和作用,都是深入学习射频电路设计的关键一步。
在射频电路中,阻抗匹配是确保系统正常运行的关键因素,一旦出现阻抗失配,就如同推倒了多米诺骨牌,会引发一系列严重的问题,从能量的反射损耗,到信号的失真畸变,甚至导致整个系统的崩溃。下面,我们将从能量、信号和系统三个层面,深入剖析阻抗失配所带来的多米诺效应。
当射频信号在传输过程中遇到阻抗不匹配的情况时,一部分能量将无法顺利地传输到负载,而是被反射回信号源。反射系数 Γ=(Z_L-Z_0)/(Z_L+Z_0),这个公式清晰地揭示了反射能量与负载阻抗 Z_L 和特性阻抗 Z_0 之间的量化关系。当负载阻抗偏离 50Ω 达 20% 时,根据反射系数公式计算可得,约有 4% 的功率将被反射;而当负载阻抗偏离 100% 时,反射功率更是高达 36%。
这些被反射回来的能量,就像一个个 “回力镖”,重新回到功率管等器件中。这将导致驻波比(VSWR)急剧上升,驻波比是衡量射频信号传输过程中阻抗匹配程度的一个重要指标,其计算公式为 VSWR=(1+|Γ|)/(1-|Γ|)。当反射功率增加时,驻波比也随之增大,这会使功率管内部的结区温度迅速升高,超过 200°C。过高的温度会对功率管的性能和可靠性产生严重影响,器件的平均无故障时间(MTBF)会从正常情况下的 10 万小时暴跌至 2 千小时。
例如,某通信基站在运行过程中,由于一个 0.5mm 的匹配电感出现失配问题,导致整个基站的射频链路阻抗不匹配。大量的反射能量使得功率管的温度持续升高,虽然基站配备了散热系统,但仍然无法有效控制温度。最终,功率管的性能逐渐下降,频繁出现故障,不得不进行更换。据统计,由于这个小小的匹配电感失配,该基站每年的折旧成本增加了数十万元,这还不包括因故障导致的通信中断所带来的间接损失。
在现代高速数字通信系统中,如 PCIe 5.0 等高速接口,信号的传输速率越来越高,对信号完整性的要求也越来越严格。高速数字信号本质上也是一种电磁波,在传输过程中同样会受到阻抗匹配的影响。
以 PCIe 5.0 为例,其信号边沿仅为 31ps,这意味着信号的变化非常迅速。在这样的高速环境下,即使是微小的阻抗波动,也可能对信号产生显著的影响。如果由于过孔、走线等原因,导致阻抗从 85Ω 波动到 75Ω,根据信号传输理论,这将引发 30mV 的过冲。过冲的出现会导致信号的失真,反映在眼图上,就是眼高下降 20%。

眼图是一种用于评估高速数字信号质量的重要工具,它通过将多个周期的信号叠加在一起,形成一个类似眼睛的图形。眼高表示信号的逻辑高电平和逻辑低电平之间的差值,眼高越大,信号的抗干扰能力越强;眼宽则表示信号的有效传输时间,眼宽越大,信号的传输速率越高。当眼高下降时,信号的抗干扰能力减弱,误码率会指数级上升。这不仅会影响数据的传输速率,还可能导致数据传输错误,甚至触发系统级的同步失效,使整个通信系统陷入瘫痪。
阻抗失配所引发的反射能量,在传输路径中不断往返振荡,就像在一个封闭的空间里不断回响的声音一样。这种振荡极易激发特定频率的驻波,导致驻波比(VSWR)严重超标。
在雷达发射机等大功率场景中,未被吸收的反射能量具有很高的功率,它们会直接 “撞回” 输出级晶体管。由于晶体管无法承受如此高的能量冲击,很容易被烧毁,导致雷达发射机无法 正常工作。在通信系统中,驻波的出现还可能引发寄生振荡,干扰本振信号。本振信号是通信系统中产生稳定高频振荡的信号源,它为混频、调制等电路提供参考频率。一旦本振信号受到干扰,就会造成邻道泄漏,即信号泄漏到相邻的信道中,干扰其他信号的正常传输;同时,还会导致灵敏度恶化,使通信系统接收微弱信号的能力下降,影响通信质量。

例如,在一个无线通信基站中,由于天线与馈线之间的阻抗失配,产生了驻波。驻波引发的寄生振荡干扰了本振信号,使得基站的邻道泄漏指标严重超标,对周边的其他通信设备造成了严重的干扰。同时,基站的灵敏度也大幅下降,导致部分区域的信号覆盖变差,用户在这些区域无法 正常通话或上网。为了解决这个问题,工程师们不得不花费大量的时间和精力,对整个射频链路进行排查和调试,更换了匹配元件,优化了布线,才最终恢复了基站的正常运行。
阻抗失配所带来的影响是全方位的,从能量的损耗到信号的失真,再到系统的崩溃,每一个层面的问题都可能对射频系统的性能和可靠性产生致命的打击。因此,在射频电路设计中,必须高度重视阻抗匹配问题,采取有效的措施确保系统的阻抗匹配,以避免失配所带来的多米诺效应。
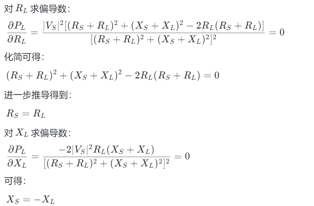
在射频电路的设计中,我们的核心目标之一是确保信号源能够将最大功率传输到负载上,这就涉及到了最大功率传输定理。该定理指出,对于一个含源线性阻抗单口网络向可变电阻负载传输功率的情况,当源阻抗Zs = Rs + jXs与负载阻抗ZL = RL + JXL满足Rs = RL且Xs = -XL时,也就是源阻抗与负载阻抗互为共轭复数,此时负载能够获得最大功率,这种匹配状态被称为共轭匹配。
从数学角度深入剖析,我们可以通过以下推导来理解最大功率传输的条件。

假设信号源的电压为Vs,源阻抗为Zs = Rs + jXs,负载阻抗为ZL = RL + jXL,传输线的特性阻抗为Z0(在大多数射频应用中,Z0 = 50Ω)。根据欧姆定律,电路中的电流I为:

负载上消耗的功率PL可以表示为:

为了找到PL的最大值,我们对RL和XL分别求偏导数,并令其等于 0。

这就从数学上严格证明了共轭匹配时负载能够获得最大功率。例如,在一个射频功率放大器的设计中,功率放大器作为信号源,其输出阻抗为ZS = 50 + j20Ω,为了使负载获得最大功率,我们需要设计一个匹配网络,将负载阻抗ZL调整为ZL = 50 - j20Ω,这样就能实现共轭匹配,确保功率放大器将最大功率传输到负载上。
从物理意义上理解,当源阻抗和负载阻抗不满足共轭匹配时,就会有一部分能量被反射回信号源,导致能量的浪费和传输效率的降低。而共轭匹配的本质就是通过调整负载阻抗的实部和虚部,使其与源阻抗相互对应,从而实现能量的最大传输,就像两把钥匙完美匹配锁芯一样,让信号能够顺畅地从源端传输到负载端。
在射频电路设计中,阻抗匹配的计算涉及到复杂的复数运算,这对于工程师来说是一项极具挑战性的任务。然而,史密斯圆图的出现,就像是为工程师们提供了一把神奇的钥匙,将复杂的复数运算转化为直观的几何图形,使得阻抗匹配的设计变得更加简单和高效。

史密斯圆图的核心是将归一化阻抗(Normalized Impedance)和反射系数(Reflection Coefficient)的数学关系映射到极坐标系中,形成一组相互正交的圆和弧线。通过图形化方式展示了阻抗变化(如传输线长度变化时的阻抗变化)、反射系数与驻波比 (VSWR) 以及阻抗匹配网络设计。

具体来说,史密斯圆图的横坐标代表反射系数的实部,纵坐标代表虚部。圆形线代表等电阻圆,每个圆的圆心为1/(1+R),半径为R/(R+1),R为该圆上的点的电阻值。等电抗圆的圆心为(1, 1/X),半径为1/|X|(单位圆外无意义)。中心点(1,0)代表完美匹配(Γ =0),此时反射系数为 0,意味着信号能够无反射地从源端传输到负载端;边缘则对应全反射(|Γ| = 1),表示所有的入射波都被反射回来,没有能量传输到负载。

在实际应用中,史密斯圆图的优势在于它能够直观地展示阻抗匹配的过程。例如,当我们需要在电路中串联电感或电容时,在史密斯圆图上的操作就变得非常直观:
串联电感:沿等电阻圆顺时针旋转(增加感抗)。假设我们的初始负载阻抗点在史密斯圆图上位于某个位置,当我们串联一个电感时,随着电感值的增加,负载阻抗的变化轨迹就是沿着等电阻圆顺时针方向移动,这意味着感抗在不断增加。
串联电容:沿等电阻圆逆时针旋转(增加容抗)。同样,当我们串联电容时,负载阻抗点会沿着等电阻圆逆时针方向移动,表明容抗在逐渐增大。
并联电感:沿等电导圆逆时针旋转(减少电纳)。在处理并联电感的情况时,我们需要切换到导纳圆图(将阻抗圆图旋转 180° 即可得到导纳圆图),此时并联电感的操作表现为沿着等电导圆逆时针方向移动,电纳值逐渐减小。
并联电容:沿等电导圆顺时针旋转(增加电纳)。而并联电容时,在导纳圆图上则是沿着等电导圆顺时针方向移动,电纳值增大。
在现场调试中,工程师们借助矢量网络分析仪,能够实时地在史密斯圆图上观察负载阻抗的变化。通过调整匹配网络中的电感和电容值,将负载点推至圆图中心(即 50Ω 的完美匹配点)。这个过程大大避免了复杂的复数运算和反复焊板的繁琐操作,将匹配效率提升 70% 以上。
以一个实际的 WiFi 6E 路由器 PA 匹配案例来说,TP-Link 某旗舰路由器在 6 GHz 频段负载阻抗ZL = 15 + j70Ω。工程师通过史密斯圆图进行设计,首先串联 1.8 nH 电感,在圆图上表现为沿等电阻圆右移,增加了感抗;然后并联 0.6 pF 电容,沿等电导圆左移,调整了电纳。最终在 6.3 GHz 处实现S11< -30dB,输出功率提升 3.2 dB,相当于穿透一堵混凝土墙的效果。通过这个案例,我们可以清晰地看到史密斯圆图在实际工程应用中的强大作用,它将复杂的射频电路匹配问题转化为简单的图形操作,让工程师能够更加高效地实现阻抗匹配,提升射频系统的性能。
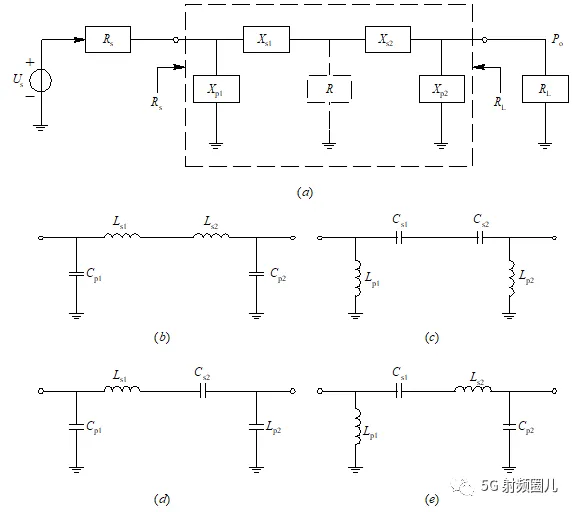
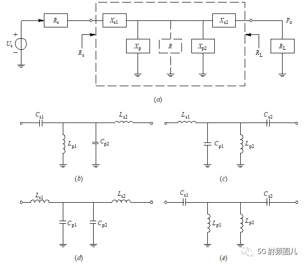
在射频电路设计中,匹配网络的设计是实现阻抗匹配的关键环节,它直接影响着射频系统的性能和效率。匹配网络的设计需要综合考虑多个因素,包括工作频率、带宽、功率容量、插入损耗等,同时还需要根据不同的应用场景和需求,选择合适的匹配网络拓扑结构和设计方法。下面,我们将从集总参数匹配网络、分布参数匹配技术和有源匹配三个方面,深入探讨匹配网络的设计原理和工程优化方法。
集总参数匹配网络是射频电路中最常用的匹配方式之一,它主要由电感(L)、电容(C)等集总元件组成,通过合理选择和组合这些元件,可以实现对不同阻抗的匹配。集总参数匹配网络适用于从低频到微波频段的各种应用场景,具有结构简单、成本低、易于设计和调试等优点。在集总参数匹配网络中,L 型网络、π 型网络和 T 型网络是三种最基本的拓扑结构,它们各自具有独特的特点和适用场景。

L 型网络是集总参数匹配网络中最简单的结构,它由一个电感和一个电容组成,形状如同字母 “L”,因此得名。L 型网络适用于单一频率点的匹配,能够实现感性 / 容性负载到 50Ω 的转换。在实际应用中,L 型网络常用于对匹配要求不是特别高、对成本和空间有一定限制的场合,如一些简单的射频收发模块。
L 型网络的设计关键点在于根据源与负载的实部大小选择合适的 “串联 - 并联” 结构。具体来说,当源阻抗的实部小于负载阻抗的实部时,应采用串联电感、并联电容的结构;反之,当源阻抗的实部大于负载阻抗的实部时,则应采用串联电容、并联电感的结构。这样可以确保在匹配过程中,尽可能减少因匹配过程引入的能量损失。同时,在选择电感和电容时,还需要考虑它们的寄生参数,如电感的直流电阻、电容的等效串联电阻等,这些寄生参数会影响匹配网络的性能,应尽量选择寄生参数小的元件,以避免引入额外损耗。
例如,在一个工作频率为 433MHz 的射频传输系统中,源阻抗为 50Ω,负载阻抗为 100 + j50Ω。为了实现阻抗匹配,我们可以采用 L 型网络。根据源与负载的实部大小,选择串联电感、并联电容的结构。通过计算可得,所需电感值约为 100nH,电容值约为 15pF。在实际制作过程中,选择合适的电感和电容元件,并注意它们的寄生参数,最终实现了较好的阻抗匹配效果,反射系数小于 - 10dB。
π 型网络和 T 型网络是在 L 型网络的基础上发展而来的,它们通过增加元件数量,提供了更灵活的阻抗变换范围,适用于对匹配要求较高的宽带应用场景。

π 型网络由两个电容和一个电感组成,形状如同希腊字母 “π”。π 型网络能够提供更灵活的阻抗变换范围,适合需要抑制二次谐波的功率放大器等应用场景。在功率放大器中,二次谐波的存在会降低功率放大器的效率和线性度,通过采用 π 型匹配网络,可以有效地抑制二次谐波,提高功率放大器的性能。例如,在一个工作频率为 2.4GHz 的功率放大器中,采用 π 型匹配网络,通过合理选择电感和电容的值,可以将二次谐波抑制到 - 40dB 以下,同时实现良好的阻抗匹配,提高功率放大器的输出功率和效率。
T 型网络则由两个电感和一个电容组成,形状如同字母 “T”。T 型网络常用于需要高阻抗变换比的场景,如天线与低噪声放大器(LNA)的匹配。在这种场景下,T 型网络可以将天线的高阻抗转换为低噪声放大器所需的低阻抗,同时还能提供一定的滤波功能,减少噪声的影响。例如,在一个 Wi - Fi 路由器的天线与低噪声放大器的匹配电路中,采用 T 型网络,将天线的阻抗从几百欧姆转换为 50Ω,满足了低噪声放大器的输入阻抗要求,同时有效地减少了噪声的引入,提高了接收灵敏度。

随着工作频率的升高,集总参数元件的寄生效应变得越来越明显,其性能会受到很大影响。在微波频段(通常指频率高于 1GHz),分布参数匹配技术成为实现阻抗匹配的必选方案。分布参数匹配技术利用传输线的特性阻抗和长度来实现阻抗变换,能够有效地避免集总元件的寄生效应,提高匹配网络的性能。
四分之一波长变换器是一种基于传输线理论的分布参数匹配元件,它利用 λ/4 传输线的阻抗变换特性(Z1 = √(Z0ZL)),将纯电阻负载匹配至目标阻抗。其中,Z1 为变换后的阻抗,Z0 为传输线的特性阻抗,ZL 为负载阻抗。四分之一波长变换器的优势在于无集总元件损耗,适合 1GHz 以上的高频频段。在高频下,集总元件的寄生电阻和寄生电感会导致较大的能量损耗,而四分之一波长变换器仅由传输线构成,不存在这些寄生损耗,能够实现高效的能量传输。

四分之一波长变换器也存在一定的局限性,它仅支持实数阻抗的匹配,对于复数阻抗的负载,需要先进行预处理将其转换为实数阻抗。而且,四分之一波长变换器的性能对加工精度非常敏感,传输线的长度和特性阻抗的微小偏差,都会导致匹配效果的恶化。例如,在一个工作频率为 5GHz 的射频系统中,使用四分之一波长变换器将 75Ω 的纯电阻负载匹配至 50Ω。传输线的特性阻抗为 50Ω,根据公式计算,所需传输线的长度为 15mm(假设传输线中的信号速度为光速的 0.6 倍)。在实际制作过程中,如果传输线的长度偏差超过 0.1mm,就会导致反射系数明显增大,匹配效果变差。
单枝节与多枝节匹配是另一种常用的分布参数匹配技术,它通过在传输线并联短路 / 开路枝节,提供所需的电抗补偿,从而实现阻抗匹配。
单枝节匹配适用于窄带应用场景,它通过在主传输线的合适位置并联一段短路或开路的枝节传输线,来调整输入阻抗,实现与负载的匹配。例如,在一个工作频率为 1.8GHz 的移动通信系统中,使用单枝节匹配技术,在主传输线距离负载 0.1λ(λ 为信号波长)的位置并联一段长度为 0.2λ 的开路枝节,成功地将负载阻抗匹配至 50Ω,反射系数小于 - 15dB。
多枝节匹配则可以拓宽匹配带宽,常用于基站天线的多频段设计。在基站天线中,需要同时覆盖多个频段,如 2G、3G、4G 和 5G 频段,多枝节匹配技术可以通过合理设计多个枝节的长度和位置,实现对多个频段的阻抗匹配。例如,某 5G 基站天线采用了三枝节匹配技术,通过优化三个枝节的参数,实现了在 3.3 - 3.6GHz 和 4.8 - 5.0GHz 两个频段的良好匹配,反射系数均小于 - 10dB,满足了基站天线的多频段工作要求。
随着射频技术的不断发展,对匹配网络的宽带化和智能化要求越来越高。有源匹配技术基于负阻抗变换器或有源反馈网络,实现了宽频带内的动态匹配,为射频电路的设计带来了新的突破。
有源匹配的核心原理是利用有源器件(如晶体管)的放大特性和负阻抗特性,来实现对负载阻抗的动态调整。通过引入负阻抗变换器,可以将负载阻抗变换为所需的值,从而实现阻抗匹配;而有源反馈网络则通过实时监测负载阻抗的变化,并根据反馈信号调整有源器件的工作状态,实现动态匹配。
典型应用方面,软件定义无线电(SDR)的可调匹配前端是有源匹配技术的一个重要应用场景。在 SDR 中,需要适应不同的通信标准和频段,传统的固定匹配网络无法满足其需求。通过采用有源匹配技术,结合 MEMS 可变电容和数字控制算法,SDR 的匹配前端可以实时适应负载变化。例如,某 SDR 设备采用有源匹配技术后,匹配带宽提升了 3 倍以上,能够在 100MHz - 6GHz 的宽频带内实现良好的阻抗匹配,同时通过数字控制算法,可以根据不同的通信模式和信号强度,自动调整匹配网络的参数,提高了系统的适应性和性能。
在射频电路的设计与分析中,回波损耗、电压驻波比和插入损耗是三个至关重要的性能参数,它们从不同角度反映了射频信号在传输过程中的质量和效率,是评估射频电路性能的关键指标。
回波损耗是衡量射频信号在传输过程中反射功率大小的重要参数,它反映了信号在传输线上遇到阻抗不匹配时,有多少能量被反射回源端。回波损耗的计算公式为RL = -20log|Γ|,其中Γ为反射系数,Γ=(ZL-Z0)/(ZL+Z0),ZL为负载阻抗,Z0为传输线的特性阻抗(通常为 50Ω)。从这个公式可以看出,回波损耗与反射系数密切相关,反射系数越大,回波损耗越小,说明反射功率越大,信号传输的效率越低。
回波损耗以分贝(dB)为单位,其值越大,表示反射功率越小,信号传输的质量越好。在理想情况下,当负载阻抗与传输线的特性阻抗完全匹配时,反射系数Γ = 0,回波损耗趋近于无穷大,意味着所有的信号能量都能够顺利地传输到负载,没有能量被反射回来。然而,在实际的射频电路中,由于各种因素的影响,很难实现完全匹配,总会存在一定程度的反射。一般来说,对于大多数射频系统,回波损耗要求小于 - 10dB,这意味着反射功率小于入射功率的 10%,在这个范围内,信号的传输效率和质量能够得到较好的保证。

例如,在一个工作频率为 2.4GHz 的无线通信系统中,天线的回波损耗为 - 15dB,这表明有大约 3.2% 的信号能量被反射回来,而 96.8% 的能量能够有效地辐射出去。如果回波损耗过大,如只有 - 5dB,那么反射功率将达到入射功率的 31.6%,这将严重影响通信系统的性能,导致信号强度减弱、误码率增加等问题。
电压驻波比是另一个用于衡量射频信号传输过程中阻抗匹配程度的重要参数,它定义为传输线上波腹电压与波谷电压的比值,计算公式为VSWR=(1+|Γ|)/(1-|Γ|。电压驻波比直观地反映了信号在传输线上的反射情况,当VSWR = 1时,表示负载阻抗与传输线的特性阻抗完全匹配,此时没有反射波,信号能够无损耗地传输;当VSWR的值越大,说明反射波越强,阻抗匹配越差。

在实际应用中,电压驻波比与回波损耗之间存在着密切的关系,可以通过公式相互转换。一般来说,射频系统对电压驻波比的要求是小于 1.5,这相当于反射系数小于 0.2,反射功率小于 4%。例如,在一个移动通信基站中,天线与馈线之间的电压驻波比要求严格控制在 1.5 以内,以确保信号能够高效地从基站传输到天线,并辐射到空间中。如果电压驻波比超过 1.5,反射波将增加,这不仅会降低信号的传输效率,还可能对基站的设备造成损害,如导致功率放大器过热、烧毁等。
插入损耗是指射频信号通过匹配网络或其他元件时,由于元件本身的特性(如阻抗不匹配、介质损耗、导体损耗等),导致信号能量的减少。插入损耗是衡量匹配网络性能的重要指标之一,它直接影响到射频系统的整体性能和效率。
插入损耗的产生主要源于以下几个方面:一是匹配网络中的元件本身存在电阻、电感和电容等寄生参数,这些参数会导致信号在传输过程中产生能量损耗;二是匹配网络与前后级电路之间的阻抗匹配不完全,也会引起信号的反射和能量损失;三是在高频情况下,传输线的介质损耗和导体损耗也会对插入损耗产生影响。
在设计匹配网络时,需要综合考虑插入损耗和其他性能指标,如回波损耗、带宽等。一般来说,我们希望插入损耗尽可能小,以保证信号的能量能够有效地传输。例如,在一个滤波器的设计中,插入损耗应控制在 1dB 以内,这样可以确保信号在通过滤波器时,能量损失较小,不会对信号的质量产生太大的影响。同时,插入损耗还与元件的品质因数(Q 值)密切相关,Q 值越高,插入损耗越小。因此,在选择元件时,应尽量选择 Q 值高的元件,以降低插入损耗。但需要注意的是,在追求低插入损耗的过程中,不能忽视其他性能指标的平衡,否则可能会导致其他问题的出现,如带宽变窄、回波损耗增大等。
在射频电路的设计、调试和优化过程中,需要使用一系列专业的工具来测量和分析电路的性能参数,以确保电路能够满足设计要求。矢量网络分析仪、电磁仿真软件和史密斯圆图工具是射频工程师必备的三大工具,它们在不同的阶段发挥着重要的作用,帮助工程师实现从理论设计到实际电路实现的转化。
矢量网络分析仪是射频领域中最常用的测试仪器之一,它能够精确地测量射频器件和电路的各种参数,如 S 参数(包括 S11、S21、S31 等,分别表示反射系数、传输系数等)、阻抗、增益、相位等。矢量网络分析仪的工作原理是基于微波网络理论,通过向被测器件或电路注入不同频率的射频信号,并测量反射信号和传输信号的幅度和相位,从而得到器件或电路的性能参数。

Keysight PNA 系列是矢量网络分析仪中的佼佼者,它具有高精度、宽频带、高动态范围等优点,支持从低频到毫米波频段的阻抗扫描,能够满足各种复杂射频电路的测试需求。例如,Keysight PNA 系列中的 N5227B 型号,频率范围可达 900Hz - 67GHz,在 26.5GHz 时,动态范围大于 128dB;在 67GHz 时,动态范围大于 112dB,具有低杂散和低相位噪声的两个 DDS 信号源,能够提供精确的信号源输出功率和绝对功率测量。
在射频电路的调试阶段,矢量网络分析仪能够直接显示史密斯圆图轨迹,工程师可以通过观察史密斯圆图上的阻抗变化,直观地了解电路的匹配情况,并通过调整匹配网络中的元件参数,将负载阻抗调整到理想的 50Ω 匹配点。例如,在调试一个功率放大器的输出匹配网络时,工程师可以使用矢量网络分析仪测量功率放大器的输出阻抗,然后根据史密斯圆图上的显示,逐步调整匹配网络中的电感和电容值,直到输出阻抗与 50Ω 匹配,使回波损耗达到最小,功率传输效率达到最高。
电磁仿真软件是射频电路设计中不可或缺的工具,它能够在电路设计的前期阶段,对电路的性能进行预测和优化,减少实际制作和调试的成本和时间。CST Microwave Studio 和 HFSS 是两款常用的电磁仿真软件,它们都基于有限元法或时域有限差分法等数值计算方法,能够对复杂的三维电磁结构进行精确的仿真分析。
CST Microwave Studio 主要用于三维结构建模,如 PCB 过孔、连接器、天线等。它能够模拟电磁波在这些结构中的传播、辐射和散射等现象,帮助工程师分析结构对信号传输的影响,并进行优化设计。例如,在设计一个高速 PCB 时,工程师可以使用 CST Microwave Studio 对 PCB 上的过孔进行建模和仿真,分析过孔的寄生电感、电容等参数对信号完整性的影响,并通过优化过孔的尺寸、形状和布局,减小寄生参数,提高信号的传输质量。
HFSS 则侧重于仿真传输线与元件的寄生效应,它能够精确地计算传输线的特性阻抗、损耗等参数,以及元件(如电感、电容、电阻等)在高频下的寄生效应。在设计射频滤波器时,HFSS 可以帮助工程师分析滤波器中电感和电容的寄生参数对滤波器性能的影响,通过调整元件的参数和布局,优化滤波器的性能,如提高带外抑制、减小插入损耗等。
通过使用电磁仿真软件,工程师可以在设计阶段就对电路的性能进行全面的评估和优化,提前发现潜在的问题,并进行改进,从而提高设计的成功率和效率。同时,仿真结果还可以为实际制作和调试提供重要的参考依据,减少反复试验的次数,降低开发成本。
史密斯圆图工具是一种基于史密斯圆图的计算和分析工具,它能够帮助工程师快速地进行阻抗变换计算,验证匹配网络的设计方案。在线工具(如 Analog Devices Smith Chart Utility)是一种方便快捷的史密斯圆图工具,它无需安装,通过网页即可使用,支持在不同阻抗、频率下进行阻抗变换计算,以及匹配网络元件值的计算。

在初步设计匹配网络时,工程师可以使用史密斯圆图工具,根据源阻抗和负载阻抗的值,在史密斯圆图上绘制出阻抗点,并通过旋转、移动等操作,找到合适的匹配网络拓扑结构和元件参数。例如,已知源阻抗为 50Ω,负载阻抗为 100 + j50Ω,工程师可以使用史密斯圆图工具,在圆图上找到这两个阻抗点,然后通过串联电感、并联电容的操作,将负载阻抗变换到 50Ω,同时计算出所需电感和电容的值。
史密斯圆图工具不仅可以用于初步方案的验证,还可以帮助工程师理解阻抗匹配的原理和过程,提高设计的灵活性和准确性。它是射频工程师在日常工作中不可或缺的辅助工具,能够大大提高设计效率和质量。
功率放大器(PA)作为射频发射链路的核心,其性能直接决定了通信系统的覆盖范围和信号质量。在功率放大器的设计中,阻抗匹配是实现高效功率传输和良好线性度的关键,需要在输入和输出两个端口进行精心设计,以平衡效率与线性度的关系。
功率放大器的输出匹配网络旨在将功放的输出阻抗变换为 50Ω,以满足负载(如天线)的阻抗要求,同时抑制谐波的产生,提高功率传输效率。在实际应用中,π 型网络是一种常用的输出匹配结构,它由两个电容和一个电感组成,能够有效地实现阻抗变换和谐波抑制。
在一个工作频率为 1.8GHz 的 GSM 功率放大器中,功放的输出阻抗为 20 + j30Ω,而天线的阻抗为 50Ω。为了实现阻抗匹配,我们采用 π 型网络。通过计算和仿真,确定了匹配网络的参数:串联电感 L 为 1.5nH,并联电容 C1 为 10pF,C2 为 15pF。这样的 π 型网络能够将功放的输出阻抗变换为接近 50Ω,同时对二次谐波和三次谐波具有良好的抑制效果。在实际测试中,二次谐波抑制比达到了 - 40dBc,三次谐波抑制比达到了 - 50dBc,有效地避免了谐波对通信系统的干扰。
π 型网络的设计需要综合考虑多个因素,包括工作频率、功率容量、插入损耗等。在选择元件时,要注意电感和电容的品质因数(Q 值),尽量选择 Q 值高的元件,以减少插入损耗。同时,还要考虑元件的寄生参数,如电感的直流电阻、电容的等效串联电阻等,这些寄生参数会影响匹配网络的性能,应尽量选择寄生参数小的元件。
功率放大器的输入匹配网络主要负责将信号源的阻抗变换为与功放输入阻抗共轭匹配,以实现最大功率传输,提升功率增益。同时,由于功率放大器在工作过程中可能会出现自激振荡的问题,因此需要通过一些措施来改善其稳定性。
在一个工作频率为 2.4GHz 的 Wi - Fi 功率放大器中,信号源的阻抗为 50Ω,功放的输入阻抗为 15 + j25Ω。为了实现共轭匹配,我们采用 L 型匹配网络,通过串联电感和并联电容的方式,将信号源的阻抗变换为与功放输入阻抗共轭匹配。具体参数为:串联电感 L 为 1.2nH,并联电容 C 为 12pF。通过这样的匹配网络,功率放大器的功率增益提高了 3dB,有效地提升了信号的强度。
为了改善功率放大器的稳定性,我们在输入匹配网络中加入了一个隔离电阻 R,其值为 50Ω。隔离电阻的作用是增加输入阻抗的实部,减小反射系数,从而提高功率放大器的稳定性。在实际测试中,加入隔离电阻后,功率放大器的稳定性得到了显著改善,自激振荡的问题得到了有效解决。
在设计功率放大器的输入匹配网络时,还需要考虑到功率放大器的噪声性能。一般来说,为了获得最小的噪声系数,输入匹配网络需要将信号源的阻抗变换为与功放的最佳噪声阻抗共轭匹配。这就需要在功率增益和噪声系数之间进行权衡,根据具体的应用场景和需求,选择合适的匹配方案。
天线系统作为射频通信的 “空中桥梁”,其性能直接关系到信号的发射和接收质量。从片上天线到基站阵列,不同类型的天线系统在阻抗匹配方面面临着各自独特的挑战,需要采用针对性的匹配策略来实现高效的信号传输和辐射。
在现代集成电路设计中,片上天线(如 PCB 天线)因其体积小、成本低等优点而得到广泛应用。然而,PCB 天线的阻抗特性往往较为复杂,通常呈现出容性负载的特点,这给阻抗匹配带来了一定的困难。
以一款工作在 2.4GHz 的物联网设备为例,其 PCB 天线的阻抗为 30 - j40Ω,呈现出明显的容性。为了将其阻抗调谐至 50Ω,我们采用串联电感的方式进行匹配。根据阻抗匹配原理,通过计算可得所需串联电感的电感值约为 1.8nH。在实际设计中,选择了一款电感值为 1.8nH、Q 值为 80 的贴片电感。
需要注意的是,在片上天线匹配中,基板损耗对匹配元件的 Q 值有着显著的影响。由于 PCB 基板存在一定的电阻损耗,会导致匹配元件的 Q 值下降,从而影响匹配效果。在上述物联网设备中,由于基板损耗的影响,实际测量得到的匹配元件 Q 值下降到了 60 左右。为了补偿这种损耗,我们在设计时适当调整了匹配网络的参数,增加了电感的电感值,并优化了电容的电容值,最终实现了较好的阻抗匹配效果,使天线的回波损耗小于 - 10dB,确保了信号的高效辐射。
随着移动通信技术的不断发展,基站天线阵列需要支持多个频段的信号传输,同时还要实现波束赋形功能,以提高信号的覆盖范围和抗干扰能力。这就要求基站天线阵列的阻抗匹配网络具备多频段集成和动态调整的能力。
某 5G 基站天线阵列需要同时支持 3.3 - 3.6GHz 和 4.8 - 5.0GHz 两个频段的信号传输。为了实现多频段匹配,采用了一种集成式的匹配网络设计。该匹配网络由多个电感、电容和电阻组成,通过合理的布局和参数调整,能够在两个频段内实现良好的阻抗匹配。在 3.3 - 3.6GHz 频段,匹配网络将天线的阻抗调整为 50Ω,回波损耗小于 - 15dB;在 4.8 - 5.0GHz 频段,同样实现了良好的匹配效果,回波损耗小于 - 12dB。
为了实现波束赋形功能,基站天线阵列利用功分器将输入信号分配到各个天线单元,并通过可调移相器调整每个天线单元的相位,从而实现波束的定向辐射。在这个过程中,阻抗匹配也需要动态调整,以确保在不同的波束指向和工作频段下,天线阵列都能保持良好的性能。通过实时监测天线阵列的阻抗变化,并根据反馈信号自动调整匹配网络的参数,实现了波束赋形与阻抗的动态平衡,提高了基站的通信性能和可靠性。
在当今数字化时代,高速数字接口如 PCIe、USB 等广泛应用于各种电子设备中,它们负责数据的高速传输,其信号完整性直接影响着系统的性能和稳定性。在高速数字接口中,阻抗匹配是确保信号完整性的关键因素之一,通过源端串联匹配和负载端并联匹配等技术,可以有效地抑制信号反射,保障数据的准确传输。
随着数据传输速率的不断提高,如 PCIe 5.0 的速率已经达到了 32Gbps,信号在传输线上的反射和过冲问题变得愈发严重。源端串联匹配是一种常用的解决方法,它通过在驱动器输出端串联一个电阻,将信号源的阻抗调整为与传输线的特性阻抗相匹配,从而有效地抑制反射和降低过冲。
在一个 PCIe 5.0 的信号传输系统中,传输线的特性阻抗为 85Ω,驱动器的输出阻抗为 25Ω。为了实现阻抗匹配,在驱动器输出端串联了一个 22Ω 的电阻,使得信号源的总阻抗接近传输线的特性阻抗 85Ω。通过这种方式,有效地抑制了信号在传输线上的反射,降低了过冲和下冲的幅度。在实际测试中,采用源端串联匹配后,信号的过冲幅度从原来的 120mV 降低到了 50mV 以内,下冲幅度也得到了明显改善,确保了信号在高速传输过程中的完整性,提高了数据传输的可靠性。
负载端并联匹配是另一种常用的阻抗匹配方法,它通过在接收端并联一个电阻到地,将负载阻抗调整为与传输线的特性阻抗相匹配,从而消除接收端的信号反射。在 USB 3.0 等高速接口中,常常采用这种匹配方式。
在一个 USB 3.0 的信号传输系统中,传输线的特性阻抗为 90Ω,接收端的输入阻抗较高。为了实现阻抗匹配,在接收端并联了一个 50Ω 的电阻到地,使得负载阻抗接近传输线的特性阻抗 90Ω。通过这种方式,有效地消除了接收端的信号反射,提高了信号的质量。需要注意的是,负载端并联匹配会增加功耗,因为并联电阻会消耗一部分电流。在上述 USB 3.0 系统中,采用负载端并联匹配后,功耗增加了约 10mW。因此,在实际应用中,需要在高速率与低功耗之间进行折中考虑,根据具体的应用场景和需求,选择合适的匹配方案。如果对功耗要求较高,可以采用其他的匹配方式,如源端串联匹配或 AC 耦合匹配等;如果对信号完整性要求较高,则可以优先考虑负载端并联匹配。
在射频电路设计中,寄生参数犹如隐藏在暗处的杀手,悄无声息地影响着电路的性能。尤其是在高频段,寄生参数的影响变得愈发显著,成为工程师们必须面对和解决的关键问题。
在高频电路中,电感和电容等元件的寄生参数会对电路性能产生重大影响。以电感为例,其内部存在分布电容,这是由于电感的绕组之间存在电场耦合而产生的。在低频段,分布电容的影响较小,可以忽略不计;但当频率升高到 1GHz 以上时,分布电容的容抗逐渐减小,其对电感性能的影响变得不可忽视。分布电容会与电感形成并联谐振,导致电感的阻抗在谐振频率处急剧变化,从而影响电路的正常工作。
同样,电容的等效串联电阻(ESR)在高频下也不容忽视。ESR 是电容在高频工作时,由于介质损耗和引线电阻等因素而产生的等效电阻。在 1GHz 以上频段,ESR 会导致电容的损耗增加,降低电容的滤波效果。例如,在一个 1.5GHz 的射频电路中,使用了一款普通的陶瓷电容,其 ESR 为 0.5Ω。在高频信号的作用下,由于 ESR 的存在,电容的实际阻抗增大,导致信号在通过电容时产生了明显的衰减,影响了电路的性能。
为了应对元件寄生参数的影响,在高频设计中,应选择高频专用器件。薄膜电容具有低 ESR、低电感的特点,能够在高频下保持较好的性能,非常适合用于高频滤波和匹配电路。空心电感则由于没有磁芯,不存在磁滞损耗和涡流损耗,分布电容也相对较小,能够在高频下提供稳定的电感值,常用于高频振荡和调谐电路。在一个 2.4GHz 的 Wi-Fi 射频电路中,采用了薄膜电容和空心电感组成的匹配网络,有效地减少了元件寄生参数的影响,提高了电路的性能,使回波损耗小于 - 15dB,信号传输更加稳定。
PCB 布局是影响射频电路性能的另一个重要因素,其中微带线的设计和制作精度对特性阻抗的影响尤为显著。微带线是一种在 PCB 上常用的传输线结构,其特性阻抗与线宽、介质厚度和铜箔粗糙度等因素密切相关。
根据传输线理论,微带线的特性阻抗计算公式为:

从公式中可以看出,线宽和介质厚度的微小变化都会导致特性阻抗的波动。例如,当微带线宽度偏差 ±5% 时,通过计算可得,特性阻抗将波动 ±10% 左右。这种特性阻抗的波动会导致信号在传输过程中产生反射,影响信号的完整性。
为了确保微带线的特性阻抗符合设计要求,在 PCB 制作过程中,需要严格控制线宽、介质厚度与铜箔粗糙度。采用高精度的 PCB 制作工艺,如激光蚀刻、化学镀铜等,能够提高线宽和铜箔厚度的精度,减少特性阻抗的波动。同时,在 PCB 设计阶段,应充分考虑介质材料的选择,选择介电常数稳定、损耗低的介质材料,以保证介质厚度的一致性。
在一些对特性阻抗要求较高的射频电路中,还需要进行阻抗切片测试。通过对 PCB 进行切片,使用专业的测试设备(如扫描电子显微镜、阻抗分析仪等)对微带线的线宽、介质厚度和铜箔粗糙度等参数进行精确测量,从而验证特性阻抗是否符合设计要求。如果发现特性阻抗存在偏差,可以及时调整 PCB 制作工艺或修改设计,确保射频电路的性能。在一个 5G 基站的射频电路中,通过严格的阻抗切片测试,发现微带线的线宽存在轻微偏差,导致特性阻抗超出了设计范围。经过与 PCB 制造商沟通,调整了制作工艺,重新制作了 PCB,最终使特性阻抗满足了设计要求,保证了基站的正常运行。
在现代射频通信系统中,宽带匹配技术是实现信号高效传输和接收的关键。随着通信技术的不断发展,对射频电路的带宽要求越来越高,传统的单频点匹配技术已无法满足多频段通信的需求。因此,如何实现从单频点匹配到全频段覆盖,成为了射频工程师们面临的重要挑战。
多极点网络是一种常用的宽带匹配技术,它通过级联多个 L 型网络,形成带通特性,从而拓宽匹配带宽。L 型网络是一种最简单的匹配网络,由一个电感和一个电容组成,能够实现感性 / 容性负载到 50Ω 的转换。通过合理设计多个 L 型网络的参数,并将它们级联起来,可以实现对宽频带信号的匹配。
以一个需要覆盖 1 - 3GHz 频段的射频电路为例,我们可以设计一个由三个 L 型网络级联而成的多极点匹配网络。第一个 L 型网络用于将低频段的阻抗进行初步匹配,第二个 L 型网络进一步调整中频段的阻抗,第三个 L 型网络则对高频段的阻抗进行优化。通过精确计算和仿真,确定每个 L 型网络的电感和电容值,使得整个匹配网络在 1 - 3GHz 频段内都能够实现良好的阻抗匹配。在实际测试中,该多极点匹配网络的匹配带宽达到了倍频程以上,在 1 - 3GHz 频段内,回波损耗均小于 - 10dB,满足了宽带通信的需求。
多极点网络的设计需要综合考虑多个因素,包括工作频段、带宽要求、插入损耗等。在设计过程中,需要使用专业的射频电路设计软件(如 ADS、HFSS 等)进行仿真分析,通过优化网络参数,提高匹配带宽和性能。同时,还需要注意级联网络之间的隔离,避免相互干扰,影响匹配效果。
渐变结构是另一种实现宽带匹配的有效技术,它通过采用指数渐变传输线替代传统的 λ/4 变换器,能够实现更宽频带的阻抗匹配。传统的 λ/4 变换器只能在特定频率点实现阻抗匹配,对于宽带信号,其匹配效果较差。而指数渐变传输线的特性阻抗沿传输线长度逐渐变化,能够在宽频带内实现较好的阻抗匹配。

指数渐变传输线的设计基于传输线理论,其特性阻抗的变化满足指数函数关系。通过精确控制传输线的几何尺寸和材料参数,实现特性阻抗的渐变。在一个需要实现 1 - 10GHz 超宽带匹配的卫星通信终端中,采用了指数渐变传输线作为匹配网络。通过优化设计,该指数渐变传输线在 1 - 10GHz 频段内,能够将负载阻抗有效地匹配到 50Ω,回波损耗小于 - 15dB,实现了超宽带信号的高效传输。
渐变结构的优点在于其能够在宽频带内实现连续的阻抗匹配,避免了传统匹配网络在不同频率点之间的阻抗突变。但渐变结构的设计和制作难度较大,需要高精度的加工工艺和严格的质量控制。在制作指数渐变传输线时,需要精确控制传输线的宽度、厚度和介质材料的均匀性,以确保特性阻抗的渐变符合设计要求。同时,渐变结构的插入损耗也需要进行优化,通过合理选择材料和结构参数,降低插入损耗,提高信号传输效率。
在大功率射频电路中,散热与耐压设计是确保电路稳定运行和可靠性的关键因素。随着射频功率的不断提高,电路中的元件会产生大量的热量,如果不能及时有效地散热,会导致元件温度升高,性能下降,甚至损坏。同时,大功率电路对元件的耐压要求也更高,需要选择合适的元件和设计合理的电路结构,以保证电路在高电压下的安全运行。
在大功率场景下,元件的选型至关重要。以功率电感为例,其饱和电流是一个关键参数。饱和电流是指电感在电流增大到一定程度时,磁芯会出现饱和现象,导致电感值急剧下降,无法 正常工作。在选择功率电感时,应确保其饱和电流高于工作电流 1.5 倍以上,以保证电感在大功率下的稳定性。在一个功率放大器的输出匹配网络中,工作电流为 2A,那么选择的功率电感的饱和电流应至少为 3A,以确保在最大功率输出时,电感不会饱和,保证电路的正常运行。
对于电容,在大功率场景下,应选择高耐压陶瓷电容。陶瓷电容具有低 ESR、高稳定性和良好的高频特性,非常适合用于大功率射频电路。高耐压陶瓷电容能够承受较高的电压,避免在高电压下发生击穿现象。在一个工作电压为 50V 的大功率射频电路中,选择额定电压为 100V 以上的高耐压陶瓷电容,能够有效提高电路的可靠性,防止电容因电压过高而损坏。
热设计是大功率射频电路中不可忽视的环节。在设计匹配网络时,应将其布局远离功率管等热源,以减少热量对匹配网络的影响。功率管在工作时会产生大量的热量,如果匹配网络离功率管太近,会导致匹配网络中的元件温度升高,从而引起阻抗偏移,影响匹配效果。在一个功率放大器模块中,将匹配网络与功率管之间的距离增加到 5mm 以上,有效地减少了功率管热量对匹配网络的影响,保证了匹配网络的性能稳定。
为了进一步提高散热效果,必要时可以在 PCB 上增加散热过孔。散热过孔能够将 PCB 内部的热量传导到外部,降低元件的温度。通过合理设计散热过孔的大小、数量和布局,可以有效地提高散热效率。在一个大功率射频模块中,在功率管周围均匀分布了 10 个直径为 0.5mm 的散热过孔,使功率管的温度降低了 10°C 左右,有效地避免了温度漂移导致的阻抗偏移,保证了电路的稳定性和可靠性。同时,还可以采用散热器、导热胶等辅助散热措施,进一步提高散热效果,确保大功率射频电路在高温环境下的正常运行。
在科技飞速发展的当下,射频电路阻抗匹配技术也正站在变革的十字路口,从传统的标准化设计向智能化、集成化方向大步迈进。这一转变不仅是技术演进的必然趋势,更是满足不断增长的市场需求和应用场景的关键。从动态环境下的实时自适应匹配,到高度集成化的片上匹配解决方案,再到基于智能算法的多目标优化策略,每一个领域的突破都为射频电路的未来发展开辟了新的可能性。
在现代射频通信系统中,负载阻抗往往会随着工作环境、温度、频率等因素的变化而发生动态改变,传统的固定匹配网络难以适应这种变化,导致系统性能下降。自适应匹配技术应运而生,它能够实时监测负载阻抗的变化,并自动调整匹配网络的参数,以实现最佳的阻抗匹配。
自适应匹配技术的核心在于实时监测与快速响应。基于定向耦合器的反射系数监测是实现这一目标的关键手段之一。定向耦合器能够精确地检测射频信号的反射系数,通过实时监测反射系数的变化,系统可以及时获取负载阻抗的动态信息。深圳市广能达半导体科技有限公司在射频电源领域的专利技术就采用了定向耦合器来测量射频电路中前端设备的阻抗参数,利用 MCU 处理器控制由电容设备构建的串联电路和并联电路,形成串联控制电路和并联控制电路,实现对阻抗的精确测量和匹配调整。
一旦检测到负载阻抗的变化,控制系统会迅速做出响应,通过控制可调电容 / 电感阵列来重构匹配网络。以广能达半导体的专利方案为例,该方案通过 MCU 处理器控制电容设备的电容值,实现对匹配网络的快速调整。在实际应用中,这种自适应匹配系统能够在 50μs 内完成阻抗重构,大大提高了系统对负载变化的响应速度。
自适应匹配技术在负载频繁变化的场景中展现出了巨大的优势。在无线充电领域,充电设备与被充电设备之间的距离、角度以及被充电设备的电池状态等因素都会导致负载阻抗的变化。采用自适应匹配技术的无线充电系统能够实时调整匹配网络,确保在不同的充电条件下都能实现高效的能量传输,提高充电效率,减少能量损耗。同样,在 RFID 读写器中,不同的标签类型、标签与读写器之间的距离以及周围环境的干扰等因素都会影响负载阻抗,自适应匹配技术能够使读写器快速适应这些变化,提高读取的准确性和可靠性。
随着半导体技术的不断进步,系统级封装(SiP)技术逐渐成为实现射频电路集成化与片上匹配的关键。SiP 技术通过将多个集成电路(IC)和无源元件高度集成于单一封装体内,实现了功能完整、协同工作的系统单元。在 5G 通信领域,SiP 技术被广泛应用于 5G 前端模块(FEM)的设计中。5G FEM 需要集成功率放大器(PA)、低噪声放大器(LNA)、滤波器、天线开关等多个组件,同时还要实现各个组件之间的良好阻抗匹配。通过将 PA-LNA 匹配网络嵌入芯片封装中,采用 SiP 技术的 5G FEM 能够减少封装寄生效应,提升系统集成度。据相关数据显示,采用 SiP 技术的 5G FEM 尺寸相比传统分立元件方案缩小了 40%,功耗降低了 25%,同时还提高了信号的传输性能和可靠性。

SiP 技术的实现依赖于多种先进的封装工艺和结构,包括倒装芯片(Flip-Chip)、引线键合(Wire Bonding)、凸块技术(Bump Technology)以及晶圆级封装(WLP)等。倒装芯片技术能够提供更高的信号密度、更小的体积、高速传输和良好的热传导性能;引线键合技术具有成本低、灵活性高的特点,适用于多种封装场景;凸块技术能够提供更高的信号密度和更低的寄生效应;晶圆级封装技术能够提供更高的集成度、更小的尺寸和更低的成本,特别适用于便携式设备和消费电子领域。这些技术的综合应用,使得 SiP 技术在实现片上匹配方面具有独特的优势,能够满足现代射频通信系统对小型化、高性能、低功耗的需求。
在射频电路匹配网络的设计中,传统的设计方法往往侧重于单一目标的优化,如最大功率传输或最小反射系数,而忽略了其他重要指标,如插入损耗、带宽和成本等。随着射频系统复杂度的不断增加,对匹配网络的性能要求也越来越高,需要在多个目标之间进行综合权衡,实现效率、带宽、成本的帕累托最优。
多目标优化借助先进的优化算法和工具来实现。遗传算法作为一种智能优化算法,通过模拟自然界的遗传和进化过程,对匹配网络的参数进行全局搜索和优化。在 ADS、AWR 等专业的射频电路设计软件中,集成了遗传算法等多目标优化工具,工程师可以利用这些工具对匹配网络进行多目标优化。
在设计一个宽带射频功率放大器的匹配网络时,需要同时考虑功率传输效率、带宽和插入损耗等多个目标。使用遗传算法在 ADS 软件中进行优化,通过设定功率传输效率、带宽和插入损耗的目标值和约束条件,遗传算法可以在大量的可能解中搜索出一组最优的匹配网络参数,使得在满足带宽要求的前提下,功率传输效率最高,插入损耗最小。与传统的试错法相比,这种多目标优化方法能够大大提高设计效率,避免了盲目尝试带来的时间和成本浪费,同时还能获得更优的设计结果,实现匹配网络在效率、带宽和成本之间的最佳平衡。
从 50Ω 标准的产业共识到共轭匹配的物理本质,从史密斯圆图的几何智慧到自适应网络的智能控制,阻抗匹配始终是射频电路的核心命题。它不仅是 “让阻抗相等” 的简单操作,更是能量效率、信号完整与系统可靠性的交叉点。在 5G、6G、卫星通信蓬勃发展的今天,掌握阻抗匹配技术,就是掌握了打开高效射频系统的钥匙。对于工程师而言,从理论推导到工程实践的每一次匹配调试,都是对 “射频第一性原理” 的致敬 —— 让每一瓦能量精准抵达,让每一比特数据可靠传输,这正是阻抗匹配的终极使命。
版权声明:射频学堂原创或者转载的内容,其版权皆归原作者所有,其观点仅代表作者个人,射频学堂仅用于知识分享。如需转载或者引用,请与原作者联系。射频学堂转述网络文章,皆著名来源和作者,不可溯源文章除外,如有异议,请与我们联系。
来源:射频学堂