首页/文章/ 详情

天气不好就会异常的三极管?

1小时前浏览20

1、现象、问题描述:

板子在环境试验低温存储后(机框下电,-40°存储24h,恢复到常温25°,在25°条件下保持2h)上电,发现有4块单板未正常启动。监控单板电源,发现所有问题单板的5V电源异常(测试值为2.6V),而3V3、3V3_STBY、5V_STBY等电压输出正常;过了20分钟后(未对问题单板进行插拔),问题单板都恢复正常。
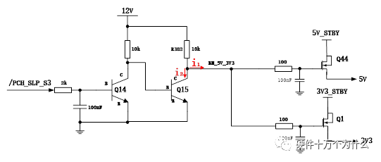
下图中5V异常,Q44没有充分导通。
我们在低温实验之后,一直没有找到规律。在实验室复现的时候,喷上液氮模拟低温,总觉得这个现象,时有时无。很难琢磨。后来郁闷至极,跟同事讨论说:你觉不觉得跟天气有关?天气不好的时候,就容易出现这个现象?
情急之下,用手指抹了一下口水涂抹在三极管封装表面。然后喷上液氮,问题复现了。
一个奇怪的跟天气有关电路:

2、关键过程、根本原因分析:

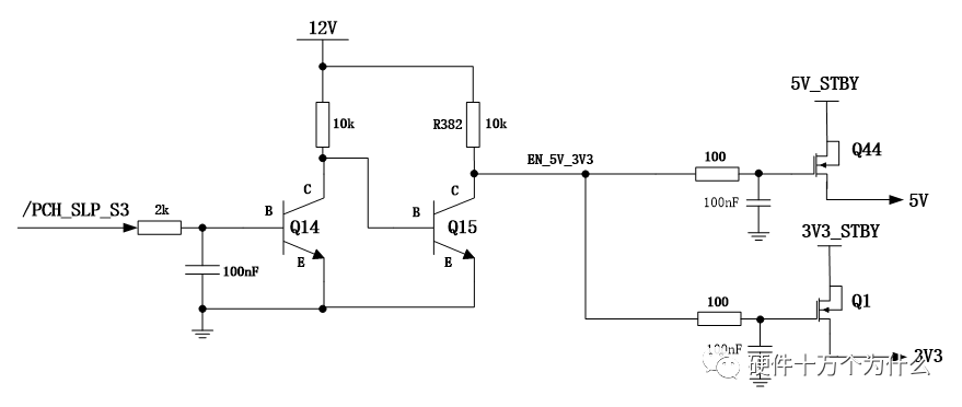
图1  5V&3V3控制电路
分析过程:
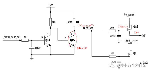
单板故障时,5V_STBY输出正常,而5V输出只有2.6V,分析图1电路的MOS管Q44(15060203)可知,此时该MOS管的Vgs小于导通阀值Vgs(th)(查看器件手册,低温下Vgs(th)大概为2.3V,见图2),处于未完全导通状态。要使5V输出正常,则Q44的G点电压Vg(即VEN_5V_3V3)必须大于7.3V(5V+2.3V);反之,单板出现故障时,VEN_5V_3V3 <7.3V。
图1,3V3和5V输出的MOS管G点使用同一个信号EN_5V_3V3来控制。单板发生故障时,3V3输出正常,因此Q1的Vgs>2.3V;VEN_5V_3V3>5.6V(3V3+2.3V)。
根据上面的分析可知,由于VEN_5V_3V3处于5.6V~7.3V之间,导致单板5V输出异常,3V输出正常。以下对VEN_5V_3V3输出降低的原因进行分析,图3为分析过程。
图2 MOS管Q44(15060203)Vgs曲线图
图3VEN_5V_3V3输出降低原因分析过程

2.1 排除Q15(15050026)三极管处于放大区
理论分析:
当单板启动时,SLP_S3会输出3V3电平,此时Q14的ib=(3.3-0.7)/2K=1.3mA;按三极管处于放大区时hFE=100计算,ic=100*1.3mA=130mA,已经超过了ic的饱和电流1.2mA(12V/10K),因此,Q15的B点电压应接近于0V,三极管应该处于关闭状态,不可能处于放大区。而根据三极管的温度特性(见图4),温度越低,三极管开启电压阀值越高,更不容易开启。因此,理论分析,此时三极管Q15不是处于放大区。
实测结果:
单板故障复现时,实测Q15的B点电压只有12mV,因此,三极管Q15不可能处于放大区。
图4 三极管Q15(15050026)Ic电流曲线图
2.2 排除三极管Q15的CE漏电流或MOS管Q1、Q44的GS漏电流导致
查看MOS管(15060203)数据手册可知,MOS管的GS漏电流最大只有100nA(见图5)。
图5 MOS管(15060203)GS漏电流
查看三极管Q15(15050026)的CE漏电流最大为100nA(见图6)。
图6 三极管Q15(15060203)CE漏电流
从上可知,三极管Q15的CE漏电流或MOS管Q1、Q44的GS漏电流,最多使VEN_5V_3V3的电压下降3mV(100nA*3*10K),所以也不是故障产生的根因。

2.3 确认漏电流往三极管Q15方向流

单板故障时,R382上有大概0.5mA(5V/10K)的电流流过,流往的方向只有两个:I1或I2方向,如图7所示。通过下面操作来确认漏电流流向。
操作方式如下:
1、用液氮对Q15降温操作,故障复现,VEN_5V_3V3逐渐降低时,检测到的电流I2逐渐增大,而电流I1始终为0。
2、用液氮对Q1、Q44降温操作,多次降温,未发现VEN_5V_3V3输出降低。检测到的I1 、I2电流都为0。
由此可以知道,三极管对低温敏感,造成单板故障。且单板故障时,R382上的电流都是往三极管Q15上流的。
图7 I1 、I2电流检测
2.4 分析三极管Q15产生漏电流的原因
1、怀疑三极管Q15上拉的电压(12V)过高;
2、三极管封装封装杂质;
3、怀疑是三极管本身的特性造成,改用相同封装的MOS管代替。
造成单板故障是三极管Q15在低温下引起,且R382上产生的电流都是流向Q15。因此为排查其他因素的影响,对单板上的电路做如图8处理:断开后级的Q1和Q44(去掉100欧姆电阻);将Q15B点的直接拉地。


2.4.1排除三极管Q15上拉的电压(12V)过高;
为了验证该问题是否是Q15的C点上拉电压过高引起,因此将上拉电压从12V改为5V,用液氮对Q15进行降温处理。
     图8 上拉电压更换为5V
结果:VEN_5V_3V3仍然会出现下降,因此,可以排除三极管Q15上拉的电压过高因素
2.4.2排除三极管封装杂质因素
此前其他产品线出现过MOS管器件内部污染导致漏电流超标的问题,但此类问题属于批次问题。将Q15更换为不同批次和不同厂家的三极管(15050026)进行测试,发现现象依然存在。因此,排查三极管封装杂质因素。
2.4.3怀疑三极管自身特性造成
其他单板类似电路在Q15处用MOS管(相同封装)代替,因此,怀疑是否是三极管自身的特性引起,于是用相同封装的MOS进行代替,并进行液氮降温测试。
图9 将Q15更换为同封装的MOS管
故障仍然存在,VEN_5V_3V3在低温下,从5V开始跌落,最低跌落到2V以下,且保持时间超过15分钟以上。排除三极管自身特性造成。
图10 VEN_5V_3V3 在低温下下降到1.44V
2.4.4确认是SOT23封装的三极管和MOS管在低温下阻抗减小导致
测试故障单板上MOS管Q15的DS阻值,发现只有7K;而单板正常时测试到的DS阻值为41K,因此怀疑是低温导致SOT23封装的MOS管DS阻值、三极管CE的阻抗变小,和上拉的10K电阻产生分压,导致输出VEN_5V_3V3降低。
为验证在低温下SOT23封装的MOS管DS阻抗、三极管CE阻抗会变小,取多个三极管、MOS管器件(SOT23封装,未焊在板上),用液氮进行降温,测试三极管CE、MOS管DS的阻抗。
降温前,测试到的阻抗为无穷大(100M欧以上);降温后,测试到的阻抗会降低,测试到的最小阻抗只有10K。
因此,可以确认是SOT23封装的三极管和MOS管在低温下阻抗减小,和上拉的10K电阻产生分压,导致输出VEN_5V_3V3降低。
厂家已承认有这种问题,在低温、高湿度的环境下,SOT23封装的三极管和MOS管的阻抗会减小。

3 结论、解决方案及效果:

结论:在低温、高湿度情况下,SOT23这类小封装的三极管(或者MOS管)会呈现低阻抗特征,和上拉的10K电阻产生分压,导致VEN_5V_3V3输出变低。当三极管Q15的CE阻抗降低到小于14K时,由于分压,VEN_5V_3V3输出会小于7V,使5VMOS管的Vgs电压小于MOS管的导通要求,导致5V输出变低。
图13  5V输出变低过程
解决方案:
减小Q15三极管C点的上拉电阻,改为1K。减小封装在低温高湿的情况下,楼电流,影响输出端电压。
改为1K之后,Q15完全导通时电流比较大。要注意电阻的封装、额定功率。

4、经验总结、预防措施和规范建议

    SOT23封装的MOS管、三极管在低温+高湿度的条件下,三极管的RCE、MOS管的RDS呈现低阻抗特征,如果选用此类器件来控制开关/使能信号,建议上拉的电阻不要太大,保证输出电压满足后级开启要求,同时需要注意上拉电阻的降额要求。

声明:


 
明:本号对所有原创、转载文章的陈述与观点均保持中立,推送文章仅供读者学习和交流。文章、图片等版权归原作者享有,如有侵权,联系删除。  



来源:硬件笔记本
电源电路电子理论控制试验
著作权归作者所有,欢迎分享,未经许可,不得转载
首次发布时间:2025-11-18
最近编辑:1小时前
硬件笔记本
本科 一点一滴,厚积薄发。
获赞 156粉丝 45文章 581课程 0
点赞
收藏
作者推荐

仿"华为"电路?高压直流模块DC-DC驱动电路对比

高压直流模块的DC-DC驱动设计要求:(1) 开关频率:90kHZ-300kHZ; (2) 所用功率器件:MOSFET,不能用IGBT; (3) 占空比范围:PFM 50% duty,PWM 0-95% duty; (4) 死区时间:200ns左右,依据所选MOSFET的关断延时决定,尽量小; (5) 驱动电压:正平台电压大于10V;需要驱动负压,-2V或以下。驱动供电电源设计为15V左右。 (6) 采用副边控制,需要隔离驱动,隔离电压:3000kVrms; (7) 需要MOSFET快速关断电路; (8) 需要推挽电路增大驱动输出功率; (9) 需要考虑MOSFET并联时的均流问题; (10) 需要对之前模块的驱动相关问题进行排查,规避以往驱动电路的问题; (11) 驱动芯片要求兼容CMOS电平,能直接从DSP侧作为输入; 已有驱动电路分析当前已有的方案情况: (1) 整个多路的DC-DC驱动电路只有一路电源供电。通过驱动变压器隔离,1拖2。驱动供电在驱动变压器原边。 (2) 华为336驱动方案,控制侧一路,驱动侧2路,共需3路电源。实际驱动侧采用自举供电的方式,保证一路电源能同时给上下桥供电。驱动变压器为1拖2。实际驱动供电在驱动变压器副边,驱动变压器原边只负责控制和隔离。 (3) 台达样机的驱动方案,需要更多路电源。具体是:控制侧一路电源,驱动侧每个桥臂都有一路单独的隔离电源。驱动变压器原边依旧只负责控制,驱动供电由副边完成。 三种驱动电路对比: 已有的模块 华为336模块 台达模块 驱动变压器绕组数 3(1拖2) 3(1拖2) 3(1拖2) 驱动供电位置 驱动变压器原边 (驱动变压器负责控制和供电) 驱动变压器副边 (驱动变压器只负责控制,不负责供电) 驱动变压器副边 (驱动变压器只负责控制,不负责供电) 供电电源 全部驱动电路总共只有1个电源 每组上下桥臂共用1个,上桥采用浮驱的方式,共7组(三相LLC) 每个桥臂单独供电 是否有驱动快速关断电路 有 有 有 是否有驱动负压 有 无 未知 是否有驱动推挽电路 有 无(驱动芯片UCC27324的两路输出来同时驱动同一路MOSFT,每路最大4A输出电流,共8A驱动电流,驱动功率够,无需推挽) 有 是否有驱动信号电平转换电路 有,74HC08 无 有 驱动变压器原边是否串联电阻 无 有,1欧 无 G/S之间的跨接电阻 4.7k欧 10k欧 10k欧 驱动开通电阻值 15.1欧(规格书最小驱动电阻为3.3欧,SPW35N60CFD) 5.9欧(规格书最小驱动电阻1.8欧,IPW65R041CFD) 未知 假如将这三种类型的驱动电路分别应用到交错并联LLC的驱动电路上,对比如下: 我司15K模块的方案 华为336模块的方案 台达模块的方案 供电电源数 1路 1+4路 1+8路或1+6路(下桥臂可共用同一路电源) 驱动芯片数 4PCS(IXDN604) 4+8PCS(UCC27324) 4PCS(UCC27322) 推挽电路数 8 0 8 驱动变压器个数 4 4 4 DSP送出的驱动信号是否需要电平转换 不需 不需 需要,4个电平转换芯片 成本差异情况 基准 相对基准,多了8路驱动芯片和4路电源的成本,少了8个推挽电路的成本。 相对基准,多了2-4路驱动电源和4个驱动芯片的成本。 初步判断,在这三种驱动电路里面,已有模块的驱动电路方案成本最低。 已有模块的驱动电路存在的问题已有模块驱动电路存在一个较大的问题,就是死区时间内,驱动不受控的问题。如下图: 驱动变压器的每个副边都会输出三个电平,正电平,0电平和负电平。在刚从正电平进入0电平时,驱动的快速关断电路动作,MOSFET关断。随后由于驱动电压不断下降,Q30的1、2脚之间的电压也降低至0.7V以下,Q30关断,快速关断电路不起作用。由于驱动变压器原边无能量传递到变压器副边,MOSFET的驱动实际处于不受控状态,其G/S之间就只靠1个无源器件(4.7k的电阻)来将拉低。一般在PFM态下,0电平时间短,一般不会存在问题。但是在PWM态下,0电平时间会变长,驱动不受控时间变长。在有干扰的情况下,通过米勒电容,G/S之间的电容被充电使得驱动电压抬高,模块开通。最严酷的情况,甚至可能导致上下桥直通,模块炸机。 解决该驱动电路问题的方法解决此驱动电路的这个问题,就是要让MOSFET的驱动侧一直受控。最初想到的可能解决方案有四个: (1) 考虑其它的隔离方式,比如光耦隔离; (2) 考虑选用开通门槛电压高的MOSFET或者IGBT; (3) 驱动变压器改为1拖1的方式,同时保留驱动负压,可保证MOSFET G/S端受控; (4) 驱动供电电源改为在驱动变压器副边供电,驱动变压器原边只负责控制,类似华为和台达模块的方式; 方案1可行性分析: 此方法理论上可行,但实际无优势。主要原因是:光耦副边同样需要电源供电,会多出N路电源;且光耦一般还存在可靠性、响应延时、隔离电压等级越高价格越贵等问题。采用此种方案无论是成本还是可靠性上都没有优势,因此放弃。 方案2可行性分析: 在我理解看来,已有模块的方案中,在G/S之间挂了一个4.7k电阻的情况下,死区时间内依旧容易出问题的其中一个原因,是因为MOSFET的门槛电压太低,经不起风吹草动。 下面是已有模块所用MOSFET的三家产品的门槛电压情况: 开通门槛电压 Min Typ Max SPW35N60CFD(英飞凌) 3 4 5 IPX65R110CFD(英飞凌) 3.5 4 4.5 STW43NM60ND(ST) 3 4 5 另外,查了一下常用的富士和东芝MOSFET的开通门槛电压,如下: 富士MOSFET: 东芝MOSFET: 除了英飞凌的部分管子的门槛电压最低为3.5V以外,其它管子最低电压都是3V。需要查看一下15k以往的管子损坏数据,是否最低门槛电压为3.5V的IPX65R110CFD损坏较少。 但是从驱动电路设计需要能兼容各家管子的角度来看,采用择管子的方式来规避这个问题,不合适。另外,由于开关频率在100K以上,无法用门槛电压高的IGBT。因此,此方案放弃。 方案3可行性分析: 若采用方案3,驱动变压器1拖1,基本的原理图如下: 驱动变压器原边: 驱动变压器副边: 从原理图可见,驱动变压器1拖1,驱动变压器副边输出电平从3个改为了2个,电平稳定,不会出现上面的问题。 方案4可行性分析: 采用华为的驱动电路,也可以解决驱动电路的该问题。 华为模块具体解决该问题的方式,包含了下面几个部分: (1) 驱动变压器只负责控制和隔离,不负责传递驱动能量;驱动能量从副边再引入电源提供; (2) 采用上图红圈内的二极管,保证了1拖2时的驱动变压器副边负压在进入驱动芯片前消耗掉,送入驱动芯片的电压只有正驱动电压和0电平(UCC27324的电源电压供电范围为-0.3V到16V)。 (3) 采用上图红圈内的下拉电阻,保证了在死区时间内,能快速的驱动变压器副边杂生电感附带的能量消耗掉,死区时间内保持低电平。采用10k电阻就能搞定的原因,还是因为驱动变压器只传递控制信号而不传递驱动能量,驱动变压器副边杂生电感残存的能量少。 查看UCC27324的datasheet,如下: 低电平的上限为1V,可以满足使用要求。 成本分析将方案3和方案4所用器件情况: 方案3 价格(元) 方案4 价格(元) 价格差(方案3-方案4)(元) 驱动变压器个数 8 3.1*0.7 4 3.1*0.7 8.68 驱动芯片个数 4 1.4*4 4+8 1.4*12 -11.2 推挽电路个数 8 (0.26+0.26)*8 0 0 4.16 供电电源 1 按每一路0.5元算,0.5 1+4 按每一路0.5元算,0.5*5 -2 自举供电所需二极管和电容 0 按每一路0.2元算,0 4个二极管和4个电容 按每一路0.2元算,0.8 -0.8 综合成本对比 27.62 28.78 -1.16 从综合成本比对来看,方案3比方案4便宜1.16元,方案3较有优势。 但是,问题在于,方案3需要选用8个驱动变压器,由于驱动变压器为插件器件,需要占用PCB正面的位置。这对于当前非常有限的PCB空间而言,又是一个挑战。 对于方案4,仿照华为电路,总共用了12个驱动芯片,这是其成本最贵的地方。可能的原因,是华为采购27324的价格非常便宜。实际上,副边还采用27324,非常的浪费。 这里将华为模块的优点和台达模块的优点合在一起,即在驱动变压器副边,将27324修改为推挽电路,将每个桥臂单独供电改为华为模块的自举供电,变成方案5。成本对比如下: 方案3 价格(元) 方案5 价格(元) 价格差(方案3-方案5)(元) 驱动变压器个数 8 3.1*0.7 4 3.1*0.7 8.68 驱动芯片个数 4 1.4*4 4 1.4*4 0 推挽电路个数 8 (0.26+0.26)*8 8 (0.26+0.26)*8 0 供电电源 1 按每一路0.5元算,0.5 1+4 按每一路0.5元算,0.5*5 -2 自举供电所需二极管和电容 0 按每一路0.2元算,0 4个二极管和4个电容 按每一路0.2元算,0.8 -0.8 综合成本对比 27.62 21.74 5.88 因此,推荐采用方案5。 推荐驱动电路从成本和PCB正面空间占用情况考虑,推荐采用方案5,类似华为模块的驱动电路,但是将驱动变压器副边的UCC27324改为推挽电路。声明: 声明:文章来源@艾伊电源。本号对所有原创、转载文章的陈述与观点均保持中立,推送文章仅供读者学习和交流。文章、图片等版权归原作者享有,如有侵权,联系删除。 来源:硬件笔记本

未登录
还没有评论
课程
培训
服务
行家
VIP会员 学习计划 福利任务
下载APP
联系我们
帮助与反馈