1请列举您知道的电阻、电容、电感品牌(最好包括国内、国外品牌)。
电阻:
美国:AVX、VISHAY 威世
日本:KOA 兴亚、Kyocera 京瓷、muRata 村田、Panasonic 松下、ROHM 罗姆、susumu、TDK中国台湾: LIZ 丽智、PHYCOM 飞元、RALEC 旺诠、ROYALOHM 厚生、SUPEROHM 美隆、TA-I 大毅、TMTEC 泰铭、TOKEN德键、TYOHM 幸亚、UniOhm 厚声、VITROHM、VIKING 光颉、WALSIN 华新科、YAGEO 国巨
新加坡:ASJ
中国:FH 风华、捷比信
电容:
美国:AVX、KEMET 基美、Skywell 泽天、VISHAY 威世
英国:NOVER 诺华 德国:EPCOS、WIMA 威马 丹麦:JENSEN 战神
日本:ELNA 伊娜、FUJITSU 富士通、HITACHI 日立、KOA 兴亚、Kyocera 京瓷、Matsushita 松下、muRata 村田、NEC、nichicon(蓝宝石)尼吉康、Nippon Chemi-Con(黑金刚、嘉美工)日本化工、Panasonic 松下、Raycon 威康、Rubycon(红宝石)、SANYO 三洋、TAIYO YUDEN 太诱、TDK、TK 东信
韩国: SAMSUNG 三星、SAMWHA 三和、SAMYOUNG 三莹
电感:
美国:AEM、AVX、Coilcraft 线艺、Pulse 普思、VISHAY 威世
德国:EPCOS、WE
日本:KOA 兴亚、muRata 村田、Panasonic 松下、sumida 胜美达、TAIYO YUDEN 太诱、TDK、TOKO、TOREX 特瑞仕
中国台湾:CHILISIN 奇力新、Mag.Layers 美磊、TAI-TECH 台庆、TOKEN 德键、VIKING 光颉、WALSIN 华新科、YAGEO 国巨
中国:Gausstek 丰晶、GLE 格莱尔、FH 风华、CODACA 科达嘉、Sunlord 顺络、紫泰荆、肇庆英达
2请解释电阻、电容、电感封装的含义:0402、0603、0805。
表示的是尺寸参数。 0402:40*20mil;0603:60*30mil;0805:80*50mil。
3请说明以下字母所代表的电容的精度:J、K、M、Z。
J——±5%;K——±10%;M——±20%;Z——+80%~-20%
4请问电阻、电容、电感的封装大小分别与什么参数有关?
电阻封装大小与电阻值、额定功率有关;电容封装大小与电容值、额定电压有关;电感封装大小与电感量、额定电流有关。
5如果某 CPU 有很多IO 端口需要接上下拉电阻,电阻范围1~10K 欧姆均可。以下规格的电阻,您会选择哪一种:1K/1%、4.99K/1%、10K/1%、1K/5%、2.2K/5%、4.7K/5%、8.2K/5%、10K/5%、3.9K/10%、5.6K/10%、4.7K/20%?说明你选择该电阻的理由。
从理论上来说,1~10K 的电阻都可以采用,但如果从价格上考虑,当然是4.7K/20%的最合算。
6请简述压敏电阻工作原理。
当压敏电阻上的电压超过一定幅度时,电阻的阻值降低,从而将浪涌能量泄放掉,并将浪涌电压限制在一定的幅度。
12如果一个LED 指示灯没有定义颜色,红、绿、黄、橙、蓝、白色你会选择哪一种,为什么?
按照使用习惯,电源指示灯用红色,信号指示灯用绿色,这两种颜色的LED 灯技术最成熟,价格最便宜。
13请简述TVS 瞬态电压抑制二极管的工作原理。
当TVS 上的电压超过一定幅度时,器件迅速导通,从而将浪涌能量泄放掉,并将浪涌电压限制在一定的幅度。
14请列举您知道的二极管型号。
1N4148、1N5817、1N5819、1N5820、1N5822、1N4001、1N4007、SR160、SR360、BAT54A、BAT54C、BAT54S
15请列举您知道的NPN 三极管型号。
2N2222、2N3904、2N5550、2N5551、M8050、S9013、S9014、S9018
16请列举您知道的PNP 三极管型号。
2N3906、M8550、S9012、2SB1005、2SB1184、2SB1386、2SB1412、2N4403、2N4030
17列举您知道的P-MOS 管型号。
AO3415、Si2301DS、Si2305DS、AP4435M、AP9435M
18列举您知道的N-MOS 管型号。
IRF7809A、Si2302DS、BSS138
19为什么OD(开漏)门和OC(开集)门输出必须加上拉电阻?
因为MOS 管和三极管关闭时,漏极D 和集电极C 是高阻态,输出无确定电平,必须提供上拉电平,确定高电平时的输出电压。
2020、列举您知道的LDO(低压差线性稳压器)的型号。
AZ1084、AZ1085、AZ1086、AMS1117、AS1581、APL5102、BL8503、AP1184、AP1186、LM7805、 LM7812 、LM7905、R1114、RT9169、RT9172、TPS73701、XC6206、XC6210。
21请列举您知道的DC-DC 控制器型号。
AP34063、AAT1160、APW7102、APW7136、BL8530、AP1507、LM2576、LM2596、RT8008、SP6123、 XC9201
23请问电荷泵升压电路一般应用在什么场合?电荷泵可以胜任大电流的应用吗,为什么?
电荷泵通过开关对电容充放电实现升压,因为电路没有电感元件储能,驱动能力较弱,只可以用于小电流场合。
24请列举您知道的复位IC 型号。
IMP809、IMP811。
25请列举您知道的51 单片机型号。
AT89C2051、AT89C51、AT89S52、W78E65、W78E516B。
26请列举您知道的ARM CPU 型号。
S3C4510B、S3C44B0、S3C2440、S3C2442、S3C2443、S3C2410、S3C2412、S3C2416、S3C 6400、OMAP3530、AM3517
27请解释WatchDog(看门狗)的工作原理。
看门狗有两个重要信号:时钟输入和复位输出。电路工作时,CPU 送出时钟信号给看门狗,即喂狗。如果系统出现故障,CPU 无法送出连续的时钟信号,看门狗即输出复位信号给CPU,复位系统。
28请列举三种典型的ESD 模型。
人体模型(HBM)、机器模型(MM)、带电器件模型(CDM)。
29请问RoHS 指令限制在电子电气设备中使用哪六种有害物质?
限制使用铅、汞、镉、六价铬、多溴联苯(PBB)和多溴二苯醚(PBDE)等六种有害物质。
31多级放大电路的级间耦合方式有哪几种?哪种耦合方式的电路零点偏移最严重?哪种耦合方式可以实现阻抗变换?
有三种耦合方式:直接耦合、阻容耦合、变压器耦合。直接耦合的电路零点漂移最严重,变压器耦合的电路可以实现阻抗变换。
35请问锁相环由哪几部分组成?
由鉴相器、环路滤波器和压控振荡器三部分组成。
36请问RS-232C 标准的逻辑0 和逻辑1 电压范围是多少?
RS-232C 电气标准是负逻辑,逻辑0 的电压范围是+5V~ +15V,逻辑1 的电压范围是-5V ~ -15V。-5V~+5V 为不稳定区。
37名词解释:UART、USRT、USART。
UART:Universal Asychronous Receiver/Trans mitter,通用异步接收器/发送器,能够完成异步通信。
USRT:Universal Sychronous Receiver/Trans mitter,通用同步接收器/发送器,能够完成同步通信。
USART:Universal Sychronous Asychronous Receiver/Trans mitter,通用同步异步接收器/发送器,能完成异步和同步通信。
38请问串口异步通信的字符帧格式由哪几部分组成?
由起始位、数据位、奇偶校验位和停止位四部分组成。
39请列举您知道的差分平衡电平接口。
RS422、RS485、RJ45、CAN、USB、LVDS。
40电磁干扰的三要素是什么?
电磁干扰源、干扰传播路径和干扰敏感设备。
41请解释一下什么是串扰和振铃。
串扰:串扰是指一个信号被其它信号干扰,作用原理是电磁场耦合。信号线之间的互感和互容会引起线上的噪声。容性耦合引发耦合电流,而感性耦合引发耦合电压。
振铃:是因为信号线本身阻抗不匹配导致信号发生反射和叠加,从而使信号出现了振荡波形。
42您所遇到的需要控制单端阻抗为50 欧姆、75 欧姆的信号有哪些?您所遇到的需要控制差分阻抗为90 欧姆、100 欧姆、120欧姆的信号有哪些?
一般的高频信号线均为50 欧姆~60 欧姆。75 欧姆主要是视频信号线。USB 信号线差分阻抗为90 欧姆,以太网差分信号线差分阻抗为100 欧姆。RS422、RS485、CAN 差分信号的差分阻抗为120 欧姆。
43差分线走线有两个原则:等长和等距。但在实际布线中可能无法两者都完全满足,那么请问是等长优先还是等距优先?
应该等长优先,差分信号是以信号的上升沿和下降沿的交点作为信号变化点的,走线不等长的话会使这个交点偏移,对信号的时序影响较大,另外还给差分信号中引入了共模的成分,降低信号的质量,增加了EMI。小范围的不等距对差分信号影响并不是很大,间距不一致虽然会导致差分阻抗发生变化,但因为差分对之间的耦合本身就不显著,所以阻抗变化范围也是很小的,通常在10%以内,只相当于一个过孔造成的反射,这对信号传输不会造成明显的影响。
44为什么高频信号线的参考地平面要连续(即高频信号线不能跨岛)?
参考地平面给高频信号线提供信号返回路径,返回路劲最好紧贴信号线,最小化电流环路的面积,这样有利于降低辐射、提高信号完整性。如果参考地平面不连续,则信号会自己寻找最小路径,这个返回路径可能和其他信号回路叠加,导致互相干扰。而且高频信号跨岛会使信号的特征阻抗产生特变,导致信号的反射和叠加,产生振铃现象。
45请问什么是半固化片?
半固化片是PCB 中的介质材料和粘合材料,由玻璃纤维和环氧树脂组成,介电常数大概是4.0~4.5。在常温下半固化片是固态,高温加热时半固化片胶状化将上下两侧铜箔粘合起来,半固化片成为中间的介质。
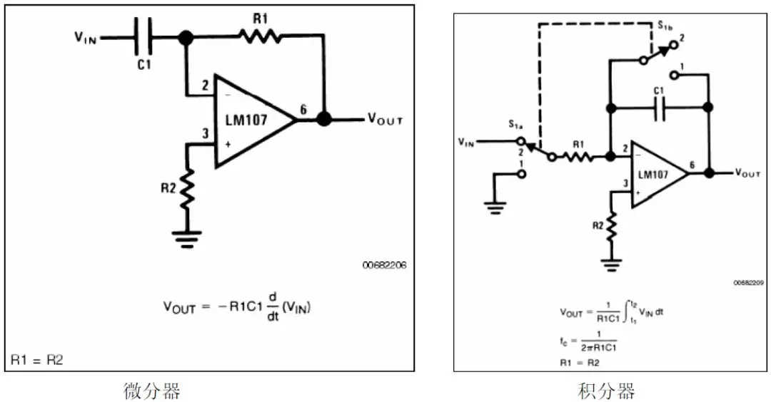
46请问什么是通孔、盲孔和埋孔?孔径多大可以做机械孔,孔径多小必须做激光孔?请问激光微型孔可以直接打在元件焊盘上吗,为什么?
通孔是贯穿整个PCB 的过孔,盲孔是从PCB 表层连接到内层的过孔,埋孔是埋在PCB 内层的过孔。大多数PCB 厂家的加工能力是这样的:大于等于8mil 的过孔可以做机械孔,小于等于6mil 的过孔需要做激光孔。对小于等于6mil 的微型孔,在钻孔空间不够时,允许一部分过孔打在PCB 焊盘上。
47请问过孔有哪两个寄生参数?这两个寄生参数对电路有什么影响?
过孔有两寄生参数:寄生电容和寄生电感。
寄生电容会延长信号的上升时间,降低电路的速度。寄生电感会削弱旁路电容的贡献,减弱整个电源系统的滤波效果。
48您知道的画原理图和PCB 的软件都有哪些
原理图软件:Protel、OrCAD、PADS Logic
PCB软件:Protel、Allegro、PADS Layout、Mentor Expedition
49您知道的计算PCB 阻抗的软件都有哪些?
TXLine、Polar Si6000、Polar Si8000、Polar Si9000
50请列举您知道的PCB 厂家。
嘉立创
51请列举您知道的覆铜板厂家。
生益、建滔。
52示波器铭牌一般都会标识两个参数,比如泰克TDS1002B 示波器标识的60MHz 和1GS/s,请解释这两个参数的含义。
60MHz 是指示波器的带宽,即正常可以测量60MHz 频率以下的信号。1GS/s 是指示波器的采样速率,每秒最多采样1G个点。
55如果一个门电路,输入高电平阈值是2.0V,输入低电平阈值是0.8V。那么如果输入一个1.2V 的电平,请问门电路工作在什么状态?
状态不确定。
56请问为何手持便携电子产品,需要在众多输入输出接口加ESD 器件?您认为选择ESD 元件的时候需要注意哪些参数?如果一个时钟线加了ESD 器件之后接口工作不正常,把ESD 器件去掉之后却能正常工作,您认为是什么原因,应该如何重新选择ESD 器件?
手持设备,众多输入输出接口均可能受到静电放电的损害,所以要加ESD 保护器件。ESD 元件的选择需要注意三个参数:正常工作电压、动作嵌位电压和等效电容。如果等效电容过大,会影响信号的工作频率,所以需要根据信号最大工作频率来选择ESD 器件的等效电容。
57如果以电路中的功放管的工作状态来划分,音频功放可以分为哪几类?那种功放的效率最高,哪种功放的效率最低?哪种功放存在交越失真?哪种功放的功放管导通时间大于半个周期且小于一个周期,哪种功放的功放管导通时间等于半个周期?功放管一直处于放大状态的是哪种功放?
可分为四类:A 类、B 类、AB 类、D 类。D 类功放效率最高,A 类功放效率最低。B 类功放存在交越失真。AB 类功放的功放管导通时间大于半个周期小于一个周期,B 类功放的功放管导通时间是半个周期。功放管一直处于放大状态的是A 类功放。
58将一个包含有32768 个基本存储单元的存储电路设计成8 位为一个字节的ROM,请问该ROM 有多少个地址,有多少根数据读出线?
有4096 个地址,数据线是8 根。
59在函数L(A,B,C,D)= AB + CD 的真值表中,L=1 的状态有多少个?
7个。
60如果[X]补=11110011,请问[X]=?[-X]=?[-X]补=?
[X]补最高位是1,则[X]是负数,[-X]是正数。
[X]=10001101,[-X]=00001101,[-X]补=00001101。
61电容的高频等效模型为等效电阻R,等效电感L 和等效电容C 的串联。请写出该电容在高频状态下的阻抗表达式。请问该电容的谐振频率fT 是多少?在什么频率下该电容呈容性?在什么频率下该电容呈感性?在滤波电路中应如何选择电容的谐振频率?

62数字电路中常采用0.1uF 贴片电容作为滤波电容,该电容的等效串联电感典型值是5nH。请问该电容用于什么频率以下的杂讯的滤波?

63为何电源的滤波电路常常是大电容配合小电容滤波(比如220uF 电解电容配合0.1uF 贴片电容)?
由于制作材料的不同,各种电容的等效参数也不同。一般来说,电解电容和钽电容的谐振频率比较低,对低频噪声的滤波效果比较好;贴片电容谐振频率比较高,对高频噪声的滤波效果比较好。对于电源电路,由于整个PCB 板上的噪声都加到了它的上面,包括了低频噪声和高频噪声。要对电源噪声实现比较好的滤波效果,滤波电路必须在较宽的频率范围内对噪声呈现低阻抗,单独用一种电容是达不到这种效果的,必须采取大的电解电容(或钽电容)并联贴片小电容的方式。

64某滤波器的传递函数为

请问该滤波器是什么性质的滤波器(一阶、二阶、高通、低通、带通、带阻)?
这是一个二阶低通滤波器。
65请画出二极管和电阻组成的二输入与门、二输入或门。

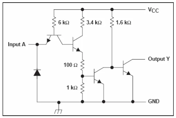
66下图是SN7407 逻辑芯片其中一个门的电路图,请写出A 和Y 的逻辑关系式。请问这种逻辑门有什么用途?

Y=A,这是OC 输出的Buffer,用于实现TTL 电平到MOS 电平的转换,可增大输出电压和电流。输入为TTL 电平(如3.3V TTL),输出可上拉至15V 或30V,用于驱动指示灯或继电器等。
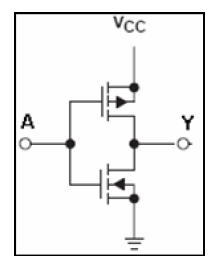
67请写出下图中A 和Y 的逻辑关系。

Y=/A,这是CMOS 结构的非门。
68请问以下晶体振荡器电路中电阻R1 有什么作用?请问C1、C2 和晶体Y1 是串联还是并联的?如果C1=C2=30pF,晶体振荡回路上的其他杂散电容之和为Cs=5pF,请问这个晶体的负载电容CL 是多少?C1、C2 应该比CL 大还是小?又或者C1=C2=CL?

R1 配合IC 内部电路组成负反馈、移相,并使反相器输入端直流工作点为1/2 电源电压,使放大器工作在线性区。C1、C2 和晶体Y1 是串联关系。CL=C1*C2/(C1+C2)+Cs=30*30/(30+30)+5=15+5=20pF,所以C1 和C2 要比负载电容CL 大。
69请写出下图中x1、x2、f 的真值表和逻辑关系式(三个场效应管均为NMOS 管)


70下图所示电路,已知Vcc=15V,β=100,UBE=0.7V。请问:(1)Rb=50KΩ 时,uo= ?(2)若T 临界饱和,则Rb=?

(1)Ib=1.3V/50K=0.026mA,Ic=βIb=2.6mA,Uo=UCE=Vcc-Ic*Rc=15-13=2V
(2)临界饱和时Uce=Ube=0.7V,Ic=14.3V/5K=2.86mA,Ib=0.0286mA,Rb=1.3V/0.0286mA=45.45KΩ
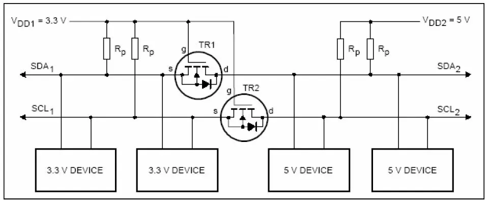
71请问下图电路的作用是什么?

该电路实现IIC 信号的电平转换(3.3V 和5V 电平转换),并且是双向通信的。上下两路是一样的,只分析SDA 一路:
1) 从左到右通信(SDA2 为输入状态):SDA1 为3.3V 高电平时,Vgs=0,NMOS 管截止,SDA2 被电阻Rp 拉高到5V。
SDA1 为低电平0V 时,Vgs=3.3V,NMOS 管导通,SDA2 为低电平。
2) 从右到左通信(SDA1 为输入状态):SDA2 为高电平时,Vgs=0(S 极被Rp 拉高至3.3V),NMOS 管截止,SDA1 为高电平3.3V。SDA2 为低电平0V 时,NMOS 管内部的二极管导通,S 极被拉低到零点几伏,Vgs 为高电平,NMOS管导通,从而SDA2 将S 极电压拉得更低,直至0V,SDA1 为低电平0V。
72电路如下图所示。已知Us(t)=10*√2*cosωt(V)
求: (l) 频率ω 为何值时,电路发生谐振?电路的品质因数Q 是多少?
(2)电路谐振时, UL 和UC 的有效值是多少?

73如果一个BGA 封装的CPU 芯片焊接到PCB 上后,因为焊接不良的原因导致某些信号开路,并且某些信号与旁边的信号短路,请问如何定位这两种故障,把开路和短路的信号找出来?
因为一般IC 的IO 端口都包含了类似下图所示的保护二极管电路,所以可以用数字万用表的二极管档来判断端口特性。测试方法是:正极接地,负极接需要测试的信号焊盘。如果PCB 焊盘开路,则万用表跟什么都没连接一样,读数没有任何变化,万用表显示为“1”。如果有两个以上的信号短接在一起,则万用表的读数会比测量正常的信号的读数偏小,因为有两个以上的保护二极管电路并联到一起了。

74请简述一下动圈式扬声器(喇叭)的工作原理,并画出动圈式扬声器的结构图。
工作原理:动圈式扬声器是利用电流在磁场中受到磁场力作用的原理制成的。如下图所示,绕在纸盆上的导线构成的线圈处于同心圆盘形(截面是E 形)磁铁的磁场中,放大器送出的音频电流通过线圈,纸盆在磁铁的磁场驱动下就振动起来,纸盘上的鼓膜产生音频的振动,从而使鼓膜周围的空气振动起来而产生声音。

75为何有源压电式蜂鸣器只需要接上额定直流电压即可发声?这种蜂鸣器可以接音频输出信号作为普通喇叭用吗,为什么?
有源压电式蜂鸣器内部有振荡电路(由晶体管或集成电路组成)和驱动电路,所以只需提供直流电源即可发声。又因为内部振荡电路的振荡频率是固定的,所以只能发出一种声音,不能用于普通喇叭电路。
76如下左图是有源电磁式蜂鸣器的驱动电路,右图是有源压电式蜂鸣器的驱动电路。请问为什么左图需要二极管而右图不需要,左图二极管的作用是什么?

因为电磁式蜂鸣器内部有线圈,在三极管关断的瞬间,线圈会产生一个反向的电动势(图中方向是下正上负),二极管的作用是给线圈提供一个电流的泄放通路,不至于对三极管造成损害。右图因为压电式蜂鸣器是靠压电陶瓷片的振动发声,内部没有线圈等感性原件,所以不需要放电二极管。
77请解释一下什么是Setup-Time 和Hold-Time,什么是Setup-Time 裕量和Hold-Time 裕量。
Setup-Time 和Hold-Time 是芯片对输入信号和参考时钟信号之间的时间要求。Setup-Time 是指参考时钟沿到来之前输入信号保持稳定不变的时间,Hold-Time 是指参考时钟沿过后输入信号保持稳定不变的时间。如果信号的 Setup-Time 和Hold-Time不满足要求,输入信号将不能打入触发器。如果输入信号在参考时钟沿前后稳定的时间均超过Setup-Time 和Hold-Time,那么超过量就分别被称为Setup-Time 裕量和Hold-Time 裕量。如下图,tsu 为Setup-Time,th 为Hold-Time:

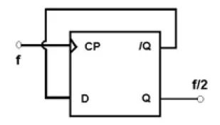
78请用D 触发器画一个二分频电路。

79下图是一个传输线串联匹配的模型,假设驱动端A 的输出阻抗R0 为10~20 欧姆(输出高电平和输出低电平时输出阻抗不一样),传输线特征阻抗Z0 等于50 欧姆,请问串联匹配电阻RTs 应该如何取值?

RTs=Z0-R0,所以RTs 取30~40 欧姆,可以取标称值33 欧姆。
80请分析下图三极管单管放大电路中的二极管VD1 的作用。

二极管VD1 起温度补偿作用:PN 结的导通压降随温度升高而略有下降,如果没有VD1 温度补偿二极管,放大电路会出现温漂现象,电路输出电压会出现漂移。如果没有VD1,温度升高的时候三极管的Vbe 电压降低,但Vb 不变,基极电流Ib增大;反之则温度降低,Ib 减小。加入VD1 后可抵消三极管Vbe 的变化,稳定Ib 电流。
81请问下图电路中二极管D1、D2 有什么作用?

在Vi 输入电压接近于零时,D1、D2 给三极管T1、T2 提供偏置电压,使T1、T2 维持导通,以消除交越失真。
82请画出RC 微分电路和RC 积分电路。

83请画出交流降压和桥式整流电路。

84请画出一个晶体管级的差分放大电路。

85请画出一个220V 交流电源的EMI 滤波器的基本电路图。

86下图是反激式开关电源的局部原理图,请给反激式变压器加上尖峰吸收电路。

87如图所示为恒流源电路,已知稳压管工作在稳压状态,试求负载电阻中的电流IL。

IL=6V/10K=0.6mA
88请画出运算放大器构成的反相放大器、同相放大器、电压跟随器、反相加法器、减法器、微分器和积分器电路。




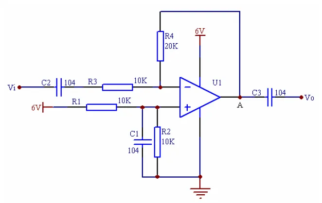
89下图运放电路中的R1、R2 和C1 作用是什么?电路的放大倍数是多少?

R1、R2 和C1 的作用是提供1/2 的电源电压3V 作为参考电压。 电路的放大倍数是-2。
90由理想运算放大器组成的晶体管电流放大系数β 测试电路如图所示,设晶体管的UBE=0.7V。

91请画出您做过的一个四层以上PCB 的叠层结构。

92请用三极管、稳压二极管、电阻、电容粗略地画出一个简单的线性稳压电源原理图。

93请画出DC-DC 电路的四种电路简图(Buck、Boost、Buck-Boost 和Inverter)。

94请问以下电路中的R1、R2 和C1 的作用是什么?

R1、R2 用于调整输出电压。C1 是相位补偿电容,有加速稳定输出电压的作用。
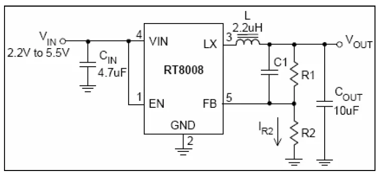
95下图为一个LCD 的背光驱动电路,请问这是升压电路还是降压电路?这是恒压驱动型电路还是恒流驱动型电路?如果需要调整背光的亮度,则需要调整哪个元件的参数?

这是恒流驱动的升压电路,可通过调整FB 引脚的对地电阻R1 来调整输出电流,从而调整LED 的亮度,输出电流Iled=Vfb/Rfb。通过调整EN 引脚的开关波形也可以调整LED 的亮度,比如EN 引脚输入大于50Hz(小于50Hz 人眼会感到LED在闪烁)的PWM 信号,改变PWM 信号的占空比即可调整LED 的亮度。
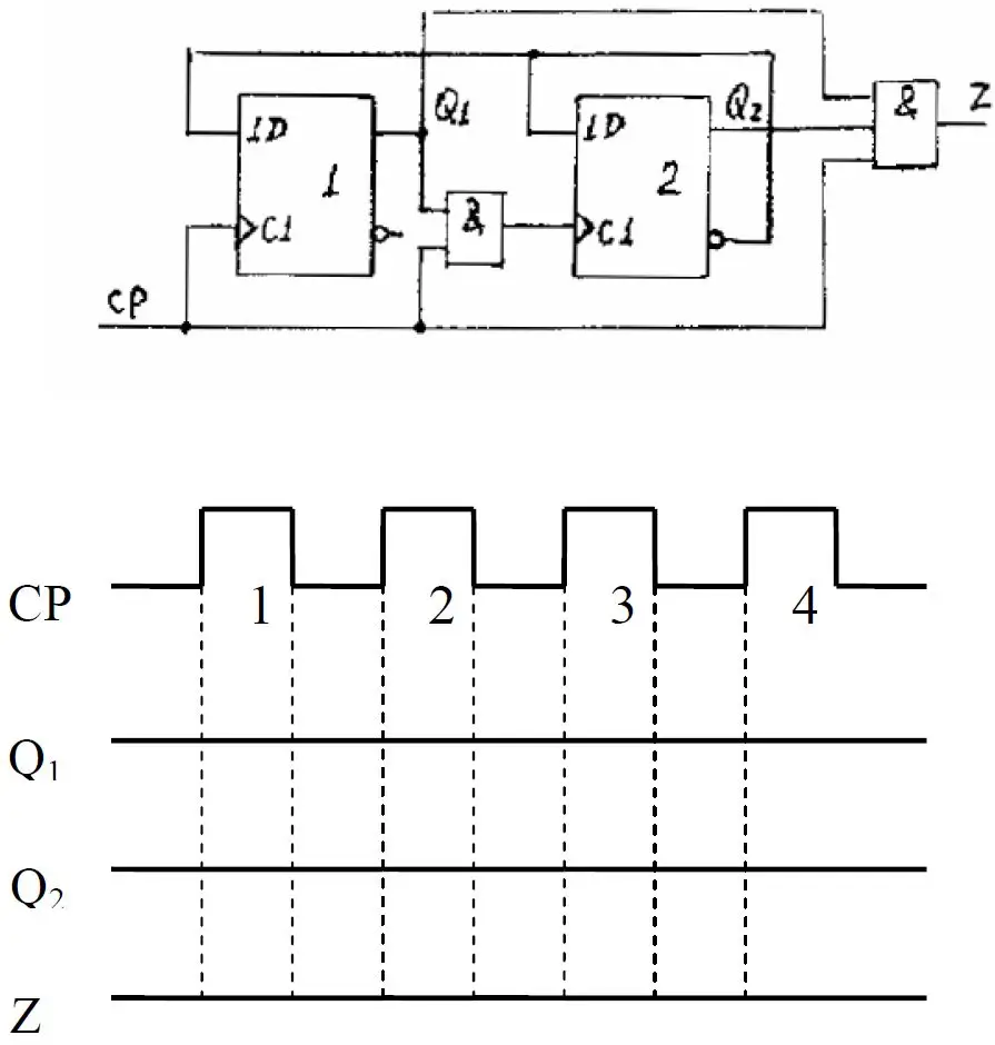
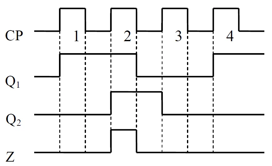
96分析下列时序电路,画出连续4 个CP 脉冲作用下,Q1,Q2,Z 的输出波形,说明是几进制计数器,有否自启动功能。

输出波形如下:

该电路是三进制计数器,无自启动功能。
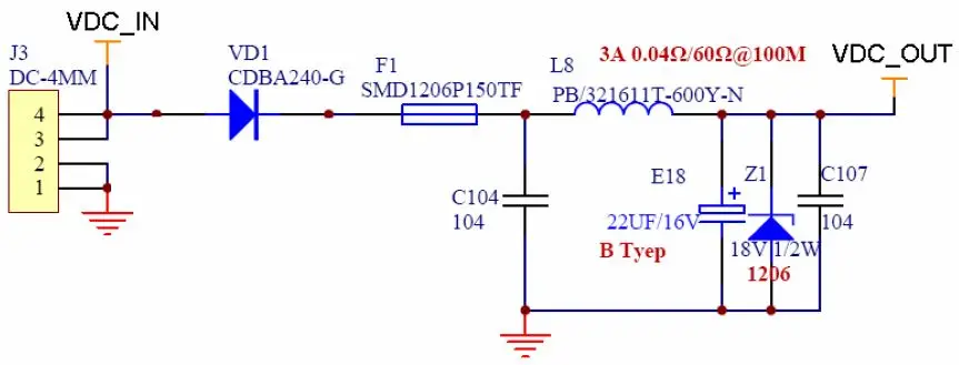
97下图是某直流电源的输入电路,请分析图中每个元器件的作用。请问稳压管Z1 可以放在保险丝F1 之前吗?为什么?

J3 是输入插座,用于连接输入电源。VD1 是防止反接的二极管,要选反向击穿电压大,正向导通电流大,导通压降小的整流二极管,比如肖特基势垒整流二极管。F1 是限流的保险丝,最好选择有可恢复的,比如自恢复PTC 保险丝。C104、C107 是0.1uF 的滤波电容,和L8 一起组成一个π型滤波电路,滤除高频噪声。L8 是60Ω@100MHz 的磁珠,用于滤除高频干扰,同时起到一定的限流作用。E18 是22uF 的B 型钽电容,用于滤除电源中的低频噪声。Z1 是18V/0.5W 的稳压二极管,防止输出电压大于18V。 Z1 不能放在F1 之前,因为大多数稳压二极管失效之后是短路状态,这样输入电压VDC_IN 经过VD1 被短路到地,没有起到保护输入电压的作用。
声明: