首页/文章/ 详情

运放基础电路+波形

9分钟前浏览1

运放的最基本电路符号:





01    

放大器    

1、反相放大器电路图

输入输出波形:


2、同相放大器:

输入输出波形:


3、电压跟随器

输入输出波形:


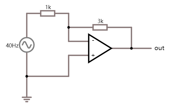
4、差分放大电路

输入输出波形:


5、加法放大电路

输入输出波形:


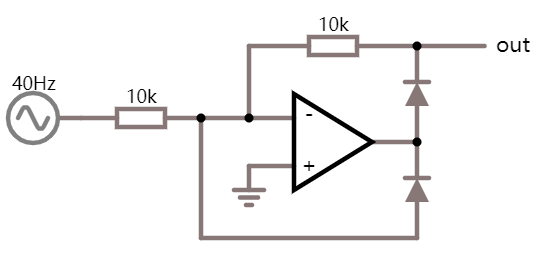
6、D类放大电路

输入输出波形:



02      

振荡器    

   

1、张弛振荡器

输入输出波形:


2、相移振荡器

输入输出波形:


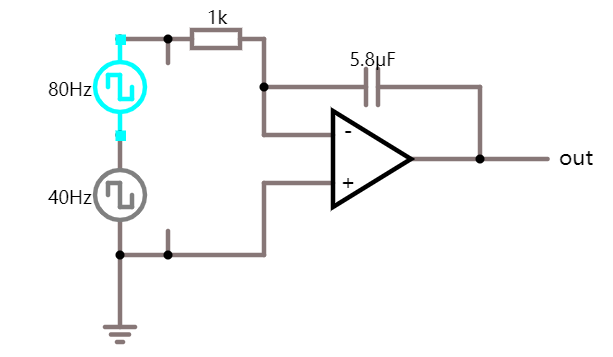
3、三角波发生器

输入输出波形:



03    

整流    


1、半波整流

输入输出波形:


2、全波整流

输入输出波形:



04    

峰值检波    



输入输出波形:



05      

微积分    

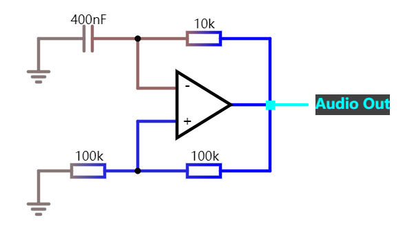
1、积分电路

输入输出波形:


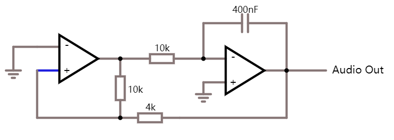
2、微分电路

输入输出波形:



06      

I-V转换      

输入输出波形:


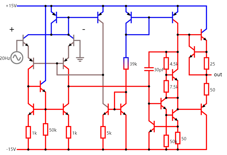
最后贴一个经典运放的内部框图741运放


声明:


 
声明:文章来源网络。本号对所有原创、转载文章的陈述与观点均保持中立,推送文章仅供读者学习和交流。文章、图片等版权归原作者享有,如有侵权,联系删除。  

来源:硬件笔记本
电路电子
著作权归作者所有,欢迎分享,未经许可,不得转载
首次发布时间:2025-11-21
最近编辑:9分钟前
硬件笔记本
本科 一点一滴,厚积薄发。
获赞 157粉丝 46文章 675课程 0
点赞
收藏
作者推荐

原理图都画不好,怎么当硬件工程师

1、前言大家好,我是王工。画好电路原理图是硬件工程师最基本的工作要求。如果原理图画不好,甚至出错,那么layout就会跟着错,板子打回来肯定用不了,唯一可能挽救的方法就是飞线,要么重新打板,但肯定会耽误项目进度,最严重的就是失去客户。最近一个客户有个新需求,需要一个全功能的Type-C接口。同事在画主板的时候,忽视这一点,设备发到客户那里,客户说用不了,回过头来找问题,才发现把它当成了普通的Type-C接口,最后差一点就失去了这个客户。举这个例子的目地有两个:1、跟大家一起学习一下Type-C的基础知识,了解什么是全功能Type-C(可能很多人没有听过,虽然现在这个接口很普及)。2、正好最近清华大学出版社发布了一本新书《电路原理图全能设计》,准备送给大家。2、Type-C基础咱们这个同事之所以把客户这个需求给忽视,可能的原因有两点:1、针对原理图checklist没有认真检查;2、检查了,但是对Type-C不敏感,就默认为是普通的接口:VCC,D+,D-,GND连上就完事。咱们主要讲讲这个接口:Type-C接口主要有3种,分别有6pin,12pin,24pin1、6pin Type-C:6Pin是引脚最少的,只保留了Vbus、GND、CC1、CC2,没有D+,D-,适用于只需要通过USB取电,而不需要通信的场合。CC1、CC2可用于PD设备识别,承载USB-PD的通信,以向供电端请求电源供给。1、12pin Type-C:12Pin引脚数量居中,在6pin的基础上增加了数据DP1/2,DN1/2,SBU1/2,主要用于USB2.0通信。也支持 PD快充、HDMI传输等功能。3、24pin Type-C:24Pin,也就是我们说的全功能Type-C,它是具有12Pin引脚所具有的全部功能,且多了一个USB3.0/3.1高速传输功能。母头/母座引脚定义公 头/插头引脚定义可以很明显看出,插口内的Pin功能相对于中心对称。公 头插入母头,无论正反插,引脚功能都完美契合。而且电源VBUS/GND都拥有4个Pin,最大支持5A电流,在保证高速数据传输的同时也提高了电流承载能力。辅助信号 sub1 和 sub2,在特定的一些传输模式时才用。平时可以不管,直接忽略。另外,从图得知。相比较母头,公 头只有一对D+/D-(母头有两对),且有一个CC1+VCONN(母头有CC1,CC2)。所以可以得知:尽管母头有两对D+/D-,但实际传输数据的时候,仅仅有一对在工作。另外,对于CC引脚而言,当连接在一起的时候,有以下两种情况:正接:母CC1对公CC1,母CC2对公VCONN反接:母CC2对公CC1,母CC1对公VCONN这里不得不强调一下CC1、CC2的作用,主要用于设备识别,PD快充。大家最早认识快充应该是从高通CPU的QC开始的。通过提高输电电压,来提高输送功率。但QC协议中,通信使用的是USB的DP、DM,这就导致充电的时候会对USB通信造成影响。但是USB-PD对电源设备的识别依靠CC1、CC2引脚,避免了QC标准与DP、DM的冲突。使得USB-PD在传输电力的同时,数据传输不会受到影响。再来看一张引脚定义图,主要想让大家了解USB2.0和USB3.0都用了哪些引脚(绿色和蓝色):USB3.0 差分信号线 共2组x4 = 8个引脚,例如:A2:SSTXp1~SuperSpeed差分信号#1,TX,正B11:SSRXp1~SuperSpeed差分信号#1,RX,正(棕色):USB2.0 差分信号线 共2组x2 = 4个引脚,例如:A6:Dp1~USB 2.0差分信号,positive 1,正B7:Dn2~USB 2.0差分信号,negative 2,负声明: 声明:本文为原创文章,如需转载,请注明出处。本号对所有原创、转载文章的陈述与观点均保持中立,推送文章仅供读者学习和交流。文章、图片等版权归原作者享有,如有侵权,联系删除。 来源:硬件笔记本

未登录
还没有评论
课程
培训
服务
行家
VIP会员 学习计划 福利任务
下载APP
联系我们
帮助与反馈