首页/文章/ 详情

分享5种保护电路

7分钟前浏览14
在现实世界中,电子电路所处的周围环境总是变幻莫测的。人体静电、雷击浪涌、误操作等诸多不可预料的因素时刻威胁着电子设备的正常工作。

因此保护电路的作用与意义非常重要。经过多年的发展,保护电路从最简单的保险丝一步一步发展到现如今纷繁复杂的各种器件,它们分别承担着不同的作用。

今天就让我们一起来看看它们是如何稳定保障我们日常生活的吧!


1、短路保护


短路保护电路的主要作用是当电路系统中发生短路情况时及时断开闭合电路以此保证后续各个器件的安全。

当电源系统发生短路时,电路中的电流会瞬间增大到正常状况的好几倍甚至十多倍。
我们可以利用这个特性,在电路中串入保险丝

当电流增大到保险丝的熔断电流时,保险丝会因为自身过热而发生熔断从而断开电路,这是最常见的保护电路之一


但是这种保险丝有一个缺点:当保险丝熔断之后,必须由工程人员排除故障之后手动替换新的保险丝,这在一些狭小空间等场合十分不便,因此后来便诞生了“自恢复保险丝”。

这种保险丝在发生熔断之后随着温度的降低又会重新接通,这样便可以在发生故障时断开供电开关,等排查故障之后再打开供电开关即可。自恢复保险丝是如何做到“自恢复”的呢?


自恢复保险丝,是由经过特殊处理的聚合树脂及分布在里面的导电粒子组成。
在正常状况下,聚合树脂紧密地将导电粒子束缚在结晶状的结构外,构成链状导电电通路,此时的自恢复保险丝为低阻状态,线路上流经自恢复保险丝的电流所产生的热能小,不会改变晶体结构。

当线路发生短路或过载时,流经自恢复保险丝的大电流,产生的热量使聚合树脂融化,体积迅速增长,形成高阻状态,工作电流迅速减小,从而对电路进行限制和保护。因此由自恢复保险丝构成的保护电路还可以承担过热过流保护。


2、过压保护


过压保护是指供电电压超过额定的电压时自动断开供电回路的一种保护电路。在电子电路设计中,常见的保护方式是使用齐纳二极管的过压保护,也叫稳压二极管。如图2-1:

图2-1

1N4099是一个6.8V的二极管,如果输入超过6.8V,输出将被钳位在6.8V左右。


3、防反接保护


很多电子元器件是不允许电源正负极反接的,在设计完成的电路板中,外部接口如果没有防反接设计,用户在使用的时候很容易将正负极接错导致器件烧毁造成财产损失。

防反接设计电路的原理就是在电源输入的前级将电源整流至确定的极性再接入固定的后级。如图3-1所示:
图3-1


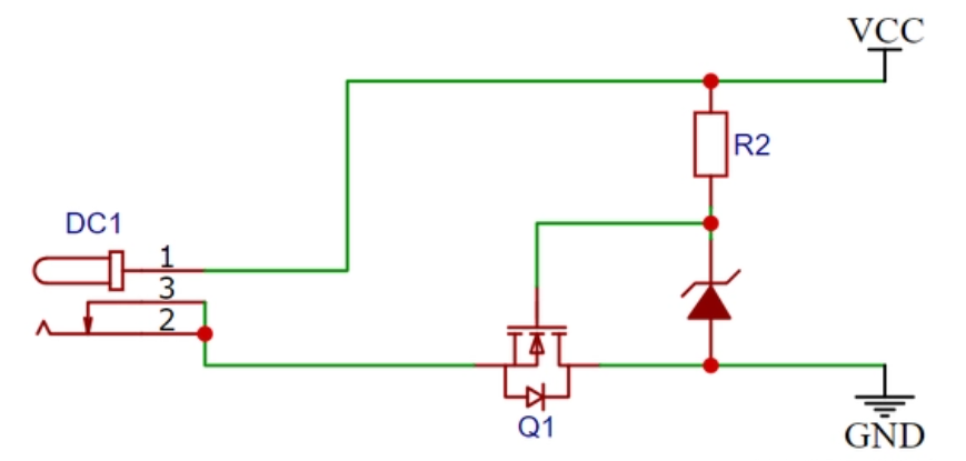
还有一种防反接方式是当电源反接时自动关断,如图3-2所示:

图3-2

这种电路使用MOS管关断,由于MOS管的寄生二极管压降较小,在正常使用时能够承受更大的电流。


4、雷击浪涌保护


雷电是严重的自然灾害之一,早期的电子设备如电视机,电冰箱等深受其害。在笔者儿时的记忆中也经常听说有电视机在雷雨之夜后被打坏,随着技术的发展,这种情况在日常生活中几乎不再发生。这要归功于雷击浪涌防护电路。

在发生雷击时,接地点附近的零电位会被抬高,导致供电电压不稳定。如果闪电击中供电线附近,产生的感应电压也不容小觑。浪涌的波形很像平静的海滩上突如其来的海浪,我们形象地称之为浪涌。

为了消除这种浪涌电压,比较常用的器件有:放电管压敏电阻TVS共模电感等器件。

其中放电管、压敏电阻与TVS的防护原理是当电压超过一个阈值时,器件的电阻会迅速减小,我们将该器件并联在电路中,从而提供一个泄放通道到地。

共模电感便是利用电感的特性,只允许两个同相相反振幅的电压通过,而浪涌一般是两个相同的信号,这样浪涌就会被抑制,通常共模电感用在放电管、压敏电阻等器件的后级。

共模浪涌抑制电路如图4-1所示:

图4-1


5、静电防护


在人体接触电子设备时时常会发生静电放电,特别是在冬季。实际上上千伏的电压与上述的雷击浪涌情况类似,也可以用上述方案处理。

声明:


 
声明:本号对所有原创、转载文章的陈述与观点均保持中立,推送文章仅供读者学习和交流。文章、图片等版权归原作者享有,如有侵权,联系删除。  

来源:硬件笔记本
电源电路电子
著作权归作者所有,欢迎分享,未经许可,不得转载
首次发布时间:2025-11-21
最近编辑:7分钟前
硬件笔记本
本科 一点一滴,厚积薄发。
获赞 157粉丝 46文章 665课程 0
点赞
收藏
作者推荐

C语言也会短路?

C语言短路现象算是C语言的基础吧,不过有时候代码写得不规范也容易引入一些bug,所以这些操作在工程师实践中尽量少用。虽然下面找的例子比较简单,但如果后面是其他表达式,或许你并不会那么容易分辨。并且,你可能会斩钉截铁的说,我绝对不会这样编写我的代码,但你确定的同事不会这样?你的前同事不会?好了,下面的案例来源于网络,仅供参考:避坑1短路现象: a && b && c //只有a为真(非0)才需要判断b的值;//只有a和b都为真,才需要判断c的值。举例://求最终a、b、c、d的值:main(){ int a,b,c,d; a = 0; b = 1; c = 2; d = a++ && b++ && --c; printf("a=%d b=%d c=%d d=%d\n",a,b,c,d);}//因为a++是先判断a的值再自加,而a初始值为0, 所以(a++)为假,//由短路现象可知&&后面式子b++和--c就都不会执行;//对于赋值语句,是先将a的值赋值给d,然后再自加,//所以d的值为0,a最终为1。执行结果: 避坑2短路现象:a || b || c//只要a为真(非0)就不必判断b和c;//只有a为假,才需要判断b的值;//只有a和b都为假,才有必要判断c的值。举例://求最终a、b、c、d的值:main(){ int a,b,c,d; a = 0; b = 1; c = 2; d = a++ || b++ || --c; printf("a=%d b=%d c=%d d=%d\n",a,b,c,d);}//因为a++是先判断a的值再自加,而a初始值为0, 所以(a++)为假,//由短路现象可知,还需要继续判断 || 后面的表达式b++,//b++要先判断b的值,b为1,所以b++为真,//由短路现象可知,后面的式子--c就不再执行;//对于赋值语句,不再是将a的值赋值给d,而是将b先赋值给d然后a和b再自加,//所以d的值为1,a最终为1,b最终为2。执行结果:声明: 声明:文章来源网络。本号对所有原创、转载文章的陈述与观点均保持中立,推送文章仅供读者学习和交流。文章、图片等版权归原作者享有,如有侵权,联系删除。 来源:硬件笔记本

未登录
还没有评论
课程
培训
服务
行家
VIP会员 学习计划 福利任务
下载APP
联系我们
帮助与反馈