首页/文章/ 详情

能把地接好的,都是高手。

19分钟前浏览6
接地是电路设计中最基础的内容,但又是几乎没人说得清的,几乎每次交流都会有人问到“老师,有没有一种通用的接地方法可以参考啊?”如果想知道这个问题的答案,请继续耐着性子读下去。我先给出一个斩钉截铁的答案:“没有”。那咋办呢,我们总不能像中国的厨师一样,教 徒弟炒菜时,用到的配料都是“少许”“颜色微黄”“微焦”等感觉性词语吧,当然不是。



第一部分、基本电源和地线的基本设计原则


 


地线和电源线的噪声
理想的地线电阻为零,但现实中地线总是有一定的阻抗的。尤其是高频信号时,地线的阻抗变化会增大,因而产生噪声。

同样的问题对电源线也一样。当地线噪声严重的时候,电源噪声一般也很严重。
(1)使地线的电位稳定。
(2 )为了安全。

地线和箱体接地的目的是什么?

尤其有高电压(数十伏以上)的电路时,屏蔽箱体必须接地。否则,一旦发生漏电,人接触时会触电。


导线的高频阻抗

导线越粗电阻越小,但如果长度太长的话,由于电感效果而使得阻抗也会增加电感效果而产生的阻抗。电感效果而产生的阻抗尤其地线出现环路时,地线的电感会大幅增加,阻抗也会大幅增加,同时也会成为环状天线。地线是较长直线时,也会成为天线。尤其地线出现环路时,地线的电感会大幅增加,阻抗也会大幅增加,同时也会成为环状天线。地线是较长直线时,也会成为天线。因此,地线应尽量“短、粗、直”。



大地是指?

大地并不见得非得是地球,尺寸比较大的导电体也可以作为大地,如飞机机体。下图中,更低阻抗接到比较大的导电体的方案更好,b要比a好。




原则一:不要做出共通阻抗

回路A是回路B和回路C的共通阻抗。回路A动作时会影响到回路B和回路C。


原则二:单点接地

所有的电路部分尽可能地一点接地。即使共同阻抗非常小,但是仍然有影响。


单点接地效果更好




原则三:空的地方尽可能的布成地或稳定的电源


右边为非走线区域GND覆铜,有明显改善。


双层板时,一般一面空白处全布成地,另一面布电源和信号线。四层以上的PCB板,一般都会把GND和电源做成内电层,改善回路阻抗。



第二部分、AC电源的设计要求


 


AC电源线是个非常大的噪声源!因为:
1、AC电源线连接着很多仪器设备,互为噪声源(开关电涌,电流变化噪声等)
2、AC电源线本身是个大天线,收噪声、发噪声。
3、AC交流频率本身也会成为噪声。

日本AC电源的品质:红:最高电压;绿:平均电压;黑:最低电压;紫:频率X2Hz。


AC电源浪涌噪声


AC噪声的基本对策——不让噪声进入设备


AC滤波器特性



变压器噪声
变压器分两种:安全绝缘变压器和噪声对策变压器安全绝缘变压器未必噪声特性就好。
变压器噪声:一般的AC电源变压器频率低因而尺寸大,所以耦合电容也很大,通过静电诱导噪声就可以穿过去。

1. 变压器1级卷线和2级卷线加屏蔽效果一般;
2. 变压器 + 电源滤波器 效果很好;
3. 使用滤波型变压器 效果最好。



AC电源布线
变压器,电源滤波器,保险丝,电泳吸收器,开关等
应该按什么顺序连接?应注意什么?
一般的排列顺序:


问题:电源滤波器前的布线长,成为噪声天线 。
开关产生的电泳噪声直接传到外面影响别的装置。

正确的AC布线方法
1、电源滤波器前的布线要尽可能短。
2、箱内的电线尽量用对双绞线。
3、电线尽量沿墙壁走,有屏蔽效果。
4、电线加绝缘套。
5、电线不可以做出大的环路。
6、如果电源功率要求不大可用插口电源滤波器,这样的话电泳吸收器放在其后。
7、如果必须要把开关离开AC入口的话,如果能用一个电磁开关放在入口的话,如果能用一个电磁开关放在AC入口附近那就最好了。



8、AC电源的噪声主要是共模噪声,共模噪声滤波器的电容必须接地才能把共模噪声放到地线去。因此,一定不要让AC电源滤波器的地和仪器中信号的地线之间拥有共同阻抗。否则,AC电源的共模噪声就会引到信号中去。




第三部分、直流电源和地


 


广义的直流电源有两种:线性电源:—简单但效率低;开关DC电源:效率高但噪声大。仪器中电路板较多时,每块电路板分别使用DC电平转换对抑制各板间噪声的相互影响有好处


板内电源
choke coil(KK):扼流圈



引入地:来自接口插座的地线
引入的地线有ripple噪声。如果板子的噪声特性要求较高时可通过噪声。如果板子的噪声特性要求较高时可通过Choke Coil (KK)后再连到板内。
引出电源:通过接口插座向板外部引出的电源有时需要通过Choke Coil (KK )后再把电源引出。


• 电路板中的电源线和地线要尽可能使它们的共通阻抗小。
•对低频模拟信号电路,尽量用一点接地,电源也尽量这样做,不过电源的一点连接没有地线的效果大。
•对高频信号电路应大面积布地(信号线层的空处全布地,信号层的相对应的层尽量全布地),电源线也尽可能这样做。实在不行可用多层板,中间层布成地和电源。

去耦电容的基本规则
去耦电容至少应有两级。二级去耦电容要尽量靠近IC否则效果就会下降。



第四部分、仪器箱体和布线

电磁骚扰传播或耦合,通常分为两大类:即传导骚扰传播和辐射骚扰传播。通过导体传播的电磁骚扰,叫传导骚扰;通过空间传播的电磁骚扰,叫辐射骚扰。


上图传染病的模型非常近似:



1、要尽量减少箱体上的孔和縫


最值得注意的是箱体的开门缝隙及箱板间的缝隙(即使水进不去,但电磁波能进去)。



箱体上如果有凸出来的金属部,会引入噪声


屏蔽箱材料:
原则上只要是导电性材料都可以,如金属板,金属薄膜,屏蔽金属网,导电塑料。

走线要越短越好
• 信号线的往返两根线要越接近越好。
• 尽量用对绕线。
• 不要形成环路。
• 相互容易产生影响的线尽量使它们直交。
•使用束线和排线时要尽可能地短,容易相互影响的信号线不要临近,不同的排线不要平行使用束线和排线时要尽可能地短,容易相互影响的信号线不要临近,不同的排线不要平行。
• 特别要注意的是:AC 线不要和其它线接近。



第四部分、接地问题的本质


 


为了更好的明了接地的技巧方法,下面将不再讲究任何的文字技巧,而是一针见血的道出接地问题的本质来。

接地方式←接地目的←接地的功能,所以采取哪种接地方式,要看地是哪类地,这类地的作用目的是什么,这两个问题解决了,接地方式则可水到渠成。接地的目的决定了接地方式。同样的电路,不同的目的,可能都要采取不同的接地方式。这个观点一定记住。比如同样的电路,用在便携设备上,静电累积泄放不掉,接地的目的是地电位均衡;用在不可移动的设备上,一般会有安全接地措施,对静电泄放的接地目的是导通阻抗足够低,尤其是对于尖峰脉冲的高频导通阻抗。

1、 从性能分,接地分成四类:安全接地、工作接地(数字地、模拟地、功率器件地)、防浪涌接地(雷击浪涌、上电浪涌)、防静电接地。前文书中讲过,“接地的目的决定了接地方式”,目的即指其实现的功能。基本上所有的接地都可以归结到这四类里面来。每个接地前都要先明确该接地属于哪一种。

2、 接地追求的目标是地阻抗低、地稳定、地均衡。
地阻抗低很好理解,用粗的线缆即可,但有一个问题一定不能忽视,比如我通过一个大电感接地了,如果地线上跑的地电流的波动频率是0.00000001Hz,这个大电感的感性效应表现得就很不明显,等同于直接接地了,但如果波动电流是1000000Hz的话,感抗=j ω L=j 2 π f L,就显得很大了,这种情况下,相当于高频接地很差。各位看官可能会说了,你胡来吧你,谁会用个大电感接地呢,第一是在某种状态下会有这种方式的,第二是即使不这样接个电感,普通电缆的走线电感在高频下也是不容忽视的。总结为一句话,低频接地 ≠ 高频接地。即低阻抗的接地要分析是属于高频还是低频的接地。
地稳定是比较好理解的,一般来说,接地阻抗足够低的话,地电流泻放容易,且不会在底线上产生啥子压降,就如一个超大的电容,电荷的海洋,具有无限宽广的胸怀,多少进来都波澜不惊。地均衡比较容易被忽视,对于一个信号来说,有用部分是两条线上的压差,如果地线漂移了,两条线上对地线的压差同等的上升或下降,即差模电压值维持不变,共模电压发生变化,其实电路功能是照常实现的。就像水涨船高,您比我高3cm,站在船上,船上浮了,您依然还是高我3cm。这种情况在静电防护的时候常用到,一个静电脉冲通过空气打到电路板上,针对局部的电路,距离远近的不同,肯定会导致产生静电感应的压差。这时候用一块金属板隔一下的话,即使该金属板浮空,对金属板后面的电路板来说,感应的将是均匀的电场,虽然感应干扰仍然存在,但起码电路上是基本均衡的。当然如果此金属板接地更好啦。当然共模电压一般不会维持住,因为传输线的阻抗不均匀,往往会转成差模电压干扰,地均衡的问题最好不要让我们面对,但没办法的时候,如浮地设备,不得不受到静电冲击的电路板,防护时候要考虑地均衡问题。

3、 共地阻抗耦合干扰
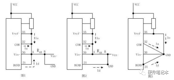
共地阻抗耦合干扰是接地里面每天都要面对的核心问题,并且几乎逃避不开。就像电影院里散场的时候,你从最里头的一号厅出来,没几个人,走来很通畅,突然二号厅也散场了,一下子通道就拥挤了,再继续前行,坏了,三号厅正在放观众入场,一下子,人流就波动起来了。这和共地阻抗是一个原理,通道相当于地线,人相当于电流。如果一、二、三号厅流动的人差不多,相互之间影响不太大,但如果3号厅是大厅,人员是一、二号厅的好多倍,那进出三号厅的人员将会对一、二号厅人员流动速度的影响很大。一、二、三号艇的客人都要走过的这段路就成了共地阻抗。

以下图为例,图1中,RAB段的电阻就是共地阻抗部分,流过这段的地电流Io、Ia、Id三部分在这段会相互影响;如果这三个电流差别较大,差出了1-2个数量级的话,相互之间的影响就不可以忽视了,尤其是某个弱地电流支路是用于定量测量、放大或AD转换电路的时候;图2则把Id对另外两个之路的影响隔离掉了;图3则是三个地电流全部分别隔离了。


4、较通用型的接地方法
这个标题用了个“较”字,是有原因的,因为通用的接地方法根本不存在,这只是个基础的模型,真正使用中的时候,还需要结合实际情况灵活变通处理,就像语言,同样一句话“你讨厌”,用不同语气讲出的时候,传递的信息可是千差万别。基本思路是,在设计上,把安全保护地、工作数字地、工作模拟地、工作功率地、雷击浪涌地、屏蔽地先确保各自独立的单独连接,最后在系统联调的时候,再根据各地之间要解决的问题,即根据接地的目的,将这几个地按照下列的之间的联接方式处理下,连接方式包括:

a、地——地间黄绿导线直联
这种接法最好理解,就是简单的使两个地可靠的低阻抗导通。但切记,此种接法仅限于中低频信号电路地之间的接法。因为这类导线上有一定的走线电感和走线电阻,对高频波动地电流,在电感作用下,电缆起到的是大阻抗的作用,相当于低频接地,高频下大阻抗接地了,基本不能实现高频下的可靠导通。

b、地——地间宽扁平电缆直联
扁平电缆主要是解决上面导线直联不能解决的问题,静电测试工作台的接地电缆不用直线就是这个道理,它在高频下可以实现地阻抗对地导通。

c、地——地间大电阻连接
大电阻的特点是一旦电阻两端出现压差,就会产生很弱的导通电流,把地线上电荷泻放掉之后,最终实现两端的压差=0V,这个特点在希望电荷泻放,但又不希望快速泻放的时候,会表现得淋漓尽致。生产工作现场的防静电台垫,导通电阻一般是10^6-10^9欧,就是这个目的。防静电台垫相当于是工作电路板的地与保护大地间的大电阻。c地——地间电容连接 电容的特性是直流截止,交流导通,对希望实现这类功能的场合可以考虑采取此方法。比如一个开关电源供电的产品,外壳和保护接地连接,里面的电路板上的地有杂乱波动干扰,但又无处泄放的话,在24V、12V、5V等的直流电源地与保护接地间跨接大电容,波动可以被泄放掉,但直流成分能保证是较稳的;注意,这种情况下,保护地和外壳地的稳定不能保证的话,效果可能会适得其反哦。

d、地——地间磁珠连接
磁珠的特性需要明确一下,很多工程师经常把磁珠与电感划等号,这是根本性错误。磁珠等同于一个随频率变化的电阻,它表现的是电阻特性,是耗损性质的;电感则是储能性质的,相当于削峰填谷。所以跨接磁珠的地之间一般是有快速小电流波动的状态,因为磁珠会饱和,电流太大了,它消耗不了。一般用在弱信号的地——地之间。

e、地——地间电感连接
电感具有抑制电路状态变化的特性,通过电感的连接,可以削峰填谷,对于有较大电流波动的地——地,跨接电感可以解决这个问题。

f、地——地间小电阻连接
小电阻要解决的问题是增加了一个阻尼,阻碍地电流快速变化的过冲,在电流变化时候,使冲击电流上升沿变缓,相当于晶振输出端、总线输出端为减少过冲振铃的匹配电阻。

5、 安全地、防雷击浪涌接地的接法
因为雷击浪涌、安全地的电流一般会远大于信号电流对人的危害,这两个接地建议分别单独接到大地,在真正的大地处单点相接,尤其是防雷击接地。


接地这个问题与我们的关系,最熟悉又最陌生,最简单又最复杂,最易上路又最难达到终点。希望通过粗浅的总结,为我们浮在云里雾端的接地设计提供一个落地的云梯,使接地的设计真正能接到地气上来。

声明:


   
明:文章整理网络。本号对所有原创、转载文章的陈述与观点均保持中立,推送文章仅供读者学习和交流。文章、图片等版权归原作者享有,如有侵权,联系删除。  


来源:硬件笔记本
电源电路通用电子海洋电场材料储能
著作权归作者所有,欢迎分享,未经许可,不得转载
首次发布时间:2025-11-21
最近编辑:19分钟前
硬件笔记本
本科 一点一滴,厚积薄发。
获赞 157粉丝 46文章 729课程 0
点赞
收藏
作者推荐

为什么信号线上常常串接一个电阻?阻值通常是0欧,22欧,33欧或...

在设计电路的时候,常常会在两个芯片的信号线上串联一个电阻,这个电阻常常是0欧,22欧,33欧或更大阻值的电阻。位置的话有放在信号发射端也有放在接收端的。今天就来和大家分享下,信号线上串接电阻的作用。1、阻抗匹配,吸收反射信号当信号频率比较高,上升沿比较陡时我们就需要考虑信号的阻抗连续问题了。首先来看下光从空气照射到玻璃时,除了折射还会发生发射。当信号频率比较高,上升沿比较陡时,电子信号经过阻抗不同的地方时也会产设反射。PCB的单线阻抗一般会设计成50Ω,发射端阻抗一般是17到40,而接收端一般是MOS管的输入,阻抗是比较大的,所以信号在接受端会产生反射,反射的信号又与源信号叠加,这样就会在接收端反复反射,直到趋于稳定。信号反射,在实际电路中波形会表现为,实际在电路中的表现就是信号会出现过冲,下冲或者振铃。过冲和振铃很容易产生EMC问题或者在接收端产生误码。比如这是之前测试的一个25MHZ的一个信号,当加的串接电阻是0欧姆时,可以看到信号的过冲非常明显, 当我串接的电阻为33欧时,信号的过冲有了很好的改善。 需要注意的是,串接电阻用作阻抗匹配是一般是接到信号的发射端,不能接到信号的接收端,阻值的话一般100欧以内,阻值大了信号会畸变,可能有时序问题。2.吸收干扰脉冲如果两个芯片间的信号线比较长,或者走线的时候和一些时钟信号等快速跳变的信号靠的比较近的时候,这个信号线很容易受到干扰或者信号线上会耦合到一些毛刺或窄脉冲。如果接收端是边沿触发有效,那么信号收到干扰后,必定会有误操作或者脉冲计数变多。就好比之前做过一个项目,电极输出的脉冲信号经过光耦接到我们的FPGA,FPGA在接受到下降沿了之后进行数据处理。在调试的时候发现,一个周期内,本来之应该有6144个中断信号,但实际FPGA的脉冲信号有时会多余6144,经过查看PCB发现,我们这个线走线比较长,并且中间有一段和一个时钟线隔的比较近,后来在靠近FPGA的这边串接了一个1K的电阻后,脉冲数就正常了。因为这种干扰或者耦合到的一些毛刺,它的电压幅值可能跟正常信号查不到,但是它的整个能量是非常小的,经过一个电阻后,基本就可以把它吸收了。然后复位信号上串联电阻也是这个道理,可以吸收干扰信号或者静电干扰;需要注意的是这个电阻一般推荐放在接收端,并且信号的频率不应太高,阻值的话根据实际情况可以适当选择。3.便于调试测试如果信号两端的芯片都是BGA的芯片或者一些引脚比较密的地方,有时候需要测试这个信号的波形或电平,不串接电阻的话我们将很难测试这个信号的波形,或者电平,这会给我们调试测试带来很多困难。所以对于这种我们常常在信号线上串联一个0欧姆电阻,作为预留,方便PCBA的调试和测试。版权声明:本文为博主原创文章,遵循 CC 4.0 BY-SA 版权协议,转载请附上原文出处链接和本声明。原文链接:https://blog.csdn.net/weixin_42693097/article/details/127758321声明: 声明:文章来源CSDN小鱼教你模数电。本号对所有原创、转载文章的陈述与观点均保持中立,推送文章仅供读者学习和交流。文章、图片等版权归原作者享有,如有侵权,联系删除。 来源:硬件笔记本

未登录
还没有评论
课程
培训
服务
行家
VIP会员 学习计划 福利任务
下载APP
联系我们
帮助与反馈