首页/文章/ 详情

EMC基础知识:开关电源产生的噪声

21分钟前浏览9
本文将探讨实际的开关电源产生的噪声。

开关电源产生的噪声


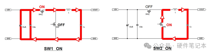
首先,使用同步整流型降压DC/DC转换器的等效电路来了解一下开关电流的路径。


SW1为高边开关,SW2为低边开关。SW1导通(SW2为OFF)时,电流路径是从输入电容器到SW1、再经由电感L到输出电容器。SW2导通(SW1为OFF)时,电流路径是从SW2经由L再到输出电容器。下图表示这些电流路径的差分,每当开关ON/OFF时,红色线路的电流都会急剧变化。该环路的电流变化非常剧烈,所以会因PCB板布线电感而在环路内会产生高频振铃。


图中表示构成电源电路的外置部件、实装多层电路板的寄生分量及振铃的关系。


红色部分标出的是上图所表示的电流在急剧变化的环路中的寄生分量。布线中存在布线电感,通常每1mm有1nH左右的电感。另外,电容器中存在等效串联电感ESL,MOSFET的各引脚间存在寄生电容。因此,如红框内的图例所示,开关节点将产生100MHz~300MHz的振铃。所产生的电流及电压,可通过两个公式求得。

此振铃会作为高频开关噪声带来各种影响。虽然有采取相应的措施,但由于无法从电源IC处去除安装电路板的寄生分量,因此只能通过PCB板布局设计及采用去藕电容来解决。关于PCB板布局,在DC/DC转换器的“PCB板布局”部分有详细介绍,请参考。

关于差模噪声和共模噪声,请点击这里了解详情;关于串扰,在这里有详细介绍。关于共模滤波器,将在后续章节进行介绍。

声明:


 
声明:文章来源来源:ROHM,作者:ROHM。本号对所有原创、转载文章的陈述与观点均保持中立,推送文章仅供读者学习和交流。文章、图片等版权归原作者享有,如有侵权,联系删除。  

来源:硬件笔记本
电源电路电子
著作权归作者所有,欢迎分享,未经许可,不得转载
首次发布时间:2025-11-21
最近编辑:21分钟前
硬件笔记本
本科 一点一滴,厚积薄发。
获赞 157粉丝 46文章 698课程 0
点赞
收藏
作者推荐

闷声干大事,稚晖君一口气发布5款人形机器人!

刚刚,“鸽”了一年的稚晖君,终于带着具身智能新品来填坑了!没有什么比抽奖抽一台,更能体现对产品的自信了。一上来,稚晖君也没藏着掖着,就在直播现场搭建的“摄影棚”里,机器人当场秀了一波在语音指令下动手调饮料的操作:△2倍速现场主持人,也由此番发布的远征A2机器人亲自担当。一套小连招下来,网友们be like:B站科技区流量担当,诚不我欺(手动狗头)。尽管发布会只有短短1小时不到,但稚晖君和他背后公司智元机器人憋了一年,此番属实带来不少干货,先给大家伙做个小总结:发布远征A2系列人形机器人全栈开源灵犀X1系列机器人,主打一个“人形机器人人人造”自研关节模组实现量产化迭代升级,灵巧手自由度升级至19个定义具身智能G1至G5演进路线……总之,可以说是秀产品力的同时,也把硬核DIY的科技情怀给拉满了。具体详情,咱们一项一项展开来唠~面向量产的人形机器人就像稚晖君自己所说,自去年8月中旬发布远征A1以来,他及他身后的智元机器人颇有些低调,在公众视野里可以说是“鸽”了一年。但其实这一年中,智元机器人一直在“闷声干大事”。智元机器人销售服务总经理姜青松对此补充说:我们每个月都在迭代,但因为不具备商用条件,所以没有宣传。而现在,面向商用,智元确实在这场发布会上,给出了阶段性的思考和答案。首先,在产品方面,远征A2系列机器人相较于前代,主打的就是一个“面向量产改进”。为此,智元此番发布了3款适用于不同场景的机器人:远征A2,身高一米七,体重140斤,是能双足行走的交互服务机器人。大模型加持下,具备流畅的讲解能力和稳定的运动功能。远征A2-W,轮式柔性智造机器人。一开场给稚晖君做饮料的就是它,具备动态任务编排、复杂作业执行,以及双臂协同作业等能力。远征A2-Max,重载特种机器人,能够搬动40kg以上的重物。该款机器人目前处于产品研发阶段。具体到技术细节上,智源机器人将机器人系统划分为动力域、感知域、通信域和控制域。动力域方面,智元自研的PowerFlow关节模组实现量产化迭代升级。其中最强型号额定扭矩达到270Nm,峰值扭矩达到512Nm。稚晖君表示,PowerFlow此番提升,主要是可靠性和稳定性达到量产级别。在现场,他也透露这款关节模组将开启对外售卖。此外,机器人灵巧手的自由度也升级至19个,其中主动自由度达到12个,并引入了基于MEMS原理的触觉感知和视触觉感知技术。使用工具拧螺丝:拆快递:干点穿针引线的精细活,都不在话下:感知域方面,远征A2系列集成了RGBD相机、激光雷达、全景相机等传感器,引入自动驾驶Occupancy感知方案,通过SLAM算法进一步提升环境理解能力。通信域方面,智元自研了专为具身智能打造的轻量化、高性能通信框架AimRT。相比ROS等第三方中间件,在性能、稳定性、系统部署效率和灵活性均有提升的同时,兼容了ROS/ROS2已有生态。AimRT还将于9月底开源。控制域方面,结合Model-based和Learning-based两种算法,智元进一步提升了机器人的运动控制和适应能力。并预研了基于自然语言指令集驱动的、可以适配不同机器人本体的AgentOS,基于强化学习,实现机器人技能的精准编排和高效执行。另外,智元还构建了面向开放生态的软件平台AIMA(AI Machine Architecture),覆盖机上、云端和客户端。该平台集成了机器人软件的核心技术,同时提供丰富的二次开发接口。具身智能技术演进路线值得关注的是,配合自家商用化进程,智元此番还提出了类似自动驾驶L1-L5的具身智能技术演进路线:G1至G5(其中“G”指通用人工智能)。其中,G1为传统自动化阶段,机器人基于大量人工编排执行任务,辅以简单视觉,基本不具备泛化能力。G2阶段,有了大模型的加持,机器人开始实现一大类场景的快速迁移。方法是,针对大量不同场景任务,提炼出可复用的原子能力,且以相对通用的方式实现这些能力。过去一年,智元机器人在G2路线取得了阶段性突破,实现了通用的:位姿估计模型UniPose、抓取模型UniGrasp,力控插拔模型UniPlug等一系列zero-shot和few-shot的通用原子技能。不过嘛,以上阶段都还采用了大量手工编排。到了G3端到端阶段,机器人训练从算法驱动变成数据驱动。此时,由手工设计各类原子能力变为依靠大量数据采集。这一阶段的目标是,形成一套通用技能训练框架。比如发布会反复提到的“PPT能力”,即抓、放、递……稚晖君特意提醒,当前实验表明,端到端是一条具备Scale up潜力的路线。在G3基础上,G4主要实现通用操作大模型。举个例子,比如对于开瓶子、开门把手这两个动作,G3阶段还需要单独采集数据,以训练不同的技能。但对人类来说,其实动作的底层逻辑是相通的。因此,G4引入了大量跨场景的真实、仿真数据,再加上时间模型等类似技术,让AI理解背后物理原理,从而执行更加复杂的任务。至于最后的终极目标:AGI。对具身智能来说,主要还是能够走出实验室,在开放场景具备跨任务的泛化能力。从G1到G5,一个显著趋势是:数据需求不断上涨。姜青松透露,目前智元已经迈向G3阶段。在G3路线上,智元机器人还形成了一套具身数据方案AIDEA。这是因为,“有多少人工就有多少智能,在具身智能领域依然成立”。也就是说,高质量的人机操作数据非常关键。具体来说,AIDEA包括数采本体、遥操设备和数据平台。数采本体也就是轮式、足式等类型丰富、可靠稳定的机器人。遥操设备支持全身映射、臂手协同和高精实时。数据平台覆盖数据采集、数据标注、数据管理、模型训练、模型评测、模型部署再到数据回传的全链路,支持SaaS服务和私有化部署。彩蛋是,基于AIDEA的百万条真机、千万条仿真数据,同样开源。今年四季度,感兴趣的小伙伴可以蹲起来了~“人形机器人人人造”以为介绍完远征系列,智元机器人一年一度亮活大会就结束了吗?并不!稚晖君一声令下,远征A2-W缓缓推上来了一个没它高的神秘黑箱。有点眼熟,好像是直播最开始,稚晖君指挥A2-Max搬走的那玩意儿:里面的东西破箱而出,是智元推出的另一款机器人。灵犀X1。诞生于智元X-Lab实验室(也可以简单理解为智元内部的稚晖君实验室),是智元机器人专门面向极致创新和敏捷探索而设立的。今年6月立项,10个人组团投入其中,不到半个月前刚刚正式降生。视频录像显示,灵犀X1身经百摔:现在已经能做到被大力推攘也不会摔倒了。△来人啊,这里有人霸凌具身小机器人(不是)灵犀X1身高1.3米,体重小于33kg——比起远征系列,灵犀系列看起来更小巧玲珑;它的最大行走速度高于2米/秒,单臂负载大于3kg。据介绍,灵犀X1全身上下都由两款自研PowerFlow关节搭建成,分别命名为PF86和PF52。这两款PowerFlow对外销售。此外,灵犀X1还具备中空走线、输出端绝对值编码、支持PF-Link智能接口等众多功能。它融入了模块化设计理念,可以通过简单抱箍形式轻松拆装,尤其是它的两只“手”。要知道,灵犀X1的标配是智元X-Lab自研的两个“带前馈力控、超低成本”的自适应通用夹爪。自适应抓握,仅1个主动自由度。但泛化性很强,抓啥都行。甚至是桌面上平躺着的一根针,也能稳稳夹起来。但灵犀X1的执行器不仅可以是自适应通用夹爪,也可以是百元级成本的六维力传感器,满足不同场景需求的那种。有点意思的是,灵犀X1可以开启“机机模式”。简单来说,就是打开灵犀X1的脑子(里面本来是空的),把手机装进去,用性价比更高、功能更丰富、算力更强、普及率更广的手机,来当它的脑子。然后大家就能看到以下这个又好笑又有点诡异的对话画面:此外,灵犀系列还有款机器人:专业数采机器人X1-W。和远征系列的A2-W一样,它们都是轮式,然后上半身可上下升降。不过与采训推一体机器人A2-W相比,X1-W价格更低,适用于只做真实数据采集,服务预训练阶段;而A2-W可服务采集、训练、推理多个流程,不仅对预训练有用,对fine tuning也有用。不同的应用场景可选用不同的机器人进行采集,搭配满足全栈数据采集需求。最后就是大家都很关心的价格了。“友商都很卷,我们不参与价格战。”说完这句话,稚晖君按下手中的PPT遥控器,屏幕上出现了灵犀X1的价格——0元。他表示,除自研关节外,灵犀X1的本体设计图纸、软件框架、中间件源码、基础运控算法,统统即将开源。主打的就是一个“人形机器人人人造”。稚晖君也现场给他的X-Lab打了波招聘广告,“欢迎有想法的年轻人加入智元,加入X-Lab”。One More Thing最后,咱再来简单正式介绍一下智元机器人(AgiBot)。它成立于2023年2月,致力于AI+机器人的融合创新,以及打造具身智能机器人产品和应用生态。创始团队包括稚晖君(彭志辉),电子科大毕业后,先后在OPPO研究院、华为工作(以华为天才少年身份入职)。同时,他也是B站up主,自称野生钢铁侠。同为创始人的,还有上海人工智能研究院智慧康养首席科学家、上海交通大学机械与动力工程学院教授闫维新。去年8月,智元机器人推出首款产品:通用型具身智能机器人原型机,远征系列的A1。今天,属于是智元机器人第二次大张旗鼓地对外展示研发和产品进展。截止到目前,智元机器人已完成了A4轮等多轮融资。智元官方还透露:今年,智元机器人预估发货量达到300台左右,其中双足200台左右,轮式100台左右。声明: 声明:本号对所有原创、转载文章的陈述与观点均保持中立,推送文章仅供读者学习和交流。文章、图片等版权归原作者享有,如有侵权,联系删除。 来源:硬件笔记本

未登录
还没有评论
课程
培训
服务
行家
VIP会员 学习计划 福利任务
下载APP
联系我们
帮助与反馈