首页/文章/ 详情

锁相环 PLL 的组成和应用

26分钟前浏览8
锁相环路,简称PLL,作用:可以锁定相位,可以消除频率误差。

1、锁相环路基本组成

鉴相器(PD):用以比较ui、uo相位,输出反映相位误差的电压uD(t)。

环路滤波器(LF):用以滤除误差信号中的高频分量和噪声,提高系统稳定性。

压控振荡器(VCO):在uC(t)控制下输出相应频率 fo。

若两正弦信号频率相等,则二者之相位差恒定;反之,只要保持其相位差恒定,即可使两信号频率相等。
锁相环路的基本工作原理:

若wi ≠wo,则ui(t)和uo(t)之间产生相位变化 → uD(t) ,与瞬时误差相位成正比→uc(t),滤除了高频分量和噪声→ wo ,去接近wi ;最终使 wi = wo ,相位误差为常数,环路锁定,这时的相位误差称为剩余相位误差或稳态相位误差。


2、锁相环路的数学模型


鉴相器的相位模型:
模型为:
压控振荡器的相位模型:
模型为:
环路滤波器的电路模型:
模型为:
PLL的相位模型和基本方程:
上式是一个非线性微分方程,它完整地描述了环路的控制过程。
锁相环路(PLL)是一个传递相位的闭环系统,只要研究它的相位数学模型或它的微分方程,即可获得该系统的完整性能。

3、锁相环路的捕捉与跟踪

4、 集成锁相环路


通用型单片集成锁相环路L562简介:


为多功能单片集成PLL。内部除有PD、VCO外,还有三个放大器和一个限幅器。工作频率可达30MHz。

鉴相器(PD)采用双差分对模拟相乘器电路,压控振荡器(VCO)采用射极耦合多谐振荡器电路。
限幅器用于限制锁相环路的直流增益,以控制环路同步带的大小。

只需单电源供电,一般采用18V电源,最大电流14mA。输入信号电压最大值为3V。

L562内部结构与外引脚排列:
L562内部的射极耦合多谐VCO:
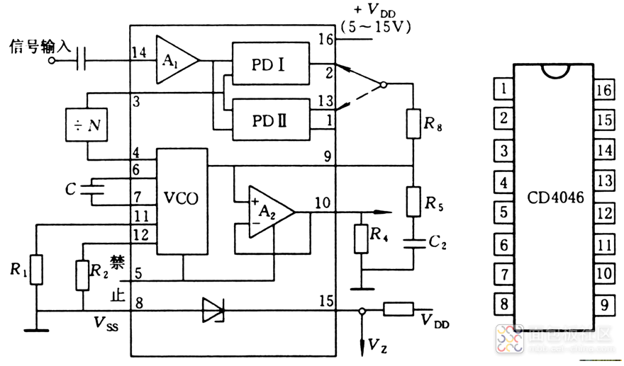
CMOS锁相环路CD4046简介:为数字PLL。内有两个PD、VCO、缓冲放大器、输入信号放大与整形电路、内部稳压器等。具有电源电压范围宽(5~15V)、功耗低、输入阻抗高  等优点。工作频率0~1MHz。内部VCO产生50%占空比的方波。输出电平可与TTL电平或CMOS电平兼容。

声明:


 
声明:文章来源:面包板社区czd886分享。本号对所有原创、转载文章的陈述与观点均保持中立,推送文章仅供读者学习和交流。文章、图片等版权归原作者享有,如有侵权,联系删除。  


来源:硬件笔记本
非线性电源电路通用电子控制
著作权归作者所有,欢迎分享,未经许可,不得转载
首次发布时间:2025-11-21
最近编辑:26分钟前
硬件笔记本
本科 一点一滴,厚积薄发。
获赞 157粉丝 46文章 698课程 0
点赞
收藏
作者推荐

小米手环9拆解:芯片国产化率再次加速

拆解本次拆解的是小米手环9 NFC版本,手环的外观基本没多大变化,重点还是来看下拆解后的硬件方案。从结构来看,主要是由屏幕,结构件的中框和后盖,以及PCB主板和电池组成。 屏幕采用1.62英寸 AMOLED屏,上面覆盖2.5D强化玻璃盖板,最高支持1200nits亮度。屏幕背面FPC电路上带有触摸芯片和环境光传感器,支持全屏触摸操作以及屏幕自动亮度调节。重点看下主板,手环PCB主板的布局就比较紧密了,并且器件基本都布局在一面,另一面则主要是给电池留出放置空间,所以基本没啥芯片,只有一个硅麦克风。电池的额定容量是233mAh,在满足日常功能使用的情况下,可以支持18天左右的续航。 主板上的芯片包括: 小结这就是整个小米手环9的内部结构和硬件方案,从芯片选型来看,和前几代产品相比,芯片的国产化率还是在不断提升。可能再迭代个几代产品,大家就能见到全国产芯方案的小米手环,拭目以待。声明: 声明:文章来源与非网eefocus。本号对所有原创、转载文章的陈述与观点均保持中立,推送文章仅供读者学习和交流。文章、图片等版权归原作者享有,如有侵权,联系删除。 来源:硬件笔记本

未登录
还没有评论
课程
培训
服务
行家
VIP会员 学习计划 福利任务
下载APP
联系我们
帮助与反馈