首页/文章/ 详情

二极管电桥是如何工作的?

3小时前浏览11
二极管电桥是用于将交流电 (AC) 转换为直流电 (DC) 的简单电路。在本指南中,您将了解它是如何工作的、它的用途以及如何构建自己的。


整流二极管

二极管桥电路是一个非常简单的电路,仅由四个以方形连接的整流二极管组成。二极管只允许电流沿一个方向流动(从阳极到阴极),这使得它非常适合从交流电转换为直流电。

您可以在下面看到通过二极管连接时交流电压波形是如何转换的。交流信号在正值和负值之间交替。当该交流信号通过二极管时,只剩下正半周期。

上面的电路也称为半波整流器,在深入研究二极管桥(全波整流器)之前,这是一个需要掌握的关键概念。


二极管电桥电路

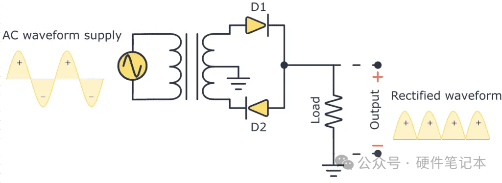
二极管电桥由四个二极管组成,它们连接成一个正方形:

您可以看到 D1 和 D4 共享同一阴极,而 D2 和 D3 通过阳极连接。这两点构成了输出。

您还可以看到 D3 的阴极连接到 D1 的阳极,D2 的阴极连接到 D4 的阳极。这两点构成了输入。


当您将交流输入施加到该电路时,您将获得如下所示的整流输出:

上一节的半波整流器只使用了正半周期,浪费了负半周期。

作为桥式整流器连接的四个二极管通过让正半周期流动,同时将负半周期转换为正半周期来解决这个问题。从而利用整个交流波形。


工作原理:正半周期内的电流

电源的正半周期内,二极管 D1 和 D2 可以导通,而二极管 D3 和 D4
则不能导通,因为它们是反向偏置的。通过这种布置,正半周期为您提供流过电路的电流,如下所示:

工作原理:负半周期内的电流

在负半周期内,二极管 D3 和 D4 导通,而二极管 D1 和 D2
不导通。尽管电路现在接收到负半周期,但您可以在下图中看到电流如何以与以前相同的方向流过负载(输出)。这就是该电路如何将负半周期变成正周期的方式。

二极管电桥与中心抽头电桥整流器

二极管电桥不是唯一的全波整流器,还有另一种称为“中心抽头电桥”的通用电路。它允许交流信号的正半周期流动,并将负半周期转换为正信号。

如下图所示,中心抽头整流器仅使用两个二极管和一个中心抽头变压器即可实现全波整流。

与二极管电桥相比,中心抽头电桥由于其特殊配置而表现出更低的效率、有限的额定电压、更多的元件数量、更大的尺寸、更高的成本以及更低的灵活性。


应用

二极管电桥最常见的应用是直流电源。以下是 5V 直流线性电源电路的示例:

 

声明:


 
声明:文章来源网络。本号对所有原创、转载文章的陈述与观点均保持中立,推送文章仅供读者学习和交流。文章、图片等版权归原作者享有,如有侵权,联系删除。  


来源:硬件笔记本
电源电路通用电子
著作权归作者所有,欢迎分享,未经许可,不得转载
首次发布时间:2025-11-26
最近编辑:3小时前
硬件笔记本
本科 一点一滴,厚积薄发。
获赞 157粉丝 47文章 838课程 0
点赞
收藏
作者推荐

芯片大厂派发奖金,人均105w,羡煞旁人!为此我整理了35家芯片大厂名单

大家好,我是王工。近期,芯片大厂联发科宣布了2024年上半年度的员工分红计划,并与8月薪资一起发放。据推算,本次奖金派发人均105万新台币(约23.4W人民币),1.2万员工有份,真是羡煞旁人!为此我整理了35家芯片大厂名单,供大家参考。1、联发科技(MediaTek Inc.)联发科技股份有限公司(MediaTek Inc.),全称中国台湾联发科技股份有限公司,成立时间是1997年5月28日。它是全球第四大无晶圆厂半导体公司,在移动终端、智能家居应用、无线连接技术及物联网产品等市场位居领先地位,一年约有20亿台内建MediaTek芯片的终端产品在全球各地上市。2、华为海思(Hisilicon)华为旗下的半导体与器件设计公司,成立于2004年10月。致力于为消费电子、智慧家庭、汽车电子等行业智能终端打造安全可靠、性能领先的芯片与板级解决方案。3、中兴微电子中兴通讯的全资子公司,成立时间是1996年。专注于通信网络、智能家庭和行业应用等通信芯片的研发、设计与销售。4、紫光展锐中国集成电路设计产业的龙头企业,也是全球领先的平台型芯片设计企业。成立时间是2013年08月26日。紫光展锐全面掌握2G/3G/4G/5G、Wi-Fi、蓝牙等全场景通信技术,是全球公开市场少数几家5G手机芯片厂商之一。5、 长江存储一家专注于3D NAND闪存设计制造一体化的IDM集成电路企业,成立时间是2016年7月。公司总部位于中国武汉,致力于为全球合作伙伴提供高质量的3D NAND闪存产品。6、长鑫存储一家专注于内存芯片的研发与制造的企业。公司致力于提供高性能、高可靠性的内存芯片产品,广泛应用于各类智能终端和数据中心。长鑫存储在内存芯片领域具有较高的技术实力和市场份额。7、海光信息一家专注于高性能处理器芯片的设计与开发的企业。公司致力于通过自主创新的技术,为用户提供高性能、低功耗的处理器芯片解决方案。8、芯原股份一家专注于半导体IP授权、芯片定制服务和一站式芯片定制解决方案的企业。公司为客户提供从芯片设计到量产的全方位服务,助力客户快速推出符合市场需求的产品。芯原股份在半导体IP和芯片定制领域具有较高的技术实力和市场份额。9、 纳思达一家专注于打印机及耗材产品研发、生产和销售的企业。公司不仅提供优质的打印机产品,还致力于打印机耗材的研发和制造。纳思达在打印机及耗材领域具有较高的市场份额和品牌影响力。10、 韦尔股份一家专注于半导体产品设计与销售的企业。公司产品广泛应用于移动通信、智能终端、汽车电子等领域。韦尔股份在半导体设计和销售领域积累了丰富的经验和技术实力,为客户提供优质的产品和服务。11、 汇顶科技一家专注于生物识别技术的研发与应用的企业。公司产品包括指纹识别芯片、触控芯片等,广泛应用于智能手机、平板电脑等智能终端设备。12、 晶晨股份一家专注于多媒体芯片设计与销售的企业。公司产品广泛应用于智能电视、机顶盒、智能投影等多媒体设备。晶晨股份在多媒体芯片领域具有较高的技术实力和市场份额,为用户提供优质的多媒体体验。13、寒武纪一家专注于人工智能芯片的设计与研发的企业。公司致力于通过自主创新的技术,为用户提供高性能、低功耗的人工智能芯片解决方案。寒武纪的产品广泛应用于数据中心、边缘计算、智能终端等领域,为人工智能的发展提供了强大的算力支持。14、紫光国微紫光集团旗下的一家专注于集成电路设计与销售的企业。公司产品涵盖智能安全芯片、特种集成电路等多个领域。15、翱捷科技一家专注于无线通信芯片的研发与销售的企业。公司产品广泛应用于物联网、消费电子等领域。翱捷科技在无线通信芯片领域具有较高的技术实力和市场份额,为用户提供优质的无线通信解决方案。16、圣邦股份一家专注于高性能模拟集成电路设计与销售的企业。公司产品广泛应用于各类电子设备中,如手机、平板电脑、汽车电子等。17、复旦微电子复旦大学旗下的一家专注于集成电路设计与销售的企业。公司产品涵盖数字电路、模拟电路、混合信号电路等多个领域。18、卓胜微一家专注于射频前端芯片及模块的研发与销售的企业。公司产品广泛应用于移动通信、物联网等领域。卓胜微在射频前端芯片领域具有较高的技术实力和市场份额,为用户提供优质的射频解决方案。19、兆易创新全球领先的Fabless芯片供应商,成立于2005年4月,总部位于中国北京。它也是大家比较熟悉的GD32供应商。公司是全球排名第一的无晶圆厂Flash供应商、全球排名第二的Nor Flash供应商、中国排名第一的32位Arm通用型MCU供应商,以及中国排名第二的指纹传感器供应商。20、睿创微纳成立于2009年12月,总部位于山东省烟台市,是一家专业从事非制冷红外热成像与MEMS传感技术开发的半导体集成电路芯片企业。21、士兰微中国半导体行业的领军企业之一,专注于集成电路的设计、制造和销售。公司在多个领域拥有领先的技术和产品,如功率半导体、模拟电路、混合信号电路等。22、华润微电子中国领先的半导体和集成电路设计、制造及封装测试企业之一,业务涵盖功率半导体、智能传感器及智能控制领域,拥有从产品设计到封装测试的全产业链整合能力。23、 北京君正一家专注于嵌入式处理器芯片及配套软件平台的研发与销售的企业。公司产品广泛应用于智能家居、物联网、汽车电子等领域。24、比亚迪半导体依托比亚迪集团庞大的产业链和市场需求,致力于成为高效、智能、集成的新型半导体供应商。25、平头哥半导体公司成立于2018年10月31日,是阿里巴巴旗下半导体公司。平头哥半导体的产品类型丰富多样,从AI推理专用芯片、通用服务器芯片到存储控制器芯片、RISC-V处理器内核以及物联网专用芯片等,覆盖了多个领域和场景。26、达摩院阿里巴巴达摩院在芯片设计与研发领域的重要成果。达摩院进一步聚焦于RISC-V架构的处理器研发,推出了多款具有创新性的芯片产品。其中,玄铁系列处理器是达摩院在RISC-V领域的代表性成果。27、 百度昆仑芯全称昆仑芯(北京)科技有限公司,是百度在AI芯片领域的重要布局。昆仑芯科技深耕人工智能芯片领域十余年,专注打造拥有强大通用性、易用性和高性能的通用人工智能芯片。28、英特尔(Intel)作为全球最大的半导体芯片制造商之一,英特尔在多个领域都有深厚的积累,包括处理器、显卡、网络。29、 高通(Qualcomm)全球领先的无线科技创新者,其骁龙系列处理器在智能手机市场占据重要地位。30、 英伟达(NVIDIA)全球知名的图形处理器(GPU)制造商,同时在人工智能和数据中心领域也有显著成就。31、 德州仪器(Texas Instruments, TI)一家在模拟和嵌入式处理芯片领域具有领先地位的公司,其产品广泛应用于各种电子设备中。32、美光(Micron)全球领先的存储解决方案提供商,其产品包括DRAM、NAND闪存等。作为一家大型半导体公司,美光在存储芯片领域拥有强大的技术实力和市场份额。33、安森美半导体(On Semiconductor)一家专注于电源和信号管理解决方案的半导体公司,其产品广泛应用于汽车、工业、通信等领域。作为一家具有全球影响力的半导体公司,安森美的员工人数也较多。34、 意法半导体(STMicroelectronics, ST)全球领先的半导体公司之一,专注于模拟、微控制器和功率半导体的设计和制造。其产品广泛应用于汽车电子、工业控制、消费电子等领域。35、 恩智浦半导体(NXP Semiconductors)一家在连接和安全解决方案领域具有领先地位的半导体公司,其产品广泛应用于移动通信、物联网、汽车电子等领域。作为一家大型半导体公司,恩智浦的员工人数也相当可观。你心中还有哪些芯片大厂,欢迎留言补充。声明: 声明:本号对所有原创、转载文章的陈述与观点均保持中立,推送文章仅供读者学习和交流。文章、图片等版权归原作者享有,如有侵权,联系删除。 来源:硬件笔记本

未登录
还没有评论
课程
培训
服务
行家
VIP会员 学习计划 福利任务
下载APP
联系我们
帮助与反馈