首页/文章/ 详情

VDI2230-用仿真算柔度系数、载荷引入系数、载荷系数!靠谱吗?

15天前浏览24
1      
       

VDI2230先进吗?  


   

     
     

     

德标VDI2230,号称螺栓圣经,很多人学习过。有没有人问过一个问题,VDI2230先进吗?

     

     

20世纪80年代,VDI2230问世,在2003年和2015年分别有修订版本。有点年代感,光从时间上看不算先进。但众所周知,在机械行业,先进的东西不一定实用,实用的东西不一定先进。

VDI2230很好,毋庸置疑。但毕竟是传统分析方法,公式一大堆,参数一大堆,想完全搞清楚,得耐心学习。

笔者主业是仿真培训,所以想把VDI2230和仿真最大程度的结合在一起。可行吗?请接着往下看。

     

     
   
2      
       

螺栓柔度系数   


   

     
     

     

笔者对传统分析方法的印象是半理论半经验。展开来说,传统方法基于一定的力学理论,也会兼顾实测数据,一般以公式中选参形式体现。

所以传统方法只要用对了,一般肯定是可靠的,因为有实测数据支撑。再加上传统方法开发早,广泛的实践也证明了可靠度。

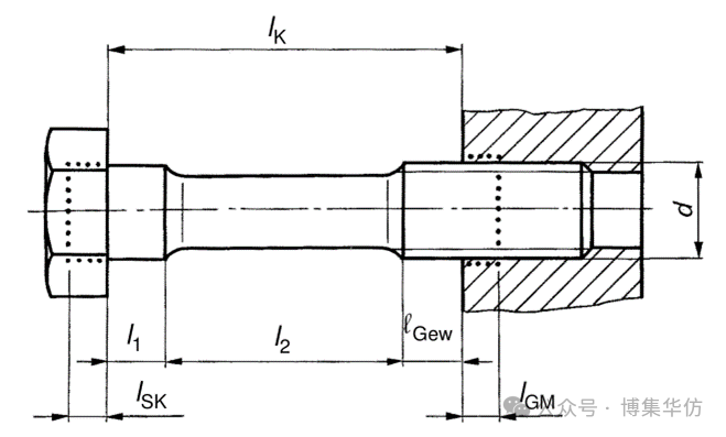
螺栓柔度系数的计算方法:

     

     
     

     
     


很显然,符合传统方法的半理论半经验风格。老实说,手算虽然麻烦,但也不是很复杂。

来做个仿真,看看能不能得到螺栓柔度系数。以下数据来自某期刊论文。

     


     

通过仿真,得到螺栓柔度系数为:

5.07E-2/10000=5.07E-6 mm/N

和公式解高度一致。

3      
       

载荷引入系数,n=1     


   

     
     

     

在连接件的承压面(螺栓头和螺母正下方)上施加拉力载荷,模拟载荷引入系数等于1的场景。

     

     

拉力施加了1000N,螺栓附加载荷为444N,所以载荷系数为0.444,某期刊论文的公式解为0.47,误差为6%,笔者认为工程层面可以接受。

4      
       

载荷引入系数,n<1 


   

     
     

     

在连接件侧面某位置施加拉力载荷,模拟载荷引入系数小于1的场景。

     

     
载荷系数:      
公式解          
仿真解          
0.258          
         
0.248          
0.173          
         
0.18          
0.064          
         
0.075          


误差:

(0.248-0.258)/0.258=-4%

(0.18-0.173)/0.173=4%

(0.075-0.064)/0.064=17%


载荷引入系数:

公式解          
仿真解          
0.55          
0.248/0.444=0.559          
0.369          
0.18/0.444=0.405          
0.136          
0.075/0.444=0.169          


误差:

(0.559-0.55)/0.55=1.6%

(0.405-0.369)/0.369=9.76%

(0.169-0.136)/0.136=24.3%


5      
       

总结     


   

     
     

     

在某些场景下,公式解和仿真解高度一致,可以认为公式解和仿真解都是对的。但在某些场景下,差距较大。

看到这里。一起投个票吧。

来源:博集华仿
VDI2230理论螺栓
著作权归作者所有,欢迎分享,未经许可,不得转载
首次发布时间:2025-11-08
最近编辑:15天前
博集华仿
硕士 致力于推广工程仿真技术
获赞 442粉丝 811文章 722课程 6
点赞
收藏
作者推荐
未登录
还没有评论
课程
培训
服务
行家
VIP会员 学习计划 福利任务
下载APP
联系我们
帮助与反馈