首页/文章/ 详情

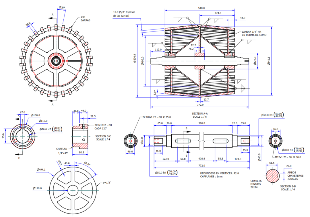
【工程机械】提升机自清洁驱动滚筒3D数模图纸 IGS格式

23天前浏览36

【工程机械】提升机自清洁驱动滚筒3D数模图纸 IGS格式

部分图片来源及下载此模型的网址如下:

https://grabcad.com/library/driven-pulley-bucket-elevator-1

注意事项:本文仅是图片,仅供欣赏。如需共享,请遵守本公 众号首页“更多图纸”中的“免责声明”。



来源:机械图纸狗

附件

免费附件.txt
SolidWorks
著作权归作者所有,欢迎分享,未经许可,不得转载
首次发布时间:2025-10-28
最近编辑:23天前
机械狗社区David
签名征集中
获赞 162粉丝 70文章 4358课程 0
点赞
收藏
作者推荐

【非标数模】Robot Palletizing简易机器人码垛设备3D图纸 STEP格式

【非标数模】Robot Palletizing简易机器人码垛设备3D图纸 STEP格式部分图片来源及下载此模型的网址如下:https://grabcad.com/library/simple-robot-palletizing-concept-1注意事项:本文仅是图片集,仅供欣赏。如需共享,请遵守本公 众号首页“更多图纸”中的“免责声明”。来源:机械图纸狗

有附件
未登录
还没有评论
课程
培训
服务
行家
VIP会员 学习计划 福利任务
下载APP
联系我们
帮助与反馈