首页/文章/ 详情

PMSM转子初始位置预定位和ABZ编码器校零的理论、代码实现及硬件验证调试

7小时前浏览4

导读:本期文章主要介绍坐标变换和预定位两个部分,在永磁同步电机矢量控制系统中,这两个部分也是重要环节。重点介绍预定位和校零。预定位是永磁同步电机获取初始位置的方法之一,其作用大致就是为了防止电机反转和具有一定的启动带载能力。    

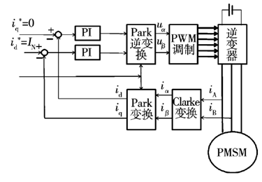
图1 永磁同步电机矢量控制系统框图    

一、坐标变换在CCS中的C代码实现过程  

以上是坐标变换Clark、Park和Ipark实现的过程,主要就是相关的结构体变量的定义和实现函数的设计,最后在主函数中进行调用使用即可。进行预定位和ABZ编码器校零的时候,需要用到坐标变换和电流PI调节器部分。

二、预定位的实现及应用  

2.1 预定位的原理及目的  

预定位的原理是通过对电机的定子绕组施加静止的电流矢量(固定角度和幅值),然后由该电流矢量所产生的电磁转矩将电机的转子旋转到预定位置。  

实现预定位(后面的初始位置检测)的目的:避免电机起动时不必要的反转、起动失败现象的发生和能够确保拥有足够的起动输出力矩的能力。  

2.2 预定位实现的过程和校零  

为了便于理解,电机4对极,编码器2500线,4倍频后,电机机械转动1圈会产生10000个脉冲。  

2.2.1 ABZ编码器的校零(编码器安装与A轴之间的偏差,理论上是完全重合无偏差的)  

FOC算法,需要用到电机的转子位置角,这个角度是通过编码器的读数推算出来的。  

理想情况下,如果电机的机械零位和编码器的零位正好对齐,即就是:  

编码器读数为0时,电机的机械角度为0°;  

编码器读数为10000时,电机的机械角度正好为360°;  

编码器读数从0到10000,电机正好机械上旋转一周,电机的电角度正好从0-2π重复了4次(4对极电机),因此,只要我们获得了编码器读数,就能计算出此刻电机的电角度(范围0-2π),就可以完成FOC算法了(FOC需要的是电机的电角度,不是机械角度,即和电机在哪个重复区间没有关系,每个0-2π的区间,对FOC是一样的。话句话说,程序中开环把电机拉到零位,电机会停在4个不同的机械位置,即得到的机械角度不一样,但是,得到的电角度是一样的)。  

但实际上,编码器零位和电机零位很难完全安装一致,多少都有一定的偏差。此时,如果我们不知道这个偏差,程序中读取编码器后,就无法算出准确的电机转子位置了。  

因此,对于一个新电机,我们要测量这个偏差,以便在得到了编码器读数后,仍然可以推算出电机此时的转子位置角。  

一个ABZ编码器电机,获得编码器安装偏差后,只要不拆编码器,这个偏差就是固定的,补偿到程序中,就不用再做校准了。以下是校零的过程步骤:  

(1)之前已经校零过,所以把isw=0中的偏差值改成0;  

(2)修改isw=1中的偏差的获取方式;  

2.2.2 预定位(将转子轴拉到零点,与A轴重合)  

在电机转动之前,转子初始位置是未知的,但在永磁同步电机矢量控制系统中,转子位置必须是已知的,所以对电机进行矢量控制前提必须对转子初始位置进行检测,或直接将转子位置定位到初始位置。  

图(a)表示转子处于一个未知的位置,这时给定子一个直流电流i,i的beta轴分量为0,alpha轴分量的最大值等于额定电流(一般取一个安全值)。此时将产生一个坐落于alpha轴上的磁场,这个磁场与转子磁场产生相互作用力,从而使转子d轴旋转到与alpha轴重合,如图(b)所示。  

如果预定位结束,实际转子轴的位置如上,则说明ABZ编码器安装存在偏差。使用IF强拖一圈,遇到Z信号后锁存位置寄存器的值,该值就是偏差值,补偿到ABZ计算位置角度中即可消除因为安装偏差带来的影响。  

图3 转子预定位算法结构  

控制永磁同步电机时,不要速度环,直接把转矩电流设定为0,把励磁电流设定为固定值,给它不同的设定角度,可以控制电机运行到任何角度位置。  

三、硬件测试及graph图显  

以上预定位,IF强拖校零和切换到双闭环运行过程的整理:  

接下来就是在硬件测试平台上进行校零和角度graph显示测试:  

四、问题总结  

1、对于带有编码器的有感矢量控制,校零是必不可少的步骤,在工业实践过程中的校零一般采取什么方式?  

2、永磁同步电机矢量控制需要直到转子的初始位置,具体原因见上述分析。在实际实践过程中,转子初始位置检测的方法可以归结于三种:(1)风扇类工况可以采用预定位法;2、履带、起动工况一般采用电压矢量脉冲注入法;(3)其它要求高的工况则采用高频注入的方式来获取转子的初始位置。  


来源:浅谈电机控制
理论电机控制
著作权归作者所有,欢迎分享,未经许可,不得转载
首次发布时间:2025-10-19
最近编辑:7小时前
清风烈酒
硕士 签名征集中
获赞 44粉丝 4文章 55课程 0
点赞
收藏
作者推荐

全速域永磁无感控制初始位置辨识+IF切滑模分解解析-低速域IF强拖控制

引言:初始位置辨识(预定位或其它方式)+IF强拖切基波观测器模型法是永磁全速域无感控制的常见方案,接下来几期文章可以一起学习一下这部分的内容。一、背景永磁同步电机在低速运行时,反电势不易精确检测则无法使用基波模型进行转子位置估计。IF控制是一项重要的技术手段,实现方便且在低速区域具有一定的抗负载扰动的能力。 传统的IF控制策略中一般保持电流幅值和频率的比值恒定,因此当电机的转速提高时,需要的定子绕组的电流也要增加。然而应用在不同场合的驱动电机的负载曲线不同,恒流频比控制不能很好地实现电机的转矩匹配能力。电流幅值和频率不能自动调节,造成失步、转速易受干扰等问题,所以IF控制不适合于电机稳态运行,只能用于辅助起动。 图1 IF控制基本原理框图IF控制是永磁同步电机的一种无位置传感器开环控制策略。IF控制中的转速是开环的,而定子电流是闭环控制的。IF控制一般应用在无位置传感器的低速区,IF控制对于永磁同步电机的无位置传感器控制具有重要意义。 二、IF控制基本原理及过程分析由图(1)可知:IF控制的主要思想是给定定子绕组电流的幅值和转子的电角度。控制器的电流内环根据给定的电流幅值和转子的电角度对电机的定子绕组中的电流矢量进行控制。IF控制给定的电角度并不是真正的转子的电角度,两个电角度之间存在相位差。转子的实际电角度可以构造转子同步坐标系,IF控制给定的电角度可以构造给定同步坐标系,有的参考文献也称为虚拟同步坐标系。电机正转时q轴电流给定为正,如上图(a)所示。当电机转动时,虚拟同步坐标系滞后于转子同步坐标系pi/2电角度,虚拟同步坐标系开始正向旋转时,电磁转矩驱使转子和虚拟同步坐标系一起旋转,正转时的相位关系,如图(b)所示。 电机翻转时q轴电流给定为负,图(c)给出了电机翻转时的起始状态,虚拟同步坐标系超前于转子同步坐标系pi/2电角度,转子反转时的相位关系,如图(d)所示。图2 IF控制中给定电角度和转子实际电角度的相位关系三、性能分析四、仿真验证在0.3秒时突加负载造成转速震荡,又因为功角自平衡的作用,同步角加大,转速波形震荡消失,重新恢复平衡。 问题:IF控制在实际使用过程中,转速波动大且带载能力弱,有什么好的改进方法和补偿措施吗?来源:浅谈电机控制

未登录
还没有评论
课程
培训
服务
行家
VIP会员 学习计划 福利任务
下载APP
联系我们
帮助与反馈