首页/文章/ 详情

ECMS 用于串并联插电混动策略优化

2月前浏览119

概要

GT-SUITE的ECMS算法支持各类混动架构,如串并联、功率分流、增程、并联、多电机EV等等。通过ECMS等最优控制算法,用户可以得到在给定工况下的最佳SOC规划、模式(串联还是并联)分配规律,以及每一种模式下的发动机、电机的工作点等关键信息。由于串并联架构模式相对复杂,我们将重点介绍ECMS的设置方法。

1简介

随着车载控制器算力的持续提升以及高级驾驶辅助系统(ADAS)的广泛应用,多种先进的控制策略已逐步应用于量产车型的控制器中。其中 特别以ECMS(等效“燃油”消耗最小化策略)和MPC(模型预测控制)为主要代表。ECMS 作为极小值原理(PMP)中协状态方程退化后的版本,从全局最优退化成了局部最优。虽然只是局部最优,但ECMS具有实时性强、相对简单的特点,在整车动力性经济性中应用较多。


ECMS 将燃油/氢气/电能等多种能耗加权为一个等效能耗,进而实时求解这个局部最优问题。代价函数的定义至关重要,本文所用方程如下所示。等效因子s 的增加,表示电耗所占权重越大,即电越贵。


   
   


式中,p(SOC) 表示SOC的惩罚函数。SOC0表示目标SOC。用户可以在GT中灵活地自定义代价函数。


   


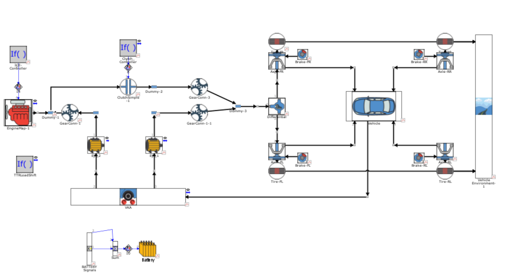
串并联插电混动相对复杂一些,既可以工作在增程模式,也可以工作在混动模式。对于ECMS来说,这两种模式的动力学模式差异显著。在建模过程中需要在GT-SUITE中进行特别设置。下图为本文所用串并联的插电混动模型,共两个电机。通过ECMS等最优控制算法,用户可以得到在给定工况下的模式分配规律,以及每一种模式下的发动机、电机的工作点等关键信息。


    

2为什么不选择DP(动态规划)

理论上,DP更适合做给定工况下的全局最优规划。但是串并联架构较为复杂,控制变量较多。且必须至少选择两个状态(比如SOC和发动机转速),这给DP带来了巨大的计算量。我们用数十个许可证并行,还用时近8个小时。考虑到用户经常难以拥有众多的许可证,故本文将主要关注ECMS。


    

3ECMS的设置


3.1混动架构定义

如下图所示,在车辆运动学模板(VehKinemAnalysis)中,首先要选择动力总成的架构形式(Powertrain Configuration),本文选择串并联。用户还可以选择动力分流模式(Power-Split Hybrid)和其他(Others)。其中Others包含比如P2,EV等架构。当选择串并联架构时,用户需要指定用于模式切换的离合器部件名称,以及两个电机的部件名称。


   



3.2ECMS 设置

在ECMS的设置中,需要特别注意控制变量的选择。


   


在串并联模式下,控制变量的定义需要注意以下事项:


  • EM1驱动电机的扭矩点扫略(EM1-TRQ)。EM1是驱动电机,当处于串联模式时,EM1的工作点将自动根据目标车速来确定。当处于并联模式时,该扫略才会发生作用,此时发动机的负荷点自动根据总扭矩需求减去EM1的扭矩得到。


   


  • 发动机的转速点扫略(ICE-SPD)。该扫略仅仅在串联模式才会发生作用。并联时,发动机的转速由车速决定。

    
    
  • 发动机的加速踏板扫略(ICE-APP)。该扫略仅仅在串联模式才会发生作用。并联时,发动机的负荷点自动计算得到,即发动机的负荷点自动根据总扭矩需求减去EM1的扭矩得到。

   



3.3代价函数定义

本文采用内置的代价函数定义方式。用户可以很容易自定义该代价函数。


    


3.4约束定义

约束定义有两类:定常值约束和时变约束。本文定义的时变约束主要用来约束两个电机的外特性。


    


3.5ECMS的计算流程

   


4求解器设置

在高级设置中,设置固定时间步长 dt=1s。


   


5计算结果

我们测试了不同的等效因子:0和10。SOC的惩罚区间为0.2-0.8。从图中可以看出当等效因子为0时,表示电非常便宜,故该车将仅工作在EV模式,离合器断开。发动机偶尔启动了几下,这是因为电机驱动扭矩超出了限值。


   


等效因子为0(SOC,发动机转速,离合器状态)

当等效因子为10时,在前600s工作在增程模式,离合器断开。600s之后增程、混动、EV都存在。由于我们并没有对发动机的启停进行惩罚,进行惩罚后,将会大大减少不同模式的频繁切换。


   

等效因子为10(SOC,发动机转速,离合器状态)




来源:艾迪捷
理论电机GT Power控制GT-SUITE
著作权归作者所有,欢迎分享,未经许可,不得转载
首次发布时间:2025-09-18
最近编辑:2月前
艾迪捷
MBD CAE解决方案专家
获赞 19粉丝 16文章 569课程 4
点赞
收藏
未登录
还没有评论
课程
培训
服务
行家
VIP会员 学习计划 福利任务
下载APP
联系我们
帮助与反馈