本文将介绍机械图纸中几何公差的确定方法。几何公差是机械零件加工和装配过程中的重要因素,对零件的性能和使用寿命有着重要影响。我们将探讨几何公差的基本概念、分类、标注方法以及在实际生产中的应用。
一、几何公差的基本概念
几何公差是指机械零件加工和装配过程中,对其形状、相对位置和相对运动的允许变动范围。几何公差包括形状公差、位置公差和运动公差。这些公差对零件的精度、稳定性、耐磨性和疲劳强度等性能有着重要影响。

二、几何公差的分类
形状公差:指零件表面形状的误差,如圆柱度、圆度、直线度等。
位置公差:指零件表面相对位置的误差,如平行度、垂直度、同轴度等。
运动公差:指零件相对运动的误差,如跳动、倾斜等。

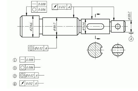
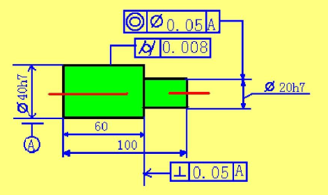
三、几何公差的标注方法
符号标注:在图纸上用符号标注几何公差,如“Φ”、“⊥”、“∥”等。
代号标注:用代号标注几何公差的允许值,如“IT6”、“H7”、“JS9”等。
标注示例:在图纸上标注几何公差时,需注明公差值和偏差方向。例如,“Φ10H7(0 - 0.015)”表示直径为10mm的圆柱孔,上偏差为0,下偏差为-0.015mm。

四、几何公差在实际生产中的应用
根据零件的功能要求,选择合适的几何公差等级。等级越高,加工难度越大,但零件性能越好。
在图纸上明确标注几何公差,确保制造过程中达到精确的配合要求。
根据实际生产条件和工艺水平,对几何公差进行优化调整,提高生产效率和产品质量。
在装配过程中,根据几何公差要求进行正确装配,确保机器或部件的正常运行。

机械图纸中的几何公差是确保零件精度和性能的关键因素。在实际生产中,要根据零件的功能要求、制造工艺和实际生产条件等因素综合考虑,选择合适的几何公差等级和标注方法。通过掌握几何公差的确定方法,我们能够更好地控制机械零件的加工和装配过程,提高产品质量和生产效率。希望本文能对大家有所帮助,如有更多问题或需要进一步讨论,欢迎随时与我们交流。
机械设计的内容讲解到此结束,欢迎各位进行补充。
-End-
文案来源:时光
排版编辑:时光
图片来源:互联网(如有侵权,请联系作者删除)
来源:非标机械专栏