首页/文章/ 详情

高频压控振荡器(VCO)设计

2月前浏览44

VCO设计的关键要素  

·性能要求:VCO设计需满足特定的输出功率、频率范围、相位噪声等性能指标。
·元件选择:晶体管选择需考虑噪声、频率和功率要求,同时要考虑器件的寄生参数对谐振组件的影响。
·直流电源需求:设计需考虑电源电压变化对振荡频率的影响(频率推动)。

VCO规格要求  

·低相位噪声:影响接收机的灵敏度、邻道选择性和阻塞要求,以及数字调制方案中的比特误差率。
·输出缓冲:隔离VCO与负载变化,提供所需输出功率。
·输出功率:通常在50欧姆负载下测量,以dBm为单位指定。
·调谐斜率:频率与电压调谐特性的斜率,即调制灵敏度。
·单调调谐特性:确保频率在任何调谐电压下都是单值的。
·调谐灵敏度:作为调谐电压的函数,衡量调谐线性度。
·调谐平坦度:随着VCO频率范围的增加,实现平坦输出功率的难度增加。

VCO设计建议  

·非线性效应:最小化振荡器电路的非线性失真,特别是二阶失真,以减少噪声边带。
·振荡器性能指标:良好的振荡器应具有-40dBc的二阶谐波水平,且在电源电压缓慢降低时,频率变化应很小。理想情况下,二次和三次谐波频率应远高于振荡器维持级晶体管的 fT 截止频率,从而最大程度地减小这种影响。
·振荡器增益:最小化振荡器的过量开环增益,以防止幅度波动转换为频率波动。

VCO中的非线性效应  

·变容二极管(Varactor)非线性:在宽带VCO中,变容二极管是主要的非线性元件,其上的大电压摆幅会导致频率调谐曲线偏离标称值,并将低频噪声成分上变频,增加VCO相位噪声边带。
·背对背变容二极管配置:当 VCO 调谐变容二极管采用背对背拓扑结构时,变容二极管的失真最小。理论上,当在这种配置中使用匹配的突变结变容二极管时,二阶失真可降为零。         
背对背变容二极管配置用于改善平衡性,并最小化变容二极管的偶数阶非线性。变容二极管应放置在谐振器中电压摆幅最小的位置。应在变容二极管周围放置电阻,以维持反向偏置,并通过电感将其噪声电压短路。

降低VCO相位噪声的设计规则  

·活性器件噪声特性:选择噪声特性好的活性器件,减少通过器件的平均电流流,以降低噪声水平。
·电流脉冲宽度:缩小活性器件中的电流脉冲宽度,减少噪声在电路中的存在时间,进一步降低相位噪声。
·调谐电路的负载Q值:在振荡器中最大化调谐电路的负载Q值,但需权衡Q值、尺寸和成本。    
·活性器件的选择:选择具有低闪烁角频率的活性器件,如双极型晶体管在低集电极电流下工作,可保持闪烁角频率在6到15kHz之间。
·输出功率:增加振荡器的输出功率,但需平衡电流消耗以保持电池寿命和低闪烁角频率。
·变容二极管的选择:选择具有低等效噪声电阻的变容二极管,通过实验确定哪个变容二极管在VCO电路中产生最低的相位噪声。

VCO拓扑结构  

VCO有多种拓扑结构

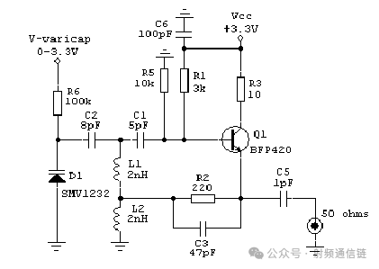
并联调谐Colpitts VCO

双极结型晶体管(BJT)考毕兹 VCO 有三种类型:共集电极、共发射极和共基极。         
最常用的是共集电极配置,其输出通常取自集电极端子,简单地作为基极 - 发射极端子处振荡器连接的缓冲器。
          
         
 
              
考毕兹 VCO 中反馈电容器(C3 和 C4)的比值,比电容器的实际值更为重要。一个较好的起始比值为 1:1。通过减小 C3 或增大 C4,可以提高谐振器电路的负载 Q 值。然而,这样做会降低振荡器的环路增益,而必须保持足够的环路增益,以确保在所有条件下(主要是在不同温度和系统输出负载下)振荡器能够可靠起振。
L2 射频扼流圈,以在发射极电路中提供高阻抗,并确保大部分振荡器功率反馈到 Q1 的基极,而不是在 R2 中耗散。
C1 有源器件与谐振器之间的耦合程度。耦合越轻(C1 的值越小),谐振器的负载 Q 值就越好,从而相位噪声性能也越好。

串联调Colpitts VCO

串联调谐的Colpitts VCO的工作方式与并联调谐的电路大致相同。不同之处在于,可变电容C1的位置使其不受C3和C4大值的影响。实际上,C3、C4 的小值会限制调谐范围。通常会在变容二极管两端增加一个固定电容 C2,以便在不影响 C3 和 C4(它们设置了放大器的耦合)的情况下,将调谐范围减小到所需的范围。    
串联调谐Colpitts VCO,比并联调谐的原始电路具有更好的稳定性。振荡频率由下式给出:

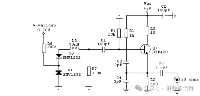
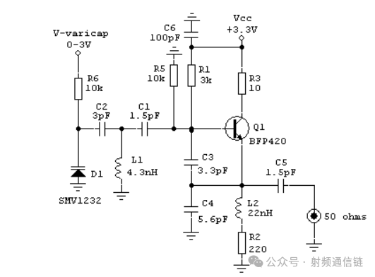
宽带Colpitts VCO

 使用两个 SMV1232 变容二极管的串联背对背连接,而不是单个变容二极管。这种连接在高电压下能够实现较低的电容,同时保持单个变容二极管的调谐比。背对背变容二极管连接还有助于减少失真,以及边缘效应和安装电容的影响。         
宽带考毕兹振荡器的反馈电容 C3、C4 经过优化,以在宽调谐范围内提供平坦的功率响应。         
由于宽带要求,该电路对晶体管的选择(调谐范围和稳定性)非常敏感。         
直流偏置通过电阻 R6 和 R7 提供,这可能会影响相位噪声,但可以省去射频扼流圈。这降低了成本,并减少了寄生谐振的可能性,寄生谐振是产生杂散响应和频率不稳定的常见原因。

Hartley VCO    

Hartley VCO常被称为分裂电感振荡器,因为串联组合线圈(L1 + L2)采用中心抽头。实际上,组合电感 L 的作用就如同两个紧密相邻的独立线圈。通过线圈段 L1 的电流会在线圈段 L2 中感应出信号。当首次给该电路通电时,电阻 R3 会在晶体管基极上施加一个小的负电压,使其能够导通。晶体管内部会积累内部噪声 。
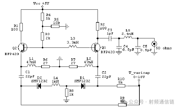
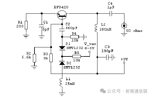
宽带差分推挽VCO
电路原理图显示,一对晶体管处于单个反馈环路中,其连接方式使得集电极电流相位相差 180°。一对背对背连接的 SMV1232 变容二极管被用于在高电压范围内实现较低的电容,同时不改变调谐比。    
变容二极管的直流偏置通过电阻 R8、R9 和 R10 提供,这可能会影响相位噪声,但省去了电感扼流圈。这样就消除了寄生谐振的可能性,寄生谐振可能会影响宽调谐范围,还会导致频率不稳定和产生杂散信号 。

负阻VCO

负阻压控振荡器(VCO)的谐振器是一个串联调谐基极网络,由两个串联的变容二极管电容和一个作为正电抗元件的电感组成。由于负阻振荡器采用串联调谐谐振器,变容二极管的引线电感成为谐振器的一部分。相较于采用并联谐振器的变容二极管调谐振荡器,这是一个优势。基极耦合电容电感和晶体管基极电感也被纳入其中
负阻振荡器的负载品质因数 Q 通常小于 5,并且该电路难以提高 Q 值。当用作宽带变容二极管调谐的压控振荡器(VCO)时,较低的负载品质因数 Q 不会对相位噪声性能造成显著限制,因为变容二极管调制噪声占主导地位,特别是在较高的偏移频率下。

 cascode VCO    

为了使负载与 VCO 谐振电路实现更高程度的隔离,可以采用共源共栅 VCO 配置,通过使用反馈电感 L1,为共发射极晶体管 Q1 提供负阻振荡条件。

Vackar VCO

如果想制作一个非常稳定、低相位噪声且低杂散的压控振荡器(VCO),那么瓦卡(Vackar)压控振荡器绝对是首选。瓦卡压控振荡器是分裂电容振荡器模型的一种变体。在这方面,它与Colpitts或Clapp压控振荡器类似。不同之处在于,与Colpitts或Clapp设计相比,它的输出电平在频率范围内更加稳定,并且带宽更宽。
Vackar VCO电路采用一个 π 型谐振回路,以便在反馈环路中实现所需的 180° 相位反转。反相的反馈信号并非直接反馈到有源器件的输入端;而是通过一个小电容进行弱耦合。通常还会引入一个并联电容,以进一步减弱耦合。其基本思路是在确保可靠振荡的前提下,尽可能将谐振电路与有源器件的输入端隔离开。    

结论  

设计高频VCO时,需要综合考虑性能要求、元件特性、电源需求和非线性效应等多个因素。通过精心选择元件和优化设计,可以实现低相位噪声、高稳定性和良好调谐特性的VCO。
          
   

来源:射频通信链
ACT非线性寄生参数电源电路理论
著作权归作者所有,欢迎分享,未经许可,不得转载
首次发布时间:2025-07-29
最近编辑:2月前
匹诺曹
签名征集中
获赞 6粉丝 45文章 420课程 0
点赞
收藏
作者推荐

FM 解调:技术、斜率检测器以及优缺点

调频 (FM) 是通信系统中的一种关键调制技术,以其在嘈杂条件下保持信号完整性的能力而闻名。解调是从调制的 FM 信号中提取原始信息的过程,对于准确恢复传输的信息至关重要。FM 解调:概述FM 解调是调制的相反过程。在 FM 中,信息信号调制高频载波的频率。在解调过程中,目标是从载波的频率变化中提取调制信号(音频或数据)。FM 解调的基本原理是将载波中的频率变化转换为幅度变化,然后转换为原始信号。这是使用各种解调技术实现的,包括斜率检测器、PLL (锁相环)和基于微分器的方法。FM 解调可分为两个主要阶段:1.频率到振幅转换:使用专用电路或组件将频率变化转换为振幅变化。2.振幅检测:检测振幅变化,通常使用包络检测器或其他振幅检测机制。 斜率检测器斜率检测器是最简单的 FM 解调方法之一。该技术利用调谐电路的频率响应将频率变化转换为幅度变化。它很简单,但不如基于 PLL 的解调等高级方法精确。斜率检测器的工作原理斜率检测器由谐振 LC 电路(电感电容电路)组成,该电路的调谐略低于 FM 信号的载波频率。当输入的 FM 信号的频率偏离载波频率时,电路的输出幅度与频率偏差成比例变化。1.输入信号:FM 信号被输入到调谐电路中,该电路以与载波频率略有偏移的频率共振。2.Frequency-to-Amplitude Conversion(频率到振幅转换):输出信号的振幅根据输入信号与电路谐振频率的频率偏差而变化。3.振幅检测:调谐电路的输出通过包络检测器,该检测器提取振幅变化并恢复原始调制信号。 斜率检测器的优点和局限性 虽然斜率检测器简单且经济高效,但由于它依赖于电路频率响应的线性度,因此其精度受到限制。此外,如果输入 FM 信号的频率偏差太大,它可能会引入失真。这使得斜率检测器仅适用于精度不重要的应用。上图表示斜率检测器电路对 FM 解调的作用:1.FM 信号 (Input to Slope Detector)):调制的 FM 信号,包含调制信号引起的频率变化。2.Slope Detector 的输出:频率变化被转换为振幅变化。这是调谐电路的频率相关响应的结果。3.Demodulated Signal (Recovered Output)(解调信号(恢复输出)):使用包络检测器从斜率检测器的输出中恢复原始调制信号。 高级 FM 解调技术随着通信系统的发展,开发了更复杂的 FM 解调技术来提高精度和抗噪能力。这些技术解决了斜率检测器的局限性,并广泛用于现代通信系统。1.Differentiator 和 Envelope Detector 这种方法通过在将 FM 信号转换为幅度变化之前对其进行区分来提高斜率检测器的性能。微分器放大 FM 信号的频率偏差,从而更容易使用包络检测器提取原始调制信号。 微分器输出与输入频率变化率成正比的信号。然后,该信号通过包络检测器,以恢复与原始调制信号相对应的幅度变化。2. 锁相环 (PLL)PLL 是最准确和广泛使用的 FM 解调技术。它由一个鉴相器、一个压控振荡器 (VCO) 和一个环路滤波器组成。PLL 跟踪 FM 信号的瞬时频率,并生成与调制信号相对应的解调输出。·鉴相器:将输入的 FM 信号的相位与 VCO 的输出进行比较,并根据相位差生成控制信号。·压控振荡器 (VCO): 调整其输出频率以匹配输入信号的频率。·Loop Filter(循环滤波器):滤除噪声并稳定控制信号。PLL 具有出色的抗噪能力和精度,使其成为高保真通信系统的理想选择。调频的优点与其他调制技术相比,FM 具有多种优势,尤其是幅度调制 (AM)。这些优势使其成为无线电广播、移动通信和其他应用的热门选择。1.抗噪性:FM 信号具有很强的抗噪和抗干扰能力。大多数环境噪声都会影响信号的幅度,而 FM 不受信号振幅的影响,因为它依赖于频率变化。2.一致的信号质量:FM 信号不会随着信号强度的变化而降低,使其适用于移动和远程通信。3.高效传输:FM 不需要发射器中的线性放大器,允许使用更高效的非线性放大器。4.高保真度:FM 具有更大的带宽和抗噪性,与 AM 相比,FM 提供卓越的音频质量。调频的缺点尽管 FM 有很多优点,但在系统设计过程中必须考虑一些缺点:1.复杂性:FM 系统比 AM 系统更复杂,需要更复杂的发射器和接收器。2.带宽要求:FM 信号比 AM 信号占用更多的带宽。FM 的无限边带需要滤波,这可能会引入失真。3.成本:FM 的复杂性和带宽要求使得在某些情况下实施起来比 AM 更昂贵。 来源:射频通信链

未登录
还没有评论
课程
培训
服务
行家
VIP会员 学习计划 福利任务
下载APP
联系我们
帮助与反馈