首页/文章/ 详情

功率放大器的类型与理论

2月前浏览47


射频功率放大器广泛应用于无线通信、电视传输、雷达和射频加热等众多领域。从甚低频(VLF)到微波频率,射频功率放大的基本技术可采用 A、B、C、D、E 和 F 等类别。射频输出功率根据应用的不同,范围可以从几毫瓦到兆瓦不等。               
    
定义射频功率放大器的最重要参数包括:
v输出功率
v增益
v线性度
v稳定性
v直流电源电压
v效率
v耐用性
         
选择射频功率放大器的偏置点可以决定该功率放大器最终可能达到的性能水平。通过比较功率放大器的偏置方法,可以评估不同应用在输出功率、效率、线性度或其他参数方面的权衡。
         
效率
η的定义可以用等式表示为:
η=Po//Pdc×100%          
未转换为有用信号的功率会以热量的形式耗散。         
除了工作类别外,功率放大器的整体效率还受电介质和导体损耗等因素的影响。
获得最大功率附加效率(PAE)所需的负载将是这两种条件之间的某种折衷。
当考虑哪种器件在 1dB 压缩点能提供最大的功率附加效率时,答案不一定是特性更线性的器件。而是其增益和 1dB 压缩点最大值所需的负载要求最匹配的器件。

功率类别

A 类          
A 类放大器晶体管的导通角为 360°,这意味着晶体管在输入信号的整个周期内都导通。这使得 A 类成为所有放大器类型中最线性的,这里的线性度简单地指放大器的输出信号与输入信号的相似程度。    
       必须始终记住这一点:          
没有晶体管是完全线性的;然而,放大器的输出信号永远不会是输入信号的精确复 制品。
当信号包含调幅(AM) - 幅度调制或幅度和相位调制的组合(单边带(SSB)、电视视频载波、正交相移键控(QPSK)、正交幅度调制(QAM)、正交频分复用(OFDM))时,需要线性放大。         
连续波(CW)、调频(FM)或调相(PM)等信号具有恒定的包络(幅度),因此不需要线性放大。
直流功率输入是恒定的,理想 A 类功率放大器在峰值包络功率(PEP)下的效率为 50%。         
A 类放大器的直流功耗与输出信号幅度无关,且A 类的放大过程本质上是线性的,因此增加静态电流或单调降低输入信号电平会降低互调失真(IMD)和谐波水平。由于驱动的正向和负向偏移都会影响漏极电流,所以它具有最高的增益。
         
放大过程中没有谐波,然而,其效率较低。因此,A 类功率放大器通常用于需要低功率、高线性度、高增益、宽带操作或高频操作的应用中。
         
需要提及的重要一点是:如果大信号放大器工作在 A 类状态,小信号 S 参数可用于仿真。
B 类      
B 类放大器中晶体管的导通角约为 180°。
与 A 类一样,施加到晶体管的直流偏置决定了 B 类的工作状态。         
因此,晶体管仅在一半时间内导通,即在输入信号的正半周或负半周导通。
B 类放大器比 A 类放大器效率更高。B 类功率放大器的瞬时效率随输出电压而变化,理想功率放大器在峰值包络功率(PEP)下达到(78.5%)。然而,它们的线性度要差得多。因此,典型的 B 类放大器会产生相当多的谐波失真,必须从放大后的信号中滤除。         
         
         
         
B 类放大器的常见配置是推挽放大器。在这种配置中,一个晶体管在输入信号的正半周导通,另一个晶体管在负半周导通。通过这种方式,整个输入信号在输出端得以重现。          
单个晶体管也可用于 B 类配置。在这种情况下,唯一的要求是必须在晶体管的输出网络中放置一个谐振电路,以 “重现” 输入信号的另一半。    
在实践中,静态电流约为峰值集电极电流的 10%,并进行调整以最小化由于晶体管在低输出时的非线性而导致的交越失真。
理论上,与 A 类相比,实现 B 类需要 6dB 或更多的驱动功率。在实践中,这种功率增益的 6dB 降低幅度较小;对于双极结型晶体管(BJT)放大器,比场效应晶体管(FET)放大器的降低幅度小,约为 2dB。         
推挽功率放大器的效率与具有相同导通角的单端功率放大器相同,并且推挽功率放大器的输出功率能力是单端功率放大器的两倍(高 3dB)。
在推挽结构中,直流分量和偶次谐波相互抵消,但奇次谐波相加,因此输出仅包含基波。需要注意的是,只有在放大器未被驱动至深度饱和时,奇次谐波的抵消才有效。    
AB 类         
AB 类放大器是 A 类和 B 类在效率和线性度方面的折衷方案。         
晶体管通常偏置到一个静态点,该点位于截止点和 A 类偏置点之间的某个区域,约为的 10% 至 15%。         
在这种情况下,晶体管在输入信号的半个周期以上但不到整个周期内导通。         
AB 类的导通角在 180° 到 360° 之间,效率在 50% 到 78.5% 之间。         
AB 类比 A 类效率更高,但以牺牲线性度为代价。
AB 类不是线性放大器;具有调幅包络的信号在该峰值功率水平下会产生明显失真。原因实际上是在 AB 类工作中,导通角是驱动电平的函数。         
实验发现,AB 类通常比 A 类或 B 类操作具有更宽的动态范围。这是因为 AB 类中的增益压缩来自与 A 类不同的额外源。饱和效应主要是由电源轨上的射频电压削波引起的。
         
对 BJT 功率放大器在 AB 类中的响应进行线性化,包括为基极偏置电源电压使用特定的、非常低的阻抗。这与小信号 BJT 放大器中使用的简单电流偏置或 FET 功率放大器中使用的简单高阻抗电压偏置相比,是一个非常不同的偏置设计问题。         
在中 AB 类条件下运行功率放大器,功率增益可能比 B 类高 3dB。         
传统的 AB 类操作在提高效率的过程中会产生奇次非线性。从理论上讲,要将效率一直提高到 78.5%,器件应仅产生偶次非线性。这样的器件不会产生不良的接近载波的互调失真。
C 类         
C 类放大器中晶体管的导通角明显小于 180°。    
晶体管被偏置为在稳态条件下没有集电极电流流动。
晶体管处于截止状态。
C 类放大器的线性度是各类放大器中最差的。
C 类的效率可以接近 85%,这比 B 类或 A 类放大器要好得多。
为了使晶体管偏置为 C 类工作,需要对基极 - 发射极结进行反向偏置。         
为了在 C 类工作中正常工作,晶体管的集电极电压击穿至少应为有源器件自身直流电源电压的三倍。
原因是:C 类放大器的平均输出功率较低(因为晶体管仅在短脉冲状时间段内导通),但需要非常高的输入驱动电平。因此,晶体管在 C 类工作中的主要失效模式是有源器件自身的反向击穿电压值较低,当晶体管的集电极电压达到正峰值时,射频输入信号电压变为负值,这使得情况更加恶化。
如果负载与设计预期不同,例如系统在运行过程中天线或馈线损坏或缺失时,这种情况会特别棘手和危险。
D 类       
D 类放大器被定义为一种开关电路,它会产生半正弦电流波形和方波电压波形。D 类功率放大器使用两个或更多晶体管作为开关来产生方波漏极电压波形。一个串联调谐输出滤波器仅将基频分量传递到负载,调谐到在处谐振。    
          
没有真正的放大器可以是真正的 D 类,因为非零的开关电阻以及电容和电感寄生参数会限制漏极电压波形的形状。          
D 类(具有无限快的开关速度)的一个独特之处在于,效率不会因负载中存在电抗而降低。
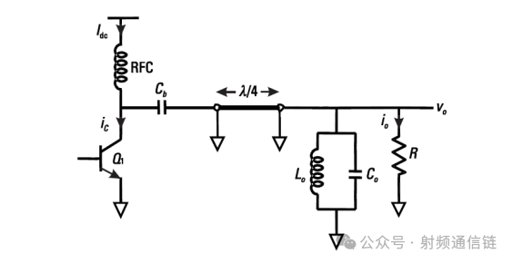
E 类         
E 类采用单个晶体管作为开关。集电极 / 漏极电压波形是直流和射频电流对与晶体管内部电容并联的漏极并联电容充电的结果。在最佳 E 类中,晶体管导通时,漏极电压降至零且斜率为零。         
结果是理想效率达到 100%,消除了与 D 类中对漏极电容充电相关的损耗,降低了开关损耗,并且对元件变化具有良好的容差。
   
E 类放大器的工作频率上限取决于产生上述波形的输出匹配电路所需的输出电容。         
具体而言,为了实现最佳效率,E 类放大器对电容有上限要求。         
射频扼流圈(RFC)很大,只有直流电流流过它。
由和组成的输出电路的品质因数 Q 足够高,使得输出电流和输出电压仅包含基波分量。也就是说,所有谐波都被该滤波器去除。
晶体管表现为理想开关。导通时,集电极 / 漏极电压为零;截止时,集电极电流为零。
F 类        
F 类通过在输出网络中使用谐波谐振器来塑造漏极波形,从而提高效率和输出。电压波形包含一个或多个奇次谐波,近似为方波,而电流包含偶次谐波,近似为半正弦波。或者( “反 F 类” ),电压可以近似为半正弦波,电流为方波。
虽然 F 类比其他功率放大器需要更复杂的输出滤波器,但阻抗只需在几个特定频率下正确即可。在较低频率下使用集总元件陷波器,在微波频率下使用传输线。通常,在距离集电极 / 漏极四分之一或半波长处放置一个短路短截线。         
F 类放大器设计通过控制输出波形的谐波含量有意使电压波形平方。这是通过实现一个输出匹配网络来实现的,该网络为奇次谐波提供高阻抗 “开路”,为偶次谐波提供低阻抗 “短路”。这导致了一个近似平方的(尽管对于 F 类,并非真正的平方)电压波形。只有三次谐波被峰值化。
   
         
F 类放大器能够实现高效率,传统定义的 F 类理论效率为 88.4%(如果使用无限谐波调谐,则为 100%),但实际效率约为 72%。在较高频率和高功率器件中,开路终端成为一个严重的挑战,这主要是由于有源器件输出电容的增加。          
F 类放大器设计难以实现,主要是由于输出匹配网络的复杂设计。          
F 类放大器也可以使用传输线构建,如下所示:
传输线将开路转换为短路,将短路转换为开路。         
在中心频率处,调谐电路(和)为开路,但在所有其他频率下,阻抗接近于零。因此,在基频下,进入传输线的阻抗为。
在偶次谐波处,传输线使短路保持为短路。         
在奇次谐波处,短路被转换为开路。这相当于在所有奇次谐波处都有一个谐振器,结果是集电极电压波形为方波(奇次谐波应处于正确的电平)。

功率类别定义  

          


来源:射频通信链
非线性寄生参数电源电路通信理论控制
著作权归作者所有,欢迎分享,未经许可,不得转载
首次发布时间:2025-07-29
最近编辑:2月前
匹诺曹
签名征集中
获赞 6粉丝 45文章 420课程 0
点赞
收藏
作者推荐

FM 解调:技术、斜率检测器以及优缺点

调频 (FM) 是通信系统中的一种关键调制技术,以其在嘈杂条件下保持信号完整性的能力而闻名。解调是从调制的 FM 信号中提取原始信息的过程,对于准确恢复传输的信息至关重要。FM 解调:概述FM 解调是调制的相反过程。在 FM 中,信息信号调制高频载波的频率。在解调过程中,目标是从载波的频率变化中提取调制信号(音频或数据)。FM 解调的基本原理是将载波中的频率变化转换为幅度变化,然后转换为原始信号。这是使用各种解调技术实现的,包括斜率检测器、PLL (锁相环)和基于微分器的方法。FM 解调可分为两个主要阶段:1.频率到振幅转换:使用专用电路或组件将频率变化转换为振幅变化。2.振幅检测:检测振幅变化,通常使用包络检测器或其他振幅检测机制。 斜率检测器斜率检测器是最简单的 FM 解调方法之一。该技术利用调谐电路的频率响应将频率变化转换为幅度变化。它很简单,但不如基于 PLL 的解调等高级方法精确。斜率检测器的工作原理斜率检测器由谐振 LC 电路(电感电容电路)组成,该电路的调谐略低于 FM 信号的载波频率。当输入的 FM 信号的频率偏离载波频率时,电路的输出幅度与频率偏差成比例变化。1.输入信号:FM 信号被输入到调谐电路中,该电路以与载波频率略有偏移的频率共振。2.Frequency-to-Amplitude Conversion(频率到振幅转换):输出信号的振幅根据输入信号与电路谐振频率的频率偏差而变化。3.振幅检测:调谐电路的输出通过包络检测器,该检测器提取振幅变化并恢复原始调制信号。 斜率检测器的优点和局限性 虽然斜率检测器简单且经济高效,但由于它依赖于电路频率响应的线性度,因此其精度受到限制。此外,如果输入 FM 信号的频率偏差太大,它可能会引入失真。这使得斜率检测器仅适用于精度不重要的应用。上图表示斜率检测器电路对 FM 解调的作用:1.FM 信号 (Input to Slope Detector)):调制的 FM 信号,包含调制信号引起的频率变化。2.Slope Detector 的输出:频率变化被转换为振幅变化。这是调谐电路的频率相关响应的结果。3.Demodulated Signal (Recovered Output)(解调信号(恢复输出)):使用包络检测器从斜率检测器的输出中恢复原始调制信号。 高级 FM 解调技术随着通信系统的发展,开发了更复杂的 FM 解调技术来提高精度和抗噪能力。这些技术解决了斜率检测器的局限性,并广泛用于现代通信系统。1.Differentiator 和 Envelope Detector 这种方法通过在将 FM 信号转换为幅度变化之前对其进行区分来提高斜率检测器的性能。微分器放大 FM 信号的频率偏差,从而更容易使用包络检测器提取原始调制信号。 微分器输出与输入频率变化率成正比的信号。然后,该信号通过包络检测器,以恢复与原始调制信号相对应的幅度变化。2. 锁相环 (PLL)PLL 是最准确和广泛使用的 FM 解调技术。它由一个鉴相器、一个压控振荡器 (VCO) 和一个环路滤波器组成。PLL 跟踪 FM 信号的瞬时频率,并生成与调制信号相对应的解调输出。·鉴相器:将输入的 FM 信号的相位与 VCO 的输出进行比较,并根据相位差生成控制信号。·压控振荡器 (VCO): 调整其输出频率以匹配输入信号的频率。·Loop Filter(循环滤波器):滤除噪声并稳定控制信号。PLL 具有出色的抗噪能力和精度,使其成为高保真通信系统的理想选择。调频的优点与其他调制技术相比,FM 具有多种优势,尤其是幅度调制 (AM)。这些优势使其成为无线电广播、移动通信和其他应用的热门选择。1.抗噪性:FM 信号具有很强的抗噪和抗干扰能力。大多数环境噪声都会影响信号的幅度,而 FM 不受信号振幅的影响,因为它依赖于频率变化。2.一致的信号质量:FM 信号不会随着信号强度的变化而降低,使其适用于移动和远程通信。3.高效传输:FM 不需要发射器中的线性放大器,允许使用更高效的非线性放大器。4.高保真度:FM 具有更大的带宽和抗噪性,与 AM 相比,FM 提供卓越的音频质量。调频的缺点尽管 FM 有很多优点,但在系统设计过程中必须考虑一些缺点:1.复杂性:FM 系统比 AM 系统更复杂,需要更复杂的发射器和接收器。2.带宽要求:FM 信号比 AM 信号占用更多的带宽。FM 的无限边带需要滤波,这可能会引入失真。3.成本:FM 的复杂性和带宽要求使得在某些情况下实施起来比 AM 更昂贵。 来源:射频通信链

未登录
还没有评论
课程
培训
服务
行家
VIP会员 学习计划 福利任务
下载APP
联系我们
帮助与反馈